Aug 6, 2020 at 9:21 AM
(Merged)
Car keeps cutting off and stalling?
2014 BUICK LA CROSSE
Advertisement
Engine stalls after running a few minutes. Normally car will start after waiting 2 - 3 minutes. Today car totally shut down while driving.
If it doesn't start at all now, have you checked for spark and fuel to the engine? Has the check engine light come on?
Let me know.
Joe
Let me know.
Joe
Aug 6, 2020 at 9:21 AM
(Merged)
Advertisement
Engine shuts off while driving, pull over and stop, crank a couple of times and starts, runs for undetermined amount of time before it happens again.
Aug 8, 2020 at 11:46 AM
(Merged)
This sounds like a fuel pump is starting to fail causing the engine to stall here is a guide to confirm, please follow it and get back to me.
https://www.2carpros.com/articles/how-to-check-fuel-system-pressure-and-regulator
Please let us know what you find. We are interested to see what it is.
Cheers, Ken
https://www.2carpros.com/articles/how-to-check-fuel-system-pressure-and-regulator
Please let us know what you find. We are interested to see what it is.
Cheers, Ken
Aug 8, 2020 at 11:46 AM
(Merged)
Thanks for the guide I checked the fuel pressure when the engine stalled and there was none then I checked for power at the pump wire and it had it what do I do now?
Aug 8, 2020 at 11:46 AM
(Merged)
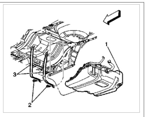
Yep, the pump has gone bad here is a guide to help you see what you are in for when doing the job.
https://www.2carpros.com/articles/how-to-replace-an-electric-fuel-pump
Check out the diagrams (Below)
Please let us know what happens.
Cheers, Ken
https://www.2carpros.com/articles/how-to-replace-an-electric-fuel-pump
Check out the diagrams (Below)
Please let us know what happens.
Cheers, Ken
Aug 8, 2020 at 11:47 AM
(Merged)
Wow great job I pulled the pump and got a new one from Amazon and the car runs again, thanks for your help this site is great.
Aug 8, 2020 at 11:47 AM
(Merged)





