Apr 23, 2019 at 2:28 PM
(Merged)
Brake lights not working
2005 CADILLAC CTS
Advertisement
I sincerely appreciate all the responses and help I've been given regading these brake lights. I don't mean to be misunderstood here but it's difficuly, if not impossible to dertermine who I should be listening to for a sollution because I know nothing about how and why a CTS does what it does. Someone could tell me that the horn is mounted somewhere in the trunk and I wouldn't really know the difference. (well, actually I would but you know what I'm saying.) So it's been your experience in the past that when the brake lights on a CTS quit working it's not likely the problem with be found in the brake light switch ?? Thanks again
So is there more than 1 relay in the circuit that controls the brake lights or are there 2(or more) seperate relays: one for the high light and one for the brake lights. I ask this because while the rear seat was pulled and the shop was checking things over it was noted that a relay in one of the rear boxes was heard "clicking" when pushing on the brake pedal.
Apr 23, 2019 at 2:28 PM
(Merged)
Advertisement
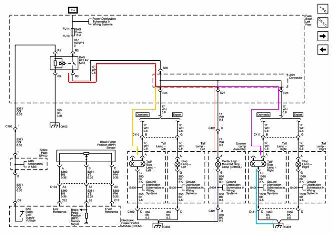
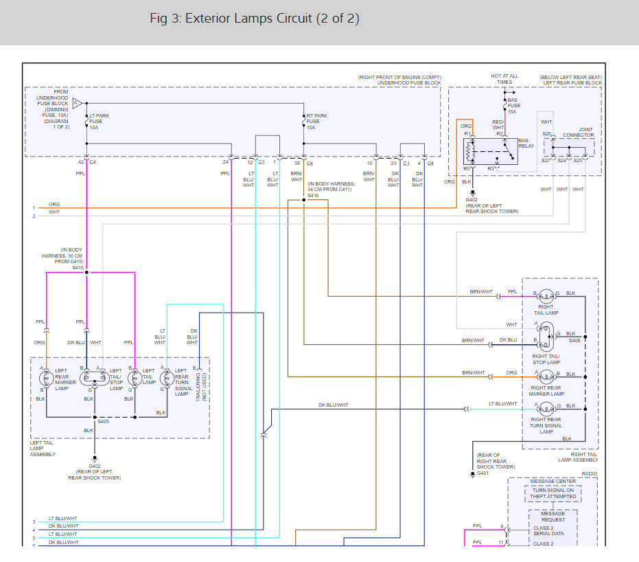
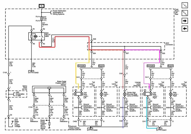
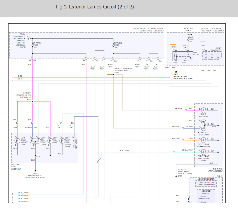
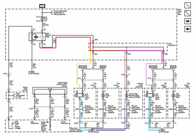
With the circumstance as you describe, you have to have two problems, for it to affect both sides. That would be what makes it confusing, I guess. Do you have a 12v test light? With a few simple checks with a test light, you can determine what you do not have at both sides. Removal of the bumper fascia should not have caused a concern, but then again, anything is possible. One thing is for certain, the fact that the high mount is working, confirms a few things. That the brake pedal sensor is triggering the EBCM to close the BAS relay and energize the circuit, so you can rule out the BPP sensor, EBCM, and BAS relay as being possibles.
With a test light I would connect one end to ground, and probe the white wire(circuit 17) at one side in the rear, and the other side, with the brake pedal applied and the key ON. This will tell you if you have a signal at the rear lamps. If you do, then check the grounds G402, and G401. Both of those grounds are in the trunk, rear of the wheel wells. Unless the specific wire for the each lamp was removed from the grounding points, to have a problem with ground is going to cause problems with many other systems. Both G401 and G402 are ground points for several systems.
If you don't have a test lamp lit at each rear lamp(on the white wire), then trace back to the next connection, which would probably be at the rear fuse block, or that joint connector. If there is power on the appropriate circuits there, you have a wiring problem between the fuse block, and the rear lamps, on both sides. If you have power and ground at the rear connectors C411, and C410, then you either have bad sockets, or bad bulbs. Let's go back to the symptom, you DO have a high mount when the pedal is depressed, you just are lacking the right and left brake light, correct? To answer your question that you asked while I was composing this reply, you only have the one relay, labeled BAS. You should be able to locate it with the legend under the fuse box cover.
With a test light I would connect one end to ground, and probe the white wire(circuit 17) at one side in the rear, and the other side, with the brake pedal applied and the key ON. This will tell you if you have a signal at the rear lamps. If you do, then check the grounds G402, and G401. Both of those grounds are in the trunk, rear of the wheel wells. Unless the specific wire for the each lamp was removed from the grounding points, to have a problem with ground is going to cause problems with many other systems. Both G401 and G402 are ground points for several systems.
If you don't have a test lamp lit at each rear lamp(on the white wire), then trace back to the next connection, which would probably be at the rear fuse block, or that joint connector. If there is power on the appropriate circuits there, you have a wiring problem between the fuse block, and the rear lamps, on both sides. If you have power and ground at the rear connectors C411, and C410, then you either have bad sockets, or bad bulbs. Let's go back to the symptom, you DO have a high mount when the pedal is depressed, you just are lacking the right and left brake light, correct? To answer your question that you asked while I was composing this reply, you only have the one relay, labeled BAS. You should be able to locate it with the legend under the fuse box cover.
Apr 23, 2019 at 2:28 PM
(Merged)
Yes. The high light works, the R/L lights do not. According to the shop the relay in the rear box can be heard when the pedal is pushed. I guess that doesn't necessarily mean it's working but it seem to be respoding to the pedal.I'll call tomorrow and ask how that particular relay was checked and deemed good. Thank you for the time involved in your replies and I will be back when I know more.
Apr 23, 2019 at 2:28 PM
(Merged)
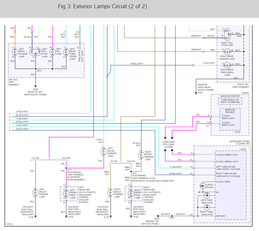
Here's what we know. Voltage is present all the way to the end of the red wire because the high-mount light works. The dark blue ground circuit is okay too, again, because that light works. That means either voltage is not getting to the rear lights on the yellow AND purple wires, or there's a break in BOTH light blue wires.
The two dead lights have nothing in common other than that joint connector. The right feed and ground wires both go through connector C411. The left wires go through connectors C400 and C410. Both sides use different grounds. As near as I can see, there are four broken wires or some connectors are unplugged.
Those wire colors are my addition for explanation purposes. In the sockets, the 12 volt feed wires are white. Check those for 12 volts while a helper is pressing the brake pedal.
Also, maybe one of you other guys would know where those grounds are. They only show one high-mount bulb, but I'm guessing that is a strip of LEDs. With a bad ground, current could try to go through the broken grounds of the two rear lights, back-feed through the tail light filaments, through the front bulbs and through their grounds. There could be enough current to light those LEDS. The clue would be the high-mount light would stop working when the head light / tail lights are on.
If those grounds and lights are built into the rear bumper, perhaps there is another single ground strap between the bumper and car body. Just a thought, because I'm trying to find anything the two sides have in common.
If you DO find full 12 volts on either of the white wires at the sockets, check for voltage on the black wires, but those measurements must be taken with the bulbs in the sockets. If there's voltage on them, there's a break in the ground wires.
The two dead lights have nothing in common other than that joint connector. The right feed and ground wires both go through connector C411. The left wires go through connectors C400 and C410. Both sides use different grounds. As near as I can see, there are four broken wires or some connectors are unplugged.
Those wire colors are my addition for explanation purposes. In the sockets, the 12 volt feed wires are white. Check those for 12 volts while a helper is pressing the brake pedal.
Also, maybe one of you other guys would know where those grounds are. They only show one high-mount bulb, but I'm guessing that is a strip of LEDs. With a bad ground, current could try to go through the broken grounds of the two rear lights, back-feed through the tail light filaments, through the front bulbs and through their grounds. There could be enough current to light those LEDS. The clue would be the high-mount light would stop working when the head light / tail lights are on.
If those grounds and lights are built into the rear bumper, perhaps there is another single ground strap between the bumper and car body. Just a thought, because I'm trying to find anything the two sides have in common.
If you DO find full 12 volts on either of the white wires at the sockets, check for voltage on the black wires, but those measurements must be taken with the bulbs in the sockets. If there's voltage on them, there's a break in the ground wires.
Apr 23, 2019 at 2:28 PM
(Merged)
Sorry for getting out of step. It takes me a while to copy the drawing and add my sad lines to it. Factoryjack is telling you to do the same things I did, and he also thinks it sounds like there's multiple problems. We might be getting derailed with that logic though so the best thing is to pick one side and concentrate on that. When we find that problem, there's a 50 / 50 chance the problem for the other side will be staring you in the face.
I also know it can get confusing when multiple people are in the conversation at the same time. You can start anywhere between where you have voltage and where it's missing. Two people telling you different places to start doesn't mean one is wrong. It's like which direction do you look first when crossing the street? Doesn't really matter; you'll get the same result.
I wouldn't worry about that relay. We know it's working because the high-mount light is working. Think of your horn comment. If your horn sounds sick because the high note is dead and just the low note is working, you know there's no need to test the horn button on the steering wheel.
I also know it can get confusing when multiple people are in the conversation at the same time. You can start anywhere between where you have voltage and where it's missing. Two people telling you different places to start doesn't mean one is wrong. It's like which direction do you look first when crossing the street? Doesn't really matter; you'll get the same result.
I wouldn't worry about that relay. We know it's working because the high-mount light is working. Think of your horn comment. If your horn sounds sick because the high note is dead and just the low note is working, you know there's no need to test the horn button on the steering wheel.
Apr 23, 2019 at 2:28 PM
(Merged)
third brake light comes on but tail light ones stopped working
Apr 23, 2019 at 2:28 PM
(Merged)
Colored wires for referrence. Thats great and I appreciate it.
I just hope the referred wires can be located without too much difficulty. While I'm not knowledgeable in this area the post regarding the 2 blue wires breaking the circuit sounds somewhat promising. I'm curious if things going in and out of the trunk could have jarred a connector loose ?? Or pulling the passenger side kick plate (metal molding running the length of the rocker panel under the door)and disconnecting something in the process without realizing it.
The lights were checked before leaving the Body Shop and everything worked so that may not even be possible to have caused the problem.
Thanks again guys. I really appreciate the willingness to help out here.
So if the brake switch doesn't solve the problem (and it's sounding like it won't) the wires at the connectors need to be checked along with the aforementioned areas for voltage and ground.
One way or another this problem will be corrected and I'll be aure to post what it took to correct.
I just hope the referred wires can be located without too much difficulty. While I'm not knowledgeable in this area the post regarding the 2 blue wires breaking the circuit sounds somewhat promising. I'm curious if things going in and out of the trunk could have jarred a connector loose ?? Or pulling the passenger side kick plate (metal molding running the length of the rocker panel under the door)and disconnecting something in the process without realizing it.
The lights were checked before leaving the Body Shop and everything worked so that may not even be possible to have caused the problem.
Thanks again guys. I really appreciate the willingness to help out here.
So if the brake switch doesn't solve the problem (and it's sounding like it won't) the wires at the connectors need to be checked along with the aforementioned areas for voltage and ground.
One way or another this problem will be corrected and I'll be aure to post what it took to correct.
Apr 23, 2019 at 2:28 PM
(Merged)
Just remember the colors I added are for reference to make describing what we know easier. Those colors have nothing to do with the wire colors in the car.
Forget everything else and just measure the two voltages on one rear socket. That will tell us where to go next.
Forget everything else and just measure the two voltages on one rear socket. That will tell us where to go next.
Apr 23, 2019 at 2:28 PM
(Merged)
Hey Guys: I do aplogize it took so long for me to return with the end results. It was the brake pedal switch after all. It seems the little plastic/neoprene switch position control on the pedal had broke, causing the switch to rotate on the pedal just enough to prevent it from making full contact (and completing the circuit) but not quite enough to prevent a small amount of power from getting to the 3rd light. Thanks again for ALL your help.
Apr 23, 2019 at 2:28 PM
(Merged)
glad to hear ty for using 2carpros
Apr 23, 2019 at 2:28 PM
(Merged)
no brake lights work
Apr 23, 2019 at 2:28 PM
(Merged)
Probably brake switch mounted up on bracket of brake pedal. Maybe out of adjustment or open.
Apr 23, 2019 at 2:28 PM
(Merged)
Interior problem
2003 Cadillac CTS 6 cyl Automatic 80,000 miles
Could there be another problem if my high mount light is not working. I hope so. To replace it is over$660. It comes as a unit. Any thoughts. Don't want to waste more money getting it "diagnoised" to say "Yep, its out"
2003 Cadillac CTS 6 cyl Automatic 80,000 miles
Could there be another problem if my high mount light is not working. I hope so. To replace it is over$660. It comes as a unit. Any thoughts. Don't want to waste more money getting it "diagnoised" to say "Yep, its out"
Apr 23, 2019 at 2:28 PM
(Merged)
If the bottom ones are operational. the problem is either at the splice pack 302 at passenger side compartment on left frame rail near left side of drivers seat, a burned out bulb/corrosion and the ground G402 on rear of left rear shock tower.

Apr 23, 2019 at 2:28 PM
(Merged)
My rear brake lights are not working what do i do?
Aug 6, 2019 at 3:52 PM
(Merged)
Hello,
It can be the brake light switch but to be sure lets check the fuses first here is a guide and the fuse locations in the diagrams below. I have also included the brake light wiring diagrams so you can see how the system works
https://www.2carpros.com/articles/how-to-check-a-car-fuse
Check out the diagrams (Below). Please let us know what you find. We are interested to see what it is.
It can be the brake light switch but to be sure lets check the fuses first here is a guide and the fuse locations in the diagrams below. I have also included the brake light wiring diagrams so you can see how the system works
https://www.2carpros.com/articles/how-to-check-a-car-fuse
Check out the diagrams (Below). Please let us know what you find. We are interested to see what it is.
Aug 6, 2019 at 3:52 PM
(Merged)
Thanks for this post I did some checking and the switch has bad got a new one for $56.00 all set I love this site.
Aug 6, 2019 at 3:52 PM
(Merged)
Breaklights need fixed.
Aug 6, 2019 at 3:52 PM
(Merged)
You need to check power and earth at the brake lights and what ever is not working, trace the circuit back, if you have power at the switch and power through the switch with the pedal down, start at the rear and work back, you may have a corded pin in a loom plug.
Aug 6, 2019 at 3:52 PM
(Merged)















