Battery drain?

2015 CHEVROLET IMPALA
79,000 MILES
Advertisement
Avatar
HEAVVYREVVY
  • MEMBER
  • 8 POSTS
I got it all together this morning so I guess I will let this sit overnight and see what happens.
Still no radio. Could having the battery disconnected cause this kind of radio problems?
Jan 20, 2021 at 7:37 PM (Merged)
Avatar
SERVICE WRITER
  • CERTIFIED EXPERT
  • 9,123 POSTS
IT definitly will. Odd that there is no display. Fuse is good? Radio is in the on position? Like I mentioned, it should show loc when power is lost to the radio such as when the battery is disconnected.
Jan 20, 2021 at 7:37 PM (Merged)
Advertisement
Avatar
HEAVVYREVVY
  • MEMBER
  • 8 POSTS
battery seems to be holding up without any problems - I didn't really check to see what kind of voltage was in the battery but it started without a hitch.
Thanks for your help on that!
should I just go through the fuse box on the driver's side and see if that's my radio problem? Could it be the unusual draw on the battery? The cd player had already quit on it.
Jan 20, 2021 at 7:37 PM (Merged)
Avatar
SERVICE WRITER
  • CERTIFIED EXPERT
  • 9,123 POSTS
Well since you had pulled the one fuse that only left the system with a one Ma draw, then we know the most this circuit can have is 1 Ma. So no, it can't be an excessive draw. This is the fuse you are going after:


https://www.2carpros.com/forum/automotive_pictures/30961_imp1_1.jpg

If the fuse is good check for power getting to the radio connector and verify the ground is good.


https://www.2carpros.com/forum/automotive_pictures/30961_imp3_1.jpg

CD player: IF needbe.


https://www.2carpros.com/forum/automotive_pictures/30961_imp2_1.jpg

Jan 20, 2021 at 7:37 PM (Merged)
Avatar
HEAVVYREVVY
  • MEMBER
  • 8 POSTS
It was the fuse on the radio - so at least we're able to have some noise in the car again!
Thanks for your help!
Jan 20, 2021 at 7:37 PM (Merged)
Avatar
SERVICE WRITER
  • CERTIFIED EXPERT
  • 9,123 POSTS
It was my pleasure.
Jan 20, 2021 at 7:37 PM (Merged)
Avatar
COTTO
  • MEMBER
  • 4 POSTS
I have a 2000 Impala that the battery dies on almost daily. I had the battery and the alternator replaced - no luck. I finally traced the issue to a parasitic draw of 1.6 amps and started pulling fuses. when I pull the fuse CLSTR/BCM (Cluster, Body Control Module, Data Link Connector (Battery)) the current draw drops to almost zero. However, the car will not work without this fuse in and I don't know where to go from here. Do I need to replace my car's computer? How can I trace this problem further? Thank you.
Jan 20, 2021 at 7:37 PM (Merged)
Avatar
RHALL77
  • CERTIFIED EXPERT
  • 3,361 POSTS
how much time are you letting go bye to figure this out. BCM's some times take 10-20 min before it goes into sleep mode.
Jan 20, 2021 at 7:37 PM (Merged)
Avatar
COTTO
  • MEMBER
  • 4 POSTS
I was out of town this week so my car has been off for a week with the fuse out. I just put the fuse back in and tested it with a meter - 1.6 Amp current draw. I did have to open the door to replace the fuse but I did not start the car. I am assuming opening the door would not wake the computer up, right?

Also, to check the condition of the battery I tried to start the car. It starts right up but the headlights do not come on.

So, what is my next step? Do I have a short somewhere? Is my computer bad? Should I give up and buy a new car?

Thank you for your help.
Jan 20, 2021 at 7:37 PM (Merged)
Avatar
RHALL77
  • CERTIFIED EXPERT
  • 3,361 POSTS
opening the door would wake up the BCM. You can run all the current draw test you want but your gonna need a scan tool that reads weather or not the modules are sleeping. a tech 2 at your local dealer is the best bet. but to me it sounds like the BCM is bad
Jan 20, 2021 at 7:37 PM (Merged)
Avatar
  • MEMBER
  • 1 POST
Changed alternator and battery but still not charging.Tested all fuses and when i removed the cluster/BCM fuse the tester dropped. where is this module located?
Jan 20, 2021 at 7:37 PM (Merged)
Avatar
ASEMASTER6371
  • CERTIFIED EXPERT
  • 52,796 POSTS
Good evening,

Are you measuring amp draw? voltage draw is not the way to check for a drain. current flow drains a battery, not voltage. the voltage will always be present but you need to measure current flow. it should be 50 to 75 milli amps as a spec.

https://www.2carpros.com/articles/car-battery-dead-overnight

Roy

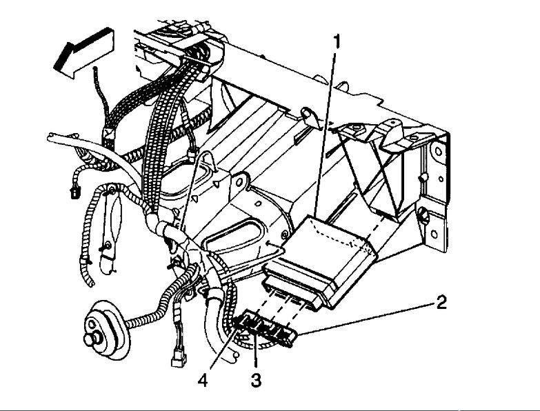
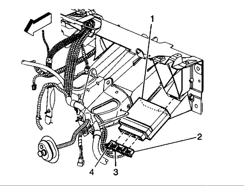
REMOVAL PROCEDURE

IMPORTANT: You must perform the new body control module (BCM) setup when replacing the BCM. Refer to BCM Programming/RPO Configuration.

1. Disconnect the battery ground (negative) cable.
2. Remove the left instrument panel insulator.
3. Disconnect the BCM electrical connectors (2, 3, 4).
4. Remove the BCM (1).

INSTALLATION PROCEDURE
1. Install the body control module (BCM) (1).
2. Connect the BCM electrical connectors (2, 3, 4).
3. Install the left instrument panel insulator
4. Connect the battery ground (negative) cable.
5. Perform the new BCM setup. Refer to BCM Programming/RPO Configuration. See: Vehicle > Programming and Relearning
Jan 20, 2021 at 7:37 PM (Merged)