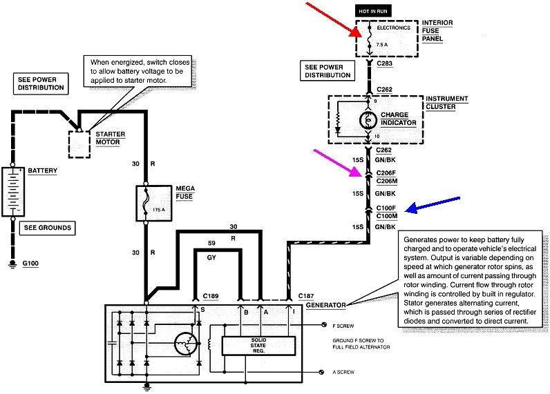
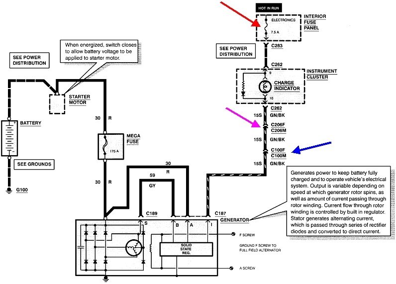
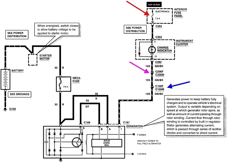
When it starts producing output, a sample of that is tapped off and appears on the white or white / black wire. (It's shown as gray on your diagram). That will be around 6 - 7 volts. That wire goes right into the voltage regulator and it's that voltage that tells the regulator the generator is working. In response, the regulator puts full battery voltage back out on the green / black wire. With full voltage there, and full voltage on the other side of the dash light, the difference is 0 volts, so the warning light turns off.
The interesting thing is all "AC generators", (aka "alternator), put out three phase output which is very smooth compared to rectified 60 cycle single-phase house current. That gray wire taps off just one of those three phases, so only that one phase has to be working to turn the warning light off.
When one of the six main diodes fails, you lose one phase of output. Because of the interaction between the phases, each diode is used in multiple phases, but at different times. As a result, when one of the three phases is lost, you will lose exactly two-thirds of the generator's output capacity. A common 90-amp generator will only develop a maximum of around 28 - 32 amps under a full-load test. That's enough to keep an older vehicle going, but with all the electronics on newer models, the battery will have to make up the difference as it slowly runs down over days or weeks.
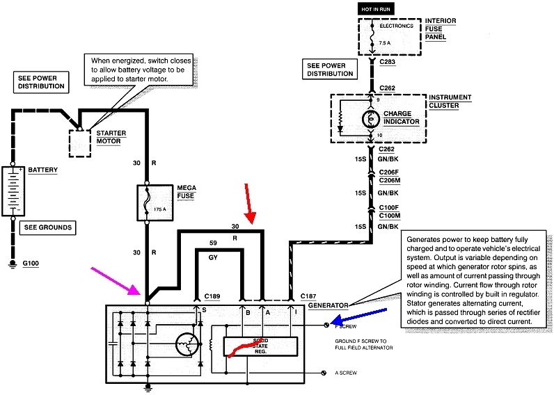
If a second diode fails, you could lose even more output capacity, as long as it's the right second diode. They call them the three "negative" diodes and the three "positive" diodes. Both are exactly the same electrically. The polarity designation actually refers to how they're placed in the circuit. If one positive diode, for example, were to short, you'd lose that one phase of output, but if any one of the negative diodes also shorts later, that would create a dead short to ground and the 175-amp maxi-fuse would blow. We know that's not the case here because you found battery voltage on the output stud. That had to come through the maxi-fuse.
All three positive diodes or all three negative diodes could short, (extremely unlikely), and you'd have no output at all, but in either case, it's the good diodes that would still stand in the way of causing a dead short to ground.
The point is, you can have two failed negative diodes or two failed positive diodes, resulting in very low output capacity, but if the phase that the gray wire is tapped off is the one that's still working, the voltage regulator will see that as a working generator and it will turn off the warning light. I've run into a number of generators with a failed diode, but never with two, so I don't know what kind of output you'd be able to get.
Here's a drawing I put together to show another dimension to this story. The left chart shows the overlapping output from three properly-working phases. The red line shows the output voltage that would be seen at the generator's output stud. That's called the "ripple" voltage and gets measured by most charging system testers other than the less-complicated hand-held type. That's the same voltage that goes right back through the regulator on the smaller red wire, and is what provides the current to run the field winding which creates the rotating magnetic field.
The second chart shows that ripple voltage goes way up when one phase is missing due to a failed diode. Two things are different than in the past with this regulator. First, older voltage regulators turned the warning light on if generator output went to "0". This regulator can also turn the light on if output voltage goes low or too high. Second, this type of regulator circuit can respond in one of two ways when ripple voltage is high due to the failed diode. Some will see the 9.3 volts I used in the chart and respond by trying to get charging voltage back up. Output voltage could reach 16 volts or more, but the regulator is still seeing 9.3 volts. Testing this system would show output voltage is too high while full-load output current is one-third of what it should be. Conclusion would be a failed diode / replace the generator.
Some voltage regulator designs respond to the high point of the ripple voltage, in this case a perfect 14.5 volts. In response they wouldn't try to change anything, but since it's the same ripple voltage that feeds the field winding, during the times the ripple voltage drops to 9.3 volts, it's that lower voltage that would create a much weaker electromagnetic field, and therefore much lower output current. Lower output current is the result of lower output voltage, and that turns right around and creates a lower magnetic field. It's a vicious circle that makes output voltage drop a lot during that missing phase, but the regulator still sees the 14.5 volts and thinks everything is normal. With this regulator design, under the full-load test, you'd again find output current to be one-third of the generator's maximum rating, but output voltage would look okay.
All of these test results can be aggravated by digital voltmeters. They take a reading, analyze it, then display the results while it takes the next reading. Some of the fastest meters might take two or three readings per second, and one of those could be right in the middle of the missing phase, and the next one could be when a different phase is producing its highest voltage. The meter's display would be bouncing around and would likely be hard to read. The battery will smooth those voltage fluctuations out a lot, so you may get a usable reading right across the battery terminals, but the reading at the other end of that fat wire at the generator's output stud is bouncing around. Even though that's just a big wire with very little resistance in it, it only takes a tiny amount of resistance to make the readings different at each end. Partly for convenience, but also partly because of this smoother meter readings at the battery is why professional charging system testers have us connect the voltmeter leads at the battery and not at the generator.
To answer your original question, see what you have for voltage on the generator's output stud with the engine running. It needs to be between 13.75 and 14.75 volts. All generators are inefficient at low speeds, so testing is normally specified with engine speed at 2,000 rpm. For the testing you're doing, it is sufficient to simply raise engine speed a little. Let me know what you find there.
If the voltage stays at battery voltage of 12.6 volts or less, there could be some other defect inside the generator, but also check for a loose belt. Yours uses a bolted-on pulley. I suppose that nut could work loose, but I suspect things would have gotten worse real quickly, as in the pulley and belt fell off. A lot of newer models are using a clutch-type pulley that is supposed to reduce vibration. A friend gave me one that he replaced after it seized, but I can't remember the symptoms he ran into. I could see how they could get weak and slip too. Belt slippage with a serpentine belt is pretty uncommon unless the spring-loaded tensioner pulley is weak, but then you'd hear the belt squeal. On older GM and Ford generators that had the fan outside right behind the pulley, push on a blade of that fan with your thumb. (For others researching this topic, . . do that with the engine not running!). Those mostly go back to the days of V-belts. If the pulley can be spun and it slips under the belt, that belt is too loose or it has worn on the sides until it is running on the bottom of the pulley instead of being gripped on the two sides. When the belt is tight enough, it's pretty common to be able to turn the crankshaft just by pushing on the generator's fan blade. In this case of "tight is good", tighter is not better. Over-tightening the belt puts too much stress on bearings. That can lead to early failure of the water pump, power steering pump, or generator bearings.
Dec 28, 2020 at 2:24 PM