We're missing something here. I would verify full power on the 2 feeds with the key on and use the Ground at the radio for verifying power. Also, what are you using to check for sound, since you don't have the Antenna hooked up? Do you have a cd in the head unit?
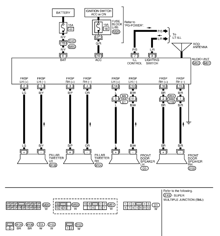
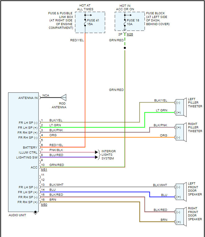
I see that the white harness plug is for the new head unit, correct? And you're using crimped connectors, but there looks to be a inline fuse, is that what's on the yellow wire?
One thing I have seen a long time ago was a speaker wire that had somehow become shorted out to the frame where the speaker was located. If I remember correctly, one of the tabs that the speaker wire was hooked to had been bent and was touching the frame in the rear of the vehicle, I don't remember if it cut out sound completely, but it was a problem area and the only time I had ever seen that be an issue.
But check your powers and ground with a meter and make sure there's a full 12-volts, and if after all that still nothing, go through the speaker wiring again.
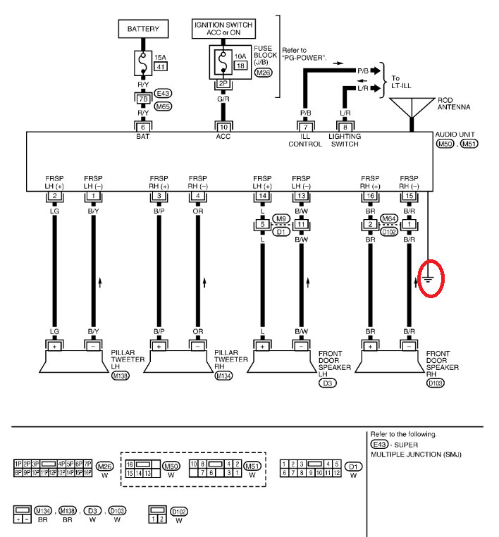
Sometimes when I run into issues and I'm not 100% sure of a harness connector, I will de-pin a wire I suspect as possibly being the issue and retest. It's much easier than cutting and re-crimping wires. So, you could try de-pinning the right side speak/tweeter and see if audio comes back to the left, and then the reverse. but take a picture of the connector before de-pinning anything so you have a reference for where each wire goes back. Maybe there is a positive and negative switched around. I don't deal with audio issues like this anymore. but the diagnostic process is still the same. Run through what the possibilities could be and then make a plan.
On the back of that white connector, you should be able to see the tab that holds the wire pin into it, that looks like a pretty wide connector. I use a pin or super small flat head to pull up the tab and take the wire out of the connector while testing. But do that after your power checks.
Feb 6, 2024 at 1:12 PM