A/C only blows cold while driving?

2010 VOLVO XC60
130,000 MILES • 3.0L • 6 CYL • TURBO • 4WD • AUTOMATIC
Avatar
YK16
  • MEMBER
  • 40 POSTS
My A/C only blows cold while driving. It gets really cold at highway speeds. Any ideas what it could be? (The coolant fan does come on, so I don't think that's the issue.)
Thanks!
May 28, 2024 at 6:12 AM
Advertisement
Avatar
STRAILER
  • CERTIFIED EXPERT
  • 53,854 POSTS
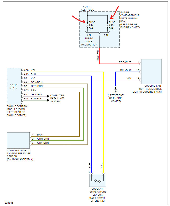
Yep, the cooling fan must run for the air conditioner to work correctly, chances are the cooling fan motor/module has gone out, but we should check the fuses which are under the hood fuse # a44 or #a43 here is a guide that will help and the fuse locations for under the hood. Also, I have included how to swap the radiator cooling fan motor/module out in case you need it. Here are the wiring diagrams for the system as well so you can see how the system works. Check out the images (below). Please upload pictures or videos in your response to any problems so we can see what to help you with.
May 28, 2024 at 10:26 AM
Avatar
YK16
  • MEMBER
  • 40 POSTS
I did check and the fan is working but it may only be working the first few minutes the car is on. I will try to figure that out. Thanks
May 29, 2024 at 6:18 AM
Advertisement
Avatar
STRAILER
  • CERTIFIED EXPERT
  • 53,854 POSTS
Okay, also this guide may help as well:

https://www.2carpros.com/articles/car-air-conditioner-not-working-or-is-weak

Please go over this guide and get back to us.
May 29, 2024 at 8:40 AM
Avatar
YK16
  • MEMBER
  • 40 POSTS
Interestingly the A/C works fine while parked. Only has issues while driving at low speeds. Does that point to anything specific?
May 29, 2024 at 12:34 PM
Avatar
STRAILER
  • CERTIFIED EXPERT
  • 53,854 POSTS
Is the cooling fan working while you are parked?
May 30, 2024 at 10:27 AM
Avatar
YK16
  • MEMBER
  • 40 POSTS
Yes.
May 30, 2024 at 10:27 AM
Avatar
YK16
  • MEMBER
  • 40 POSTS
It's possible that it shuts off while I'm driving. I haven't been able to check for that yet.
May 30, 2024 at 10:28 AM
Avatar
YK16
  • MEMBER
  • 40 POSTS
I think the coolant fan was overheating so it would shut off when it got too hot. I replaced the fan assembly and now a/c blows cool. Thanks!
Jun 3, 2024 at 11:17 AM
Avatar
STRAILER
  • CERTIFIED EXPERT
  • 53,854 POSTS
Thanks for letting us know, we are here to help, please use 2CarPros anytime.
Jun 4, 2024 at 7:00 AM
Avatar
YK16
  • MEMBER
  • 40 POSTS
It worked for about a day. But it's back to square one now. It's still blowing cold while idling and then warming up when I start driving until I get to highway speeds. Is it possible that it's a bad pressure valve?
Jun 4, 2024 at 7:02 AM
Avatar
STRAILER
  • CERTIFIED EXPERT
  • 53,854 POSTS
Yes, it could be but we need to get an idea of if it is the refrigerant side of the system, when the AC is on, can you find and put your hand on the larger AC tube coming from the firewall and going to the compressor to see if it is cold, also, we should see what the pressures are because you could have an AC compressor going out. Please go over the guide above again as well.

https://www.2carpros.com/articles/re-charge-an-air-conditioner-system

Check out the images (below). Please let us know what happens.
Jun 5, 2024 at 9:19 AM
Avatar
YK16
  • MEMBER
  • 40 POSTS
Pressure was good but was mostly air in the lines not freon. It was missing about 20g of freon. Now it blows cold but still only gets very cold at higher MPH.
Jun 16, 2024 at 7:51 AM
Avatar
STRAILER
  • CERTIFIED EXPERT
  • 53,854 POSTS
Can I ask what the high and low side pressure was, also the system might still be low on refrigerant. Please go over this video:

https://youtu.be/-mikngtS63w?si=cTi79D73ARRGIOFD

Please go over this guide and get back to us.
Jun 16, 2024 at 12:25 PM
Avatar
YK16
  • MEMBER
  • 40 POSTS
I got it serviced at a shop. I think he put in about 28g. Could it be that the condenser coils need to be cleaned?
Jun 16, 2024 at 2:59 PM
Avatar
STRAILER
  • CERTIFIED EXPERT
  • 53,854 POSTS
Yes, it could, can you inspect the condenser to see if it is clogged with debris? Also, we need to know the pressures as well, you could have an A/C compressor that is going out.

https://www.2carpros.com/articles/re-charge-an-air-conditioner-system

Please go over this guide and get back to us.
Jun 17, 2024 at 11:07 AM
Avatar
YK16
  • MEMBER
  • 40 POSTS
I felt the low line and it's cool but not cold to the touch and def not sweating.
It basically only blows cool now when it's idling.
Could it be the condenser?
Jun 21, 2024 at 2:16 PM
Avatar
STRAILER
  • CERTIFIED EXPERT
  • 53,854 POSTS
The radiator fan is on when the A/C is on, correct? Let's see what the high and low side pressures are and we can go from these please go over this video for help:

https://youtu.be/4EqdrBVb0sY?si=TTNcN3vd5adipUFW

Please go over this guide and get back to us.
Jun 23, 2024 at 10:42 AM
Avatar
YK16
  • MEMBER
  • 40 POSTS
Yes, the fan is on. Okay, thanks. I'll try to get a reading.
Jun 23, 2024 at 11:06 AM
Avatar
YK16
  • MEMBER
  • 40 POSTS
Temperature outside is 91 degrees.
Jun 23, 2024 at 12:06 PM
Avatar
YK16
  • MEMBER
  • 40 POSTS
This is while the vehicle is idling, and the A/C is blowing cold. A/C stops blowing cold while driving.
Jun 23, 2024 at 12:08 PM
Avatar
YK16
  • MEMBER
  • 40 POSTS
I just watched the video. Doesn't explain the eratic behaviour of my ac but it's excellent!! Thanks!!
Jun 23, 2024 at 12:47 PM
Avatar
STRAILER
  • CERTIFIED EXPERT
  • 53,854 POSTS
Yep, it looks like the A/C compressor is going out, the high side is too low. How much refrigerant is in the system? There should be 1.7 pounds.

Here is how to change the compressor out with instructions below for your car:

https://www.2carpros.com/articles/replace-air-conditioner-compressor

Check out the images (below). Let us know how it goes.
Jun 24, 2024 at 9:02 AM
Avatar
YK16
  • MEMBER
  • 40 POSTS
Thanks! Is it important to change the drier of any other components when installing the new compressor?
Jun 24, 2024 at 9:41 AM
Avatar
STRAILER
  • CERTIFIED EXPERT
  • 53,854 POSTS
Yes, it is, sorry I should have mentioned that. Here is the location, check out the images (below). Let us know how it goes.
Jun 24, 2024 at 10:19 AM
Avatar
YK16
  • MEMBER
  • 40 POSTS
Any idea how I get to that?
Jun 24, 2024 at 10:21 AM
Avatar
YK16
  • MEMBER
  • 40 POSTS
Replace expansion valve as well?
Jun 24, 2024 at 10:23 AM
Avatar
STRAILER
  • CERTIFIED EXPERT
  • 53,854 POSTS
Yep, the receiver dryer can be tough to get to, I would open the system after the refrigerant has been removed and see what it looks like, there are two ways a compressor with stop working, messy and not. I other words are the compressor seals spread throughout he system or is the system clean inside, this will determine if you need the expansion block or not. You can upload an image or video of the inside tubes once apart so I can tell.
Jun 24, 2024 at 10:28 AM
Avatar
YK16
  • MEMBER
  • 40 POSTS
Okay. Appreciate it all. Thanks!
Jun 24, 2024 at 10:29 AM
Avatar
YK16
  • MEMBER
  • 40 POSTS
Turns out the system is leaking. Added dye but not showing up yet. Going to check again within the next few days to try to find the dye. If the leak was in the evaporator core would I see the dye?
Jun 24, 2024 at 10:17 PM
Avatar
STRAILER
  • CERTIFIED EXPERT
  • 53,854 POSTS
Yes, you should be able to see the dye. If the front of the compressor is leaking, which is common it can be difficult to see.
Jun 25, 2024 at 10:37 AM
Avatar
YK16
  • MEMBER
  • 40 POSTS
Where else is a common leak to take a closer look?
Jun 25, 2024 at 10:39 AM
Avatar
YK16
  • MEMBER
  • 40 POSTS
Front of the compressor is where the clutch is?
Jun 25, 2024 at 10:39 AM
Avatar
STRAILER
  • CERTIFIED EXPERT
  • 53,854 POSTS
Yes, do you have a leak detection device? Please go over this guide to see what I am talking about.

https://www.2carpros.com/articles/air-conditioner-leak-detection

Please go over this guide and get back to us.
Jun 26, 2024 at 9:17 AM
Avatar
YK16
  • MEMBER
  • 40 POSTS
Can't find the dye leaking anywhere so assuming it's leaking in the evaporator. Is it worth trying a stop leak product?
Jul 10, 2024 at 1:08 PM
Avatar
STRAILER
  • CERTIFIED EXPERT
  • 53,854 POSTS
I have not seen those work but you never know, if you have a leak detector and can sniff the evaporator drain tube as in the guide above.
Jul 12, 2024 at 9:06 AM
Avatar
YK16
  • MEMBER
  • 40 POSTS
Where would the evaporator drain be?
Jul 12, 2024 at 9:46 AM
Avatar
STRAILER
  • CERTIFIED EXPERT
  • 53,854 POSTS
It will be on the passenger's side at the lower part of the firewall.
Jul 12, 2024 at 9:54 AM
Avatar
YK16
  • MEMBER
  • 40 POSTS
Thanks!
Jul 12, 2024 at 9:55 AM
Avatar
YK16
  • MEMBER
  • 40 POSTS
My mechanic claims I don't have a leak but the compressor is gummed up with garbage so it would need to be replaced. I've decided to do it myself. Would you recommend replacing the condenser drier and expansion valve as well?
Jul 21, 2024 at 7:04 AM
Avatar
YK16
  • MEMBER
  • 40 POSTS
The compressor hasn't failed completely it still works sometimes..
Jul 21, 2024 at 10:48 AM