working on it and now the A/C stopped working?

2002 JEEP GRAND CHEROKEE
192,000 MILES • 4.7L • V8 • 4WD • AUTOMATIC
Avatar
BENEFITS1976
  • MEMBER
  • 38 POSTS
Hi,

I have two problems with the vehicle listed above limited model, 4.7 with hydraulic fan. overheating which I am still working on it and now the AC stop working. I energized the clutch manually through the relay it engaged. What is missing is the signal from the computer to the relay. I checked refrigerant static pressure. it was 75 psi at 70 degrees F.
Any suggestions about the A/C?
Also, I would like the A/C wiring diagram.
Oct 16, 2024 at 1:27 PM
Advertisement
Avatar
AL514
  • CERTIFIED EXPERT
  • 5,465 POSTS
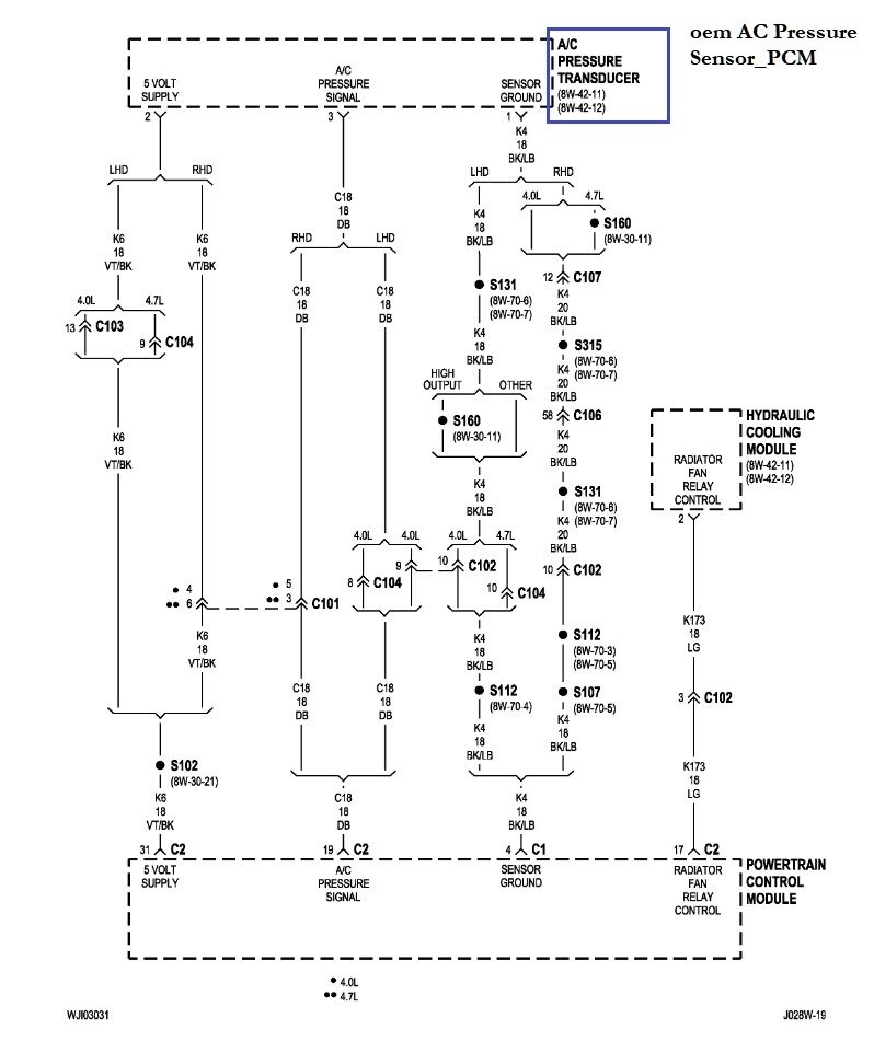
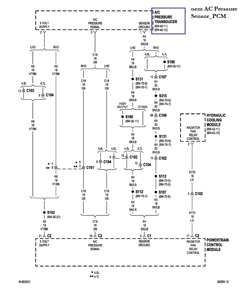
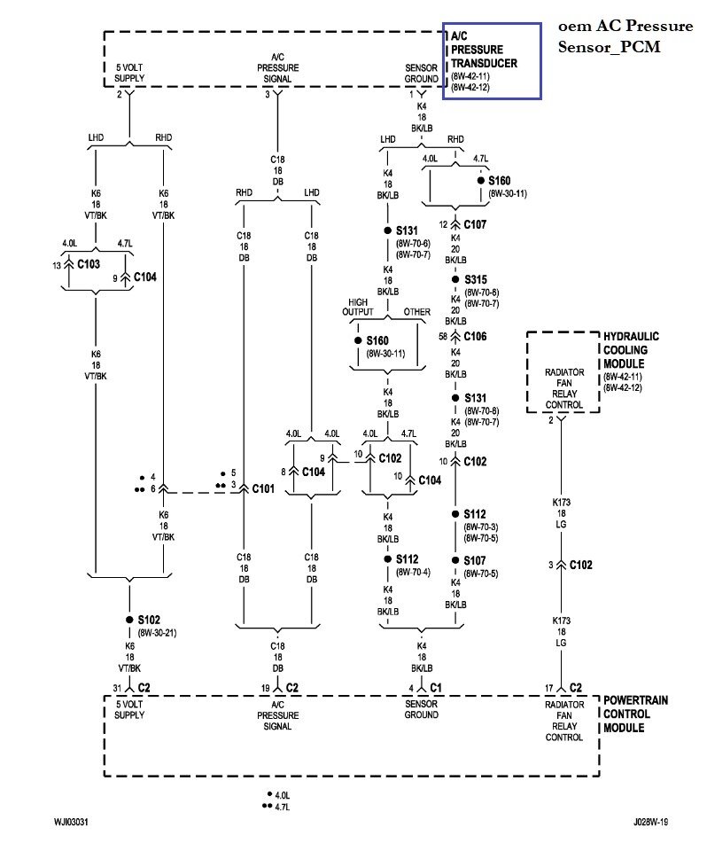
Hello, do you have an automatic A/C system or manual? Automatic being that you can set the temps different per drivers' side and passenger's side. And you would really need to see what the pressures are on both the low and high side of the A/C system to make sure there are no restrictions occurring or other faults. I will post the wiring diagrams for both systems. But if you have a scan tool that can read live engine data, you should be able to see the A/C pressure transducer signal in the live data, since the signal is sent to the PCM. The pressure transducer is a 3 wire, so it has a 5volt reference, a ground and a signal wire.
Oct 16, 2024 at 3:07 PM
Avatar
AL514
  • CERTIFIED EXPERT
  • 5,465 POSTS
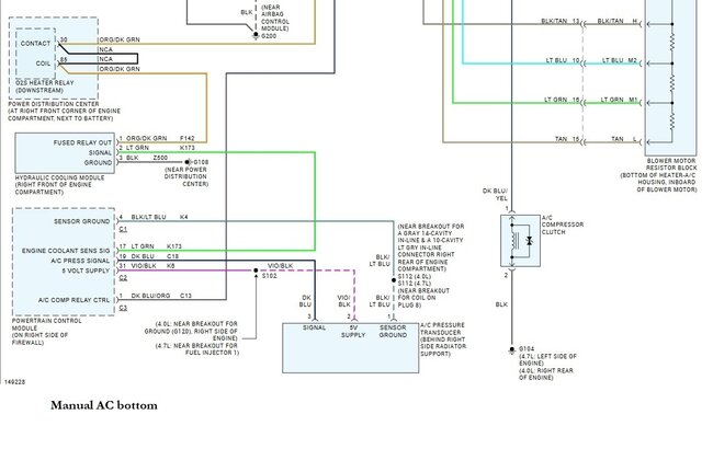
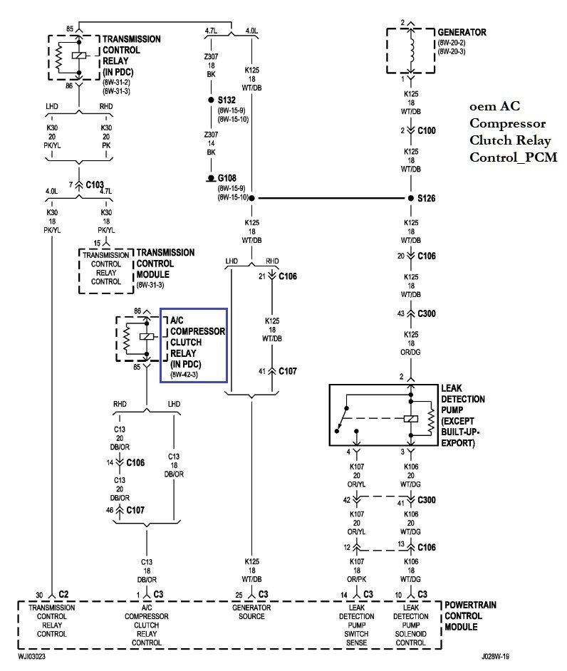
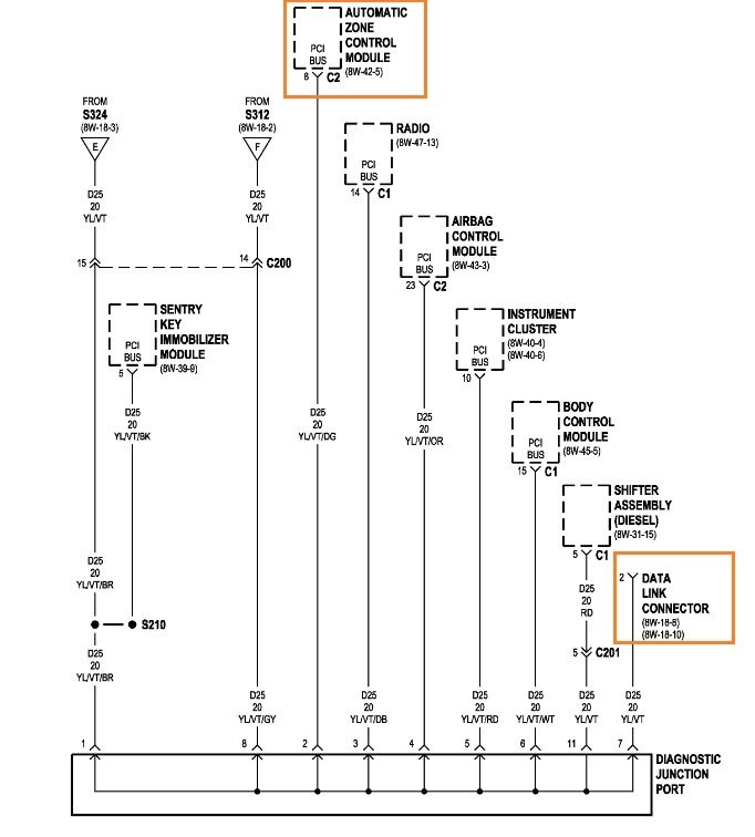
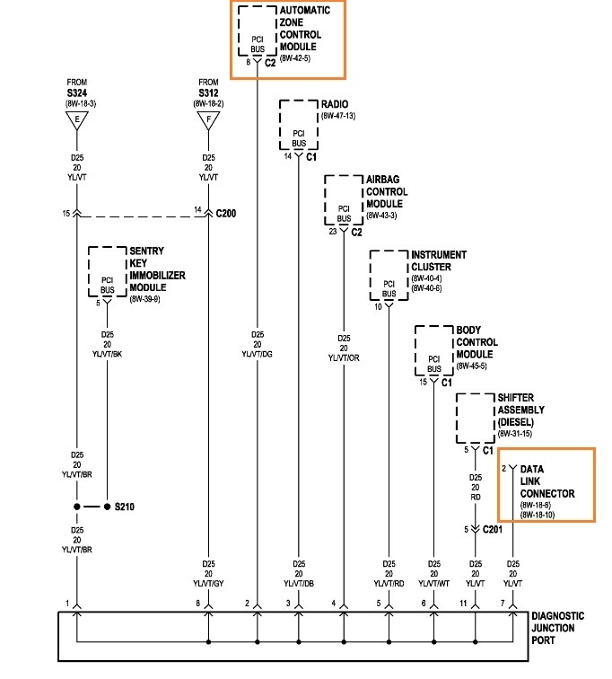
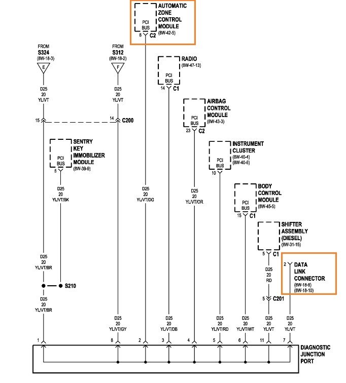
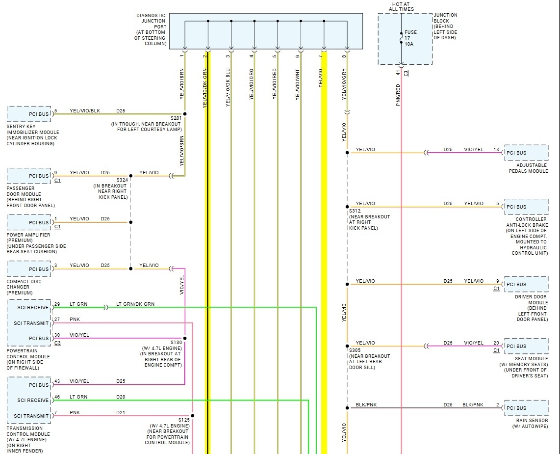
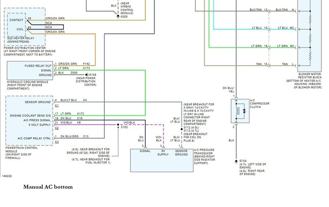
Here are the wiring diagrams, 1,2 are for the Automatic AC setup top and bottom.,
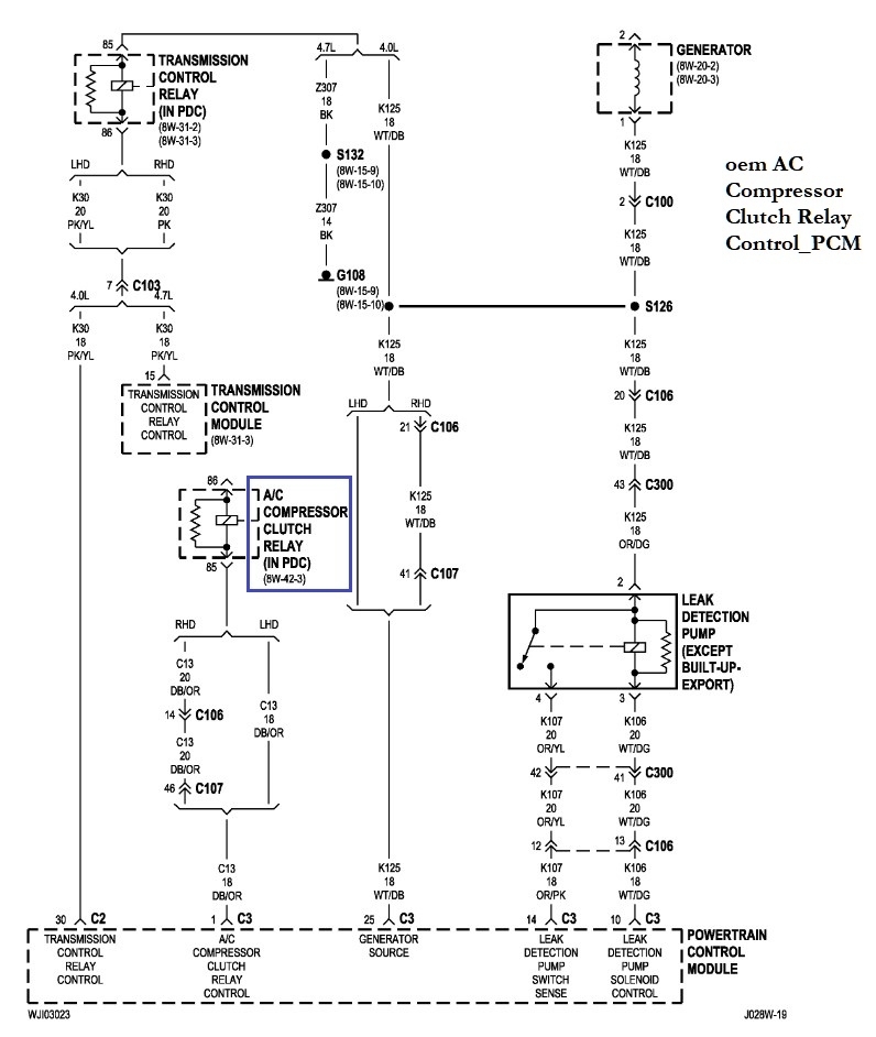
Diagrams 3,4 are the Manual A/C system top and bottom, Diagram 5 is the OEM A/C Pressure sensor to PCM, Diagram 6 is the OEM A/C Compressor Relay to PCM.
And the last 4 diagrams is some HVAC operations info that might be helpful.

https://www.2carpros.com/articles/car-air-conditioner-not-working-or-is-weak

https://www.2carpros.com/articles/how-a-car-air-conditioner-works
Oct 16, 2024 at 3:44 PM
Advertisement
Avatar
BENEFITS1976
  • MEMBER
  • 38 POSTS
please see picture what I have. I have a code reader. it does not show me the transducer signal. However, I back probe the signal wire at the sensor connector. It was 0.9 V, after that I turned on the engine and manually engaged the compressor (run it for few seconds) by jumping the relay load side. the voltage of the transducer went up to 1.3v. So far what i know is that i have refrigerant in the system 75 PSI on low side did not check on high side which i will do. The clutch works. The transducer changes voltage but i do not have control from the computer. I am not a mechanic, but I learned by watching YouTube videos

So, what the PCM needs as input to send ground (dark blue/org wire) to the A/C clutch relay?
Oct 16, 2024 at 3:49 PM
Avatar
AL514
  • CERTIFIED EXPERT
  • 5,465 POSTS
So, that looks like you can set the temperatures different per each side of the vehicle, so that would be the Automatic AC System. It sounds like there might be a restriction in the system, if 75 PSI is with the compressor engaged, that's a pretty high reading for the low side. At around 70f, and I assume this is R134, you should see about 30-40 PSI roughly, and around 150 on the high side, so you may find that the high side is low in this situation, I know that sounds a bit confusing, but with a restriction in the system your pressures will be off.
This is the list of sensors and how data is used for an automatic system, there's a number of temperature sensors, and if you have a scan tool that can read BCM trouble codes or other module fault codes there might be some set that you're not seeing with a basic OBD2 scan tool. A full system scan may reveal other trouble codes and usually does. I rarely do a full system scan and see a clean report with no codes set. Even engine temperature is used, so I would get that under control first.
If you suspect a head gasket issue, you can run a chemical head gasket test, or most of the time I just open the radiator in the morning when the vehicle is still cold from overnight, and watch for bubbles of compression gases coming out of the radiator opening once the engine is started. (2nd picture is a chemical head gasket test).
Oct 16, 2024 at 6:05 PM
Avatar
BENEFITS1976
  • MEMBER
  • 38 POSTS
75 PSI is static pressure before running the compressor. I have code reader no codes found. i do not have scan tool.
Oct 17, 2024 at 7:06 AM
Avatar
AL514
  • CERTIFIED EXPERT
  • 5,465 POSTS
Well, in that case I would deal with the overheating issue first, because if the vehicle is going to overheat you won't be able to use the A/C anyway. It will actually cause the engine to overheat quicker because of the heavy load an A/C compressor puts on the engine. So, if you have replaced the thermostat and the cooling system is in good working order, try the head gasket test. The chemical test is not that expensive, the first thing I always do when there's a suspect cylinder head or head gasket issue is just watch for bubbles at the first startup of the day. If it runs for a little while with the radiator cap off and you start to see combustion gases bubbling out, you know which direction to take your diagnosis. The engine has pretty high mileage.
Oct 17, 2024 at 1:42 PM
Avatar
BENEFITS1976
  • MEMBER
  • 38 POSTS
What is normal operating temperature of a Jeep?
What is the thermostat OEM recommended temperature?


When I was driving the engine temperature went +220 degrees. I had to turn the heater on to cool it down. and after shutting it off the engine the coolant was boiling in the reserve tank.

I did not replace the thermostat yet.
The jeep is equipped with hydraulic fan.
Oct 17, 2024 at 1:50 PM
Avatar
AL514
  • CERTIFIED EXPERT
  • 5,465 POSTS
Here's the OEM part number if needed, it should open at 195f. Along with the replacement procedure as well. On the 3rd diagram, notice the position where the small hole on the thermostat is located, it's for letting air bleed out of the system after you replace it. Just make sure the new thermostat is positioned the same. You don't want to keep driving it in that condition, with over heating so much it will eventually warp the cylinder heads from such high temperatures and cause other problems.
Oct 17, 2024 at 4:54 PM
Avatar
BENEFITS1976
  • MEMBER
  • 38 POSTS
Hi,

I pulled codes from Ac/heater unit by pushing simultaneously on A/C button and recirculation button. the codes are:
12
29
30
32
52

I don't know if some of them cause A/C not working. Also, FYI yesterday i disconnected the transducer to check for 5 v reference and ground. also, i disconnected the A/C clutch relay to check powers and grounds.
Oct 18, 2024 at 6:20 PM
Avatar
AL514
  • CERTIFIED EXPERT
  • 5,465 POSTS
Okay, cool. I didn't even know you could pull codes with that method, good deal, there is a list of two-digit codes for the Automatic zone control system, which is the HVAC control unit in this vehicle. This is the self-test method if you need it for future use. I'll post the list of codes next. I assume your 5v ref and ground were good.
Oct 19, 2024 at 11:09 AM
Avatar
AL514
  • CERTIFIED EXPERT
  • 5,465 POSTS
Okay, this is pretty crazy, but you can actually run self-tests on the HVAC system just by the same method you did to retrieve the codes, this is the first section that came up so read through these carefully. Some of the 2nd section is repeated I think but that's okay, I'll post that next, But the code 12, 29, 30, and 32 are the codes that are in the "Current" List, so happening right now, from codes 33-60 they are Historic codes, so stored in memory.
Oct 19, 2024 at 11:33 AM
Avatar
AL514
  • CERTIFIED EXPERT
  • 5,465 POSTS
This is the list of Current codes, and it looks like there is actually some sort of network issue with that hvac controller. So these can be either a wiring issue which is only on a 1 wire PCI bus. Which is just a 0-7v roughly message. 0-7volt square wave signal, which you wont be able to see with a multimeter but you could check the network for either a short to ground in which it would read 0volts, or a short to power in which it would read battery power (12v) or 5volt if it is shorted to a 5v Ref.
12 being Country code buss message missing,
29 OAT bus message missing
30 Display intensity bus message missing
32 Raw OAT bus message missing
Oct 19, 2024 at 11:41 AM
Avatar
AL514
  • CERTIFIED EXPERT
  • 5,465 POSTS
These are the Historic codes, the 60 is the Engine RPM bus message missing, but this can be caused by just network activity missing altogether.
There is a huge list of self-tests you can run through the HVAC controller, but with these codes you're not really looking at a one component fault, these are all communications codes setting, which will cause the system to go down apparently.
They have the Data link connector and this large splice pack "Diagnostic Junction Port" labelled as the same thing, so you'll have to look and see if there's actually 2 connectors or just the one DLC. According to their diagrams everything on the PCI bus goes to pin 2 of the DLC (diagram 7). It's a bit misleading.
Oct 19, 2024 at 11:58 AM
Avatar
BENEFITS1976
  • MEMBER
  • 38 POSTS
sorry, I am lost. Winter is coming so i am not worried about A/C. The biggest problem now is the overheating and the most important is now all power windows are not working from all doors i cannot roll up or roll down windows. door locks and mirror work from all doors.
i fixed on the driver door jamb side the harness the power and ground were broken but still no power windows from all doors . i do not know how to proceed .i guess i need a wiring diagram, sorry.
Oct 19, 2024 at 4:46 PM
Avatar
BENEFITS1976
  • MEMBER
  • 38 POSTS
Okay, updates. I disconnected battery negative .after reconnected it guess what ac is working and power windows are working again.
do you think why is overheating too . maybe the PCM does not send enough signal to the hydraulic fan solenoid to turn the fan faster.
Oct 20, 2024 at 9:15 AM
Avatar
AL514
  • CERTIFIED EXPERT
  • 5,465 POSTS
I would still check the thermostat, if you notice a mark, such as is caused by a thermostat that is sticking when trying to open, you can also boil the thermostat, and it should pop open at 195f so just before boiling point. Getting up to 220 or hotter is pretty high. Or take a short test drive and see if it starts to overheat. Just don't continue to drive it if it starts overheating. So, you don't need any of the window diagrams now?
Oct 21, 2024 at 11:09 AM
Avatar
BENEFITS1976
  • MEMBER
  • 38 POSTS
no need of diagrams power windows are working. thank you. I believe it was a network problem. because the AC and power windows stop working at the same time and the ac had those codes . After disconnecting the battery everything went back. What can causes that a bad ground or one of the modules or what else ?. i ordered a thermostat and a water pump i will replace both . the one on the truck is a GMB brand water pump i heard bad things about it. also, i believe the thermostat installed in the truck is faulty because when the temp of the coolant was 207 the upper hose was hot the bottom was cold.
Oct 21, 2024 at 11:41 AM
Avatar
AL514
  • CERTIFIED EXPERT
  • 5,465 POSTS
Networking issues can happen for any number of reasons, I had a 2017 Ford F350 yesterday that was setting all kinds of strange codes after a wire repair, and just clearing the codes and then key off for a few seconds, and everything was back to normal, this truck has a couple of bad batteries though as well, they lose voltage quick with the key On, but you could go around the engine compartment and check the grounds on the engine block and to the body/frame. If they look dirty or have any green corrosion, I will usually just clean them up really good and bolt them back down, grab some electronics cleaner from AutoZone, it's really good for corrosion and just cleaning terminals in general. When you take the thermostat out, take a couple pictures of it so I can see if there are any of the sticking type of marks on the middle section.
Oct 21, 2024 at 12:22 PM
Avatar
AL514
  • CERTIFIED EXPERT
  • 5,465 POSTS
I'll get back to you in a couple hours. just need to run out for a call.
Oct 21, 2024 at 12:24 PM
Avatar
BENEFITS1976
  • MEMBER
  • 38 POSTS
I believe the thermostat installed in the truck is faulty because when the temperature of the coolant was 207 the upper hose was hot the bottom was cold. so the thermostat should starts to open at 195 or it should be full open at 195 ? . yes i will take pictures.
Oct 21, 2024 at 12:33 PM
Avatar
AL514
  • CERTIFIED EXPERT
  • 5,465 POSTS
Yeah, it should open at 195 and it will open and close as it keeps the engine temperature stable. Are you sure the water pump is working at all? Here is a test to see if its pushing coolant through the radiator. I would check that as well.
Oct 22, 2024 at 6:36 AM
Avatar
BENEFITS1976
  • MEMBER
  • 38 POSTS
Okay, I will check. However, I will replace it with one that has a metal impeller. GMB brand has plastic impeller. a guy on YouTube said his Jeep Commander overheated because of a GMB water pump that was installed by a Jeep dealer. the plastic impeller was slipping on the water pump shaft.
Oct 22, 2024 at 8:13 AM
Avatar
AL514
  • CERTIFIED EXPERT
  • 5,465 POSTS
It's a terrible design for water pump to have plastic impeller. Hope it goes well with the change.
Oct 23, 2024 at 3:59 PM
Avatar
BENEFITS1976
  • MEMBER
  • 38 POSTS
these are pictures of the old thermostat. it's Chrysler part#52079476ab
Oct 23, 2024 at 4:26 PM
Avatar
AL514
  • CERTIFIED EXPERT
  • 5,465 POSTS
So, I look for any scratch marks around the area (in Red) where that pintle moves threw that upper section, if it was sticking closed at some points there are usually vertical scratch marks where it jams up when trying to open. You can always boil it in a pot of water as well, water boils at 212f so it should open fully just before boiling point. Looks like some nasty gasket material there too. But let us know if you are still having an over temp issue. Hopefully a new T-stat should resolve the problem.
Oct 24, 2024 at 7:22 AM
Avatar
BENEFITS1976
  • MEMBER
  • 38 POSTS
I took the car for a short drive uphill. same way before when engine temperature went up to 220. The maximum today I saw was 208. However, today's weather is cool 53 degrees. so, i do not know if it is fixed or not. I replaced the water pump and thermostat. I used OEM thermostat from dealer and a Gates water pump with aluminum impeller.
Oct 24, 2024 at 4:12 PM
Avatar
AL514
  • CERTIFIED EXPERT
  • 5,465 POSTS
Well, hopefully you got it taken care of, get on the highway for a few minutes if possible and see if you go over 208, it would be great if that's a fix.. Let us know.
Oct 25, 2024 at 6:50 AM
Avatar
BENEFITS1976
  • MEMBER
  • 38 POSTS
Hi,
so when I drove it in freeway the temp was 201 -205 however when I parked the car and raised the rpm to 2000-3000 rpm it went up to 220-223.i opened the hood the fan seemed did not speed up. however, when I turn the ac it speeds up .
so what is the operating temperature of the jeep aka the maximum temp that can go before the fan speed up and cool it down. btw it has a hydraulic fan .which run with power steering fluid which i replaced with Chrysler fluid.
Oct 27, 2024 at 1:37 PM
Avatar
AL514
  • CERTIFIED EXPERT
  • 5,465 POSTS
I'm not seeing a spec on that temperature, but if the engine is reaching temperatures that high the fan should be on full high speed. There is a bulletin for an updated Hydraulic Fan Solenoid, it should be setting a code for this bulleting (diagram 1), the hydraulic fan can also be bi-directionally controlled with a scan tool, and be set to 100% duty cycle for testing. That is what service info instructs to do. There should also be a live Data PID for the fans current duty cycle and the speed it is running at the time of monitoring. Have you done a chemical test yet to rule out any head gasket possibilities yet? Or any bubbles coming out the radiator opening?
The wiring for the Hydro Fan only shows power, ground, and the control wire from the PCM which is going to be a pulse width modulated control signal (Duty Cycled) to operate the Fan Solenoid.. With this system you need scan data to see what the PCM is seeing, and this should show if a skewed sensor is causing the fan to not operate on High or if the PCM is commanding it at 100% and it is not reacting to that command, obviously it is reacting to AC pressure, but there are 3 other inputs the PCM is monitoring when it comes to fan operation. I would have a full system scan done to see if there are any other codes stored in other modules. At 220 to 230 the fan should be on high, if the thermostat is only a 195f degree, it should be wide open and the fan should be blasting on high speed. Are both the upper and lower radiator hoses getting hot?
And do a head gasket test.
Oct 28, 2024 at 1:35 PM
Avatar
BENEFITS1976
  • MEMBER
  • 38 POSTS
there is no code for the hydraulic solenoid. I disconnected the engine temp sensor connector when the engine was running. the fan went on very high speed. When I bled the coolant at first was bubbles in the funnel but after that they stopped. even if head gasket is bad the fan should run faster, right? however, what I saw yesterday when I was watching the engine temp. that the temperature on the code reader went for a fraction of second from 210 to -0. yes, both houses are getting hot.
Oct 28, 2024 at 2:18 PM
Avatar
AL514
  • CERTIFIED EXPERT
  • 5,465 POSTS
So you may be dealing with a wiring issue to the coolant temperature sensor, usually in scan data when you unplug a temp sensor, the live data will read -40 degrees, its the reading the PCM will detect when the circuit goes open, such as when unplugging the sensor, you can try wiggling some of the harness and watching the temp sensor data for any glitches or drop outs. Yes the fan should be running on high at those temps, if you have a temperature measuring tool to see if its actually getting that high, I would check that.
You can also unplug the coolant temp sensor and check the voltage across the 2 pins in the connector for the sensor, when unplugged and Key On, engine off it should read 5volts. The sensor works off a 5volt reference. It possible youre not getting the actual temperature if the sensor is bad or the wiring to it has a problem, just dont spread the pins inside the sensor connector when testing,.
Oct 28, 2024 at 2:36 PM
Avatar
BENEFITS1976
  • MEMBER
  • 38 POSTS
I unplugged the temp sensor connector. the code reader I have showed -40 and the fan went on its maximum speed. I checked the voltage of connector it was 5v. I wiggled the harness no changes.
Also, I drove the car again and after that I pulled over and raised rpm between 2,000-3,000.
The temperature started to rise until it reached 225. at that point the temperature started to drop while keeping rpm high. I took a look at the fan the fan speeds up same speed as when I turn the ac on. but not on maximum speed.
Oct 28, 2024 at 4:21 PM
Avatar
AL514
  • CERTIFIED EXPERT
  • 5,465 POSTS
Do you have some kind of temperature probe so you can see what the temperature of the thermostat housing actually is? With the sensor unplugged we can see that the fan is capable of going to high speed, and there doesnt seem to be an issue with the 5volt reference. Im wondering if you have some sludge build up somewhere in the cooling system, possibly the radiator if the temp started to come down when you were not moving but still at 2500rpm. Obviously this JTEC control unit is not commanding the fan to 100% based on coolant temp for some reason, but will for AC pressure. Im trying to find more information on what might hinder it from going to High speed on the fan, they list these 4 inputs, Does the coolant temp stay low if the AC is on with the fan on 100% high speed? Or do you still eventually overheat?
Oct 29, 2024 at 11:12 AM
Avatar
AL514
  • CERTIFIED EXPERT
  • 5,465 POSTS
Well the JTEC is actually just the PCM, not sure why they have it listed like that, I would still do the head gasket test, they dont cost that much, and at least you can rule that out as a possible cause of the overheating, does your scan tool list battery temperature or transmission oil temperature?
Oct 29, 2024 at 11:14 AM
Avatar
BENEFITS1976
  • MEMBER
  • 38 POSTS
yes, I have an infrared temperature. when the temperature reached 225 degrees the fan speed up but not on high and the temp went down i think to 212 . seems like the operating temp of the jeep is 225 .when the AC is on the fan speed up but not on his max speed. the jeep seems overheat when I went up hill but going down hill will cool down to 199. the code reader I have does not show transmission temp neither battery temp. I had a code for over temp but its fixed the transmission was low . but like i said sometimes i see glitches on the engine temp. it goes to negative number for a fraction of second.
Oct 29, 2024 at 12:29 PM
Avatar
AL514
  • CERTIFIED EXPERT
  • 5,465 POSTS
225 seems a bit high to me, heres a little more info on the ECT sensor operations. Does your scan tool have the ability to graph the sensors voltage signal? I have a very old OBD2 scan tool from way back that only reads engine data but surprisingly is able to graph sensors, that way you might be able to actually catch a drop out in the sensors signal.
You can also try a wiggle test of the sensors harness when its plugged in and the engine is running. You may see it glitch out more in that case. Going to a negative number like that is usually almost always the circuit going open, Which is why I asked about the sensors data going to -40 when unplugged. Thats a default temperature that thermistors go to when unplugged, even the intake air temp sensor should do the same for example.
So adding transmission fluid caused the over temp message to disappear?
Oct 30, 2024 at 10:51 AM
Avatar
BENEFITS1976
  • MEMBER
  • 38 POSTS
Yes, adding ATF took care of overheat transmission for now because we are in wintertime so will see when get hot. okay when i hooked up the code reader the ECT signal dropped once. but when I wiggled the harness, nothing happened. Also, i checked temperature by the ECT sensor using infra-red thermometer, it was 2 degrees difference between the temperature in code reader and temp in infra-red thermometer.
Oct 30, 2024 at 11:45 AM
Avatar
AL514
  • CERTIFIED EXPERT
  • 5,465 POSTS
Your data link connector is in good shape? No pin or wiring issues under the dash there. And are any other sensor readings dropping out that you have noticed? Glitches like that can be tricky, because they don't happen long enough for the PCM to set any codes, which is why we use oscilloscopes to monitor circuits acting like that, a multimeter is absolutely too slow to catch that, and the scan tool is only going to give you a number, but is it happening around the same temperature each time? That ECT just might be failing, it changes resistance according to temperature, but the PCM would need to see the sensor giving inaccurate data for a number of key cycles to set a code for it.
Another possibility is that the ECT sensor signal wire is shorting to ground intermittently and that's what you're seeing in the scan data, most shorts to ground are at contact points in the harness where it is bolt/connected to the engine block or a bracket to hold it secure, and over time engine vibrations cause it to rub threw the conduit and insulation.
Oct 30, 2024 at 12:27 PM
Avatar
BENEFITS1976
  • MEMBER
  • 38 POSTS
what i noticed is that the temp gauge on the dash is not accurate. does not match what the code reader tells me it reads lower than the code reader. The data connector is good, no damage. it does not glitch at the same temperature.
Oct 30, 2024 at 1:39 PM
Avatar
AL514
  • CERTIFIED EXPERT
  • 5,465 POSTS
Does your infrared temperature probe match the scan tool temp where the ECT sensor is located? You can check the condition of the Battery Temperature sensor since it's one of the four inputs related to fan speed. It doesn't look like it's in a great location. Being under a battery is never a good place. The temperature gauge on the Cluster receives its data from the PCM over the network wiring, so it's not directly from the ECT sensor itself.
Oct 30, 2024 at 2:04 PM