How do I wire replacement doors with power windows into the convenience box

1996 GMC TRUCK
249,000 MILES • 4.3L • 6 CYL • 4WD • MANUAL
Avatar
BABYJAY531
  • MEMBER
  • 89 POSTS
I bought doors that are power windows and power locks how do I wire them into the convenience fuse block under the dash? I put a fuse in the power window and I tested it with a test light and it lit up.
Jan 8, 2017 at 6:43 AM
Advertisement
Avatar
STEVE W.
  • CERTIFIED EXPERT
  • 15,113 POSTS
Do you have the correct wiring harnesses in the A pillars to plug the locks/windows in?
If not you will need to get that wiring and run it to the convenience center as well.

For the door locks and the windows you use circuit breakers not fuses, a fuse will blow very fast.
The locks get a twenty amp breaker in the Power ACC slot.
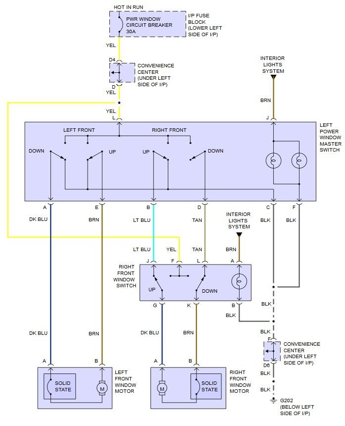
The windows get a thirty amp unit in the fuse block at the end of the instrument panel.

Jan 8, 2017 at 9:09 AM
Avatar
BABYJAY531
  • MEMBER
  • 89 POSTS
Do they plug into here?
Jan 8, 2017 at 10:01 AM
Advertisement
Avatar
STEVE W.
  • CERTIFIED EXPERT
  • 15,113 POSTS
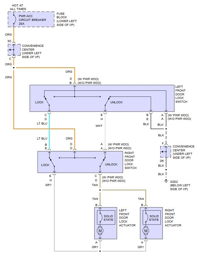
The harness runs from the door connectors inside the A pillars across under the dash to that box. It appears you have the harness plugged in. If you remove the kick panels under the dash on each side you will probably find the ends that the door cable connectors plug in. The cables on the doors normally have a rubber conduit with the cable bundles inside and the connectors sticking out. Run that through the hole in the A pillar (pillar door hinges are attached to) and plug them in. Add the two circuit breakers and they should work.
The images below are the center you show and the wiring that goes in them. If you note the rear view shows the gray connector as the door and window part, now you just need to find the other end.
Jan 8, 2017 at 3:45 PM
Avatar
BABYJAY531
  • MEMBER
  • 89 POSTS
I cannot find the connectors. I looked everywhere how can I wire them in with out the connectors?
Jan 8, 2017 at 4:03 PM
Avatar
STEVE W.
  • CERTIFIED EXPERT
  • 15,113 POSTS
Which connector ends can you not find? The convenience center end is there so the other ends will be taped in the harness somewhere. Most likely in behind those kick panels, but they may be taped under the dash. If the doors have the locks and windows they should have the matching ends. If not you will be better off visiting a salvage yard or you-pull-it and getting them.
Jan 8, 2017 at 5:58 PM
Avatar
BABYJAY531
  • MEMBER
  • 89 POSTS
How hard will it be to get another harness?
Jan 8, 2017 at 6:25 PM
Avatar
STEVE W.
  • CERTIFIED EXPERT
  • 15,113 POSTS
You already have the truck side it is the gray connector plugged into the box in your picture, circled in orange. Just follow the wires and you will find the power window and door lock plugs which connect to the door wiring, somewhere along your trucks current harness.

If you mean the door harnesses, were they cut off? If so just visit a you pull it type place or a salvage yard that has that year truck and get the entire door harness assembly for each side.
Jan 8, 2017 at 8:09 PM
Avatar
BABYJAY531
  • MEMBER
  • 89 POSTS
I will take pictures for you tomorrow.
Jan 8, 2017 at 8:24 PM
Avatar
BABYJAY531
  • MEMBER
  • 89 POSTS
Here is the door harness.
Jan 9, 2017 at 6:44 AM
Avatar
STEVE W.
  • CERTIFIED EXPERT
  • 15,113 POSTS
There will be female versions of those connectors inside your truck. If you look at the length of them you can see they connect just inside the kick panels under the dash. Now you just need to dig them out so you can plug them in.

Jan 9, 2017 at 9:35 AM
Avatar
BABYJAY531
  • MEMBER
  • 89 POSTS
Okay, so my truck already has the female connectors?
Jan 9, 2017 at 10:04 AM
Avatar
STEVE W.
  • CERTIFIED EXPERT
  • 15,113 POSTS
Was the picture of the convenience center block you posted your truck? If yes, the connector I circled in the other picture is the male end of the harness , the female plugs will be out near the doors.
Jan 9, 2017 at 10:17 AM
Avatar
BABYJAY531
  • MEMBER
  • 89 POSTS
Would it be easier to use wire taps and tap into the colors I circled?
Jan 9, 2017 at 2:20 PM
Avatar
STEVE W.
  • CERTIFIED EXPERT
  • 15,113 POSTS
You have the wires and connectors you need already. You need to find them. No other wires needed. That gray connector that is plugged in is the harness for the windows and locks.
Jan 9, 2017 at 3:47 PM
Avatar
STEVE W.
  • CERTIFIED EXPERT
  • 15,113 POSTS
The cable runs from that gray connector and will split off to each door. There will be the correct connectors there that the connectors on the doors plug in. Then the locks and windows will work. If you just "plug in" to other places you will not be able to use the windows or locks because the doors actually interconnect through that main harness under the dash. Good luck. Follow the wires and the connectors will be there.
Jan 9, 2017 at 4:11 PM
Avatar
BABYJAY531
  • MEMBER
  • 89 POSTS
I thought there would be more wires than those two.
Jan 9, 2017 at 4:40 PM
Avatar
STEVE W.
  • CERTIFIED EXPERT
  • 15,113 POSTS
Nope. The system isn't that complex. Basically switched powers and grounds. Window goes up with them one way, then the switch flips them to go down. Same with the locks. The window harness will have a couple more wires because you can control the passenger side from the drivers side.
Jan 9, 2017 at 5:00 PM
Avatar
BABYJAY531
  • MEMBER
  • 89 POSTS
So if I follow them 2 wires I will find the door harness?will I still be able to work the passenger side?
Jan 9, 2017 at 5:15 PM
Avatar
STEVE W.
  • CERTIFIED EXPERT
  • 15,113 POSTS
OK the new picture says I'm wrong. You have the connector in the block but it looks empty other than one wire. If that's the case you do need the interior harness and I am very sorry.

You have two options, The easiest by far is to grab that harness from another truck, that will also show you where it runs. It's a common item though. The other would be to make a harness, but you still need the connectors which means you would still need the harness.

I'm sorry for the confusion.
Jan 9, 2017 at 6:56 PM
Avatar
BABYJAY531
  • MEMBER
  • 89 POSTS
Where would I plug it in?
Jan 10, 2017 at 4:50 AM
Avatar
STEVE W.
  • CERTIFIED EXPERT
  • 15,113 POSTS
Pull the gray one you have now and plug in the other one. It will have the same wires you have now, you just unhook the ones you have and plug in the ones from the "new harness"

The wires you are using at the moment are the 4wd indicator and the ground. The "new" harness would have those an the power feed for the locks in connector D3 and the power windows in D4. The biggest thing though is that you need the connectors and the cross over wiring to allow the controls in the drivers door to control the passengers door.
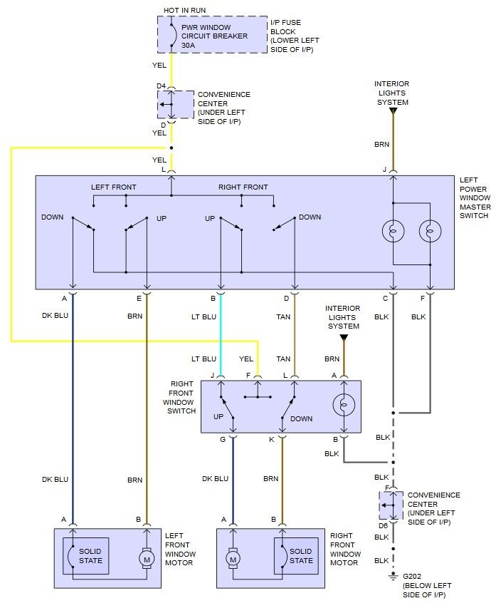
On the wiring diagrams you can see all the wires. It looks more complex than it actually is because they show all the wiring, even the stuff inside the doors. Then you have the ground in D6 which is shared between the locks, windows and 4wd light.

Personally I would get the connectors from a salvage truck along with as much of the wires I could, then wire it myself. I would also "repair" a couple of the issues GM didn't. For instance I would ground the wiring at both the pillar and the con. center.
Jan 10, 2017 at 10:03 AM
Avatar
BABYJAY531
  • MEMBER
  • 89 POSTS
So don't need the whole convenience fuse box? I just need the connectors that is in the convenience Center right?
Jan 10, 2017 at 10:11 AM
Avatar
STEVE W.
  • CERTIFIED EXPERT
  • 15,113 POSTS
No, you don't need the box. The wiring all plugs into the front of the box. If you look at the wiring colors you could get just those from that connector to each end. GM likes to run wires all over the place.
Jan 10, 2017 at 10:38 AM
Avatar
BABYJAY531
  • MEMBER
  • 89 POSTS
What connectors do i all need
Jan 10, 2017 at 10:51 AM
Avatar
STEVE W.
  • CERTIFIED EXPERT
  • 15,113 POSTS
The female versions of the ones you have on the doors. There will be one for the blue connector, one for the large black connector and another one for the small 2 wire one.
Jan 10, 2017 at 4:06 PM
Avatar
BABYJAY531
  • MEMBER
  • 89 POSTS
Well I ended up cutting the female connectors I will have to wire it up
Jan 10, 2017 at 5:58 PM
Avatar
BABYJAY531
  • MEMBER
  • 89 POSTS
So how will I go about wiring it back together
Jan 10, 2017 at 7:00 PM
Avatar
STEVE W.
  • CERTIFIED EXPERT
  • 15,113 POSTS
Just follow the wiring diagram. Connection to connection.
Jan 10, 2017 at 9:05 PM
Avatar
BABYJAY531
  • MEMBER
  • 89 POSTS
Any ideas where I can get wire to wire this harness
Jan 11, 2017 at 4:04 PM
Avatar
BABYJAY531
  • MEMBER
  • 89 POSTS
How would I connect wires to this I'm not understanding on how I can wire it up I got the passenger side done now I'm working on the driver side
Jan 12, 2017 at 5:40 PM
Avatar
STEVE W.
  • CERTIFIED EXPERT
  • 15,113 POSTS
Those are D1-D6 on the pin diagram. 2 of those are already in your truck so make sure they get attached there as well as to the "new" wiring as needed.

That came out of a truck with power seats. That is what the second orange wire feeds.

Black with white stripe gets connected to the same wire in the plug you have, it is for the 4wd light.
The orange next to it doesn't get connected it feeds power seats.
The next orange is the power door lock feed.
Yellow is for the power windows
Empty spot is for rear door release on Blazers/Subs.
Last black is a ground for the doors, windows, 4WD indicator. It will connect to the grounds coming from the doors and the indicator ground in the original connector so make sure that wire gets connected as well.

BEFORE you plug it in test all the functions first. You can take a 12 volt battery, connect it to the black ground wire and the yellow to test the power windows, Then move the positive feed to the orange feed and check the power locks.
Much easier to correct problems now than to fry the electrics in the truck.
Jan 12, 2017 at 6:44 PM
Avatar
BABYJAY531
  • MEMBER
  • 89 POSTS
Ok the other question I have is do i have to make that connector into a T?
Jan 13, 2017 at 4:50 AM
Avatar
STEVE W.
  • CERTIFIED EXPERT
  • 15,113 POSTS
Why would you need a T? That one should plug in place of the one you have plugged in now.

Just test the wires first so you don't have a problem. You don't want to hit window down and have it lock the door.
Jan 13, 2017 at 9:45 AM
Avatar
BABYJAY531
  • MEMBER
  • 89 POSTS
I was asking that question because it has to go to the convenience fuse box and then to the driver door
Jan 13, 2017 at 12:06 PM
Avatar
BABYJAY531
  • MEMBER
  • 89 POSTS
I tested the yellow wire from the harness and it lit up and I tested the orange and that lit up
Jan 13, 2017 at 5:03 PM
Avatar
STEVE W.
  • CERTIFIED EXPERT
  • 15,113 POSTS
Good, but check at the doors to make sure that the wires to them are OK. I'm assuming you ran new wires from the door connectors to the gray connector that plugs into the box, and that connects the driver and passenger doors (so you can control the passenger locks/windows from the drivers side)

The wires will T off to feed each side. If you look at the wiring diagrams it shows a T/splice just after the connector.

Your truck is old enough to have real switches in the doors, unlike the newer ones that use relays and more complex crap to do the same thing.
Jan 13, 2017 at 6:56 PM
Avatar
BABYJAY531
  • MEMBER
  • 89 POSTS
I will test it tomorrow but I have a question when I tested the orange wire the light didn't come on 2 of the small wires?
Jan 13, 2017 at 7:48 PM
Avatar
BABYJAY531
  • MEMBER
  • 89 POSTS
The test light didn't come on when I tested these plugs tho
Jan 13, 2017 at 8:00 PM
Avatar
STEVE W.
  • CERTIFIED EXPERT
  • 15,113 POSTS
That is why I asked you to test them. Basically the orange wire feeds power to both doors to power the locks. It and the yellow wire should be the only ones with power in those doors. Sounds like a bad wire/connection.
Jan 14, 2017 at 2:43 AM
Avatar
BABYJAY531
  • MEMBER
  • 89 POSTS
Is there y connectors I can buy
Jan 15, 2017 at 2:37 PM