Cranks no start

1994 TOYOTA PICKUP
200,000 MILES • 4 CYL • 2WD • AUTOMATIC
Avatar
SZALKUSKT
  • MEMBER
  • 274 POSTS
manufactured 10/1994 pickup truck. cranks but will not start. i checked for spark on one spark plug. it does have spark. when i pulled that plug it was not fouled with fuel so i suspect engine is not getting fuel. i have jumper-ed the diagnose connector under hood and there are no codes. i have checked all fuses under the hood and also under dash by drivers left foot kick panel.they are good. i am wanting to know how to approach this for checking for fuel to the engine probably the fuel pump and its associated relays which i think probably i should focus on? i am just looking for next step on what to do and possibly verify the fuel pump operation/ circuit in my opinion might be a problem.
Oct 19, 2016 at 1:04 AM
Advertisement
Avatar
MHPAUTOS
  • CERTIFIED EXPERT
  • 31,937 POSTS
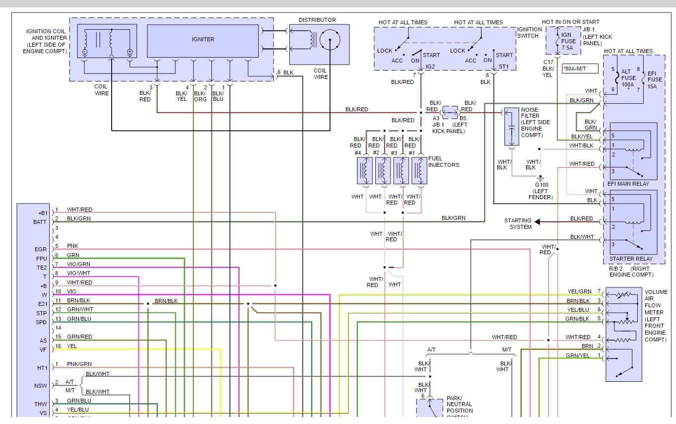
Jump power to pump at the data link terminal to see if pump is working. see picture.

Here is a guide to walk you through how to figure it out.

https://www.2carpros.com/articles/car-cranks-but-wont-start

Please run down this guide and report back

Cheers
Oct 19, 2016 at 2:43 AM
Avatar
SZALKUSKT
  • MEMBER
  • 274 POSTS
With ignition key on voltage is present at B+ terminal at data link connector. I put the jumper wire across to fuel pump as described and pump ran confirmed by pump in fuel tank noise and noticeable sound of pressure building in engine compartment fuel line. Pretty certain pump is operable. What should I do next? A relay perhaps?
Oct 19, 2016 at 8:42 PM
Advertisement
Avatar
SZALKUSKT
  • MEMBER
  • 274 POSTS
I still need help troubleshooting the fuel pump circuit
Oct 22, 2016 at 2:15 AM
Avatar
STRAILER
  • CERTIFIED EXPERT
  • 53,854 POSTS
No problem, here are the fuel pump wiring diagrams you requested.

Please let us know what you find so it will help others.

Best, Ken

Oct 22, 2016 at 11:55 AM
Avatar
SZALKUSKT
  • MEMBER
  • 274 POSTS
well, the diagrams helped thanks. turns out when i opened the air flow meter the truck started then died out after a few seconds. so being that i checked the efi relay under the hood and it was good, i took the glove box out and looked at the circuit opening relay bolted to the side of the truck at the kick panel area. since it was in the cavity of the body it was subjected to rain water leaking through a rusty hole in the window frame on the side of the windshield. so, since it was wet i went to Napa and bought a relay and put it in and truck is running fine now. fuel pump operates normally.mission accomplished.thanks for your guys help!
Oct 29, 2016 at 1:43 PM
Avatar
STRAILER
  • CERTIFIED EXPERT
  • 53,854 POSTS
Nice work, we are here to help, please use 2CarPros anytime.

Best, Ken
Oct 30, 2016 at 8:20 PM
Avatar
ELIHAWJ
  • MEMBER
  • 2 POSTS
My truck engine turns but will not start. I took out the spark plugs and five of them were wet with fuel or oil and wonder if my engine is flooded with oil. Anyone with similar situation? Can replacing new spark plugs solve the problem or does it new engine overhaul?
Oct 16, 2018 at 1:18 PM (Merged)
Avatar
KHLOW2008
  • CERTIFIED EXPERT
  • 41,814 POSTS
Hi elihawj,

Should be fuel flooding the engine. If it is oil, the engine would seize up while trying to crank.

Did you check if there are sparks from the plugs while cranking?

Try this link, it should be helpful. Let me know the results.

https://www.2carpros.com/first_things/car_cranks_but_wont_start.htm
Oct 16, 2018 at 1:18 PM (Merged)
Avatar
ELIHAWJ
  • MEMBER
  • 2 POSTS
I replaced all the spark plugs, wires, rotor, distributor cap, and a new battery and now it's running. Thanks for the tips and the website.
Oct 16, 2018 at 1:18 PM (Merged)
Avatar
OWHYME
  • MEMBER
  • 1 POST
My truck will just click when you turn the key to start it up. I have replaced the battery, distributor cap and rotor and the spark plugs. Occassionally the enging will crank over (sluggishly) after you turn the key about 15-20 times but wont start. Also as I was trying to put the new spark plugs in can you tell me why they are not going in with the threads flush with the engine? They still have visible threads when you check before you put the boot cover back on. Im afraid to over turn them and crack them. HELP please. Sometimes you can get in the truck and turn the key and it will fire right up. But now you have to turn and turn the key to get about a 5 second attempt of a "crank over".
Oct 16, 2018 at 1:18 PM (Merged)
Avatar
RASMATAZ
  • CERTIFIED EXPERT
  • 75,992 POSTS
Try this hold key to start postion and bang on the starter if it kicks over-replace the starter. If not look for power at the starter solenoid black and yeloow wire-No power check the starter relay/park and neutral switch and ignition switch


https://www.2carpros.com/forum/automotive_pictures/12900_st1_1.jpg


https://www.2carpros.com/forum/automotive_pictures/12900_st2_1.jpg

Oct 16, 2018 at 1:18 PM (Merged)
Avatar
BENBUGS
  • MEMBER
  • 3 POSTS
Truck wont start after going dead and recharging the battery. It will start everytime but wont stay running. It will run if you spray starting fluid in it. The fuel pump is working because when you jump the terminals you can hear it running. Swapped out map sensors and got the same results. RAN FINE WITH NO LIGHTS BEFORE BATTERY WENT DEAD!!!!
Oct 16, 2018 at 1:18 PM (Merged)
Avatar
RASMATAZ
  • CERTIFIED EXPERT
  • 75,992 POSTS
Check the idle air control valve, EGR valve, throttle position sensor and the airflow meter
Oct 16, 2018 at 1:18 PM (Merged)
Avatar
RASMATAZ
  • CERTIFIED EXPERT
  • 75,992 POSTS
It will run if you spray starting fluid in it- Does it continues to run after you use the start fluid or runs with start fluid only then dies out
Oct 16, 2018 at 1:18 PM (Merged)
Avatar
BENBUGS
  • MEMBER
  • 3 POSTS
It doesn't continue... When you stop spraying it dies!!
Oct 16, 2018 at 1:18 PM (Merged)
Avatar
RASMATAZ
  • CERTIFIED EXPERT
  • 75,992 POSTS
Check the fuel pressure with a gauge to rule out the fuel pump as the problem
Oct 16, 2018 at 1:18 PM (Merged)
Avatar
  • MEMBER
  • 2 POSTS
hi, my 94 toyota pickup has now been not running for 5 days, it cranks, fuel pump replaced fuel filter been replaced, fuel pressure regulater replayed, relays and fuses, all the sensers cheched and tested. engine start when you spray fuel starter in, no error codes do not know what to do next to fix this problem.
Oct 16, 2018 at 1:18 PM (Merged)
Avatar
JACOBANDNICKOLAS
  • CERTIFIED EXPERT
  • 110,175 POSTS
If it starts with starting fluid, then you are not getting fuel. Make sure the fuel pressure at the rail is within spec. If it is, check to see if the injectors are getting power.
Oct 16, 2018 at 1:18 PM (Merged)
Avatar
BENBUGS
  • MEMBER
  • 3 POSTS
Ok apparently it thru some codes now but where do we start??? It said 14, 24 & 31... The IAT sensur is in the MAP sensor but I put a different one on from another Toy and no change!!! VERY STUMPED
Oct 16, 2018 at 1:18 PM (Merged)
Avatar
  • MEMBER
  • 2 POSTS
wow so far off the mark. We had it fixed back three months ago. If anyone having the same problem it an easy fix. Check the ground wire on the engine what is for the efi and clean the connection and place back. Truck is working well.
Oct 16, 2018 at 1:18 PM (Merged)
Avatar
ANBRO33
  • MEMBER
  • 1 POST
Engine Performance problem
1994 Toyota Pickup 4 cyl Wheel Drive Type unknown Manual 120000 miles
----------------------------------------------------------------
My truck has not been running since 06/07...I have just changed starter, spark plugs & wires, and battery. When I crank it sounds like it wants to start but won't turn over...all lights come on okay. Not sure what else to check...please HELP!
Oct 16, 2018 at 1:18 PM (Merged)
Avatar
RASMATAZ
  • CERTIFIED EXPERT
  • 75,992 POSTS
Try spraying carb cleaner into the throttle body and see what happens-if it starts and dies out -check the fuel pressure -if No Start look for spark -disconnect a sparkplug or 2 and ground it to the engine and have helper crank it over-do you have spark-No spark continue to troubleshoot the ignitiion system. Got spark-check compression/valve and ignition timing.
Oct 16, 2018 at 1:19 PM (Merged)
Avatar
OMARATEASTWIND
  • MEMBER
  • 2 POSTS
Hi all, my Toyota truck with 22R engine and fuel injection will not start or even fire if I give it any gas while I crank it over. It will only start at idle, which doesn't work too well. Hard on the starter...Please advise! Mark
Oct 16, 2018 at 1:19 PM (Merged)
Avatar
RASMATAZ
  • CERTIFIED EXPERT
  • 75,992 POSTS
Does it crank over and refuses to start or just won't crank at all/nothing-Explain
Oct 16, 2018 at 1:19 PM (Merged)
Avatar
OMARATEASTWIND
  • MEMBER
  • 2 POSTS
Hi, thanks for your response. The truck cranks just fine and will fire and start if I don't give it any gas while cranking. Of course, since it doesn't seem to fire while giving it gas, it starts (or tries to) at idle which is not very robust and I'm using the starter too much. It fires and tries to start with no gas, but when I press the gas pedal it still cranks, but makes no attempt to start. Hope that clears things up. Mark
Oct 16, 2018 at 1:19 PM (Merged)
Avatar
RASMATAZ
  • CERTIFIED EXPERT
  • 75,992 POSTS
When you turn key to run -do you hear the fuel pump-if so check the fuel pressure make sure its within specs and then comeback with the pressure readings If not could be fuse/COR&EFI relay, STA signal, and fuel pump itself
Oct 16, 2018 at 1:19 PM (Merged)
Avatar
GREGSLADY84
  • MEMBER
  • 1 POST
I had my check engine light come on then my buddy said did a diagnostic on it and it said it was my O2 sensor not a big deal unless i need to pass smog which i don't so i haven't fixed it yet. Then i left my lights on at work and when i came out battery was dead went to jump it that didn't work my truck didn't even turn over. Then we replaced the battery because found a hole in the batter leaking acid. Still no luck on starting the tuck. The head lights come on and i've changed my starter relay and still nothing. No lights in the cab and my starter won't even crank at all. what possibly could it be? I have oil and all my fluids.
Oct 16, 2018 at 1:19 PM (Merged)
Avatar
CURRYBOY
  • MEMBER
  • 1 POST
Hi,

I had a similar issue with my '89. turned out to be a fuse on the inside of the cab. Headlamps worked, cab lights didn't and ignition didn't. Check your fuses. I think it's a 15 amp. It should be labeled indicating "instrument panel lighting" or such.
Oct 16, 2018 at 1:19 PM (Merged)
Avatar
STEPHEN HALES
  • MEMBER
  • 1 POST
Crank up run out fine. Leave home drive anywhere cut it off to go in store and it want crank back up. I can unplug the air mass sensor try to crank plug back in and it will crank and run fine?????
Oct 16, 2018 at 1:19 PM (Merged)
Avatar
WRENCHTECH
  • CERTIFIED EXPERT
  • 20,761 POSTS
Unless you totally understand how to analyze all the scan tool data you're going to have to resort to some swaptronics and actually try a new MAF. That wouldn't be the route we would take but the correct option would be to have it diagnosed correctly by a professional on scene.
Oct 16, 2018 at 1:19 PM (Merged)
Avatar
BIGED15RED
  • MEMBER
  • 1 POST
truck want start acted like it was firing early mechanicly in time changed ignitor an coil ecm now not firing at all pick coil ohms out good by specs that i have but no signal to fire coil
Oct 16, 2018 at 1:19 PM (Merged)
Avatar
RASMATAZ
  • CERTIFIED EXPERT
  • 75,992 POSTS
Hi biged15red, Welcome to 2carpros and TY for the donation

The Ne and G signals has to make it to the computer in order to give an Igt signal telling the ignitor to fire the coil, when this happens the ignitor will send an Igf telling the computer combustion has occured this actions is repeated to each cylinders-I recommed you check these wires from the distributor to computer
Oct 16, 2018 at 1:19 PM (Merged)
Avatar
TADONNA
  • MEMBER
  • 1 POST
Hi!
My pickup truck will not start -- had my mechanic check it out and he said it's the the battery but the battery is only a few months old, and I suspect it may be something else. Truck will not start -- I cannot start it with jumper cables - he tested it with a battery meter and nothing. We already took out the amphlifier as it seemed to be draining the battery. The stereo was off, the dome light was off... Can you help??!!

Thanks you!
Oct 16, 2018 at 1:19 PM (Merged)
Avatar
RASMATAZ
  • CERTIFIED EXPERT
  • 75,992 POSTS
Check and test the starter, clutch switch and ignition switch
Oct 16, 2018 at 1:19 PM (Merged)
Avatar
2CP-ARCHIVES
  • MEMBER
  • 4,540 POSTS
Pickup was running great. Son rear ended another car at 20 mph. I removed the hood, fenders, front bumper, the radiator support, radiator, fan, all damaged be on repair. The top flywheel on the drivers side of the engine was bent and the belt knock off. the rest of the engine looks undamaged. When i try to start the truck the electric system turns on, the start turns over but the engine will not start. Could the missing belt be the reason?
Oct 16, 2018 at 1:19 PM (Merged)
Avatar
GMTECH
  • CERTIFIED EXPERT
  • 537 POSTS
Will the engine turn over? Did you replace the crankshaft pulley? Does it have a crank sensor at the pulley?
Oct 16, 2018 at 1:19 PM (Merged)
Avatar
2CP-ARCHIVES
  • MEMBER
  • 4,540 POSTS
Pickup won't start replaced battery starter and post.
Oct 16, 2018 at 1:19 PM (Merged)
Avatar
CARADIODOC
  • CERTIFIED EXPERT
  • 34,306 POSTS
What is the symptom? Won't crank or cranks but won't start? If it's a no-crank, start by measuring the battery voltage. If it's close to 12.6 volts, turn on the head lights so some current is flowing, then move the voltmeter probes along the cables to the next points you can measure on. We're looking for the first place the voltage goes down significantly or to 0 volts. That will be the location of the bad connection.

If you hear a single loud clunk each time you turn the ignition switch to "crank", suspect worn contacts in the starter solenoid. That's an inexpensive repair.
Oct 16, 2018 at 1:19 PM (Merged)
Avatar
2CP-ARCHIVES
  • MEMBER
  • 4,540 POSTS
I have a no start condition; checked coil, & plug for spark, both good.
Oct 16, 2018 at 1:19 PM (Merged)
Avatar
ASEMASTER6371
  • CERTIFIED EXPERT
  • 52,796 POSTS
what about fuel pressure???

compression???

Roy
Oct 16, 2018 at 1:19 PM (Merged)