My 4wd (4 wheel drive) is not working why?

2008 DODGE RAM
290,000 MILES • 6.7L • 6 CYL • 4WD • AUTOMATIC
Avatar
JUSTIN BAU
  • MEMBER
  • 1 POST
I replaced the actuator and the wheel speed sensor, now it’s sending another code saying open circuit. when I switch it to 4wd nothing happens, no sound or anything and it shows Serv 4wd on dash. Anybody have an idea what this could be? I’m assuming a wire is possibly bare? I do not know. It was like this when I purchased the truck.
Jun 4, 2019 at 12:22 AM
Advertisement
Avatar
STEVE W.
  • CERTIFIED EXPERT
  • 15,113 POSTS
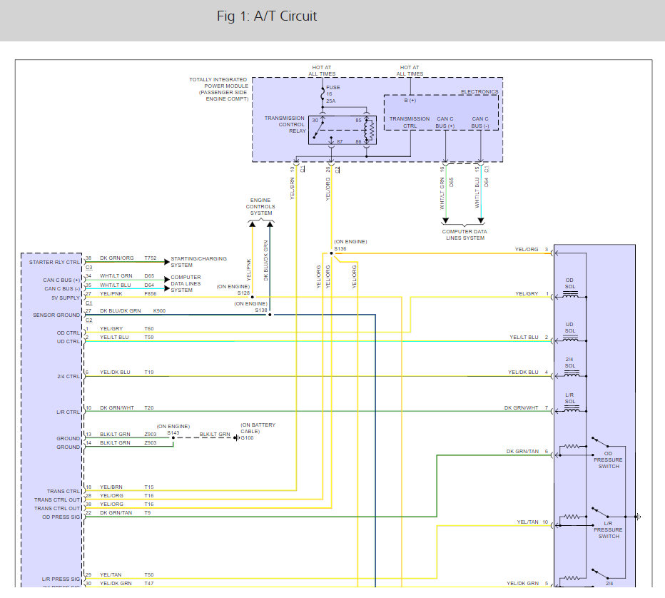
Welcome to 2CarPros. The circuit open code shows it is a connection issue lets use this guide and the wiring diagrams below to help fix the problem.

https://www.2carpros.com/articles/how-to-check-wiring

Check out the diagrams (Below). Let us know what happens and please upload pictures or videos of the problem.

Jun 5, 2019 at 4:24 PM
Avatar
HROOKER83
  • MEMBER
  • 7 POSTS
I found the wiring harness was damaged by the transfer case. got it fixed thanks to the guide and diagrams.
May 11, 2021 at 11:10 AM
Advertisement
Avatar
TEXASDAWG2003
  • MEMBER
  • 23 POSTS
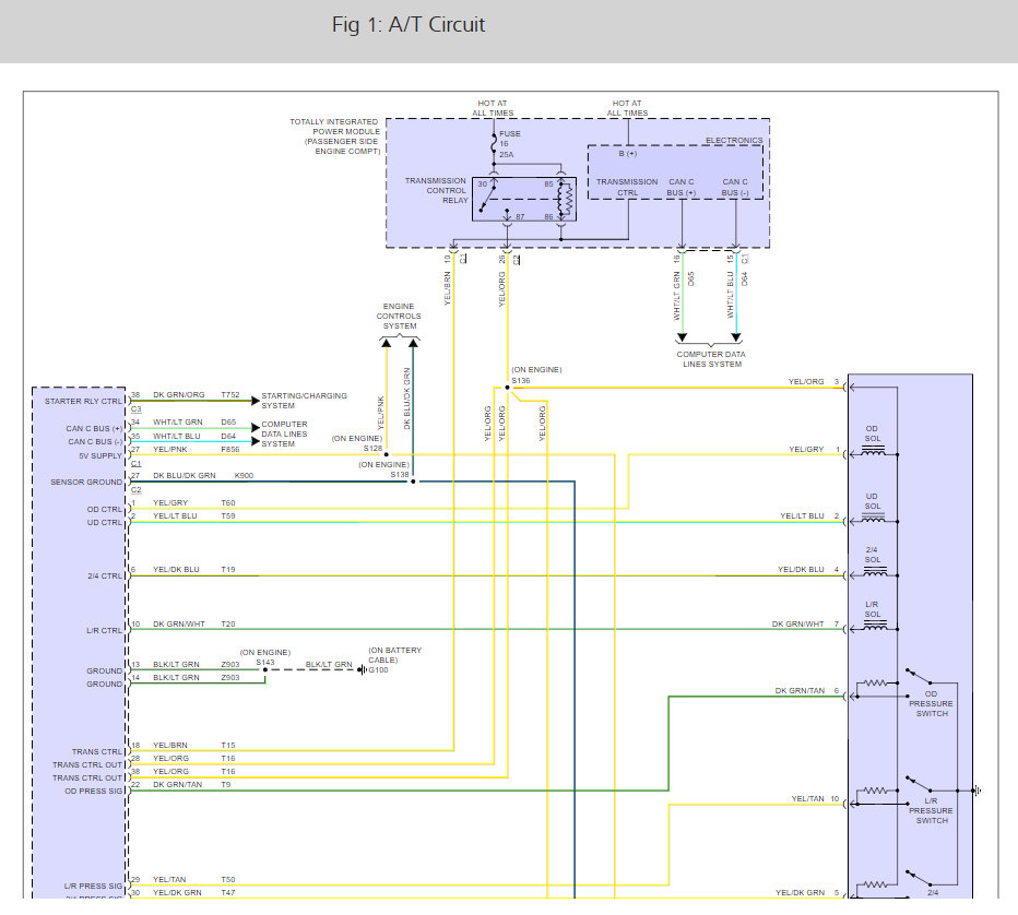
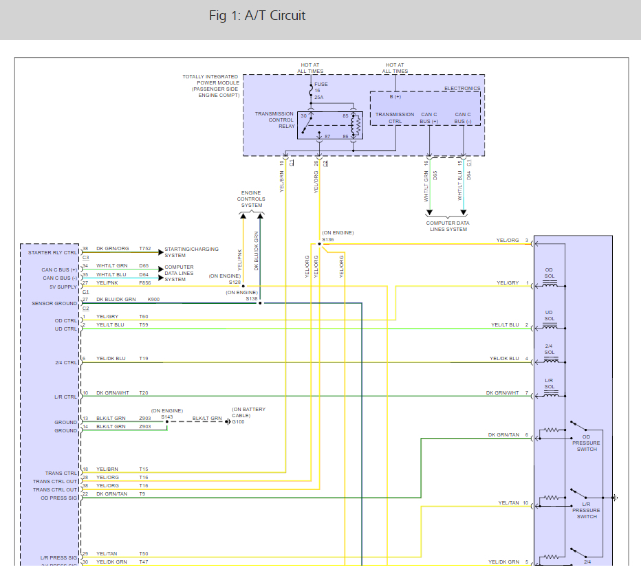
the service 4x4 light comes on any time the knob is moved. codes are c140d c1407 c1469 and c1405. I have not been able to find the flow chart or possible cause of these codes i know it will be a hard failure because as soon as the codes are cleared it was scanned and the codes came back any info will be helpful. The transfer case shift motor was replaced all the fuses are good the transfer case will shift into all gears without the motor on it when the shift shaft is turned by hand there is a short somewhere that puts the service 4x4 light on and it has the 4 codes c140d c1407 c1469 c1405 is the order the codes come up I cant find a flow chart, the possible causes chart or much detail in the codes, or a elc diagram on the 4x4 system.
May 11, 2021 at 12:24 PM (Merged)
Avatar
TY ANDERSON
  • CERTIFIED EXPERT
  • 719 POSTS
Does your truck have the Nv-246 transfer case in it? You can find the circle model stamp plate on the back side of the transfer case.
Here is a list of possible causes for each fault code listed
Also, found a technical service bulletin for code C1405 (only)
so you may what to look at that (TSB reference number 21-011-07)
possible causes
shift motor control A circuit open (dark green wire)
shift motor control B circuit open (yellow wire)
shift motor/ mode sensor assembly
totally integrated power module (TIPM)
C1407 transfer case brake control circuit low (TIPM)
Possible causes
transfer case motor brake circuit open (yellow w/grey stripe wire)
transfer case motor brake circuit shorted to ground (yellow w/grey stripe wire)
transfer case motor assembly
totally integrated power module (TIPM)
C1469 Front axle disconnect return control circuit high (TIPM)
Possible causes
Front axle lock control circuit shorted to voltage
Front axle lock control circuit shorted to ground
front axle disconnect module
totally integrated power module (TIPM)
C1405 transfer case range position sensor circuit high (TIPM)
Possible causes
totally integrated power module (TIPM) fuses
5 volt supply circuit shorted to voltage (yellow with orange stripe wire)
Mode sensor A circuit shorted to voltage (white with dark green stripe wire)
Mode sensor A circuit open (same as above white w/dark green)
TIPM sensor return circuit open
Shift motor/mode sensor assembly
Totally integrated power module (TIPM)

Hope this sheds some light, talk to you soon, TY

May 11, 2021 at 12:24 PM (Merged)
Avatar
TEXASDAWG2003
  • MEMBER
  • 23 POSTS
Yes it is that transfer case

Is there a test procedure fore each code. Have you found Test procedures?
May 11, 2021 at 12:24 PM (Merged)
Avatar
TY ANDERSON
  • CERTIFIED EXPERT
  • 719 POSTS
It sounds like the transfer case selector switch has gone out but to be sure lets run a test through the switch using this guide and the wiring diagrams (Below)

https://www.2carpros.com/articles/how-to-check-wiring

and

https://www.2carpros.com/articles/how-to-use-a-test-light-circuit-tester

Test for signal at the switch

Here is a a TSB

The TSB Reference number 21-011-07 applies only to 4wd light duty ram truck that are equipped w/a NV-246 t case and were built on or between October 30,2006 and June 19,2007. Let me know it this applies to your truck you may need to contact a dodge dealer and supply them with you VIN to get a exact built date. This TSB only applies to the C1405 code only to determine if the inner bearing support plate is worn allowing t case shift actuator to over-travel and cause a fault determined by the vehicle's computer.

CODE c140d - t case motor control circuit open (TIPM)
Diag steps
1Key on engine running at idle switch t case switch to ea. Position. With scan tool is c140d code active? Y/N
2Key off engine off Remove the TIPM C4 harness connector and measure resistance between the (t101 Shift motor Control A circuit and the (t102) Shift motor control B circuit. Is the resistance between 40-100 ohms?
3 Disconnect the shift motor/mode sensor assembly harness connector. Measure resistance between the (t101) shift motor control A circuit and the (t102) shift motor control B circuit at the shift motor/mode sensor assembly component side. Is the resistance between 40-100 ohms?
4 Measure the resistance of the (t101) shift motor control A circuit between the shift motor/mode sensor assembly harness connector and the TPIM C4 harness connector. Is the resistance above 5.0 OHMS?
5 Measure the resistance of the (t102) shift motor control B circuit between the shift motor/mode sensor assembly harness connector. Is the resistance above 5.0 ohms?
6. Inspect all wiring and connector that pertain to this circuit. Were any problems found?
Here is some pic of wiring diagrams at contain the t102 and t101 circuit.

Check out the diagrams (Below)

Let us know what happens and please upload pictures or videos of the problem.

Cheers
May 11, 2021 at 12:24 PM (Merged)
Avatar
TEXASDAWG2003
  • MEMBER
  • 23 POSTS
You guys nailed it the selector switch has bad I found out after testing. Once replace dht truck works great! I love this site where do I send money?
May 11, 2021 at 12:24 PM (Merged)
Avatar
ELBIN
  • MEMBER
  • 2 POSTS
My four wheel drive will not engage all it does is make clicking sounds when I switch the 4wd on What could be causing this problem?
May 11, 2021 at 12:24 PM (Merged)
Avatar
JACOBANDNICKOLAS
  • CERTIFIED EXPERT
  • 110,175 POSTS
It sounds like the transfer case shift actuator is not working which is common here is the location in the diagrams below so you can change it out. Check out the diagrams (Below). Please let us know what you find.
May 11, 2021 at 12:24 PM (Merged)
Avatar
ELBIN
  • MEMBER
  • 2 POSTS
Yes it was the problem I got new one all fixed thank you.
May 11, 2021 at 12:24 PM (Merged)
Avatar
GILLYMAN3000
  • MEMBER
  • 19 POSTS
Light just keeps flashing. I can hear a click on the transfer case, I don’t hear the front actuator, I had a used known good actuator for the front I use for testing, I installed it and still same results, just flashes. can you please provide a wiring diagram for the 4 wheel drive? is the control module on the transfer case known to cause this issue?
May 11, 2021 at 12:25 PM (Merged)
Avatar
JOETECHPRO
  • CERTIFIED EXPERT
  • 705 POSTS
Hey GILLYMAN3000,

If you have access to a hoist raise the vehicle, activate the 4x4 and put the transmission in drive. If you release the brake and get someone to watch the front drive shaft you should be able to see if the transfer case is sending drive to the front differential.

Does the front driveshaft turn?

Once you have narrowed it down to transfer case or differential actuator then it will be quicker to pinpoint the issue.

Let us know what you are getting here.

Regards, Joe
May 11, 2021 at 12:25 PM (Merged)
Avatar
GILLYMAN3000
  • MEMBER
  • 19 POSTS
yes the front shaft is turning. when I put it in 4 wheel.
May 11, 2021 at 12:25 PM (Merged)
Avatar
JOETECHPRO
  • CERTIFIED EXPERT
  • 705 POSTS
Hey GILLYMAN3000,

Okay, so it sounds like you have an issue with the activation of the front differential actuator.

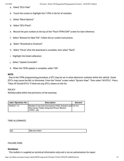
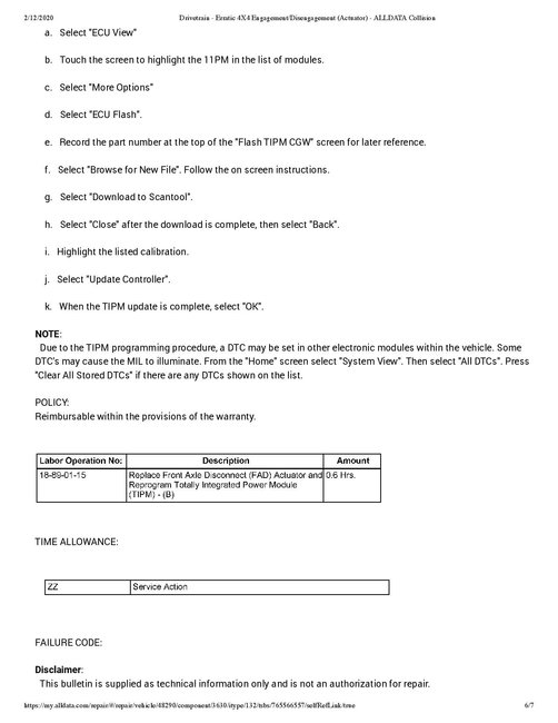
There is a TSB that could be applicable to your vehicle.

I have attached the TSB below, i would contact your local dodge dealer and see if this TSB is applicable to your vehicle.

Regards, Joe
May 11, 2021 at 12:25 PM (Merged)
Avatar
GILLYMAN3000
  • MEMBER
  • 19 POSTS
Thank you!!
May 11, 2021 at 12:25 PM (Merged)
Avatar
JOETECHPRO
  • CERTIFIED EXPERT
  • 705 POSTS
Hey GILLYMAN3000,

No problem, keep us updated with the repair.

Best of luck!

Regards, Joe
May 11, 2021 at 12:25 PM (Merged)
Avatar
JORDANB1986
  • MEMBER
  • 4 POSTS
1500 Big Horn with a Hemi engine, nv243 transfer case with electronic four wheel drive selector.

So my truck will not go into four wheel drive and i am kind of stuck. I cannot get my truck to go into four wheel drive. I move the selector switch from two wheel drive to 4hi lock and nothing happens. dash indicator lights do not light up and the front drive shaft spins freely. (also in 4lo lock)

I have replaced the four wheel drive selector switch on the dash, did not fix the problem. I have tried replacing the shift motor on the transfer case, did not fix the problem. (put the old one back on and returned the new one)

I get no sound or movement at the transfer case when i move the selector switch so i think my issue is electrical.

I have tested pins 2 and 3 on the c4 connector at the TIPM (see picture) and i had 2.4ohms of resistance. this seems very low to me. Is it possible a short here is my issue? what else can i test?

I also have the service manual, wiring diagram, and connector pinout and i am capable of testing these but I cannot find what the resistance should be.

Update: After putting the TIPM back together after some testing my truck is now stuck in four wheel drive with the indicator light on. Can I confirm a wiring/connector issue?
May 11, 2021 at 12:25 PM (Merged)
Avatar
STRAILER
  • CERTIFIED EXPERT
  • 53,854 POSTS
Hello,

I am sure you checked the fuses and you replaced the first things I though of also. The only thing really left is the TIPM but to be sure lets test the continuity by following this guide

https://www.2carpros.com/articles/how-to-check-wiring

Here are the wiring diagrams, you can see these is not much to it. If the wiring checks out I would replace the TIPM you may need to get it programmed to the car FYI. If it was a speed senor it would throw a code.

Check out the diagrams (Below)

Let us know what happens and please upload pictures or videos of the problem.

Cheers, Ken
May 11, 2021 at 12:25 PM (Merged)
Avatar
JORDANB1986
  • MEMBER
  • 4 POSTS
Ok tested the continuity for the shift motor and selector switch.

It is my understanding that the 2 shaft speed sensors are only on the full-time 4wd transfer cases which mine is not. I looked and could not find these. Can you confirm that?

Results from my test:
The fused red B (+) at the shift motor (upload 1) did not give me tone. (Checked it a couple times)

I see there is some sort of splice point somewhere in the "right rear of the engine bay."

Is this near the pcm?

Should I get continuity all the way to the shift motor? I'm sure it goes through a relay but I'm thinking that is inside the TIPM.
May 11, 2021 at 12:25 PM (Merged)
Avatar
STRAILER
  • CERTIFIED EXPERT
  • 53,854 POSTS
It sounds like you found the problem must have power from the TIPM for the system to work. Can you splice in and power that circuit up to see if that fixes it? That would be a kick. Double check that you have power at the fuse first.

Let me know.
May 11, 2021 at 12:25 PM (Merged)
Avatar
JORDANB1986
  • MEMBER
  • 4 POSTS
So I tried splicing in and even ran a wire directly from the battery to the shift motor(with an inline fuse) and still not shifting into 4x4. Ideas?
May 11, 2021 at 12:25 PM (Merged)
Avatar
STRAILER
  • CERTIFIED EXPERT
  • 53,854 POSTS
The brain for the 4x4 is the TIPM which they had problem with. If the wiring switch and motor are all okay it only leaves one thing it can be, the TIPM
May 11, 2021 at 12:25 PM (Merged)
Avatar
JORDANB1986
  • MEMBER
  • 4 POSTS
I was afraid that was going to be my issue... expensive repair. I will try switching the motor out one more time with a direct wire to the battery for power. If that doesn't work I'm going to send the tipm out to to be repaired.

Thank you for the help Ken, much appreciated
May 11, 2021 at 12:25 PM (Merged)
Avatar
STRAILER
  • CERTIFIED EXPERT
  • 53,854 POSTS
No problem please let me know what happens :)
May 11, 2021 at 12:25 PM (Merged)
Avatar
DCAPUTO3
  • MEMBER
  • 1 POST
My Dodge 3500 Desil is stuck in 4 wheel dirve low. I changed from 2 wheel to 4 wheel drive low while spinning in mud. Now the truck will not disengauge from 4 wheel low. When I turn the electronic switch in the cab the indicator flashes.
May 11, 2021 at 12:25 PM (Merged)
Avatar
JACOBANDNICKOLAS
  • CERTIFIED EXPERT
  • 110,175 POSTS
Have you tried the standard backing up? If you have, then check to see if there is power to the actuator on the transfer case. if so the actuator is bad here is a diagrams below to help fix it.
May 11, 2021 at 12:25 PM (Merged)
Avatar
JAMES3824
  • MEMBER
  • 1 POST
that fixed my truck thank you.
May 11, 2021 at 12:25 PM (Merged)
Avatar
SPOLISH
  • MEMBER
  • 1 POST
Pops out and back into 2 wheel drive on its own.
May 11, 2021 at 12:26 PM (Merged)
Avatar
JACOBANDNICKOLAS
  • CERTIFIED EXPERT
  • 110,175 POSTS
Hi,

If there are no odd sounds, chances are the linkage is either failing or needs adjusted. There is a shift rod between the lever in the truck and the transfer case. There is an adjustment on it. I've seen them come loose, rust, and even break. If you look at pic 1 below, I circled the part I'm referring to.

Here are the directions for adjustment. Start with this. Also, the same picture correlates with these directions.

ADJUSTMENT - SHIFT LEVER
1. Move shift lever into 2H position.
2. Raise vehicle.
3. Loosen shift rod lock bolt at trunnion.
4. Check shift rod fit in trunnion. Be sure rod does not bind in trunnion. Lubricate the shift rod and trunnion if necessary.
5. Verify that transfer case shift lever is in 2H detent position. The 2H detent position on the transfer case shift arm is the second position from full forward.

6. Align the adjustment locating hole on the lower shifter lever with the adjustment channel on the shifter bracket assembly (Fig. 90).
7. Insert an appropriately sized pin through into the adjustment channel and through the locating hole to hold the shifter in the correct position.
8. Tighten shift rod lock bolt to 10 Nm (90 inch lbs.) torque.
9. Remove the locating pin from the adjustment channel and locating hole.
10. Check shift linkage operation. Be sure transfer case shifts into and operates properly in all ranges.

Check out the diagrams (Below). Please let us know what happens.
May 11, 2021 at 12:26 PM (Merged)
Avatar
STEVEY0151
  • MEMBER
  • 2 POSTS
I recently (2 months ago) had to bring the truck into a shop to get the rear differential replaced. Since the replacement, my 4 wheel drive will not engage? Any ideas as to what could be wrong? The light does not come on the dashboard and there is no 4 wheel drive action happening.

Thank you for your time.
May 11, 2021 at 12:26 PM (Merged)
Avatar
HMAC300
  • CERTIFIED EXPERT
  • 48,601 POSTS
check to make sure your shifter is working and has proper adjustment. there is a locking bolt on the linkage that may have fallen off. It sounds like the actuator may have gotten unplugged during the repair.
May 11, 2021 at 12:26 PM (Merged)
Avatar
STEVEY0151
  • MEMBER
  • 2 POSTS
HMAC300:

How do I go about making sure the shifter is working and properly adjusted. Where is this locking bolt??
May 11, 2021 at 12:26 PM (Merged)
Avatar
HMAC300
  • CERTIFIED EXPERT
  • 48,601 POSTS
the locking bolt is near the end of the rod. you will have to have a helpermove the shift lever to see if it's working. if the rod is working then there is something wrong inside the t-case.
ADJUSTMENT  SHIFT LEVER

1. Move shift lever into 2H position.
2. Raise vehicle.

Fig. 118: Shifter Adjustment
Courtesy of DAIMLERCHRYSLER CORP.

3. Loosen shift rod lock bolt at trunnion (Fig. 119).

Fig. 119: Shift Rod Lock Bolt Location
Courtesy of DAIMLERCHRYSLER CORP.

4. Check shift rod fit in trunnion. Be sure rod does not bind in trunnion. Lubricate the shift rod and trunnion if necessary.
5. Verify that transfer case shift lever is in 2H detent position. The 2H detent position on the transfer case shift arm is the second position from full forward.
6. Align the adjustment locating hole on the lower shifter lever with the adjustment channel on the shifter bracket assembly (Fig. 120).

Fig. 120: Shifter Adjustment Location
Courtesy of DAIMLERCHRYSLER CORP.

7. Insert an appropriately sized pin through into the adjustment channel and through the locating hole to hold the shifter in the correct position.
8. Tighten shift rod lock bolt to 10 N.m (90 in. lbs.) torque.
9. Remove the locating pin from the adjustment channel and locating hole.
10. Check shift linkage operation. Be sure transfer case shifts into and operates properly in all ranges.
May 11, 2021 at 12:26 PM (Merged)
Avatar
HAZARIKA
  • MEMBER
  • 3 POSTS
Hi,

Thanks for the diagram it helpful. I have the same problem on my 2001 Ram 1500.
Could you help me with the orientation of the piece that goes on the transfer case. I didn't make a note of it and it can fit both ways. Does the number side (572) go on the inside or outside same for the rod?

Appreciate it.
May 11, 2021 at 12:26 PM (Merged)
Avatar
HMAC300
  • CERTIFIED EXPERT
  • 48,601 POSTS
hazirka this should be reposted but if you have the diagram it's pretty self explanatory look at both pics in answer.
May 11, 2021 at 12:26 PM (Merged)
Avatar
HAZARIKA
  • MEMBER
  • 3 POSTS
Unfortunately I don't have the diagram for the end that goes to the transfer case. The problem is the piece that gets bolted to the transfer case shifter it can fit 2 ways, not sure which is the right way.

Thanks.
May 11, 2021 at 12:26 PM (Merged)
Avatar
HMAC300
  • CERTIFIED EXPERT
  • 48,601 POSTS
Hazarika, in the future you must repost or these questions won't be answered. the arrow in pic points to the way of tcase
May 11, 2021 at 12:26 PM (Merged)
Avatar
KREUTZER21
  • MEMBER
  • 1 POST
My truck listed above is 1500. It will not drive in gear. The transfer-case is rebuilt and when in gear the the front drive-line spins and rear drive spins. The rear drive line is currently out due to wanting to replace rear axle. I tried in 4L and 4H but just spins drive line. The transmission oil was not burnt and looked fine. Unfortunately no transmission pan on it! I replaced the neutral safety switch as well. Any thoughts other than pull transmission? Lol
May 11, 2021 at 12:26 PM (Merged)
Avatar
STEVE W.
  • CERTIFIED EXPERT
  • 15,113 POSTS
Okay, so you have the rear drive shaft out, but are trying to drive the truck by putting it into four wheel drive and running power to the front axle correct?

You are seeing the front drive shaft spin but not getting any vehicle motion? That would not be the transmission. It would be an issue in the front axle. Most likely the center axle disconnect is not engaging. If the transfer case was out it would be easy to miss connecting all the vacuum lines that go to the selector switch that controls the CAD.

May 11, 2021 at 12:26 PM (Merged)
Avatar
2CP-ARCHIVES
  • MEMBER
  • 4,540 POSTS
I have a 2500 Ram cummins diesel. When I turn on the key, the cruise control light comes on immediately and can only be shut off by turning the key off. The cruise will not set to a speed. The vacuum operated 4 wheel drive will engage correctly and stay in until taken out. What is the problem?
May 11, 2021 at 12:26 PM (Merged)