radio wiring diagrams please?

2020 KIA OPTIMA
7,000 MILES • V6 • 2WD • AUTOMATIC
Avatar
THOMAS WATSON2
  • MEMBER
  • 1 POST
Can any one help me with the factory radio wire color diagram for car listed above FE? it has no factory amp so I’m trying to put in a converter for my subs?
Jul 6, 2020 at 12:53 PM
Advertisement
Avatar
ASEMASTER6371
  • CERTIFIED EXPERT
  • 52,796 POSTS
Good morning,

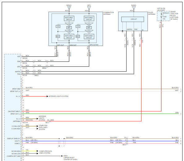
I found the diagram for you and posted it below.

https://www.2carpros.com/articles/how-to-check-wiring

Check out the diagrams (Below). Please let us know if you need anything else to get the problem fixed. Roy

Feb 11, 2021 at 7:09 AM
Avatar
TITAN2019
  • MEMBER
  • 1 POST
Hello, I am trying to find a wiring diagram for my 2019 Kia Optima LX+ factory stereo. Its a 7" touch screen with the back up cam, android auto but no UVO and no Nav. I have purchased an Audioconrol LC2I to run to my Amp's while keeping the functionality of my stock Radio and need to hook it up however, I'm not sure which color wires are for which set of speakers along with the accessory cable.
Mar 10, 2021 at 7:09 PM (Merged)
Advertisement
Avatar
JACOBANDNICKOLAS
  • CERTIFIED EXPERT
  • 110,175 POSTS
Hi,

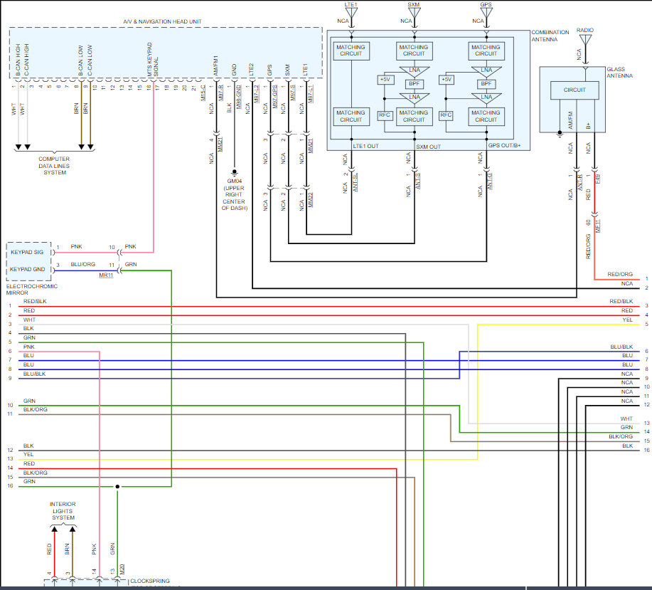
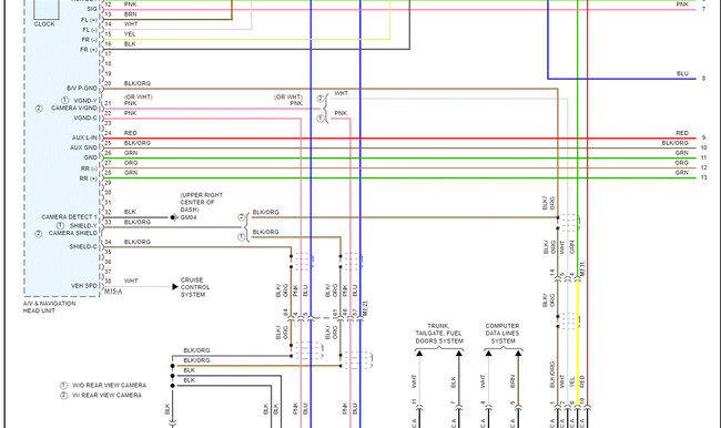
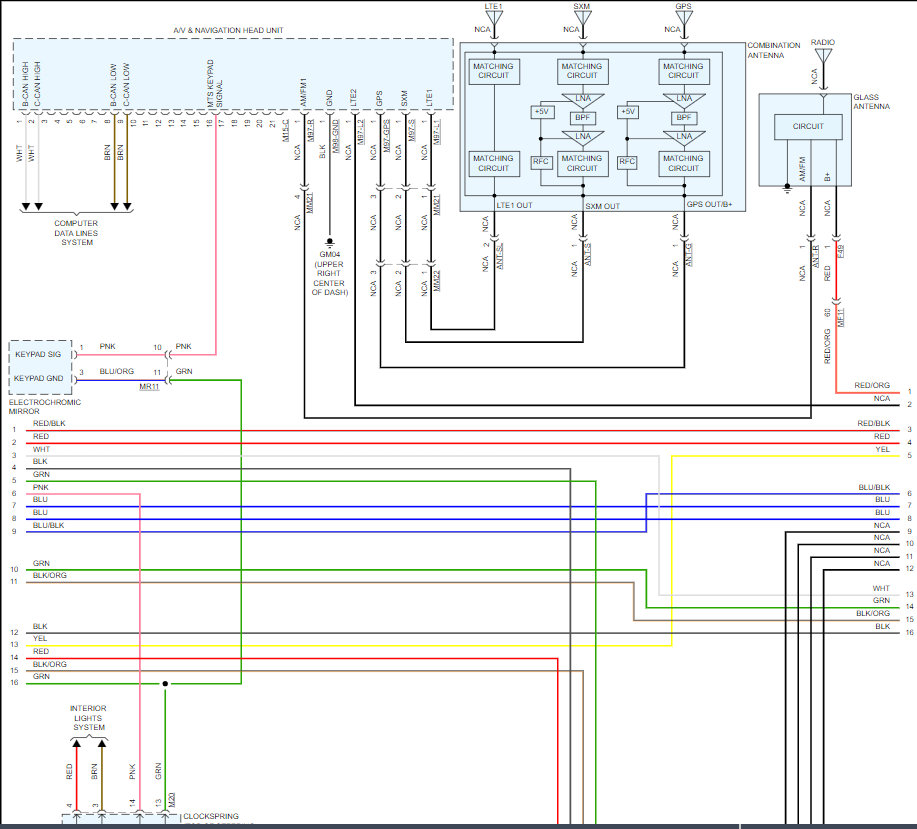
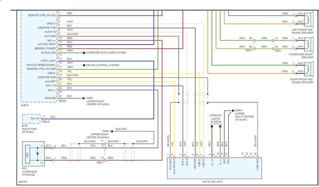
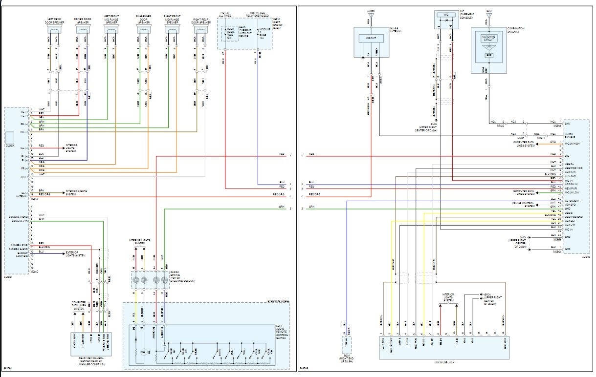
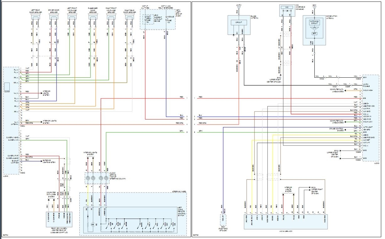
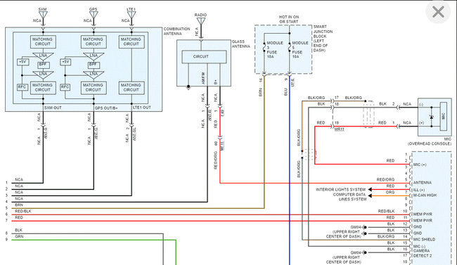
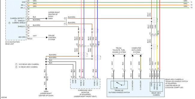
The schematic is three pages long. I had to break each page into 3 parts to make it readable for you, but I did overlap the pics so you could follow them. This is the entire system.

Let me know if this helps.

Take care,
Joe
Mar 10, 2021 at 7:09 PM (Merged)
Avatar
  • MEMBER
  • 1 POST
I have a 2019 kia Optima s without nav with HBO having problems finding speaker wiring diagram. can anyone help?
Mar 10, 2021 at 7:09 PM (Merged)
Avatar
JACOBANDNICKOLAS
  • CERTIFIED EXPERT
  • 110,175 POSTS
Hi,

I would be happy to get that for you, but I need more information. If you look at the attached picture below, I included all the radios for this model year. Several are without nav. Can you identify which one is yours?

Joe
Mar 10, 2021 at 7:09 PM (Merged)
Avatar
FRANCISCO PEREZ2
  • MEMBER
  • 3 POSTS
Hi, I have Navigation but stock speakers just 6 speakers and I'm trying to find the wiring diagram to install an amp using hi to low converter. I can't find anywhere on the internet. I Have the car listed above Sx. Also it would help a lot if you can help me identify which speakers are full range and mid range. Thanks in advance.
Mar 10, 2021 at 7:09 PM (Merged)
Avatar
KENW1
  • CERTIFIED EXPERT
  • 213 POSTS
Thanks for visiting 2CarPros.

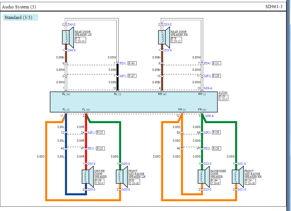
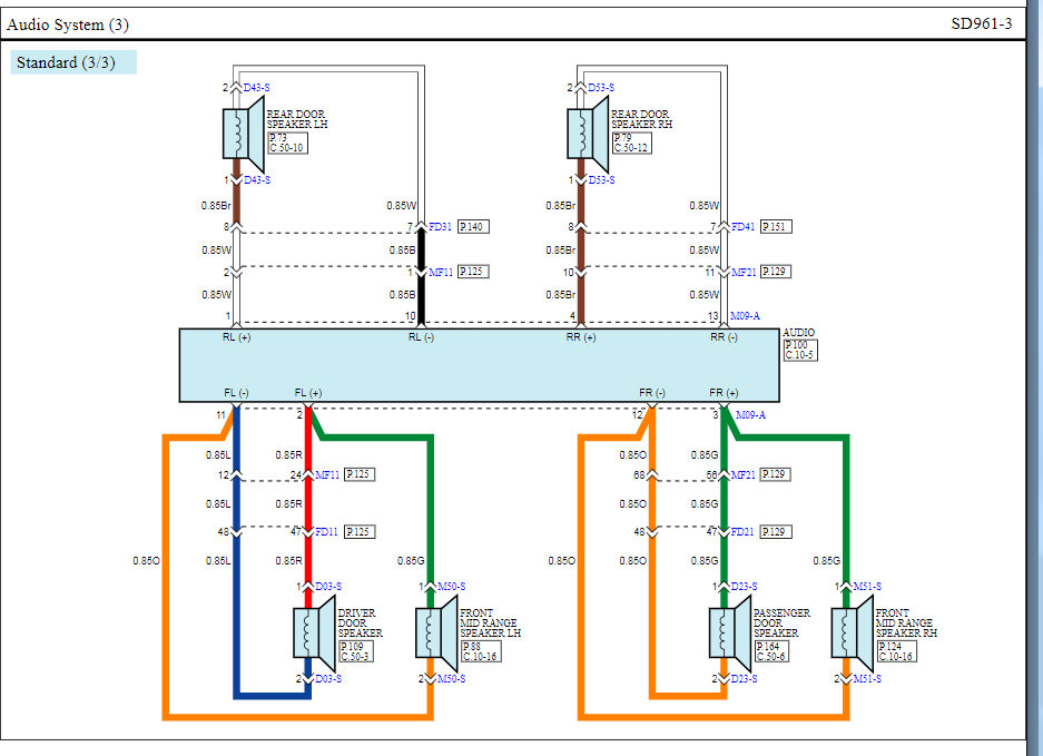
The speakers in the doors will be full range. I'll post the diagrams for this system below for you. If I can help further just let me know.
Mar 10, 2021 at 7:09 PM (Merged)
Avatar
FRANCISCO PEREZ2
  • MEMBER
  • 3 POSTS
I can barely see the diagram I can only distinguish the different colors, so all door speakers are full range? It would be way easier for me to use the rear speakers for hi input signal.
Mar 10, 2021 at 7:09 PM (Merged)
Avatar
KENW1
  • CERTIFIED EXPERT
  • 213 POSTS
I'll try to post a larger image of the speaker colors. I would use the rear ones for sure.
Mar 10, 2021 at 7:09 PM (Merged)
Avatar
MICHAEL EVETT
  • MEMBER
  • 1 POST
Hey everyone!

I have the vehicle listed above s with the uvo without Harmon kardon.

I’m looking to tap the speakers at the radio harness to add a lc7i and a 4-channel. I love my stock head-unit but I’m not a fan of the sound it produces.

I’ve searched for hours with no luck.

Anyone happen to know which of the 2 plugs on the back of the radio holds the keys to my success?
Mar 10, 2021 at 7:09 PM (Merged)
Avatar
FRANCISCO PEREZ2
  • MEMBER
  • 3 POSTS
This one definitely helps. Thank you so much for the help, I will be posting an update on how the install went.
Mar 10, 2021 at 7:09 PM (Merged)
Avatar
MOTOR MASTER
  • CERTIFIED EXPERT
  • 279 POSTS
Hello my name is Dave.

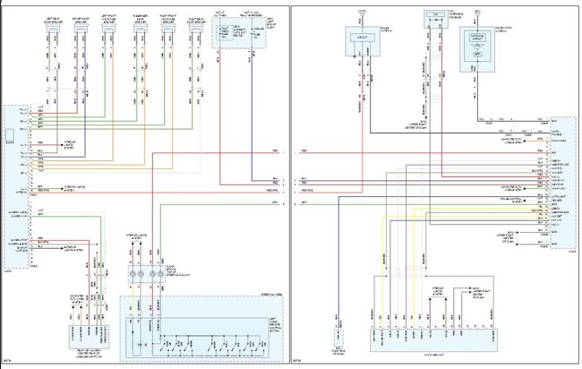
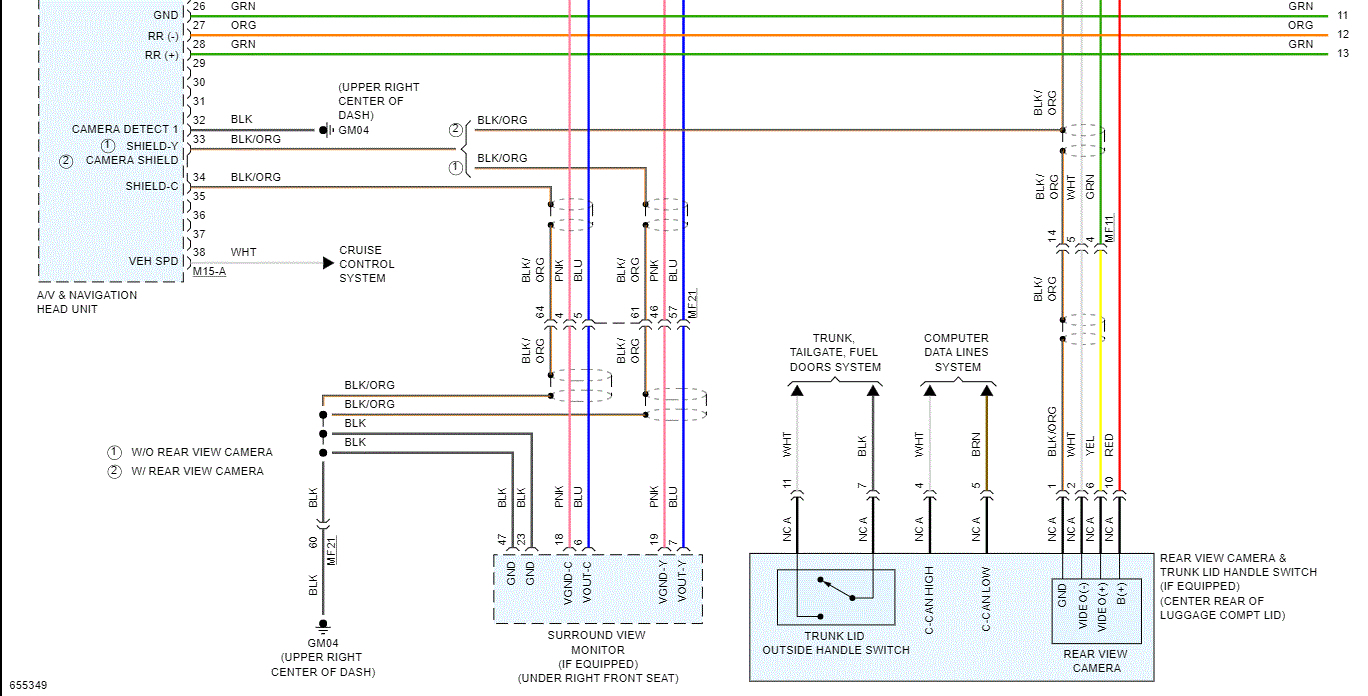
Here are the diagrams you are looking for. let us know if there is anything else we can help you with and thank you for using 2CarPros! Check out the diagrams (Below). Please let us know if you need anything else to get the problem fixed.
Mar 10, 2021 at 7:09 PM (Merged)
Avatar
CHUCKMAN49
  • MEMBER
  • 1 POST
Looking for a wiring diagram for the base model stereo. Pinout diagram of head unit and speaker wire colors in main wire harness. Thanks.
Mar 10, 2021 at 7:09 PM (Merged)
Avatar
SCGRANTURISMO
  • CERTIFIED EXPERT
  • 4,897 POSTS
Hello again,
I thought I included the wiring diagrams for you in the diagrams down below earlier, but for some reason they did not make into the diagrams. I apologize for the mix up, and now they should be included in the diagrams down below.

Thanks,
Alex
2CarPros
Mar 10, 2021 at 7:09 PM (Merged)
Avatar
JAMES BUSH2
  • MEMBER
  • 5 POSTS
Would this be the same diagram for a 2019 Kia optima that's what I'm looking for lx optima base radio. I want to hook up a line out converter and need the colors of right rear speaker and left rear speaker and also non constant power and ground

Thanks for your help
Mar 10, 2021 at 7:09 PM (Merged)
Avatar
SCGRANTURISMO
  • CERTIFIED EXPERT
  • 4,897 POSTS
Hello again,

I would almost assume so. I tried to pull some 2019 wiring diagrams for you, but they have not been made yet. I apologize for this. I can say that on an aftermarket stereo switched power would be the red wire, ground would be black, right rear would be purple wires, and left rear would be the green wires. On both speaker wires the black striped one would be the negative wire. But that's not helping here. You can look at the wiring diagram and compare your vehicle's wires and if the wires match, then you are golden.

Thanks,
Alex
2CarPros
Mar 10, 2021 at 7:09 PM (Merged)
Avatar
JAMES BUSH2
  • MEMBER
  • 5 POSTS
I can't find a diagram for my car listed above base model with cruise no amp or upgraded stereo, but it does have a display.

Thanks for the help.
Mar 10, 2021 at 7:09 PM (Merged)
Avatar
JAMES BUSH2
  • MEMBER
  • 5 POSTS
Okay great I will try and see how close the diagram you put up and my hardness is thanks again for the help
Mar 10, 2021 at 7:09 PM (Merged)
Avatar
DANNY L
  • CERTIFIED EXPERT
  • 5,648 POSTS
Hello, I'm Danny.

Here is a radio/navigation wiring diagram based off a 2019 Kia Optima 2.0 hybrid. If this is not your vehicle you will need to be more specific and start a new question including all your vehicle information. I've attached the pictures below. Hope this helps and thanks for using 2CarPros.
Mar 10, 2021 at 7:09 PM (Merged)
Avatar
STRAILER
  • CERTIFIED EXPERT
  • 53,855 POSTS
Please let us know if you need anything else to get the problem fixed.
Mar 10, 2021 at 7:09 PM (Merged)
Avatar
JHAYSTORM
  • MEMBER
  • 1 POST
Its not for the hybrid, its for the optima sport 2019
Mar 10, 2021 at 7:09 PM (Merged)
Avatar
JAMES BUSH2
  • MEMBER
  • 5 POSTS
I will thank you so much!!
Mar 10, 2021 at 7:09 PM (Merged)
Avatar
DANNY L
  • CERTIFIED EXPERT
  • 5,648 POSTS
Hello again,
Attached below is the info I need... Thanks again for using 2CarPros
Danny-
Mar 10, 2021 at 7:09 PM (Merged)
Avatar
TRAVIS JOHN TARRINGTON
  • MEMBER
  • 2 POSTS
Thanks for the diagrams as well.
Mar 10, 2021 at 7:09 PM (Merged)
Avatar
QMAYS34
  • MEMBER
  • 3 POSTS
I am trying to find the speaker wire colors and what is the remote wire on back of the radio.
Mar 10, 2021 at 7:09 PM (Merged)
Avatar
STRAILER
  • CERTIFIED EXPERT
  • 53,855 POSTS
Use 2CarPros anytime, we are here to help. Please tell a friend.
Mar 10, 2021 at 7:09 PM (Merged)
Avatar
KASEKENNY
  • CERTIFIED EXPERT
  • 18,907 POSTS
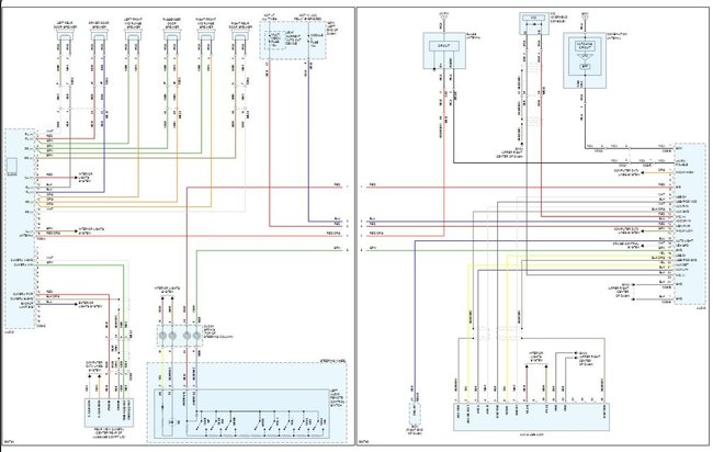
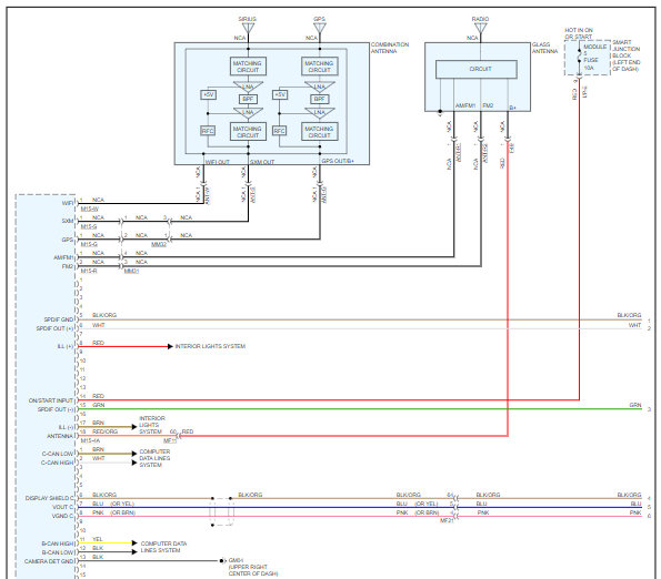
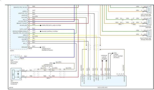
Does your vehicle have factory navigation or is it just the radio? I attached the audio diagrams however, this may be different if you have navigation. There are three options with Nav so do you have the 4 inch screen or the system called PIO?

Let me know and I can send those diagrams. Thanks
Mar 10, 2021 at 7:09 PM (Merged)
Avatar
QMAYS34
  • MEMBER
  • 3 POSTS
Thanks, no navi.
Mar 10, 2021 at 7:09 PM (Merged)
Avatar
KASEKENNY
  • CERTIFIED EXPERT
  • 18,907 POSTS
Okay. Those are the diagrams for the standard radio system. Let us know if you need other info. Thanks
Mar 10, 2021 at 7:09 PM (Merged)
Avatar
SLOWRIDE45
  • MEMBER
  • 6 POSTS
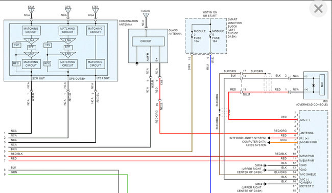
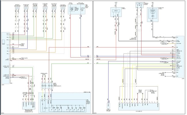
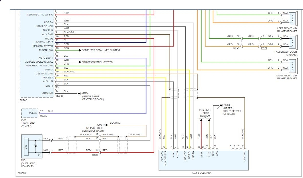
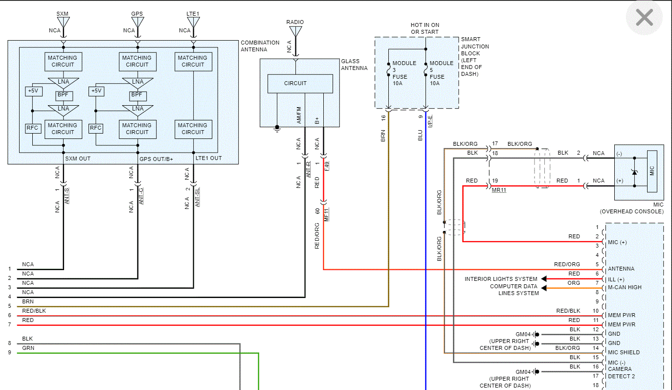
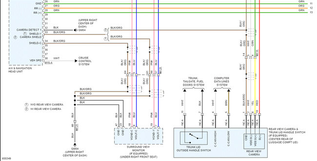
Hello, I am having a bit of an issue with my sound system and I think I've narrowed it down to a grounding issue to the amp. Can you please help me out with the wiring diagram for my sound system? The car listed above is the LX model with the Harman Kardon (HK) sound system VIN 5XX. I've attached an image of the headset sticker and amp sticker. I want to run a new ground to the amp and headset and want to make sure that the wires are correct. Thank you for your help.
Mar 10, 2021 at 7:10 PM (Merged)
Avatar
DANNY L
  • CERTIFIED EXPERT
  • 5,648 POSTS
Hello, I'm Danny.

Here is the wiring diagram you've requested. I've cut the pictures in half so you can view larger. Your audio diagrams don't specify Harmon Kardon specifically so I've attached a picture below of all the systems that were available. Let me know if this wasn't the right one and we'll try others. Hope this helps and thanks for using 2CarPros.
Mar 10, 2021 at 7:10 PM (Merged)
Avatar
SLOWRIDE45
  • MEMBER
  • 6 POSTS
Thank you for the diagrams, those look correct. Since everything that I've researched leads me to a ground issue with the amp, should I install a new ground for the amp to the car's chassis or run a new line straight to the battery? Great YouTube videos btw, I have subscribed.
Mar 10, 2021 at 7:10 PM (Merged)
Avatar
DANNY L
  • CERTIFIED EXPERT
  • 5,648 POSTS
Hello again.

There wouldn't really be a reason to run a new wire all the way to the car battery. Just check the wire to see if it's loose, broken, melted, etc. If you feel like replacing just be sure it has a good connection. Let us know if you have any further questions on this and keep us updated. Hope this helps and thanks again for using 2CarPros.

Danny-
Mar 10, 2021 at 7:10 PM (Merged)
Avatar
SLOWRIDE45
  • MEMBER
  • 6 POSTS
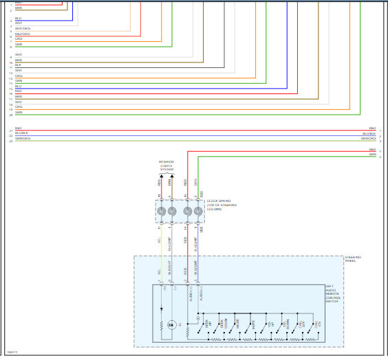
Hi Danny, sorry to trouble you but by chance do you happen to have any higher quality images of the ones you originally sent? I tried to zoom in on the images and it's all blurred. Printing the image is even worse. I'm trying to identify constant power sources, switched power sources and all grounds to take measurements (reference points) when the system is working to compare them when the system is not working to hopefully pin point the fault location/wire. Thank you
Mar 10, 2021 at 7:10 PM (Merged)
Avatar
DANNY L
  • CERTIFIED EXPERT
  • 5,648 POSTS
Hello again.

I blew the picture wiring diagrams up larger for you and attached again below. Hope you can view these as larger. Let me know if these work. Thanks again for using 2CarPros.

Danny-
Mar 10, 2021 at 7:10 PM (Merged)
Avatar
SLOWRIDE45
  • MEMBER
  • 6 POSTS
Heck yeah, perfect quality. Thank you so much!
Mar 10, 2021 at 7:10 PM (Merged)
Avatar
DANNY L
  • CERTIFIED EXPERT
  • 5,648 POSTS
You're welcome!

Keep us updated as to your progress. Let us know also if you have any further questions on this issue. Thanks again for using 2CarPros.

Danny-
Mar 10, 2021 at 7:10 PM (Merged)
Avatar
SLOWRIDE45
  • MEMBER
  • 6 POSTS
Hi Danny,

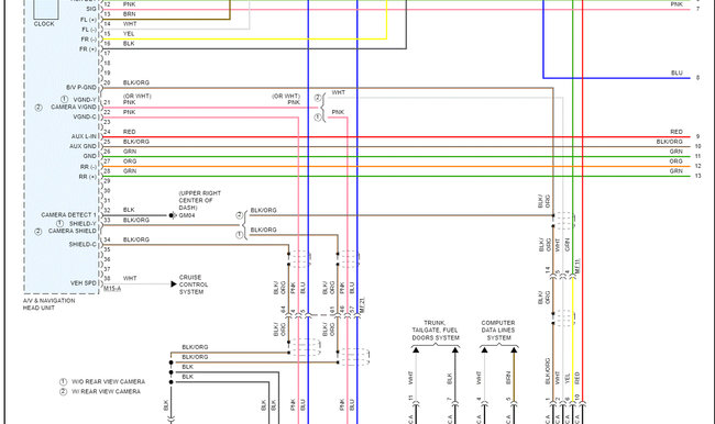
Can you please help me out with the pinout diagram for my radio? I attached image of the tag on my radio. i also added the the pinout for the amp in case someone else needs it to match up to the wiring diagram you provided.

I've changed the headset (radio) and the amp and continue to experience the occasional sound blackout . I connected a new ground to the amp via chassis in case it was a grounding issue and and tested all power to the amp when the system is working and again when the the system has failed (blackout). There is no power loss during the blackout.

I've looked for the complete wiring harness from the headset to the amp so I could just change it out but have had no luck finding it.

Thanks.
Mar 10, 2021 at 7:10 PM (Merged)
Avatar
DANNY L
  • CERTIFIED EXPERT
  • 5,648 POSTS
Hello again.

Since you've testing the wiring and are getting power to everything during the sound blackout are you sure there isn't something wrong with the actual unit? Sounds like it might have an internal wiring or circuit issue. Was the amplifier added afterword or been there all along? Let me know and we'll go from there. Thanks again for using 2CarPros.

Danny-
Mar 10, 2021 at 7:10 PM (Merged)
Avatar
SLOWRIDE45
  • MEMBER
  • 6 POSTS
Hello Danny,

This is an OEM Harman Kardon sound system. I first thought it was the amp and changed it out with a new OEM amp. The problem still occurred. I then changed the head unit (radio) with a new OEM replacement. The problem still occurred. I ran a new ground to the amp and that was no help.

Do you happen to know if there is a data/wiring interface between the head unit and the amp? Maybe that has been the culprit all along. This issue is literally the stick that's poking the bear... I'm ready to gut out the inside of the car in order to follow the harness from point a to point b Argh!!

Thanks again for all of your help and have a wonderful Thanksgiving.
Mar 10, 2021 at 7:10 PM (Merged)