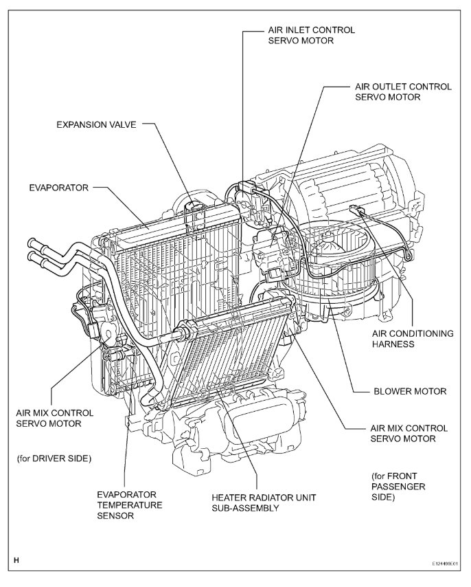
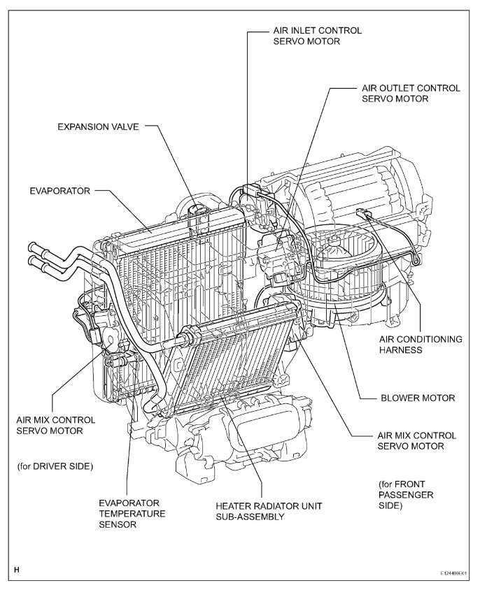
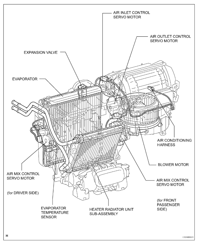
Replaced thermostat with new one from NAPA.Both lines going to heater core are hot, no smell or fogging with the heater core.Plenty of coolant.The blend door is moving up and down when switching from cold to hot, although it does appear to be moving slowly. Still cold air.. Please, any other ideas? Thanks
Dec 16, 2020 at 9:25 AM













