Sorry for the delay. Just got back from deer hunting for the first time.
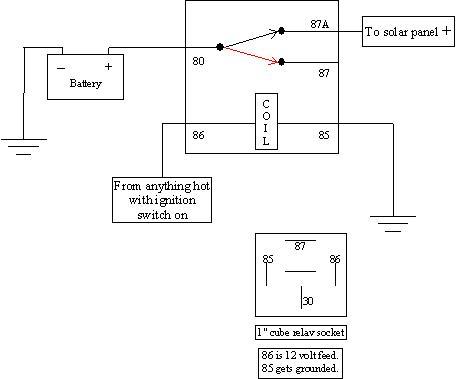
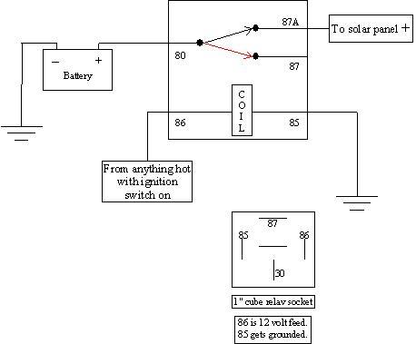
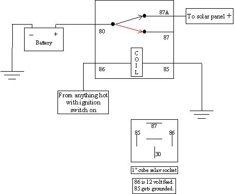
This is the very common 1" cube relay used on many Chrysler and Ford vehicles. Terminal 87A is rarely used. In the diagram, the relay is shown in the at-rest, or turned-off position. Terminals 30 and 87 are making contact. 80 goes to the battery positive post, (or to anything in the fuse box that is always live). 87A goes to the positive wire of the solar cell. Current will flow from the solar cell into terminal 87A, to terminal 80, and to the battery positive terminal.
When the ignition switch is turned to the "run" position, the magnetic field from the coil pulls the movable contact from 87A to 87, (shown in red). 87 is what is used normally to turn something on, but in this case, since it's not connected to anything, it is turned off. No current will flow to or from the solar cell.
On many relays the ground and 12 volt feed wires to terminals 85 and 86 can be switched and it will work just fine, but these have a spike suppression diode added across the coil to short out those spikes that occur when the coil current is switched off, just like in an ignition coil. Diodes are one-way valves for electrical current and these are in the circuit backward so they conduct no current. Reversing the two wires will cause unlimited current to flow and the diode will instantly overheat, short, and smoke. The diode will either burn open, at which time the relay will work normally, or it will draw high current and blow the fuse for the circuit feeding the 12 volts to it in the "run" position. You may be able to pop the cover off and see the diode inside, and cut one or both ends of it, or just fetch another relay and wire it correctly. You'll find a half dozen in every car in the salvage yards.
You don't need a socket for this relay. Just use four crimp-on solderless terminals on the end of the wires, or you can just solder the wires to the terminals.
Aug 11, 2020 at 5:08 PM
(Merged)