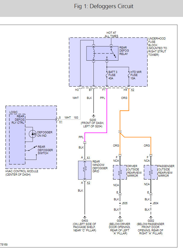
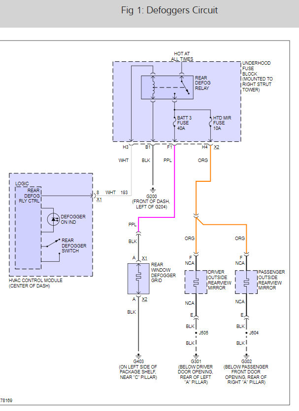
My rear window defroster is not working when I push the button the light comes on but nothing happens any ideas on the problem? Where is the connection plug in at the window, in the car or inside the window?
Dec 27, 2010 at 11:17 AM


















