Why does the battery drain down?

2006 DODGE RAM
2WD • AUTOMATIC
Avatar
RPORTER842
  • MEMBER
  • 2 POSTS
The batteries on my 2006 Dodge Ram Diesel run down after a couple of days. I checked the amp draw on the fuses and found that the fuse labeled IOD-CNN/Radio/Under Hood Lamp/WCM/SDARS/HFM was fluxuating between 1 amp and 2.5 amps with ignition off, doors closed and hood lamp removed. What do the abreviations for this fuse mean and is the fluxuation normal?
Aug 24, 2011 at 2:20 AM
Advertisement
Avatar
HMAC300
  • CERTIFIED EXPERT
  • 48,601 POSTS
it does that because it keeps the memory in your radio alive and clock running so you don't have to reset it everytime you turn the key on. This guide can help

https://www.2carpros.com/articles/car-battery-dead-overnight

Please run down this guide and report back.
Aug 24, 2011 at 3:22 PM
Avatar
RPORTER842
  • MEMBER
  • 2 POSTS
The guide showed me it was the fuel pump relay stuck on, thank you.
Aug 26, 2011 at 3:21 AM
Advertisement
Avatar
GOLDNUGGET
  • MEMBER
  • 5 POSTS
I have rebuilt two alternators and bought a new one. All three have the same problem(Denso 160 amp presently in the PU, Bosch 130 amp and TYC 130 amp). I think I have ruled out the alternator as the problem. The situation is at start up the alternator reads 14.45v. As I drive the PU throughout the day the voltage starts dropping slowly 14.4, 14.3 14.2...13.9v. Steady voltage is wanted. 14.7 to 13.7v about the limit range. I am going to list what has been tested.
- Battery keeps the charge after couple of hours sitting with everything off on the PU is 12.67v. PU starts with no problem. A night of sitting the battery was reading 12.4v in the morning. After testing parasitic mA drain, found out about fuse 51 drawing 1000 mA! I pull the fuse to stop the drain. This a factory set up to keep radio, in cabs lights and bells and whistles ready. Poor design. I thought this would help my situation to no avail. This why the 12.4v read on the battery.
- At idle, Alternator +B post and positive battery post read the same 14.12v.
- At idle, negative side to alternator frame(gnd) 14.12v. Same as the +B read.
- Cleaned all (3) ground connections which lead from the negative battery terminal.
- Checked all negative and positive wires from alternator to battery.
- Engine at 1500 rpm and everything turned on lights, AC, mirror heaters, radio etc.. measured the positive side of the alternator at 95 mV and negative side 106 mV.
- Checking for parasitic drain (mA), isolated the 1.0 amp drain the PU had about 20 mA drain read.
Jun 23, 2021 at 6:58 PM (Merged)
Avatar
SCGRANTURISMO
  • CERTIFIED EXPERT
  • 4,897 POSTS
Hello,

Okay, so the fuse that had a 1 amp parasitic draw on it is not the problem. The problem, is however, on the circuit, or one of the circuits, that that fuse is protecting. Can you tell us which fuse you got the reading from, and we can provide you with the wiring diagrams of the circuit(s) that the fuse is protecting so you can track down the parasitic draw problem.

Thanks,
Alex
2CarPros
Jun 23, 2021 at 6:58 PM (Merged)
Avatar
STEVE W.
  • CERTIFIED EXPERT
  • 15,113 POSTS
As Alex said you need to look at the circuit that fuse 51 powers. However as for the voltage drop from the alternator, that is normal. At initial start up the alternator puts out a higher amperage and voltage to bring the battery back to full charge. Then it will slowly taper the voltage down as the battery reaches full charge. 20mv is a normal drain for the ECU and clock. As for the high drain item, I would start by unplugging the modules one at a time, the hands free modules are a known failure item as are the radios.
Jun 23, 2021 at 6:58 PM (Merged)
Avatar
GOLDNUGGET
  • MEMBER
  • 5 POSTS
So far I have removed the underhood lamp to be cleaned. Bulb is gone. Need to replace. Now for the other modules I have not pulled the connections. Where exactly is the Free Hands Module to be found behind the front dash panel of the PU? As the schematic shows " behind left side of dash"? What does the Free Hands module look like so be easier to find?
Jun 23, 2021 at 6:58 PM (Merged)
Avatar
DOCFIXIT
  • CERTIFIED EXPERT
  • 18,828 POSTS
as Steve said voltage from alt will go down after start up as battery is charged to capacity then alt reduces. As long as charging voltage stays 1.5v higher than full battery voltage all is good.The 12.4v after sitting overnight leads to suspect battery. Have a load testdone on battery
Jun 23, 2021 at 6:58 PM (Merged)
Avatar
GOLDNUGGET
  • MEMBER
  • 5 POSTS
Understand this correctly. Battery is fully charged at 12.7 v plus higher voltage 1.5 v = 14.2 v. So, if charging is at 13.9 v then I have a problem? I have had this voltage reading this week on the Dodge ram. Most of the time the alternator is between 14.0 - 14.1 v. Will this work at these levels? Also, with the 12.4 battery reading in the morning, the PU has a 1000 mA drain from fuse 51. Was asked to unplugged the Free Hands Module first in that circuit to find which module has the amperage drop. Under the dash, knowing where to look and what it looks like would be a great help. I am guessing, is behind the radio or same area?
Jun 23, 2021 at 6:58 PM (Merged)
Avatar
HERB DUNCKER
  • MEMBER
  • 1 POST
I have dodge diesel 3500. Battery dies after 3 days of sitting. Replaced w/2new battery's no improvement. When I first crank up the truck amp gauge showing a load about a 13volts after couple mins, of runing. Alternator goes to no load at 14+ volts. I thought it was voltage regulator at this point, so I changed alternator. Same problems. Shows load and goes to no loads. Battery Still dies.
The only none factory item on the truck is extra fuel tank which has 12volt switch over. I just want to mention this so you'll have all the info.
Appreciated very much for your help. Thanks, Herb
Jun 23, 2021 at 6:58 PM (Merged)
Avatar
CARADIODOC
  • CERTIFIED EXPERT
  • 34,306 POSTS
Hi herb duncker. Welcome to the forum. The voltage regulator lives in the Engine Computer, not the alternator, but regardless of its location, it is working properly. What you are seeing is it working to recharge the batteries after they've drained excessively. Many years ago we would remove the battery negative cable and insert an ammeter to measure the drain, but that no longer works because it takes up to 20 minutes for some computers to go to "sleep mode". During that time it is common for them to draw very high current that would damage most meters or blow internal fuses in digital meters.

Instead, you will have to remove fuses to see which circuit(s) are draining the battery. To kill them in three days requires a pretty substantial draw. That can be measured with test equipment with an inductive pickup that can be placed around one of the main battery cables.

In particular, suspect the Central Timer Module (CTM) is not turning off. That's the counterpart to Ford's very troublesome Generic Electronic Module (GEM).

caradiodoc
Jun 23, 2021 at 6:58 PM (Merged)
Avatar
GOLDNUGGET
  • MEMBER
  • 5 POSTS
Had the alternator and battery ck'd. Alternator is working fine and the battery passed the load test. Running at 14.0 to 14.1 v is normal as mentioned. My attention will be finding the 1.0 amp drain on fuse 51. Had look see under the steering wheel with the one panel removed and couldn't see anything that is Free Hand Module. Behind the radio?
Jun 23, 2021 at 6:58 PM (Merged)
Avatar
SCGRANTURISMO
  • CERTIFIED EXPERT
  • 4,897 POSTS
Hello again,

As both Steve and Doc said, the voltage regulator will bring the voltage down to keep the battery from being overcharged. Remember your vehicle's battery only has 6 cells in it, each one should hold a 2.1 Volts charge for a grand total of 12.6 Volts. I have a quick question for you, does your vehicle have the premium audio in it?

Thanks,
Alex
2CarPros
Jun 23, 2021 at 6:58 PM (Merged)
Avatar
GOLDNUGGET
  • MEMBER
  • 5 POSTS
No. It is all basic stuff. Radio/ CD player and speakers in the doors. I bought the PU used. Not sure what it now has and what it did have. It has a trailer towing package. That's it. All standard stuff. Thanks for heads up on the battery and alternator reminder. Still trying to find the drain on fuse 51. Was the Free Hands Module standard with all 05 Rams PU? What I can find on U tube that the FHM is a small metal box with a multi pin plug in the back of it. If so, I don't think I have one. I looked from HVAC to the driver side door under the dash.
Jun 23, 2021 at 6:58 PM (Merged)
Avatar
STEVE W.
  • CERTIFIED EXPERT
  • 15,113 POSTS
It is an option on them. If you have it the module would be on the passenger side to the right of the glove box. You would also have a special rear view mirror with microphones to allow voice controls.
Jun 23, 2021 at 6:58 PM (Merged)
Avatar
BIGBRIG18
  • MEMBER
  • 2 POSTS
I have a brand new battery, it keeps going dead. I noticed i am getting a buzzing sound coming from the instrument cluster. So i disconnected the negative battery cable and put a test light in between cable and battery and it lights up.Pulling all fuses including fuse 51 no change.
So i took a volt meter and checked for voltage at the disconnected negative battery terminal and found 6.2v. I removed instrument cluster and disconnected 26 pin gray connector and voltage went away. I looked at some posts and every one was saying horn pad. so i disconnected horn wire from pad and i still have 6.2v with cluster connected. So my best guess is the cluster has some internal short.
Has anyone ran into this problem?
Thank you
Jun 23, 2021 at 6:58 PM (Merged)
Avatar
STRAILER
  • CERTIFIED EXPERT
  • 53,854 POSTS
Hello,

This is common when the clusters go bad. here is a video of the job being done in a similar car with instructions in the diagrams below to show you on your car:

https://youtu.be/_HEC44xENxw

This guide may help as well:

https://www.2carpros.com/articles/car-battery-dead-overnight

Check out the diagrams (below). Please let us know what happens.

Jun 23, 2021 at 6:58 PM (Merged)
Avatar
BIGBRIG18
  • MEMBER
  • 2 POSTS
Thank you Ken.
I replaced cluster before i received you response and that did solve the problem. The video had good information,i'll keep that for the future. Thank you again for your help.
Jun 23, 2021 at 6:58 PM (Merged)
Avatar
STRAILER
  • CERTIFIED EXPERT
  • 53,854 POSTS
Nice work, we are here to help, please use 2CarPros anytime.
Jun 23, 2021 at 6:58 PM (Merged)
Avatar
JOEZDAD
  • MEMBER
  • 2 POSTS
i have a parasitic draw of a little more than an amp that i have traced to the center plug on the instrument cluster. unplug center plug and no draw. also the horn is constant on. unplug center plug and no horn. tried disconnecting the forward control module that houses the horn relay and also no horn. still have parasitic draw. pull horn fuse and also no horn. still have parasitic draw. took it to a shop and had an electrical expert look at it with no luck. he tried a used cluster with no change. unlikely both clusters have the same problem but not impossible. any help?
Jun 23, 2021 at 6:58 PM (Merged)
Avatar
WRENCHTECH
  • CERTIFIED EXPERT
  • 20,761 POSTS
I would suspect a TIPM here is how to replace it in the diagrams below. Check out the diagrams (Below). Let us know what happens and please upload pictures or videos of the problem.
Jun 23, 2021 at 6:58 PM (Merged)
Avatar
JOEZDAD
  • MEMBER
  • 2 POSTS
that fixed it thanks this site is wonderful!
Jun 23, 2021 at 6:58 PM (Merged)
Avatar
JEFFZKY
  • MEMBER
  • 4 POSTS
Hi, my truck has a battery draining problem. if fuse 51 is not unplugged overnight, i risk the chance of my battery being drained in the morning.

Next, had it to Dodge dealership, after technician going through it, determined that the instrument cluster is bad and needs replaced. an expensive $950.00 retail.

I opted out for a used one for $200.00. However, I have changed it over to this one and still have the battery drain problem of 1.0 amp on fuse 51 when i check. it is at a proper range of 0.11 amps when fuse 51 unfused.

Whats the likelihood of having two failed clusters now in row?

So to take step farther. On back of instrument panel when changing it had three connections on back for cluster one (white 26 way), cluster two (grey 16 way) and cluster three (grey 26 way).

After testing both clusters (original and used one), plugging in just various connections. I have determined when I keep cluster three (grey 26 way) unplugged from back of instrument panel, on both of the clusters. the draw on fuse 51 is proper (not the 1 amp draw)..

Does this mean for sure that both instrument panel clusters are bad altogether or maybe an element that cluster three (grey 26 way) controls may be draining and be the problem. Or is it the instrument panel responsible for turning off all power to those elements when turning off vehicle?

Also, one of the elements listed for cluster three connection on this website: http://www.justanswer.com/dodge/7wjkk-dodge-ram-1500-need-wiring-diagram-instrument.html is a horn switch sense. And i currently have a horn problem. it works yes, but i have to keep the horn fuse unplugged in the fuse panel or the horn will constantly honk a continuous honk. Could this be related to the instrument cluster three problem?

I just find it extra hard to believe that i have now tried two instrument clusters and this cluster three (on back of instrument cluster) is the issue with both? Any help or suggestions? I am getting tired of having to unplug fuse 51 every night. :(

Thank you:)
Jun 23, 2021 at 7:01 PM (Merged)
Avatar
JACOBANDNICKOLAS
  • CERTIFIED EXPERT
  • 110,175 POSTS
Since the problem goes away when you do not plug the one in, it sounds like there is an internal short in the cluster. However, there could also be a short in the wiring harness to the cluster. By plugging it in, you may be completing a circuit that is shorted. Have you checked the wiring itself? As far as the horn, I doubt that the two are related since they are on different circuits.
Jun 23, 2021 at 7:01 PM (Merged)
Avatar
JEFFZKY
  • MEMBER
  • 4 POSTS
Lets say there is a short in the wiring harness, would this leave for the chance of one of the elements on cluster three connection, having a short itself and not working properly (like door ajar sensors, etc.) or more so a rip in one of the wires . I have inspected what I can see of the wires, and they seem fine. Is there a good way to check for shorts by testing the actual connector for higher readings? So I assume unless the cluster has an internal short (both clusters that I now have) but the possibility remains that the cluster does not shut everything off, and can have a drain from an element connected to the cluster three? Why would Dodge dealership say it was for sure the cluster, without regarding the fact of poor wires plugged into it. Did they not test wires/connectors or do they know it does not matter? Probably wanted me to buy there pricey cluster and have it installed to only tell me that to make fully work, had to buy more stuff and then not tell me that cluster was okay anyways?
Jun 23, 2021 at 7:01 PM (Merged)
Avatar
JACOBANDNICKOLAS
  • CERTIFIED EXPERT
  • 110,175 POSTS
I cannot be sure how they checked and determined the cluster as the problem. However, since the electrical draw occurs when you plug in that portion, either there is an internal short in the cluster or upon making the connection, there is a draw from another portion of the then completed circuit.
Jun 23, 2021 at 7:01 PM (Merged)
Avatar
JEFFZKY
  • MEMBER
  • 4 POSTS
Okay. I just spent today going and getting a third new instrument cluster panel to try in order to hopefully rule it out as problem. And the same thing. Battery draw still on that cluster three connector. So I now totally feel it cannot be the cluster (even though dodge dealership says this) and now feel it must be one of the components that run up that particular wire harness? What is my best way to figure out? Any way to check the connector end for battery draws with multi-meter or anything? How do I find the drain at this point?
Jun 23, 2021 at 7:01 PM (Merged)
Avatar
MRPKBOYLE
  • MEMBER
  • 1 POST
Hello. Did you every figure this out? I am having the same issue. Horn too.
Jun 23, 2021 at 7:01 PM (Merged)
Avatar
MYNAMEAGAIN
  • MEMBER
  • 2 POSTS
Hi, I am having the exact same problem. Any fixes? I finally got the horn to stop blowing by replacing the front control module. (FCM) But I still have the parasitic draw on the battery. Please reply with any ideas.
Jun 23, 2021 at 7:01 PM (Merged)
Avatar
MYNAMEAGAIN
  • MEMBER
  • 2 POSTS
I forgot to mention that the battery draw is going through fuse 51, which is the instrument cluster and radio fuse. I completely disconnected the cluster and the radio and the draw was still there. If I remove fuse 51, the draw goes from 1.07amps to 0.07amps, which is okay, I think.
Jun 23, 2021 at 7:01 PM (Merged)
Avatar
STRAILER
  • CERTIFIED EXPERT
  • 53,854 POSTS
Hi,

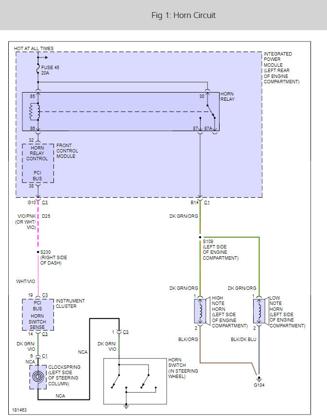
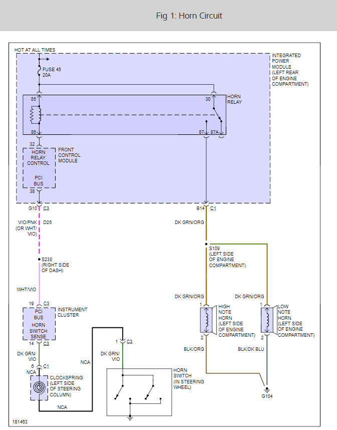
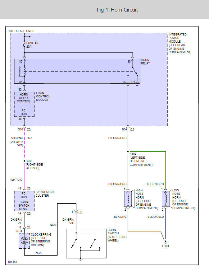
I have found the wiring diagram so we can unplug and remove some items to figure out what is going on. I do not see anyone coming back with a conclusion so lets get this fixed.

Here is a wiring diagram and fuse box ID. it says there is a horn relay but I do not see it. If you can unplug the horn wiring and then have someone listen for with relay clicks when you plug it back in we can find it.

Please let us know what happens.

Cheers, Ken
Jun 23, 2021 at 7:01 PM (Merged)
Avatar
DBONE28
  • MEMBER
  • 6 POSTS
I have recently had problems with the battery dying on me after the car sits for 16+ hours approximately. I have checked the alternator and replaced the battery figuring it to be the problem. I know the mileage display stayed on after turning the engine off and figured it turned off when the headlights did. When I get in the truck it was on but I assumed it was automatic after opening the door like some other vehicles out there. It was only when my brother pointed out to me that it was on in the middle of the night even though no one had been in it for hours.

So I am assuming this is partially responsible for the battery being drained. I am assuming there is actually more running than just the display and would really love to avoid taking this to the shop and be charged hourly for electronic diagnostics which is out of control. Any suggestions?
Jun 23, 2021 at 7:01 PM (Merged)
Avatar
KHLOW2008
  • CERTIFIED EXPERT
  • 41,814 POSTS
Guess you must be comfortable with a test lamp. Get one and test the # 7 fuse ( 10 A ) in fuse block, left end of dash. When ignition is OFF, there should be no voltage available.

If it is correct, the job would get more complex. You would need to test the Yellow/Red wire of meter cluster wire connector A terminal # 7. There should be no voltage with ignition OFF.

Both above should have voltage with ignition switch turned to ON.

If voltage is available at either or both of above, the ignition switch is not cutting off even though the key has been removed.

Check the above and let me know what you find.
Jun 23, 2021 at 7:01 PM (Merged)
Avatar
JEFFZKY
  • MEMBER
  • 4 POSTS
Hi all people that have responded. I originally posted this issue three years ago and am surprised with all that have been contributing and continue to but yet still a 100% solution has not been arrived to yet. Now as for it goes for me, I do not own the vehicle anymore so cannot do any further testing. However, what I did do to bypass for the remaining length of time I owned it was that I ran a wire to fuse panel and attached a switch inside the truck to turn on/off fuse 51 manually when I was finished using truck for the day. It was okay as long as I did not forget to flick the switch but sure beat lifting the hood every evening and pulling out the fuse and then doing the same come next morning. Also, the remote door locks would not work when switch was off (on same fuse) so I had to key myself in the next time using truck. Best of luck to all!
Jun 23, 2021 at 7:01 PM (Merged)
Avatar
DBONE28
  • MEMBER
  • 6 POSTS
I will check that as soon as I get home here in a bit. One more thing I just noticed was my key can be taken out of the ignition at any time in any position. It can be running and it pulls out. It starts n shuts off fine but was wondering if that could have anything to do w it.

Thanks for responding. First time on here and didn't know how much to donate. Will have more if I can get this solved without spending an assload of money.
Jun 23, 2021 at 7:01 PM (Merged)
Avatar
JIMMY WOODWARD
  • MEMBER
  • 1 POST
Hey everyone. Here is what fixed my problem. It appears that the actual horn pad was the issue. I removed the airbag, and disconnected the horn wire from the back of the airbag. Did this a few months ago. Installed fuse 51 and no battery drain since. Only problem is I do not have a horn. I am on the lookout now for a decent priced airbag assembly or a compete steering wheel assembly. The horn pad cannot be replaced easily at all.
Jimmy
Jun 23, 2021 at 7:01 PM (Merged)
Avatar
KHLOW2008
  • CERTIFIED EXPERT
  • 41,814 POSTS
Yes, the key could be the cause. When it is removed, the ignition remains on if it is not turned to the locked position and this can cause the battery drain.
Jun 23, 2021 at 7:01 PM (Merged)
Avatar
TRUCKER 76
  • MEMBER
  • 1 POST
Hi all.
2005 Dodge 3500, Cummins - 1.7 amp parasitic draw on the battery. opening circuit 51 would solve the problem as above. In my case leaving the amp meter in line for a period of time ( a twenty one count to be precise) and the draw would go from 1.7 amps to .020. After some local, and online searches, i believe the computer modules talk to each other and finally unload the draw. Hoping this may be of value to others.
Jun 23, 2021 at 7:01 PM (Merged)
Avatar
DBONE28
  • MEMBER
  • 6 POSTS
So I finally had a chance to check the fuse box since my test lamp went missing. I have no fuse box inside the truck. Only under the hood. The #7 fuse is 50 and goes to power seats (which I do not have). I am not sure what you were wanting me to check (what you thought the #7 was). Please let me know what you suggest next
Jun 23, 2021 at 7:01 PM (Merged)
Avatar
STEVE STAVISKY
  • MEMBER
  • 1 POST
As I posted above some months ago, It is the horn pad that causes this drain. The horn pad/airbag skin can be replaced, but they are approximately $400.00 from Mopar, and unreliable to be purchased used. Please read all the comments above before posting, the answer is indeed contained above. In one of my comments there is a link to a video that shows how to remove/replace the skin, and it also shows you how to disconnect the horn switch connector if you just want to stop the drain and don't want to spend the money for a new horn pad.
Jun 23, 2021 at 7:01 PM (Merged)
Avatar
KHLOW2008
  • CERTIFIED EXPERT
  • 41,814 POSTS
Do you have this cover at end of dash ?


https://www.2carpros.com/forum/automotive_pictures/192750_FuseBlock03RamFig01_1.jpg

Is your model RAM Van or pickup?
Jun 23, 2021 at 7:01 PM (Merged)