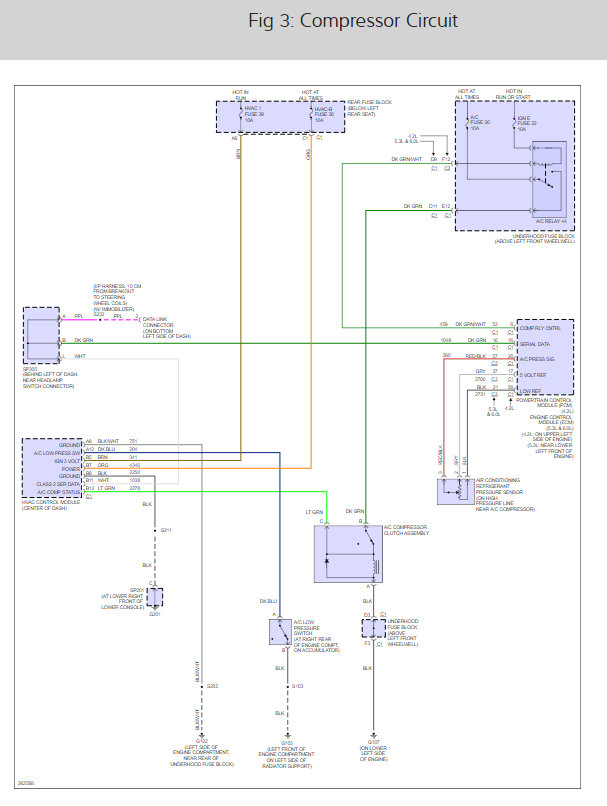
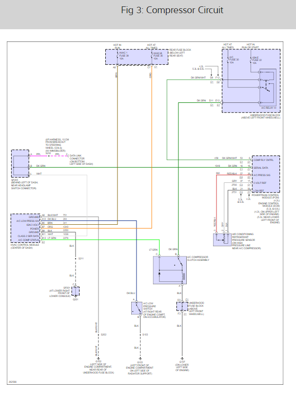
try this ,here is a bulletin for this problem.I know I answered this same problem somewere in the trailblazer section,but here is the bulletin.Diagnose for loss of battery voltage to the rear fuse block on circuit 300 ORN for the following fuses:
Note: Prior to proceeding forward with the information below, it is important to verify the voltage as indicated however it is equally important to verify the integrity of each circuit. This can be achieved by performing a voltage drop test or by adding a device to each circuit that will supply sufficient load to verify the circuits integrity.
HVAC 30A, 4WD 15A, HVAC 1 10A, BRAKE 10A, TBC RUN 3A.
Check circuit 300 ORN for battery voltage when the ignition key is in the RUN position.
Check for battery voltage at the rear fuse block under the rear seat Connector C1 pin D9.
If battery voltage IS NOT present at these locations, check for voltage at the ignition switch pin G for circuit 300 ORN.
If battery voltage IS present at the ignition switch pin G, check circuit 300 for an open.
If battery voltage IS NOT present at the ignition switch pin G, replace the ignition switch.
post back with what you find.
Mar 4, 2019 at 6:08 PM
(Merged)