Dec 2, 2017 at 2:57 PM
(Merged)
Engine will not crank over when I push start button nothing?
2006 CADILLAC STS
Advertisement
Have it towed to the dealership to have them unlock the computers. That is a trick designed in to cost owners money after the sale. You must never disconnect the battery to replace it or let it run drained on newer GM's, Volkswagen's, or BMW's. It is one of the many customer-unfriendly business practices that is losing them so many repeat buyers.
When I push the start button nothing happens then seconds later everything comes on as if the car is running. But it is not and I do not even hear a click. The battery is good, I have never seen these conditions. I also tried swapping the starter relay with an identical one still nothing. I am thinking of changing the push button, but I am not sure it is worth the time. Have you all seen this before? If so please show me the way.
Dec 2, 2017 at 2:57 PM
(Merged)
Advertisement
Hi MARTY,
This is a classic battery cable connection problem. what happens is the connection is corroded or the battery cable is bad. When you try to pull electrical l power through it shuts down, then when it cools it connects again.
Here is a link that will help you:
https://www.2carpros.com/articles/everything-goes-dead-when-engine-is-cranked
Let me know what you find.
Best, Ken
This is a classic battery cable connection problem. what happens is the connection is corroded or the battery cable is bad. When you try to pull electrical l power through it shuts down, then when it cools it connects again.
Here is a link that will help you:
https://www.2carpros.com/articles/everything-goes-dead-when-engine-is-cranked
Let me know what you find.
Best, Ken
Dec 2, 2017 at 2:57 PM
(Merged)
Hi Ken,
Thanks for your reply. I checked the terminals the first day the problem started they were clean, but I will check again and clean. If it is not the source of the problem what should I check next?
Thanks for your reply. I checked the terminals the first day the problem started they were clean, but I will check again and clean. If it is not the source of the problem what should I check next?
Dec 2, 2017 at 2:57 PM
(Merged)
I would double check the battery, do a load test. Here is a link to show you how:
https://youtu.be/oHTbC73FAgU
if it fails install a new one, sure sounds like a battery problem.
https://youtu.be/oHTbC73FAgU
if it fails install a new one, sure sounds like a battery problem.
Dec 2, 2017 at 2:57 PM
(Merged)
Starter not getting command to crank the engine. Car is virtually brand new, covered 2,000 km only . Car was running fine regularly , despite showing message " service theft system " (Have been running on smaller Battery of 45 amps .) Did not use car for three days . On fourth day , started the car but engine was sputtering , and screen said engine power reduced . Turned the engine off. Restarted after half an hour , started okay, ran smoothly around the block . After couple of hours , engine refused to crank. All accessories working. Have tried jump starting, but it did not work. Changed to bigger battery also. Checked all fuses and relays all okay. DIC display still says "service theft system".
Dec 2, 2017 at 2:57 PM
(Merged)
sounds like the starter has failed by what you say. even after repairing, you still need to address the security issue as it could be an issue as well.
Roy
Roy
Dec 2, 2017 at 2:57 PM
(Merged)
Did that test , took out the relay and made direct connections, the engine cranked.
So the starter and solenoid are working .
It seems to be in immobilized mode .
Please suggest some remedy .
Thank you Mr Roy.
So the starter and solenoid are working .
It seems to be in immobilized mode .
Please suggest some remedy .
Thank you Mr Roy.
Dec 2, 2017 at 2:57 PM
(Merged)
it is a security issue. did you try another key?
Roy
Roy
Dec 2, 2017 at 2:57 PM
(Merged)
It is late at night in India right now , will change the batteries in the other key tomorrow and try. Any precautions to take before changing the battery of the FOB ?
Dec 2, 2017 at 2:57 PM
(Merged)
not the fob, it is the security system in the car itself.
Roy
Roy
Dec 2, 2017 at 2:57 PM
(Merged)
Today After putting a 80 amp battery, the engine fired up but was doing some missing and DIC display said 'reduced engine power' so I turned it off. the engine light was steadily on when the engine was running.
Tried restarting it after a while but it did not crank at all and now we are back to the same point.
Tried restarting it after a while but it did not crank at all and now we are back to the same point.
Dec 2, 2017 at 2:57 PM
(Merged)
What is wrong with my car if the lights all come on in the car but it will not start or turn over when pressing the button? Shortly after driving it we went to start it again and it would not start. Tried jumping it and did no good.
Dec 2, 2017 at 2:57 PM
(Merged)
The first thing i would do is have your battery tested and make sure your battery cables are clean and tight. Do you have a multi-meter to do some testing? You could have a bad starter.
Dec 2, 2017 at 2:57 PM
(Merged)
This is a wonderful article, given so much information in it. These type of articles keeps the users interest in the website, and keep on sharing more. Keep it up. Best auto repair mechanic shop.
Aug 10, 2018 at 6:31 PM
Thank you so much. We are glad you like the site, we do too. :)
Aug 14, 2018 at 10:41 AM
I'm having a similar problem I have a 2005 Cadillac STS 3.6l and everything blacks out when I push the start button but it's fine before that no service light or code and I've replaced the starter alternator battery starter relay and the ignition switch I'm lost and trying to keep away from the dealership for now but it's looking like I'm going to have to take it. Any suggestions
Jan 28, 2019 at 6:17 PM
If everything goes dead it is a connection problem I would start by replacing the positive battery cable and cleaning the negative terminal. Here is a guide to help us with diagrams below to show you how to replace the cable:
https://www.2carpros.com/articles/everything-goes-dead-when-engine-is-cranked
Check out the diagrams (below). Please let us know what happens.
https://www.2carpros.com/articles/everything-goes-dead-when-engine-is-cranked
Check out the diagrams (below). Please let us know what happens.
Jan 29, 2019 at 11:34 AM
Also, if I use a jumper wire and go past the relay it will start.
Jan 29, 2019 at 1:11 PM
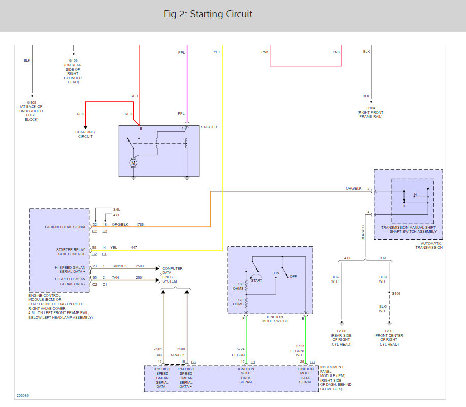
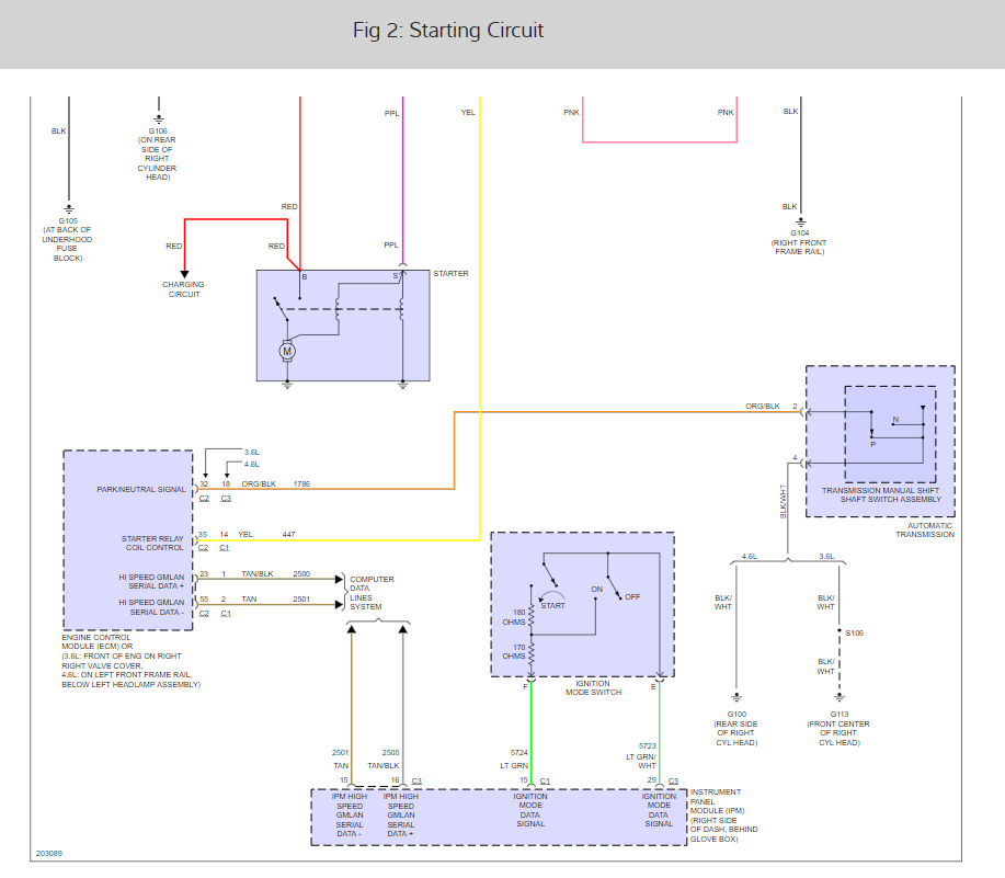
Is the security light flashing? Here is the starter wiring diagrams so you can see how the starter is wired. Can you please check the IGN1 relay? here is a guide and the location of the relay below:
https://www.2carpros.com/articles/how-to-check-an-electrical-relay-and-wiring-control-circuit
Check out the diagrams (below). Please run this test and get back to us.
https://www.2carpros.com/articles/how-to-check-an-electrical-relay-and-wiring-control-circuit
Check out the diagrams (below). Please run this test and get back to us.
Jan 30, 2019 at 9:57 AM
B1000 means internal fault with radio. Must replace the whole radio and it should fix the problem. That's what is drawing energy from battery and causing it to drain.
Dec 21, 2021 at 10:07 AM
Great info are you a tech?
Dec 21, 2021 at 10:09 AM










