Water pump replacement instructions please

2004 FORD RANGER
150,000 MILES
Advertisement
Avatar
SEANGRANT00
  • EXPERT
  • 334 POSTS
Yes you should be able to load them up on here


Here are some pictures of the system that are a little larger.

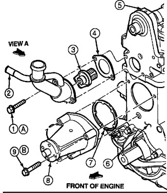
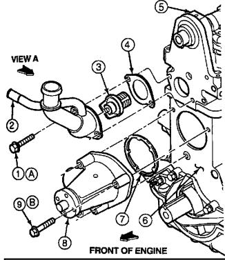
The gasket goes on the engine side.
Feb 25, 2021 at 11:36 AM (Merged)
Avatar
JB9550
  • MEMBER
  • 1 POST
first time replacing this, what is the proper way to remove fan an fan shaft assembly? the fan has a spring in front and I'm not sure how to remove the fan shaft. The new one is threaded where that goes on.
Feb 25, 2021 at 11:36 AM (Merged)
Advertisement
Avatar
IMPALASS
  • CERTIFIED EXPERT
  • 3,112 POSTS
Hello I have provided the info you requested. Also, please make sure so that we provide the correct information you provide all of the data for your vehicle, specific engine size by liter and the 8th digit of your VIN. Thanks Removal Remove the fan shroud or finger guard.


https://www.2carpros.com/forum/automotive_pictures/248015_1_32.jpg

CAUTION : This nut has a left-hand thread and must be rotated clockwise for removal. Remove the large nut which attaches the viscous clutch to the hub of the water pump shaft using Fan Clutch Holding Tool T84T-63 12-C and Fan Clutch Nut Wrench T84T-63 1 2-D. Remove the fan and clutch as an assembly. Remove the bolts attaching the fan to the clutch, if necessary. Installation


https://www.2carpros.com/forum/automotive_pictures/248015_2_22.gif

For installation, follow removal steps in reverse order. Tighten the fan-to-clutch bolts to 6-8 N.m (53-70 in-lb) CAUTION : This nut has left-hand thread and must be rotated counterclockwise for tightening. Tighten the fan clutch assembly nut to 40-135 N.m (30-100 ft-lb) .
Feb 25, 2021 at 11:36 AM (Merged)
Avatar
ALIADURFEE
  • MEMBER
  • 1 POST
Engine Cooling problem
1992 Ford Ranger Four Wheel Drive Automatic 128000 miles

Ok. I own a used 1992 Ford Ranger 4x4 with approx. 128,000 miles. Today I noticed that when I had stopped and started moving again, my mom and I heard what sounded more like water running down a drain. I got it home (barely) and there was some fluid leaking but not a lot, and the engine was overheating (my heat gauge doen't normally work when everything is working properly and it started to work when the engine was overheating). The antifreeze was pretty much gone but the oil is not the color of chocolate milk (thank goodness) and is at a normal level. I talked to my dad and he said it sounded like the water pump. My question is what is a reasonable price for a water pump repair done by a mechanic? I know the part itself isn't expensive ($16-$30), just the labor. And could one do it oneself and how difficult is it to do?
Feb 25, 2021 at 11:36 AM (Merged)
Avatar
JACOBANDNICKOLAS
  • CERTIFIED EXPERT
  • 110,175 POSTS
First, make sure the pump is the issue and not a bad hose. If the pump is bad, there is a weep hole under it where the coolant will leak from. As far as looking for the leak, refill the system (with just water because it will need replaced with coolant when you make the repair) and see if you can see the leak. If not, start the engine and allow it to warm up (not overheat) and see if it starts leaking then. If nothing is found, you will need to pressure test the system. Most parts stores will lend or rent the tool to you. It just screws onto where the radiator cap goes and is a hand pump that pressurizes the system. It there is a leak, you will see it when the pressure builds.

As far as a mechanic, it calls for around 3 hours labor to replace it. It isn't a hard job, but there are many parts that need removed to access it. If you get yourself a good manual at a parts store, you should be fine if you have the basic sockets, wrenches...

Let me know what you find or if you have other questions.
Joe
Feb 25, 2021 at 11:36 AM (Merged)