Mar 18, 2019 at 4:54 PM
(Merged)
cranking but not starting?
2004 CHRYSLER PACIFICA
Advertisement
2004 Pacifica has intermittent starting issue . Have put in a new relay,starter,and ignition switch as well as a new battery and the battery in the ignition key . It still has a 25% chance of not starting it just "clicks"as if the cables are loose , but I know that they are not. When it does start, it runs flawlessly, no hesitation,stalling,etc... it has 118,000 on it 3.5 L . Thank You
Advertisement
Same problem with my '04 Dodge, and it was a crankshaft position sensor that needed replaced.
Mar 18, 2019 at 4:54 PM
(Merged)
when i try to start my car i turn the key and nothing happens ... mno noise nothing but i have a good battery with full power....car started fine started it shut it off to run in house and cam =e back out to start it and nothing...?
Mar 18, 2019 at 4:54 PM
(Merged)
No crank at all/nothing/nada when key is engage to starting position
Could be the starter,starter relay,transmission position switch and ignition switch assuming the battery condition and connections are good. Note:If it doesn't apply disregard.
Could be the starter,starter relay,transmission position switch and ignition switch assuming the battery condition and connections are good. Note:If it doesn't apply disregard.
Mar 18, 2019 at 4:54 PM
(Merged)
we replaced the starter with another, try to start, lights come on nothing happens
Mar 18, 2019 at 4:54 PM
(Merged)
had same problem on my 2006,i unhooked the battery for about an hr went back rehooked and no problem ,that was about a month ago
Mar 18, 2019 at 4:54 PM
(Merged)
Where you able to resolve this?
Mar 18, 2019 at 4:54 PM
(Merged)
Changed front brakes now car won't start?
Mar 18, 2019 at 4:54 PM
(Merged)
What is the symptom? Did you disconnect the battery during the service?
Mar 18, 2019 at 4:54 PM
(Merged)
I have a 2006 Chrysler Pacifica 3.5L V6 FWD. I went to Michigan institute of technology for 2 years I have worked on hundreds of different vehicles and have never ran into a problem like I have now. I recently purchased a Pacifica and not even 200 miles after owning it my wife and I where driving it and the timing belt blew up and sent a pulley rod threw the side of the timing belt cover. I gave it to my buddy who is an ASE certified mechanic to fix (a lot more knowledge then me) after it was completely fixed got it back I put a brand new starter, fuel pump, battery, fuel rail, injectors, gaskets the whole 9 yards now I have never had this happen before but my car will crank for literally minutes and not catch and start but if I put it in N it will start every time now I checked the grounds I put a brand new neg to the transmission added a new ground checked the TIPM everything and I cannot get it to start normally my buddy said he’s heard stories of having to hook a computer up and having to do something but he couldn’t remember what it was. Does anyone know why or what to do or have had this problem before? I can add a video showing it if needed.
Apr 15, 2019 at 12:56 AM
Hello,
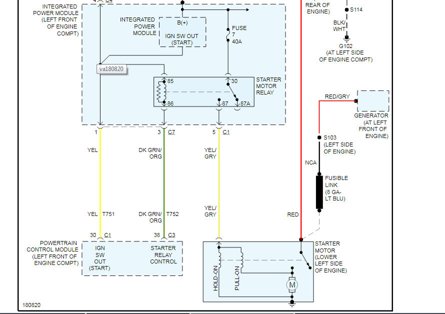
It sound like the PCM or gear range sensor is out. here is a guide to help test the wiring and the transmission wiring diagrams to see how the system works. If the wiring tests good replace the sensor.
https://www.2carpros.com/articles/how-to-check-wiring
Check out the diagrams (below). Please let us know what you find. We are interested to see what it is.
It sound like the PCM or gear range sensor is out. here is a guide to help test the wiring and the transmission wiring diagrams to see how the system works. If the wiring tests good replace the sensor.
https://www.2carpros.com/articles/how-to-check-wiring
Check out the diagrams (below). Please let us know what you find. We are interested to see what it is.
Apr 16, 2019 at 11:10 AM
I just had my timing belt aligned, a tune up and a new water pump put on. Computer gave codes so we put on new crank and cam sensors and it still won't start. It is throwing a low voltage code now. What could be the problem? Also battery has been replaced.
Nov 8, 2019 at 4:06 PM
(Merged)
Hello,
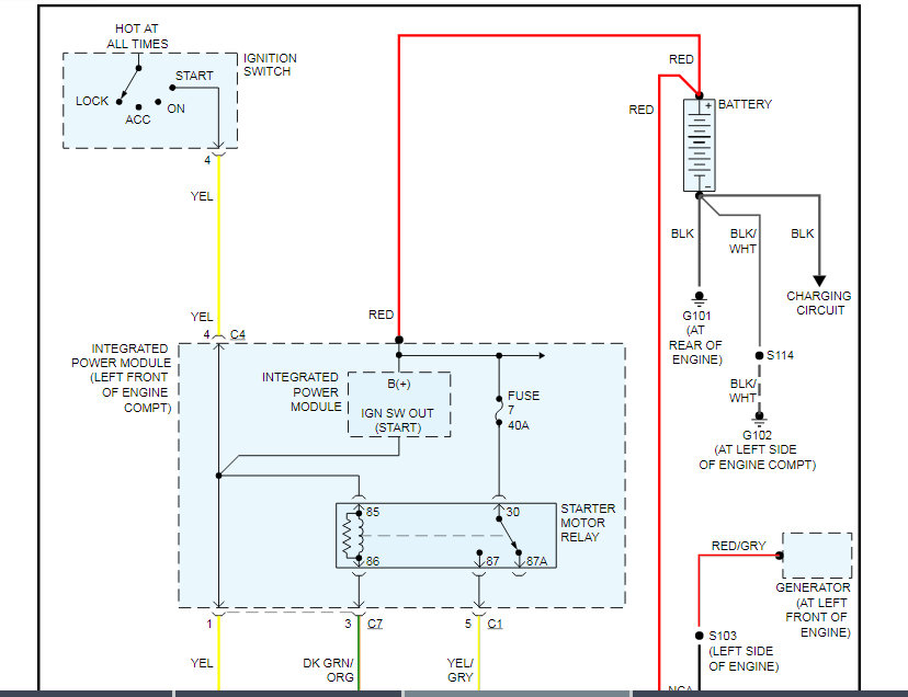
This could be a problem with your vehicle's Auto Shut Down[ASD] Relay which is located in the Integrated Power Module[IPM]. In the diagrams down below I have included wiring diagrams of your vehicle's Starting and Charging Circuits, as well as the the location, layout, and callout of the IPM for your vehicle. ou will need to test the ASD relay. Here is a link below explaining how to do that:
https://www.2carpros.com/articles/how-to-check-an-electrical-relay-and-wiring-control-circuit
Please go through these guides, test the relay, and get back to us with the results. We will go from there, if needed.
Thanks,
Alex
2CarPros
This could be a problem with your vehicle's Auto Shut Down[ASD] Relay which is located in the Integrated Power Module[IPM]. In the diagrams down below I have included wiring diagrams of your vehicle's Starting and Charging Circuits, as well as the the location, layout, and callout of the IPM for your vehicle. ou will need to test the ASD relay. Here is a link below explaining how to do that:
https://www.2carpros.com/articles/how-to-check-an-electrical-relay-and-wiring-control-circuit
Please go through these guides, test the relay, and get back to us with the results. We will go from there, if needed.
Thanks,
Alex
2CarPros
Nov 8, 2019 at 4:06 PM
(Merged)
Will get to it Monday and let you know how it goes. Thank you
Nov 8, 2019 at 4:06 PM
(Merged)
SCGRANTURISMO is one of our best! Please let us know what you find. We are interested to see what it is.
Nov 8, 2019 at 4:06 PM
(Merged)
I need a new engine. Valves were bent. $1,400.00!
Nov 8, 2019 at 4:06 PM
(Merged)
Hello,
I am glad to hear you got it figured out. Paying attention to the service schedule for timing belt replacement is very important, and spending a little to have it changed is better than than spending a lot when it breaks.
Thanks,
Alex
2CarPros
I am glad to hear you got it figured out. Paying attention to the service schedule for timing belt replacement is very important, and spending a little to have it changed is better than than spending a lot when it breaks.
Thanks,
Alex
2CarPros
Nov 8, 2019 at 4:06 PM
(Merged)













