Hi,
The high idle can be the result of a few things. Things such as an engine vacuum leak, faulty idle air control valve, dirty throttle plate and so on can cause it. Take a look through this link and see if it helps:
https://www.2carpros.com/articles/engine-idles-too-high
Also, here is a link to check for vacuum leaks:
https://www.2carpros.com/articles/how-to-use-an-engine-vacuum-gauge
Next, there is a component called an idle air control valve (IAC). The IAC is responsible for maintaining the engine idle speed. If it is dirty or not working properly, it can cause an erratic idle. Take a look through these links:
https://www.2carpros.com/articles/idle-air-control-valve-service
https://www.2carpros.com/articles/how-to-replace-an-idle-speed-control-motor-iac
If you find the IAC is the issue, here are the directions specific to your vehicle for replacement. The attached pics correlate with the directions.
____________________________
2003 Pontiac Grand AM V6-3.4L VIN E
Procedures
Vehicle Powertrain Management Fuel Delivery and Air Induction Idle Speed/Throttle Actuator - Electronic Service and Repair Procedures
PROCEDURES
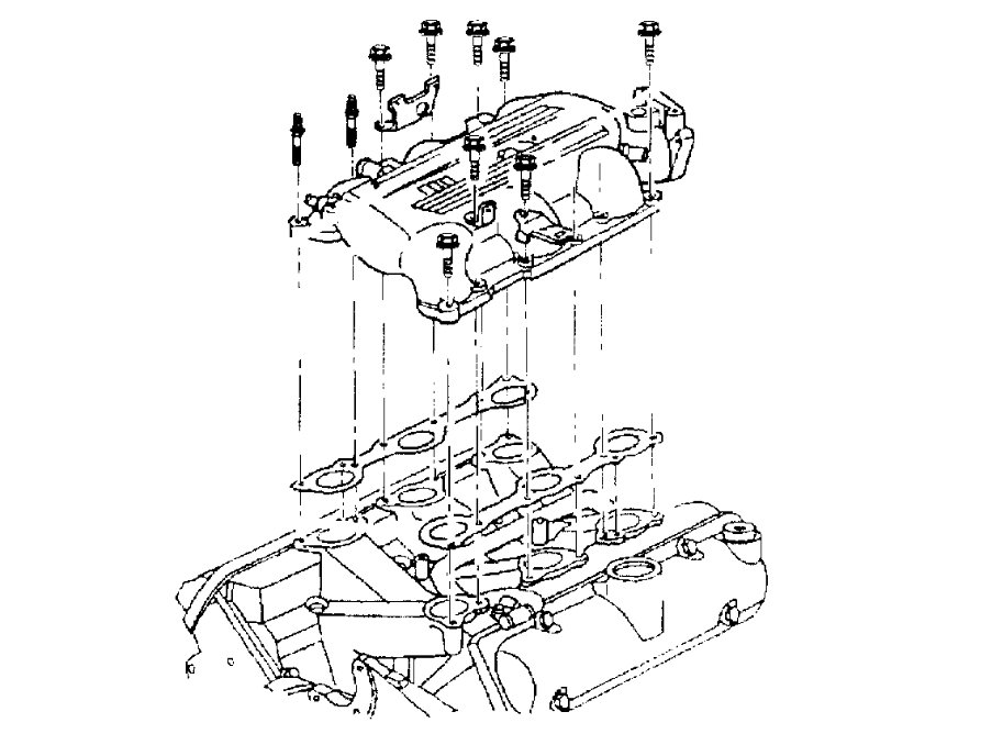
IDLE AIR CONTROL (IAC) VALVE REPLACEMENT
REMOVAL PROCEDURE
1. Remove the throttle control cable bracket from the throttle body.
2. Remove the canister purge valve.
pic 1
3. Disconnect the idle air control (IAC) electrical connector.
pic 2
4. Remove the idle air control valve attaching screws.
pic 3
5. Remove the idle air control valve.
pic 4
6. Remove the idle air control valve O-ring.
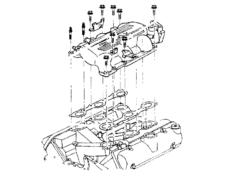
INSTALLATION PROCEDURE
NOTE: The IAC valve may be damaged if installed with the cone (pintle) extended more than 28 mm (1-1/8 in). Measure the distance that the valve is extended before installing a new valve. The distance from the idle air control valve motor housing to the end of the idle air control valve pintle should be less than 28 mm (1-1/8 in). Manually compress the pintle until the extension is less than 28 mm (1-1/8 in).
pic 5
1. Install the new idle air control O-ring.
pic 6
2. Install the idle air control valve into the throttle body.
pic 7
3. Install the idle air control valve attaching screws.
NOTE: Refer to Fastener Notice in Service Precautions.
Tighten
Tighten the screws to 3 N.m (27 lb in).
pic 8
4. Connect the IAC electrical connector.
5. Install the canister purge valve.
6. Install the throttle control cable bracket.
7. The powertrain control module (PCM) will reset the idle air control valve whenever the ignition is turned ON, then OFF. Turn ON the ignition, then OFF.
8. Start the engine and allow the engine to reach operating temperature.
___________________
Let me know if this helps.
Joe
Images (Click to enlarge)
Oct 19, 2020 at 12:46 PM
(Merged)