Key will not turn

2003 PONTIAC GRAND AM
160,000 MILES • 6 CYL • FWD • AUTOMATIC
Avatar
LINLOU
  • MEMBER
  • 1 POST
I cannot get the key to turn. Wheel is not locked. Tried turning wheel while turning key. Tried turning alarm on and off using key fob.
Jan 11, 2011 at 1:35 AM
Advertisement
Avatar
SATURNTECH9
  • CERTIFIED EXPERT
  • 30,869 POSTS
Sounds like the ignition switch may be broken internally if it is not locking the wheel or the shift cable needs replacement. Here are instructions for both.

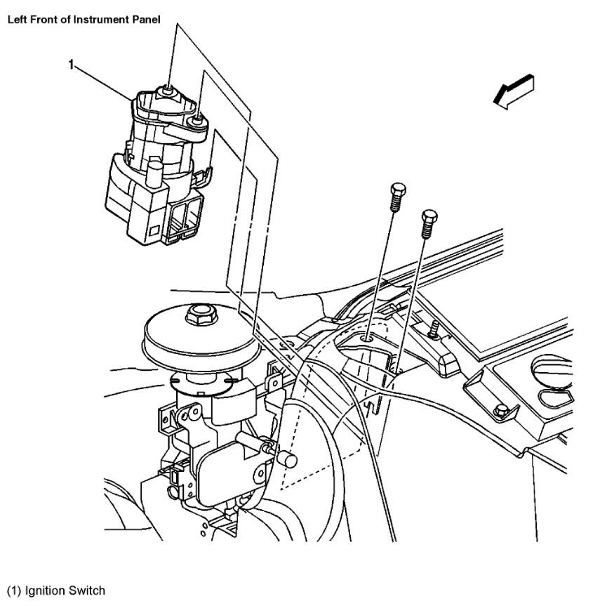
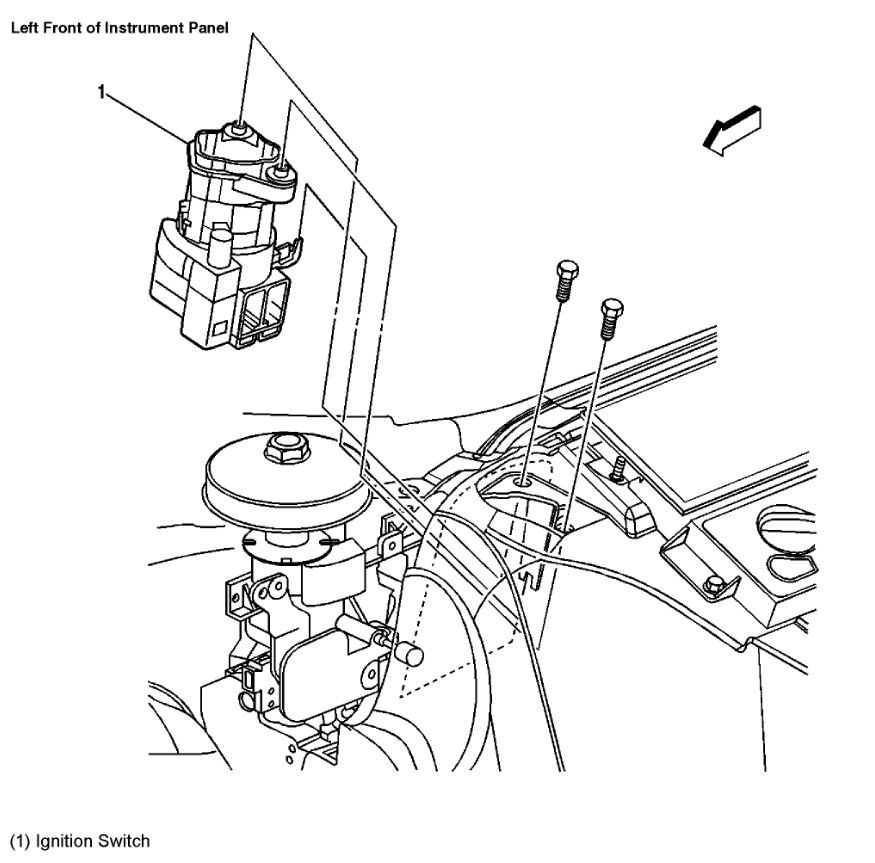
The ignition switch contains the wiring and electrical switching portion of the column mounted ignition assembly. The ignition switch includes wiring pigtails which connect it to the base of column connector, the Passlock Sensor on the ignition lock cylinder case, and other components. The wiring for the Passlock Sensor is unaffected by ignition switch position. The electrical switch portion is operated by the key and lock cylinder when they are rotated within the ignition lock cylinder case. The ignition switch operates the crank relay regardless of the status of the Passlock System.

Check the diagram below of the ignition switch and get back to us.
Jan 11, 2011 at 1:38 AM
Avatar
GWENG7
  • MEMBER
  • 0 POST
Mine did the same thing. I replaced the switch in the dash and it works great now. cost me $120.00 and a couple hours of my time.
Sep 11, 2018 at 5:59 PM
Advertisement
Avatar
JULIE519
  • MEMBER
  • 12 POSTS
The key will not turn, the transmission is in park and the car does not roll but the steering wheel is not locked.

I read our car manual and found a section about the cars 'transaxle' (?) and how the symptoms above can happen if this component gets damaged. However, the books says this damage is caused when the car is shifted into park and turned off before coming to a complete stop and the car is still in motion.

This was not the case. I was in a parking space and completely stopped with the car idling in drive, my foot on the brake while I retrieved money from my purse. After approximately thirty seconds, I attempted to turn off the car but could not. I realized instantly what was wrong and shifted to park, set the hand brake and turned off the key.

I have never had any trouble with either the key nor the transmission/shifter lever.

My son checked around and feels that the tumbler may be damaged since both my husband and I have double key rings that separate in the middle with between eight to twelve keys total on each of our key rings plus the factory key-less remote device.

We desperately need the car working but do not have money for costly diagnostics and repairs. If possible, we will do the repairs ourselves but need guidance on what the most likely cause might be and the best way to proceed on our tight budget.

Any and all advise will be greatly appreciated and of course, the sooner the better.

Thank you very much,
Julie Olea
Upland, CA
Sep 11, 2018 at 6:05 PM (Merged)
Avatar
BRIAN 1
  • CERTIFIED EXPERT
  • 1,030 POSTS
you have to see if it is in the shifter or ignition,you could take the center console apart and disconnect the shifter and see if it moves freely,if it does then it is in the ignition. Before you do this check the BTSI fuse in the under hood fuse block see if it is blown. I have had a lot of problems with the ignition cylinders on these,if it is the lock cylinder sometimes they have to be drilled out.(will worry about that if it is the problem) these are the only suggestions I can give for now,post back with what you find and will advise on the next step.
Sep 11, 2018 at 6:05 PM (Merged)
Avatar
JULIE519
  • MEMBER
  • 12 POSTS
We checked the fuse, it seems okay. So we removed the console, located and disconnected the cable that runs from the shifter to the ignition assembly. Now the shifter moves freely, but the key still wont turn. Also, the steering wheel remains unlocked no matter what we do with regards to the shifter.

What should we do next? Will replacing the ignition switch/assembly fix things or could it still be the transaxle or something else?

Look forward to your reply.

Thanks for your help,

Julie Olea
Upland, California
Sep 11, 2018 at 6:05 PM (Merged)
Avatar
BRIAN 1
  • CERTIFIED EXPERT
  • 1,030 POSTS
by disconnecting the shifter you kind of ruled out that it is in the shifter and probably in the ignition.to make sure you could disconnect the ignition. If you do replace the ignition the theft deterrent needs to be relearned, which I will explain after you find out what is wrong. Post back with any other questions.
Sep 11, 2018 at 6:05 PM (Merged)
Avatar
JULIE519
  • MEMBER
  • 12 POSTS
Could the computer in the car be controlling the ignition system and preventing the key from turning?

If not, I am thinking that I could just drill out the tumblers or use a slide hammer to remove them. I want to be 100% sure that nothing electrical or computer related is keeping the key from turning.

An important factor in all of this is that the steering wheel is still not locking even though the shifter has been disconnected from the ignition.

How does the steering wheel lock and what controls it?

Thanks, Julie Olea
Sep 11, 2018 at 6:05 PM (Merged)
Avatar
BRIAN 1
  • CERTIFIED EXPERT
  • 1,030 POSTS
The steering on all the new or newer cars do not lock it is normal. As far as it being computer controlled and preventing it from turning has nothing to do with it, the ignition is mechanical, I would not drill it out still bolted to the dash, remove the ignition disconnect the connectors. If you take the dash bezel off around the IPC and then take the IPC out you can unbolt and access the ignition.(Much easier but a little more work) You do not want to destroy the ignition too much because there is the pass-lock chip in the housing. You might want to get a price from the dealer on an ignition lock case and switch. They will code it to the key and put the housing together which makes it easier. Post back if you get stuck.
Sep 11, 2018 at 6:05 PM (Merged)
Avatar
ERSFELR
  • MEMBER
  • 2 POSTS
Automatic 75,000 miles.

It appears the ignition cylinder is not working correctly. When the key is in, I cannot turn it and the wheel does not go in the lock position as it should. Is there anything I can try before I call a tow truck?

Thanks
Sep 11, 2018 at 6:05 PM (Merged)
Avatar
MMPRINCE4000
  • CERTIFIED EXPERT
  • 8,548 POSTS
If you step on brake pedal, does shifter move to all positions?

If so, then ignition lock cylinder or key itself.

You can call a locksmith to repair ignition cylinder onsite.
Sep 11, 2018 at 6:05 PM (Merged)
Avatar
BRIAN 1
  • CERTIFIED EXPERT
  • 1,030 POSTS
Only advise I can give is,Insert the key to the ignition lock cylinder.
Remove the ignition lock cylinder from the switch:
4.1. Using a small curved tool or an L-shaped hex wrench, depress and hold the detent on the ignition lock cylinder. If you cannot locate the detent with the tool, remove the radio. View the detent through the radio opening. Refer to Radio Replacement in Entertainment.

4.2. Turn the key to the ON/RUN position.

4.3. Pull the ignition lock cylinder out with the key.

Remove the key from the lock cylinder.
if this does not work, you have to cut or drill the ignition cylinder out. I have done a lot this way because they never want to come out.post back with what you find.
Sep 11, 2018 at 6:05 PM (Merged)
Avatar
ERSFELR
  • MEMBER
  • 2 POSTS
Thanks for this information. It is a 2004 Grand Am and therefore, the shifter will not move when the key is in the lock position.

I took someone's advice and used WD40 on the cylinder and it is now working. Not that it is a permanent solution, but I can now move the key and it is working.

Thanks for your help.
Sep 11, 2018 at 6:05 PM (Merged)
Avatar
JULIE519
  • MEMBER
  • 12 POSTS
We have purchased a new ingition lock cylinder assembly but it came without any instructions or schematics. Can you help us?
Sep 11, 2018 at 6:05 PM (Merged)
Avatar
MMPRINCE4000
  • CERTIFIED EXPERT
  • 8,548 POSTS
Good news!

You may want to get a new key made, especially if the old one has any rough edges.
Sep 11, 2018 at 6:05 PM (Merged)
Avatar
BRIAN 1
  • CERTIFIED EXPERT
  • 1,030 POSTS
what do you mean? Where did you get it from parts store or dealer? Are you replacing just the ignition lock or the lock cylinder? If you bought it from the dealer they usually put it together and code it for you, then you can just put it back together and relearn the pass-lock system. I need a little more detail to what exactly you are doing.
Sep 11, 2018 at 6:05 PM (Merged)
Avatar
JULIE519
  • MEMBER
  • 12 POSTS
My key will not turn in the ignition, the transmission is in Park and the car will not roll, but the steering wheel is not locked. Cannot shift out of park either.

Read the manual and saw a section that mentioned a Transaxle (?spelling) that can freeze up when the car is still moving while shifting into park and turning off the key.

Sep 11, 2018 at 6:05 PM (Merged)
Avatar
BUDDYCRAIGG
  • CERTIFIED EXPERT
  • 2,262 POSTS
There are four things that I see over and over again, that keep an ignition lock cylinder from turning. 1. The steering wheel lock is under pressure. When you turn off your car and remove your key. A spring loaded post sticks up in to one of many holes in the steering wheel. This locks the steering wheel in place, making your car harder to steal, because a bad guy cant turn the steering wheel if they somehow get your car started without the key. But this can also keep you from turning the ignition lock. If the steering wheel is under pressure because your front wheels are against a curb, or you have the wheel cranked all the way to one side or the other. The pressure from the steering wheel on the spring loaded post keeps you from being able to turn the key. So while trying to pull the steering wheel one direction or the other, try to turn the key, this may solve your problem. 2-A. The pins are not falling into place. You kinda need to know how a lock works for this part. Look at a key and you will see there are different depth cuts in it. Those different cuts correspond with different length pins in the lock cylinder. See how the red pins are of different length? But with the key inserted, they are all even with the blue pins.


https://www.2carpros.com/forum/automotive_pictures/281878_Pin_tumbler_with_key1_1.jpg

When the red pins are held in the correct position by the correct key, the spring loaded blue pins are flush with the outer housing of the lock, and the red pins are flush with the inner cylinder of the lock And thus the inner cylinder can be rotated.


https://www.2carpros.com/forum/automotive_pictures/281878_250pxPin_tumbler_unlocked1_1.png

If debris such as pocket lint, ear wax, or just plain old dirt gets into the pins and causes enough friction for the spring loaded blue pins to not be able to push the red pins back in place. Then the red pins will be partially stuck in the hole for the blue pins and the cylinder can not turn. Putting the key in the lock and then tapping on it with a small hammer may help until you have the chance to have the lock cleaned. Do a search for the word "bump key" if you want to know more about how a lock cylinder works. 2-B. The same goes for if a key is worn out. If a key is badly worn, then it will not put the red pins in the correct spot and some of the pins will keep the cylinder from turning. If your key is worn out, try a spare if you have one. Or put the key in and "Jiggle" it while trying to turn the lock. 3. A problem with the interlock cable from the gear selector to the lock cylinder. Make sure you are completely in park. You pretty much have to take things apart and visually inspect it to verify this problem. 4. A mechanical problem with the linkage from the lock cylinder to the electrical part of the ignition switch. good luck
Sep 11, 2018 at 6:05 PM (Merged)
Avatar
JULIE519
  • MEMBER
  • 12 POSTS
we bought the ignition lock assembly from an Auto Zone store. It's a LockSmart brand, part #LC63730. It came with 2 new ignition keys. The box said "illustrated instructions included", but there were NO instructions in the box.

My husband reinstalled it and now the key is stuck in it.
Sep 11, 2018 at 6:05 PM (Merged)
Avatar
JULIE519
  • MEMBER
  • 12 POSTS
Thanks for your reply. I went over the list you created and this is the outcome.

1. The steering wheel and tires are not under pressure.

2-A. There seems to be no issue with the car key itself. We have several copies and none will work.

2-B Same outcome as in 2-A. Key is okay.

3. We removed the center console to get a closer look at the shifting mechanism. We made sure that the shifter was completely in 'Park'. Still no change.

4. This is the only item listed that hasn't been explored so we will do so and see how thinks look.

I will update you when we have taken a look at the linkage as described in item #4 of your reply e-mail.

Thanks again, Julie A. Olea (Califorina)
Sep 11, 2018 at 6:05 PM (Merged)
Avatar
BRIAN 1
  • CERTIFIED EXPERT
  • 1,030 POSTS
This is not good. That means that the there might be a scratch on the inside of the ignition housing. You could try taking it back out and apart and lubing it.this is hard to answer without being there to see what is happening.you might want to take it back to AutoZone and get one from GM,they usually put them together and make sure they work.
Sep 11, 2018 at 6:05 PM (Merged)
Avatar
BUDDYCRAIGG
  • CERTIFIED EXPERT
  • 2,262 POSTS
I believe that you should remove the lock cylinder and switch as stated in this thread:
https://www.2carpros.com/forum/ignition-steering-wheel-locking-mechanism-etc-vp434696.html
Sep 11, 2018 at 6:05 PM (Merged)
Avatar
JULIE519
  • MEMBER
  • 12 POSTS
I was mistaken in my last post.

The new ignition switch is in the car. Both the new keys and our original keys will insert and turn, but neither one will start the car. It is our understanding that we may need to code the new ignition switch.
But since the box contained no instructions, we are not sure how to proceed.

Julie
Sep 11, 2018 at 6:05 PM (Merged)
Avatar
JULIE519
  • MEMBER
  • 12 POSTS
My husband dismantled the console and found the shifter moved freely.

So he removed the ignition assembly from the dash.

Any advice on the most economic source for the replacement parts and do you have any pointers that would be helpful as we proceed?

Thanks,
Julie Olea
Sep 11, 2018 at 6:05 PM (Merged)
Avatar
BRIAN 1
  • CERTIFIED EXPERT
  • 1,030 POSTS
Here is the relearn procedure: Turn on the ignition, with the engine off.
Attempt to start the engine, then release the key to on (vehicle will not start).
Observe the security telltale, after approximately ten minutes the telltale will turn off.
Turn off the ignition, and wait five seconds.
The vehicle is now ready to relearn the Pass-lock Sensor Data Code and/or passwords on the next ignition switch transition from off to crank.
Important: The vehicle learns the Pass-lock Sensor Data Code and/or password on the next ignition switch transition from off to crank. You must turn the ignition off before attempting to start the vehicle.

Start the engine. The vehicle has now learned the Pass-lock Sensor Data Code and/or password.
With a scan tool, clear any DTC's if needed. History DTC's will self clear after one hundred ignition cycles.
Follow this and post back if it works.
Sep 11, 2018 at 6:05 PM (Merged)
Avatar
BUDDYCRAIGG
  • CERTIFIED EXPERT
  • 2,262 POSTS
You have a response in this thread:
https://www.2carpros.com/forum/ignition-steering-wheel-locking-mechanism-etc-vp434696.html
Sep 11, 2018 at 6:05 PM (Merged)
Avatar
JULIE519
  • MEMBER
  • 12 POSTS
Thank you!

You have been an immense help and we could not have done this without you! I followed your last instructions and the car started with no trouble what so ever. One of the best parts of all is the fact that I used our original key for the automatic coding process so all of the cars locks are still keyed to the same original keys.

I will recommend you highly to all my friends and family.

Thanks again,
Julie A Olea
Upland, California
Sep 11, 2018 at 6:05 PM (Merged)
Avatar
BRIAN 1
  • CERTIFIED EXPERT
  • 1,030 POSTS
Glad I could help, it is what I do and GM is all I know.
Sep 11, 2018 at 6:05 PM (Merged)
Avatar
MCOLLINGSWOOD
  • MEMBER
  • 1 POST
Electrical problem
1996 Pontiac Grand Am

intermittently the key will not turn all the way back to the lock position after driving. i am thinking the nuetral safety switch could be the issue but was wanting to get a little feedback before i just replace it without finding out if there is another possibile problem. thx
Jun 20, 2019 at 4:49 PM (Merged)
Avatar
BLUELIGHTNIN6
  • CERTIFIED EXPERT
  • 16,542 POSTS
Other culprits would be faulty key, faulty ignition lock cylinder or loose/faulty gear selector cable. Most likely it IS the neutral/park position switch however. You can try a spark key in the ignition. Also lubricate the ignition cylinder with WD40. If this doesn't help, trying pulling the gear lever into PARK very well to ensure it is in the PARK position. If all these do not help then suspect faulty switch.






Thanks for using 2CarPros.com!
Jun 20, 2019 at 4:49 PM (Merged)
Avatar
TCOURTNEY
  • MEMBER
  • 1 POST
Car is locked in park, steering wheel is NOT locked, Key CAN be removed.
No warning, just locked & would not turn.
Key is worn, did not have another handy.Suspect tumblers are messed up.
1999 is a dash mounted, ingition switch assembly.
Tried wiggling steeing wheel - no help
Tried wiggling Shifter - no help
Tried to get to ignition switch assembly by removing radio etc - Do not know the "tricks"; can't get out.
Tried lubricstion switch - no help

Q1) Would getting a new key from the dealer help?
Q2) Can the tumbler assembly be easily removed by a non-locksmith? Would this help?
Q3) Suggestions, removal "tricks", ideas?

Thanks,

Terry
Jun 20, 2019 at 4:49 PM (Merged)
Avatar
JACOBANDNICKOLAS
  • CERTIFIED EXPERT
  • 110,175 POSTS
If the key is worn, I would try a new key. I've seen many situations that were similar and that fixed the problem.
Jun 20, 2019 at 4:49 PM (Merged)
Avatar
CHEEKY CARS
  • MEMBER
  • 1 POST
hey im in the same situation myself right now and was wondering if you were able to find a fix for it and if so to point me in the right direction, thanks.
Jun 20, 2019 at 4:49 PM (Merged)
Avatar
KASEKENNY
  • CERTIFIED EXPERT
  • 18,907 POSTS
Hi Cheeky cars,

Unfortunately, this post was from almost ten years ago. I doubt they will respond but hopefully I can help.

Normally, when people don't respond it is because they fixed their issue. Assuming the worn key was the issue, getting a new key would have fixed it for them.

If your key is worn and it doesn't have clean edges and sharp points, then I would get a new one cut and see if that fixes it. If not, then most likely you will need to remove the ignition switch and replace the tumblers inside. Usually, when these do not turn any longer it is because the key is not aligning the tumblers in the cylinder correctly to allow it to turn.

Here is a generic video that shows this. Obviously this is for a door lock but it is the same principal.

https://youtu.be/smIdInCQ-kU

If you need more info, let me know what kind of vehicle you have (year, model, engine) and I will be happy to help.
Jun 20, 2019 at 4:49 PM (Merged)
Avatar
RENEE L
  • CERTIFIED EXPERT
  • 1,260 POSTS
Hello CHEEKY CARS,

As KASEKENNY1 wrote this is an old post. Please post your question here:
https://www.2carpros.com/questions/new
One of our experts will be happy to assist you. Make sure you are logged into the site before clicking on the link.

Thank you for using 2CarPros and a great rest of your day!

Renee
Admin

Jun 20, 2019 at 4:49 PM (Merged)
Avatar
NEVIO
  • MEMBER
  • 1 POST
Electrical problem
1996 Pontiac Grand Am 6 cyl Two Wheel Drive Automatic 164k miles

Is there a wire or harness I can remove to unlock my key from the tumbler assembly? It will not go to the 0 position. The assembly was recently replaced but continue to have a problem. It used to occur when I parked on a grade but now it wont release at all.
Jun 20, 2019 at 4:49 PM (Merged)
Avatar
JACOBANDNICKOLAS
  • CERTIFIED EXPERT
  • 110,175 POSTS
If you can't turn it all the way off, it has nothing to do with wiring. Either the tumbler is bad again or the ignition switch is not working properly.
Jun 20, 2019 at 4:49 PM (Merged)
Avatar
2CP-ARCHIVES
  • MEMBER
  • 4,540 POSTS
Can't turn ignition all the way and key won't come out
Jun 20, 2019 at 4:50 PM (Merged)
Avatar
SATURNTECH9
  • CERTIFIED EXPERT
  • 30,869 POSTS
Which position does the key stop at?
Jun 20, 2019 at 4:50 PM (Merged)
Avatar
RYANMACE
  • MEMBER
  • 6 POSTS
try looking in the gear shifter area that is what worked for me i took it all apart and put it back together and it works fine now
Jun 20, 2019 at 4:50 PM (Merged)
Avatar
KEITH.55
  • MEMBER
  • 7 POSTS
I have a 1996 Pontiac Grand Am GT, automatic, 137,000 miles on a 3.1 V6, and the key will not come out of the ignition switch at times. It is becoming more frequent ... as if the switch will not return to the off position. Any thoughts on this? Thanks, Keith.55
Jun 20, 2019 at 4:50 PM (Merged)