how to replace ignition lock tumbler?

2003 CHEVROLET SILVERADO
226,000 MILES • 4.8L • 6 CYL • 2WD • AUTOMATIC
Avatar
GEEBEE
  • MEMBER
  • 1 POST
I need to remove & replace the ignition cylinder housing but to get to the screws I must first remove the turn signal canceling CAM which is being held in place with either a pressure locking ring or a pressed on ring of some type.. Which one it i?? I don't know... Which is the problem,,, HELP Please
May 20, 2014 at 3:43 PM
Advertisement
Avatar
HMAC300
  • CERTIFIED EXPERT
  • 48,601 POSTS
Here is how you replace the ignition tumbler

Disable the SIR system. Refer to ZONE 3.
Remove the upper and lower trim covers. Refer to Steering Column Trim Covers Replacement.
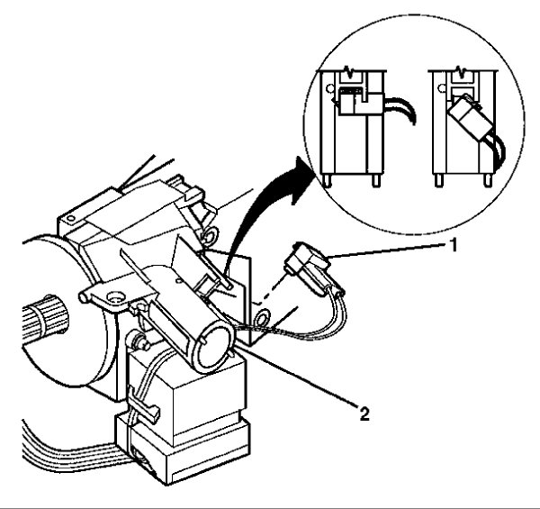
IMPORTANT: The abrasion sleeve located on the steering column wire harness assembly must be reinstalled. Make note of what connector is coming out of the abrasion sleeve for installation purposes.

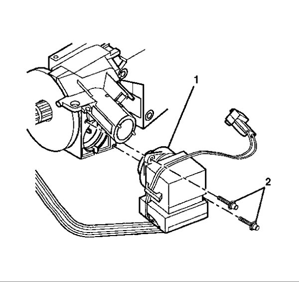
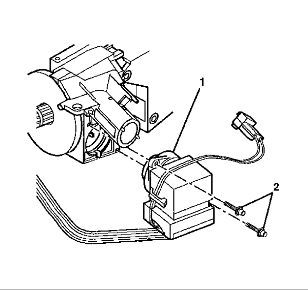
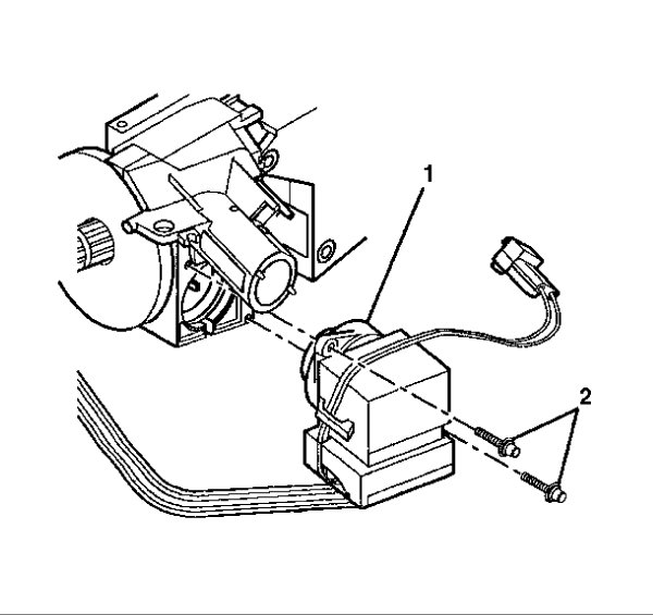
Remove the wire harness strap (2) from the steering column and the wire harness assembly (1).
Fig. 36: Remove Wire Harness Strap & Wire Harness Assembly
Courtesy of GENERAL MOTORS CORP.
Slide the 2 connectors (2) of the turn signal and multifunction switch assembly out of the bulkhead connector (1).
Fig. 37: Slide 2 Connectors Out Of Bulkhead Connector
Courtesy of GENERAL MOTORS CORP.
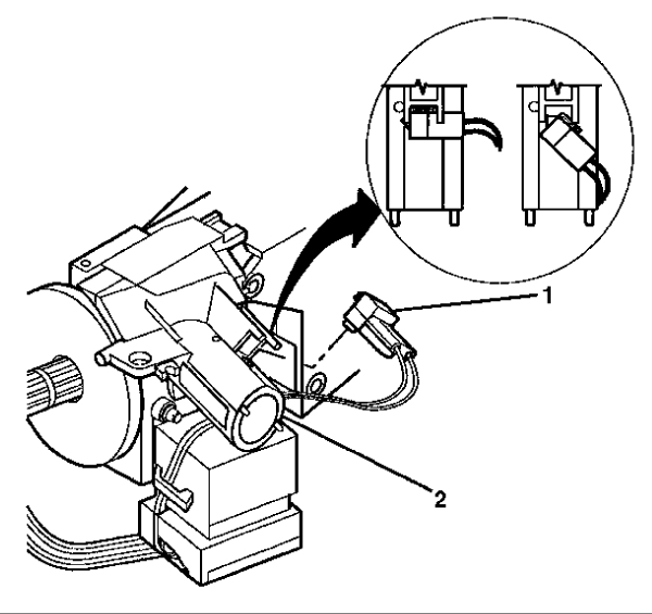
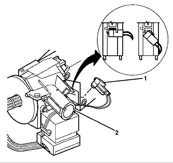
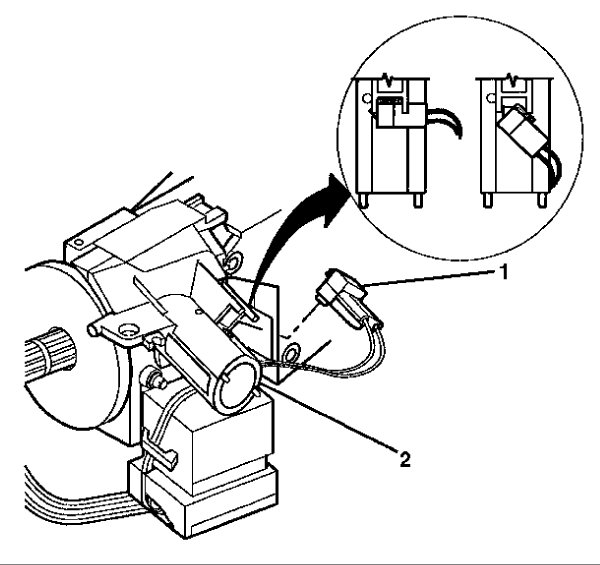
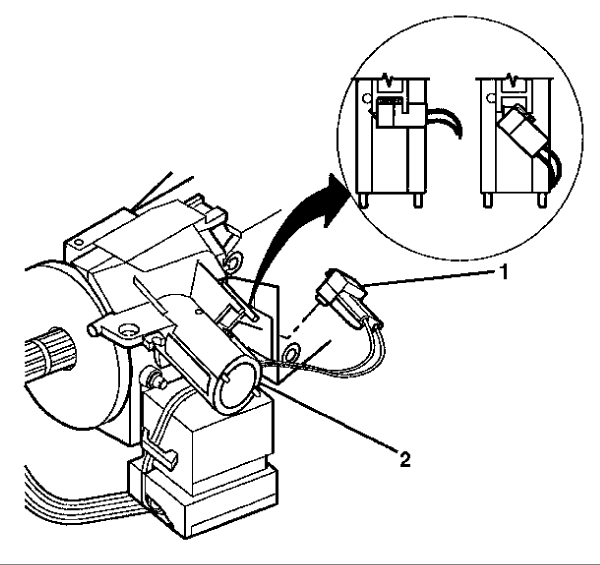
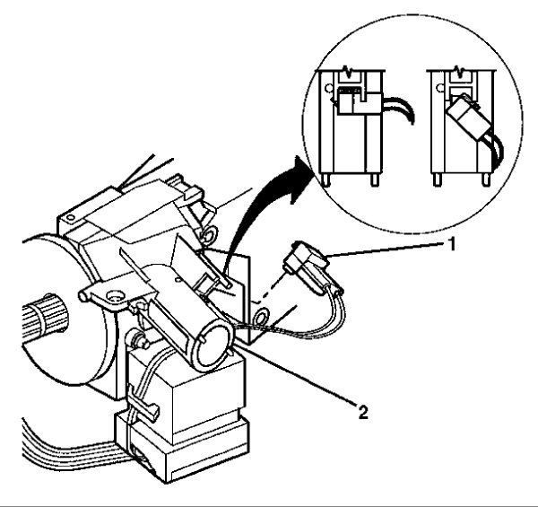
Rotate the key alarm connector (1) 90 degrees.
Pull the key alarm connector (1) out of the ignition lock cylinder case (2).
Remove the passkey connector from the ignition lock cylinder case (2).
Fig. 38: Key Alarm Connector & Ignition Lock Cylinder Case
Courtesy of GENERAL MOTORS CORP.
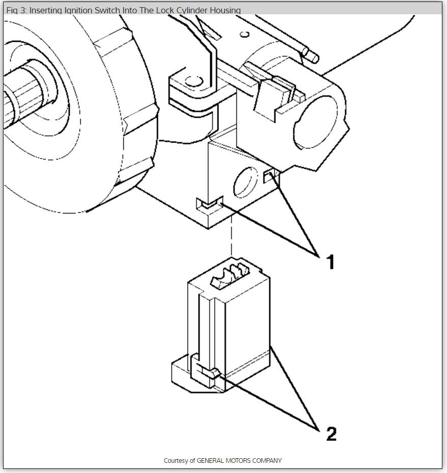
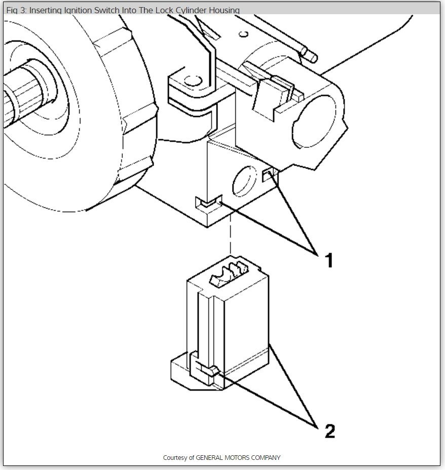
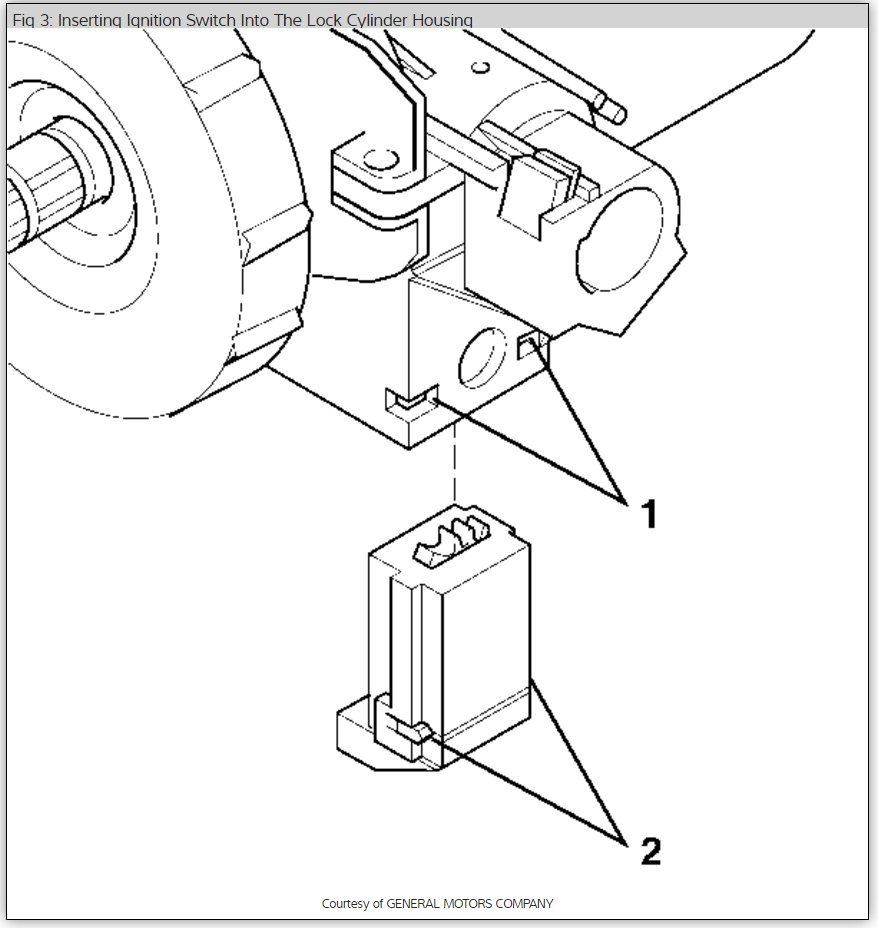
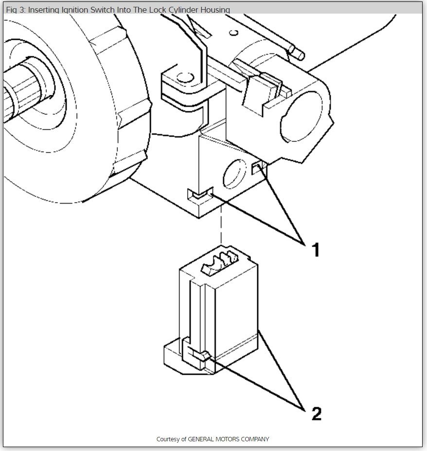
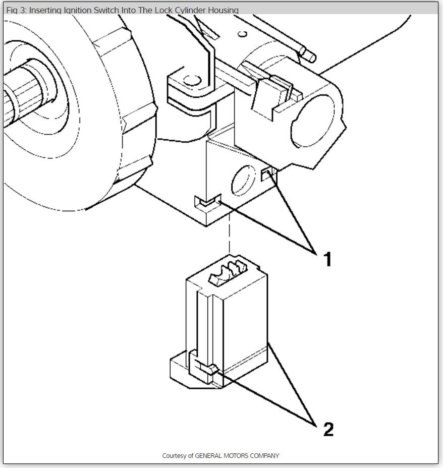
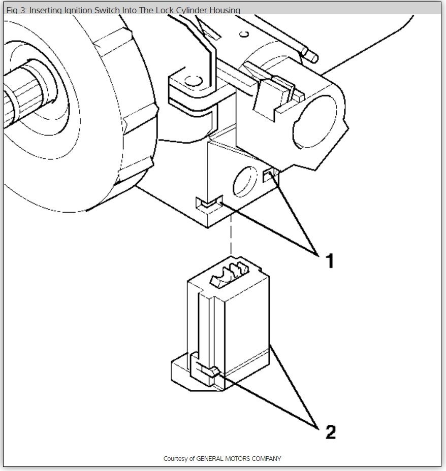
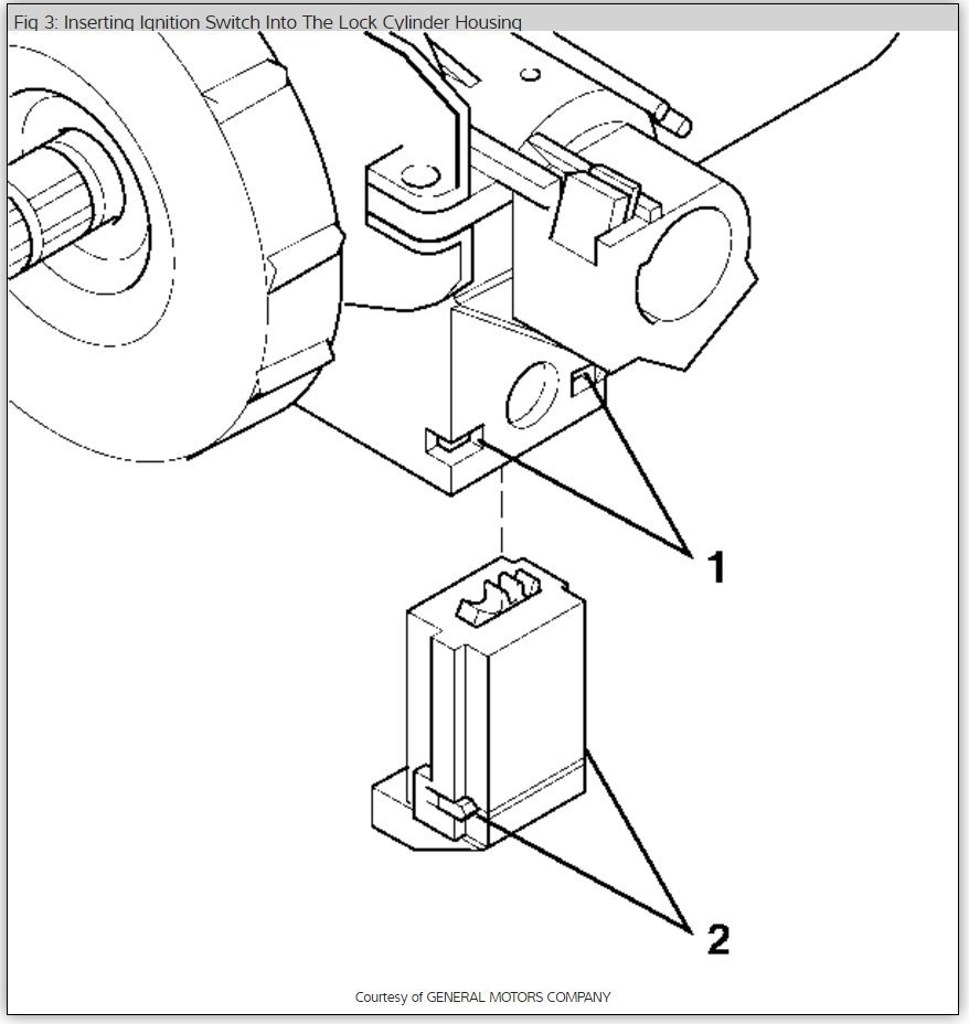
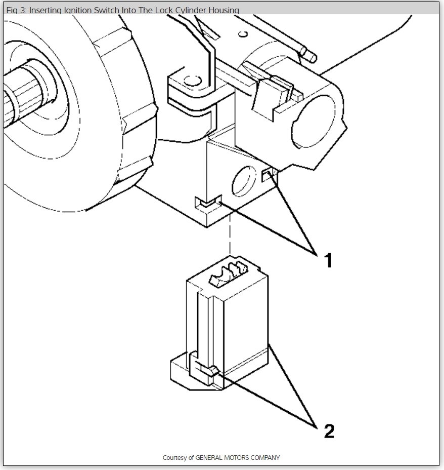
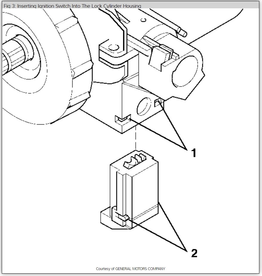
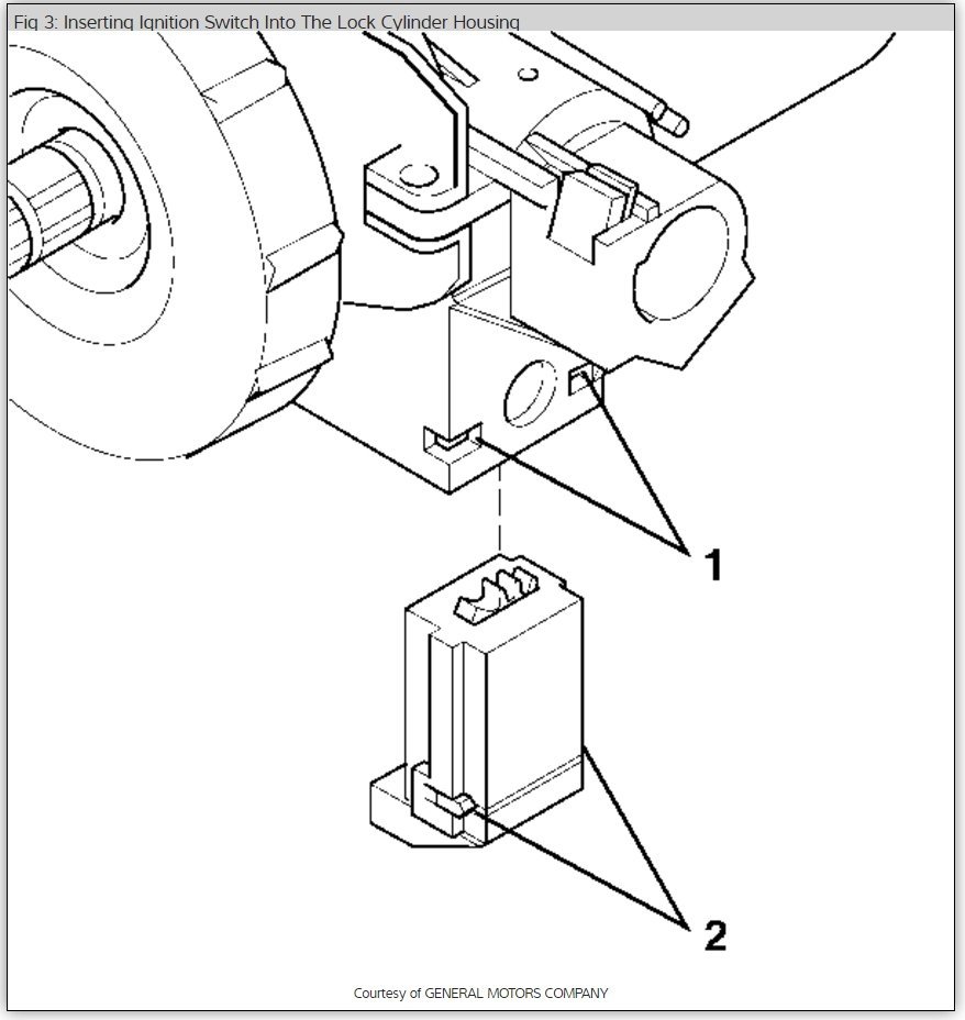
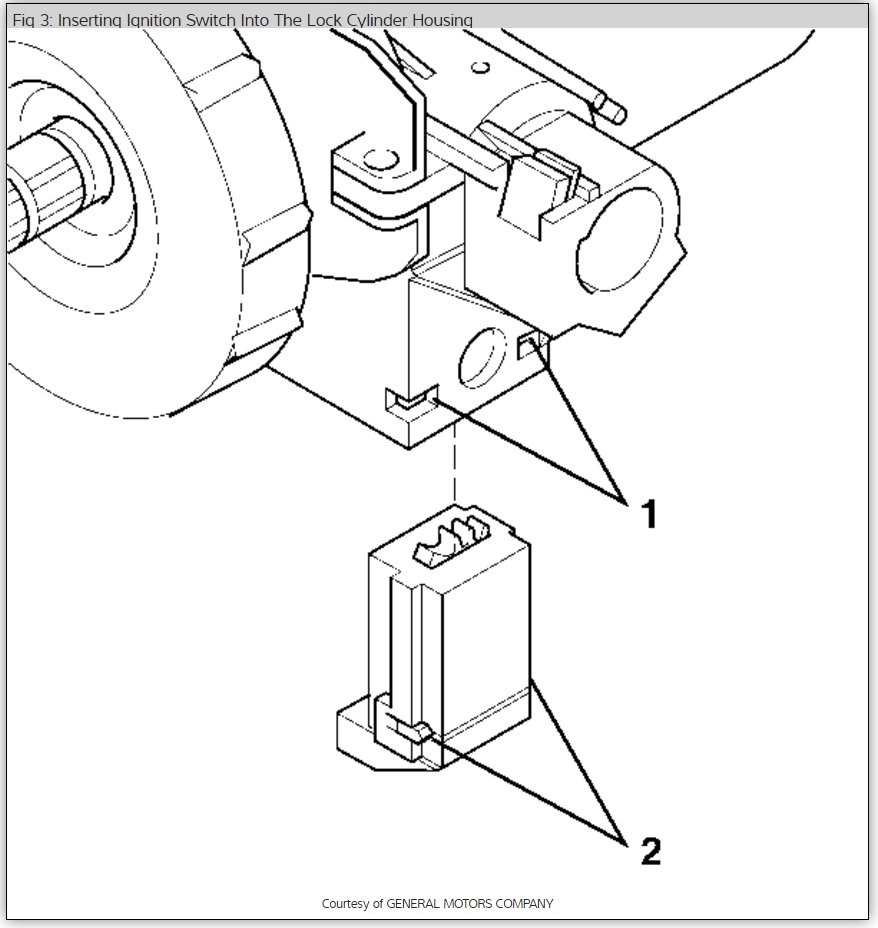
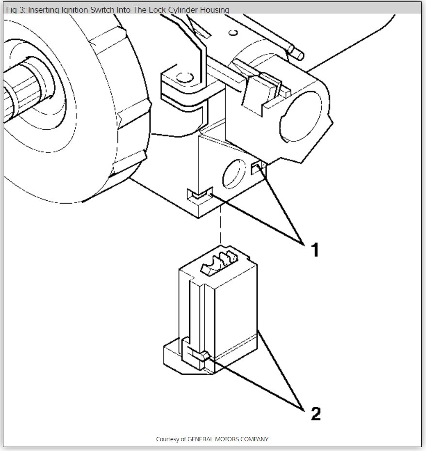
Insert J 42759 into the ignition lock cylinder case (1) and slide the ignition switch (2) out

Check out the diagrams (Below). Please let us know if you need anything else to get the problem fixed.
May 20, 2014 at 4:29 PM
Avatar
VTURA
  • MEMBER
  • 1 POST
The ignition switch will not turn w/o pulling the shifter upward and it takes a few tries. What needs fixed the ignition switch or shifter cable needs adjusted?
May 13, 2021 at 7:14 PM (Merged)
Advertisement
Avatar
JACOBANDNICKOLAS
  • CERTIFIED EXPERT
  • 110,175 POSTS
I would start by trying to adjust the linkage. It sounds like it isn't allowing the shifter to return to the park position. if not you need to replace the tumbler here is how. Check out the diagrams (Below). Please let us know if you need anything else to get the problem fixed.
May 13, 2021 at 7:14 PM (Merged)
Avatar
FREEHAUFCHEVY
  • MEMBER
  • 1 POST
how do i replace ignition lock cylinder, the cylinder is completely locked up the key WONT turn to the run position.
May 13, 2021 at 7:14 PM (Merged)
Avatar
BLUELIGHTNIN6
  • CERTIFIED EXPERT
  • 16,542 POSTS
check out our tips on this common problem to see if you can fix it without replacing lock cylinder.

https://www.2carpros.com/first_things/why_wont_my_ignition_switch_turn.htm

Here is how to change the ignition lock out. Check out the diagrams (Below). Please let us know what happens.
May 13, 2021 at 7:14 PM (Merged)
Avatar
DDLY88
  • MEMBER
  • 4 POSTS
So I found someone online that has has the parts I need for my truck that were damaged such as:

Ignition/ Lock cylinder
Ignition housing

And because my truck has the pass lock sensor on the ignition (chip with 3 wires red/white, yellow, black/orange).
I can't afford to buy all brand new so I did manage to find a guy parting out his truck same year make and model as mine so I got the ignition housing as well as the ignition lock and key for my truck but now I'm just wondering if I got the BCM and PCM out of his truck too that if I took all that and put it in my truck would it work or would I still have to program the key get it flashed etc.? I just want to make sure I have everything before I go putting the parts in my truck, but if I had the computer and all that out of his truck with his ignition and key etc., and swapped it out with the broken parts in my truck I shouldn't have any issue should I other than a hard reset on my truck. maybe I'm not knowing because technically the parts out of his truck is programed to his key, so if I have all his original parts into mine isn't that kind of tricking my truck or whichever the computer would be programed to his key etc. so would I have any issues or what would you suggest?
May 13, 2021 at 7:14 PM (Merged)
Avatar
KASEKENNY
  • CERTIFIED EXPERT
  • 18,907 POSTS
I am attaching the processes for each one of these components however, you should be able to just replace the damaged parts and then do the key programming feature that is included as well and the vehicle will be fine. The cylinder/housing just contain the ring to pick up the key.

Review the material and let us know if you have other questions.
May 13, 2021 at 7:14 PM (Merged)
Avatar
DODIE BAKER ZEDEK
  • MEMBER
  • 1 POST
Need pictures and or explanation of how to do details on how to remove and reinstall the key tumbler.
May 13, 2021 at 7:14 PM (Merged)
Avatar
STEVE W.
  • CERTIFIED EXPERT
  • 15,113 POSTS
Do you have a scan tool that can reset the security system to the new ignition cylinder? If not you can change it out, but the truck will not start until it is coded correctly.
Also if the current cylinder does not operate it gets much more difficult.

Removal is simple.
Disconnect the battery negative cable.
Remove the lower trim panel below the dash.
Remove the top and bottom covers from the steering column.
You must check for two pan head tapping screws in the lower trim before removal.
You must check for one TORX (R) head screw in the upper trim cover before removal.
(These may or may not be there, it depends on build date and if someone else worked on the truck and broke the tabs that normally lock the covers in place

Remove the steering wheel
If you have tilt wheel you may be able to skip removing the lower trim panel or the wheel, I have had a 50/50 mix on that, you can move the wheel up/down to get room to remove the covers.

Now insert a small allen wrench into the hole above the cylinder.
Insert the key and turn the cylinder to the "run" position.
Push down on the release pin and pull the cylinder straight out.

Reverse the process to install the new one.
If anything moved the ignition switch in between replacement, use a screwdriver to reach into the switch, turn it to start and let it return to the run position.

Then program the security system so it recognizes the new cylinder and key.

What is the issue with the current cylinder? Lost key? Key does not work?
May 13, 2021 at 7:14 PM (Merged)
Avatar
RANDYVAN03
  • MEMBER
  • 1 POST
Someone tried to steal my truck and broke the ignition. It will not turn over with the key. Is there a way to get it started so I can take it and have it repaired. I cannot get the key to turn so I cannot remove the lock cylinder.
May 13, 2021 at 7:14 PM (Merged)
Avatar
KASEKENNY
  • CERTIFIED EXPERT
  • 18,907 POSTS
If the key does not turn then unfortunately you will not be able to remove it without drilling it out. So you are going to have to run a drill into it so that you hollow out the tumblers and then the key will turn. Clearly it will not start the vehicle this way but you will be able to remove it and replace it at that point.

Here is a guide that talks about this:

https://www.2carpros.com/articles/ignition-switch-wont-turn-stuck

I attached the instructions below on how to change it out.

Let us know if you have questions. Thanks
May 13, 2021 at 7:14 PM (Merged)
Avatar
BIANCO1971
  • MEMBER
  • 2 POSTS
I am trying to replace the ignition lock cylinder in my truck. I had removed the ignition switch and inadvertently my buddy messed with it and changed the position of the gear. Now i have no idea what position it should be in to get it aligned right with the lock cylinder. Can you help me please?
May 13, 2021 at 7:14 PM (Merged)
Avatar
SCGRANTURISMO
  • CERTIFIED EXPERT
  • 4,897 POSTS
Hello,

I have included the information that you requested in the diagrams down below. Please go through it and get back to us and let us know how it turns out. If you have any other vehicle related questions, please, don't hesitate to ask. That is what we are here for.

Thanks,
Alex
2CarPros
May 13, 2021 at 7:14 PM (Merged)
Avatar
BIANCO1971
  • MEMBER
  • 2 POSTS
My question was actually in regards to the position of the ignition switch gear in relation to the lock cylinder. After replacing the ignition lock cylinder and reinstalling the ignition switch i put a new battery in it. I have door buzzer sounds and a flashing security light with a no crank, no start. It doesnt feel like the key is springing back from the start position. I have to manually turn it back.
May 13, 2021 at 7:14 PM (Merged)
Avatar
SCGRANTURISMO
  • CERTIFIED EXPERT
  • 4,897 POSTS
Hello,

This sounds like you might need to do a relearn procedure. I have included a description of the anti theft system, how it works, and the factory relearn procedure in the diagrams down below. Please go through the information and the guide and get back to us with what you able to find out, please.

Thanks,
Alex
2CarPros
May 13, 2021 at 7:14 PM (Merged)
Avatar
NICHOLASCHENOWETH
  • MEMBER
  • 1 POST
I went to replace my ignition lock cylinder. It came out pretty easy but when I went to go put the new one in it would not fit. Well, I thought it might have been the ignition lock housing so I ordered the piece. It turned out it was not the right piece because at the end of the ignition lock housing there is another piece that hooks onto that. The ignition lock cylinder at the very end of the little square piece is suppose to slide right into the rectangle piece. I tried to manually start the truck but it is waiting to manually start if I use a screw driver. It will just do a complete 160. so I have no idea what the part is called and it is kind of confusing me. After I took out the ignition lock cylinder all my lights came on and would not go off so I unhooked battery.
May 13, 2021 at 7:14 PM (Merged)
Avatar
JACOBANDNICKOLAS
  • CERTIFIED EXPERT
  • 110,175 POSTS
Hi and thanks for using 2CarPros.com. I have attached the procedure for replacing the ignition switch. Check to make sure you did not miss anything. Additionally, there are several pictures which related to these directions.

---------------------------

SERVICE AND REPAIR
IGNITION SWITCH REPLACEMENT-ON VEHICLE

Removal Procedure

Disable SIR system, refer to See: Body and FrameAir Bag(s) Arming and Disarming
Remove the trim covers from the column, refer to Steering Column Trim Covers-Replacement. See: Steering and SuspensionSteeringSteering ColumnService and Repair- With Tilt Column
Disconnect the steering column electrical connectors.
Remove the wire harness assembly (1) from the wire harness strap (2).
Remove and dispose of the small wire harness straps from the wire harness assembly (1).
Slide the two connectors (2) of the turn signal and multi-function switch assembly out of the bulkhead connector (1).
Remove the key alarm connector (1) from the lock module assembly (2).
7.1. Rotate the key alarm connector (1) 90 degrees.
7.2 Pull the key alarm connector (1) out of the lock module assembly (2).
Remove the two tapping screws (2) from the ignition and key alarm switch assembly (1).
Installation Procedure
Install the ignition and key alarm switch assembly (1) onto the lock module assembly.
Notice : Use the correct fastener in the correct location. Replacement fasteners must be the correct part number for that application. Fasteners requiring replacement or fasteners requiring the use of thread locking compound or sealant are identified in the service procedure. Do not use paints, lubricants, or corrosion inhibitors on fasteners or fastener joint surfaces unless specified. These coatings affect fastener torque and joint clamping force and may damage the fastener. Use the correct tightening sequence and specifications when installing fasteners in order to avoid damage to parts and systems.
Screw the two tapping screws (2) into the ignition and key alarm switch assembly (1).
Tighten the two tapping screws to 1.5 Nm (13 lb.in) .
Install the key alarm connector (1) into the lock module assembly (2).
4.1. Push the key alarm connector (1) into the lock module assembly (2).
4.2. Rotate the key alarm connector (1) 90 degrees so that the key alarm connector (1) locks into place.
Slide the two connectors (2) of the turn signal and multi-function switch assembly into the bulkhead connector (1).
Connect the steering column electrical connectors.
Attach new wire harness straps to the wire harness assembly (1).
Install the wire harness assembly (1) to the wire harness strap (2).
Install the trim covers to the column, refer to Steering Column Trim Covers-Replacement. See: Steering and SuspensionSteeringSteering ColumnService and Repair- With Tilt Column
Enable the SIR system, refer to See: Body and FrameAir Bag(s) Arming and Disarming

________________________________________________________

Review the directions and pictures and let me know if you do not find what you need or have other questions.

Take care,
Joe
May 13, 2021 at 7:15 PM (Merged)
Avatar
SEAN HORNSTRA
  • MEMBER
  • 1 POST
My key-switch is stuck in the accessories position and will not turn any. you can move the gear shifter in and out but cannot pull the key out of the ignition and it will not budge any. it has never acted up or anything before.
May 13, 2021 at 7:15 PM (Merged)
Avatar
STRAILER
  • CERTIFIED EXPERT
  • 53,854 POSTS
Hello,

Yep it sounds like the key tumbler had fallen apart and needs replacement. Here is some guides (below) that will show you how to get the job done.

Please let us know what happens.

Cheers, Ken
May 13, 2021 at 7:15 PM (Merged)
Avatar
RHOLDER
  • MEMBER
  • 1 POST
What are the first steps in replacement? Should I be concerned about the airbag.
May 13, 2021 at 7:15 PM (Merged)
Avatar
BLUELIGHTNIN6
  • CERTIFIED EXPERT
  • 16,542 POSTS


https://www.2carpros.com/forum/automotive_pictures/261618_Noname_2572.jpg


https://www.2carpros.com/forum/automotive_pictures/261618_Graphic_645.jpg

May 13, 2021 at 7:15 PM (Merged)
Avatar
T_REX51
  • MEMBER
  • 2 POSTS
Make sure you don't disconnect the wiring unless necessary because it coauses it to go into security mode and you will have have taken to a dealer to get it reset. I had to replace mine because someone tried to steal it and broke the ignition switch. It cost me about 100.00 to get it reset.
May 13, 2021 at 7:15 PM (Merged)
Avatar
JJREBHOLZ
  • MEMBER
  • 6 POSTS
The ignition switch is bad on my truck. It works sometimes and not others. If I slip a screw driver in the back side of it, it will work everytime. Is there a possibility there could be some corrosion and I can get it apart and clean it up or should I go ahead and replace it. Also do I have to drop the column down and take the steering wheel off to get the switch off.
May 13, 2021 at 7:15 PM (Merged)
Avatar
MATHIASO
  • CERTIFIED EXPERT
  • 1,209 POSTS
The ignition switch need to be replace, because there will be some day when it will stop working and that day could be anytime and anywhere. Is it c/k series? IF YES FOLLOW INSTRUCTION BELOW. IF NO LET ME KNOW WICH ONE YOU HAVE .


https://www.2carpros.com/forum/automotive_pictures/46384_0900c1528008f609_1.jpg

Remove the column shroud halves. Remove the column-to-dash attaching bolts and slowly lower the steering column, making sure that it is supported. Remove the multi function switch if necessary. Remove the key alarm switch, if equipped by gently prying the alarm switch retaining clip with a small screwdriver. Rotate the alarm switch 1 / 4 in. turn and remove Make sure that the switch is in the Lock position. If the lock cylinder is out, pull the switch rod up to the stop, then go down one detent. Disconnect the actuating rod from the switch. Remove the two screws and the switch To install: Before installation, make sure the switch is in the Lock position. Attach the actuating rod to the switch. Install the switch using the original screws. Tighten the screws to 12 inch. lbs. (1.4 Nm). Install the key alarm switch, if equipped . Make sure the retaining clip is parallel to the lock cylinder. Rotate the alarm switch 1 / 4 in. turn until locked in place. Install the multi function switch if removed Replace the column. Tighten the nuts to 22 ft. lbs. (29 Nm); the bolts to 20 ft. lbs. (27 Nm). Install the column shroud halves. IF THERE IS ALARM, FOLLOW THIS: Exploded view of the alarm switch removal


https://www.2carpros.com/forum/automotive_pictures/46384_0900c1528008f60a_1.jpg

May 13, 2021 at 7:15 PM (Merged)
Avatar
DISANOSMIN
  • MEMBER
  • 2 POSTS
I have an ignition switch that will not kick back out of the starter position. Seldom, it takes many tries to actually engage the starter as if there was something disabling it but it will eventually crank. I have decided to purchase a new ignition switch for replacement from Auto-zone but it would not work at all. I figured that being an aftermarket piece buying one from the dealership will resolve my issue but it is the same story. Neither of the new switches work at all (with the exception of the dash lights) but my old one does. There are no apparent alterations to the cables. Any ideas?
May 13, 2021 at 7:15 PM (Merged)
Avatar
STEVE W.
  • CERTIFIED EXPERT
  • 15,113 POSTS
OK, if I understand your issue, you turn the key to start, sometimes the key comes back to the run position and sometimes it doesn't correct? You say you bought a new switch. Which part? The key cylinder (pic A) or the actual ignition switch (pic B) ?

If you bought part A, that part needs to be programmed into the system. Otherwise the security system will prevent the engine from starting because you have the wrong key (different from what is programmed into the system)

If you bought part B it won't change the issue either. It only moves with the ignition interlock cam to the position you want. The real issue is inside the mechanical section of the shift interlock in the column. There is a spring that moves the interlock and also lets the key rotate forward/back. It has either corroded or partially broke.

It is possible to replace it BUT it is actually much easier, faster and usually cheaper to replace the steering column itself with a used one. Then you would take your current key cylinder out (part A) and replace the one in the replacement column with it so you don't need to reprogram the security system to a different key.

May 13, 2021 at 7:15 PM (Merged)
Avatar
DISANOSMIN
  • MEMBER
  • 2 POSTS
I greatly appreciate your response. A local mechanic replaced part A and it never gave me any trouble. The part I purchased to replace first from Auto-zone and later from the Chevy dealership was part B. Your assessment sounds correct as only the old ignition switch starts the vehicle and neither of the new ones do. The dealership advised that the 1995 model vehicle (mine) does not have the security feature, only 1996 and up. Could they be mistaken?
May 13, 2021 at 7:15 PM (Merged)
Avatar
STEVE W.
  • CERTIFIED EXPERT
  • 15,113 POSTS
It would depend on the actual build date and options ordered if it has VATS. The easy way to tell is to look at the key. If it has a chip in it you have VATS. Also look at the dash when you first turn on the key and during the bulb test, if you see a Security light you have a VATS vehicle.
If you don't that just makes it easier to select a replacement column. Or take it to the local mechanic, he could tear the column apart and repair it as he's probably seen the issue before and knows ho to repair it. Your choice on that.
May 13, 2021 at 7:15 PM (Merged)
Avatar
ALABAMA_WILDMAN
  • MEMBER
  • 1 POST
How do I remove the Ignition Switch, and barrel, from a 1993 Chevy 1500?
..already have Steering Wheel removed.
May 13, 2021 at 7:17 PM (Merged)
Avatar
SATURNTECH9
  • CERTIFIED EXPERT
  • 30,869 POSTS
There you go.
May 13, 2021 at 7:17 PM (Merged)
Avatar
SATURNTECH9
  • CERTIFIED EXPERT
  • 30,869 POSTS
Glad to hear you got it fixed thats what we like to hear.
May 13, 2021 at 7:17 PM (Merged)
Avatar
NICKLOVELACE
  • MEMBER
  • 1 POST
last night I went to turn off my truck but the key would not not turn back and shut the truck off. I then drove home and it was the same thing. I got my key out of the ignition but the switch would not turn back. The truck was still running and the only way i could get it to turn off was to pull the ign fuse and diconnect the battry. But it is still in the on position.
May 13, 2021 at 7:17 PM (Merged)
Avatar
BMRFIXIT
  • CERTIFIED EXPERT
  • 19,053 POSTS
Ignition switch located on the steering column ½ way down almost above the brake pedal you have a link that connect the switch to a rotating ignition cylinder and key I would suspect a broken ignition switch actuator rod or a bad ignition cylinder


https://www.2carpros.com/forum/automotive_pictures/99387_fan_31.jpg

May 13, 2021 at 7:17 PM (Merged)
Avatar
STEPH MINOR
  • MEMBER
  • 1 POST
Key is stuck and the truck is running and won't turn back.
May 13, 2021 at 7:17 PM (Merged)
Avatar
MOTOR MASTER
  • CERTIFIED EXPERT
  • 279 POSTS
Hello my name is Dave.

First question I have is does it have tilt steering? If it does it's not an uncommon problem for the bolts in the column to come lose and cause the rod that goes from the key switch to the ignition module to get jammed inside the column. If this is the problem the column will have a lot of play in it as it it will rock up and down without releasing the tilt mechanism. I couldn't find a diagram or instructions on repairing this issue so I'll do my best to walk you through the procedure. First step is to remove the steering wheel and turn signal switch. After that you need to remove the pivot pins on the side of the column, there is a special tool to do this but if you look you will see they are threaded inside and I have found that taking a bolt of that thread size and putting through a socket that the pin will fit through and tightening it will pull the pin out easily. After that if you look straight down to the top of the lower portion of the column you will see three inverted torx bolts, I have found that if you take a 8mm or 5/16 6 point 1/4 drive socket you can work it in without removing the upper portion completely, now just simply tighten those bolts and reassemble and make sure the ignition rod that runs down the left side of the column isn't bent and if it is it is usually relatively simple to straighten it. I hope this has been helpful and if there is a different issue please feel free to ask more questions and we will be glad to help you further and thank you for using 2CarPros.
May 13, 2021 at 7:17 PM (Merged)
Avatar
YESITSJM
  • MEMBER
  • 1 POST
my ignition cylinder is worn out and the original keys wont work anymore ...i just bought a new ignition cylinder and need to know how to remove the old one and install the new one
May 13, 2021 at 7:17 PM (Merged)
Avatar
RIVERMIKERAT
  • CERTIFIED EXPERT
  • 6,110 POSTS
You need to remove the steering wheel to access the ignition switch. Once it is off, you will have access to the switch. Remove steering wheel. Remove plate under steering wheel. Then refer to the pictures below.
May 13, 2021 at 7:17 PM (Merged)
Avatar
BIGMAC_5
  • MEMBER
  • 1 POST
The key rotates clockwise and turns the truck on. However, it sticks in the on position and will not rotate back to turn the truck off.
May 13, 2021 at 7:17 PM (Merged)
Avatar
KASEKENNY
  • CERTIFIED EXPERT
  • 18,907 POSTS
Hi Bigmac,

More than likely your ignition switch/cylinder is binding. You can take them apart and clean them but is just as easy to replace it.

Here is another posting with a similar issue. Please review this and the attached documents and let me know if you have questions. Thanks

https://www.2carpros.com/questions/chevrolet-silverado-ignition-switch-wont-turn-off-stuck-in-on-position
May 13, 2021 at 7:17 PM (Merged)
Avatar
TGWYN69
  • MEMBER
  • 2 POSTS

The ignition switch lock cylinder will not turn. When you try to turn it, if feel like your bending something inside the column and won't turn. I have replaced the lock/key cylinder but the new one does the same thing.
May 13, 2021 at 7:18 PM (Merged)