Jun 1, 2017 at 3:21 PM
(Merged)
engine overheating
2002 LINCOLN LS
Advertisement
have a pro pressure check coolant system for a head gasket leak
If you had all that work done and it still overheats, I have to ask if it is running good before it overheats? Also, you may want to check the new thermostat to see if it is working properly. There are directions on our homepage under the DIY section for that process. Also, how plugged was the radiator before they flushed it. It could still be plugged inside.
Jun 1, 2017 at 3:22 PM
(Merged)
Advertisement
Engine Cooling problem
2000 Lincoln LS V8 Two Wheel Drive Automatic
my engine keeps overheating i replace the thermostate but still overheats when im driving and sitting still i dont know whats wrong cause it will be fine for a minute and the just overheat fast.
2000 Lincoln LS V8 Two Wheel Drive Automatic
my engine keeps overheating i replace the thermostate but still overheats when im driving and sitting still i dont know whats wrong cause it will be fine for a minute and the just overheat fast.
Jun 1, 2017 at 3:29 PM
(Merged)
check to ensure the radiator fan(s) are coming on properly. also check for any coolant leaks.
Jun 1, 2017 at 3:29 PM
(Merged)
there may be an air pocket in the cooling system, they are had to bleed unless you know how to do it
Jun 1, 2017 at 3:29 PM
(Merged)
Makes a rattle noise when the car over heats boiling water out the reservoir
Jun 1, 2017 at 3:29 PM
(Merged)
That rattling noise means that you have gotten it so hot that the fuel is igniting without the spark plug and you are probably doing serious internal damage to it. You be looking for an engine soon if not already.
Jun 1, 2017 at 3:29 PM
(Merged)
Engine Cooling problem
2004 Lincoln LS V8 Front Wheel Drive Automatic 70677. miles
sometime it will over heat. we put coolant in the return bottle,it say for all cars.the water is backing back into the cooling bottle and then to the ground
2004 Lincoln LS V8 Front Wheel Drive Automatic 70677. miles
sometime it will over heat. we put coolant in the return bottle,it say for all cars.the water is backing back into the cooling bottle and then to the ground
Jun 1, 2017 at 3:29 PM
(Merged)
May need thermostat also check to see if cooling fans are comming on.
Jun 1, 2017 at 3:29 PM
(Merged)
Engine Cooling problem
2000 Lincoln LS 6 cyl Two Wheel Drive Automatic 135000 miles
My Llincoln Ls has been acting up and is making a loud fan noise. The noise starts after you have been driving down the road and the car heats up. It has never overheated on us but the over heat light has come on only once when I was idling. The noise gets louder when you rev the engine and pick up speed on the road. What could this be?
2000 Lincoln LS 6 cyl Two Wheel Drive Automatic 135000 miles
My Llincoln Ls has been acting up and is making a loud fan noise. The noise starts after you have been driving down the road and the car heats up. It has never overheated on us but the over heat light has come on only once when I was idling. The noise gets louder when you rev the engine and pick up speed on the road. What could this be?
Jun 1, 2017 at 3:29 PM
(Merged)
I have a 2000 LS and I am currently having the same problem. I have tried replacing the water pump and the thermostat and none of those repairs worked. My car now when the fan kicks on all high is causing my car to read hot and I am being told that I have probably blown a head guasket. So all I can suggest to you is have this checked before the problems worsens and you potentionally blow a guasket...
Jun 1, 2017 at 3:29 PM
(Merged)
Engine Cooling problem
2000 Lincoln LS Four Wheel Drive Automatic
how much would it cost me to repair a head gasket for my 2000 lincoln LS
2000 Lincoln LS Four Wheel Drive Automatic
how much would it cost me to repair a head gasket for my 2000 lincoln LS
Jun 1, 2017 at 3:29 PM
(Merged)
headgaskets are $50 each from dealer and labor time calls for 17.5 hours on a V6 engine at shop hourly rate
Jun 1, 2017 at 3:29 PM
(Merged)
Engine Cooling problem
2000 Lincoln LS V8 Two Wheel Drive Automatic
----------------------------------------------------------------
i have a 2000 lincoln ls... can you tell me why it would be over heating?
2000 Lincoln LS V8 Two Wheel Drive Automatic
----------------------------------------------------------------
i have a 2000 lincoln ls... can you tell me why it would be over heating?
Jun 1, 2017 at 3:30 PM
(Merged)
most likely it is a bad thermostat.
could also be the vehicle has a bad water pump, is running rich due to bad ignition timing, has a blown headgasket, low radiator fluid, or the cooling fans are not turning on.
could also be the vehicle has a bad water pump, is running rich due to bad ignition timing, has a blown headgasket, low radiator fluid, or the cooling fans are not turning on.
Jun 1, 2017 at 3:30 PM
(Merged)
Engine Cooling problem
2004 Lincoln LS V8 Two Wheel Drive Automatic 78000 miles
My car only overheats when i drive the car, when it is idling it does not overheat. my resverior cap does stay on either.
2004 Lincoln LS V8 Two Wheel Drive Automatic 78000 miles
My car only overheats when i drive the car, when it is idling it does not overheat. my resverior cap does stay on either.
Jun 1, 2017 at 3:30 PM
(Merged)
Get it block and pressure tested
Jun 1, 2017 at 3:30 PM
(Merged)
My car is over heating but there is no leak. When its just sitting and running it heats up to normal operation temp but then bout 10min in to driving it over heats what could be the problem.I have replaced the temp housing for the radiator because it was old and broken because of a overheating. it stopped all the leaks that i was having but now it still over heats and im not real sure as to why if you could help with this problem it would be great if not its fine i thank you for your time.
james conway
james conway
Jun 1, 2017 at 3:30 PM
(Merged)
when engine is hot, shut off and make sure fan will not come on. the place your hand in different spots on radiator. if you feel any cold spots then the radiator is bad it should be same temp allover. If there are green and loose fins same applies. If warm allover then have coolant system pressure checked for internal leaks like intake/head gasket
Jun 1, 2017 at 3:30 PM
(Merged)
It was not the head gasket it was the intake temperature sensor
Jun 16, 2017 at 3:52 PM
Good to hear, please use 2CarPros anytime we are here to help.
Cheers, Ken
Cheers, Ken
Jun 19, 2017 at 10:44 AM
Can a bad aux water pump on 02 ls v8 cause overheating? Changed thermostat and it quit overheating for about 90 miles. Car began to overheat again. Heater also doesn't work. Cant get steady stream from bleed hose by degas when i try.. already have electric fan bypass installed
Jan 10, 2018 at 5:29 PM
Because of the heater not working along with the engine overheating I would think you have a blown head gasket which fills up the heater core with exhaust gases making it not work.
Here is a guide top help confirm the issue.
https://www.2carpros.com/articles/head-gasket-blown-test
Please run this test and get back to us.
Cheers, Ken
Here is a guide top help confirm the issue.
https://www.2carpros.com/articles/head-gasket-blown-test
Please run this test and get back to us.
Cheers, Ken
Jan 11, 2018 at 11:52 AM
Inhad the car for about 7 months woth the heater not working before having any over heating issues. Woukd that matter? Will follow link now
Jan 11, 2018 at 12:15 PM
It can happen overnight basically let me know what you find.
Jan 11, 2018 at 12:29 PM
Bottom of oil cap has residue like described in link
Jan 11, 2018 at 12:31 PM
Yep you have found the problem. Please let us know how much It will cost to fix.
Jan 12, 2018 at 10:17 AM
It is overheating. I have replaced the thermostat and it fixed the problem for about ninety miles and then overheated again. There is no coolant in my oil or oil in my coolant. I have tried to bleed the system, but i cannot get anything to come out of the bleed hose by the degas bottle. None of the hoses leak that i can tell. It "boils" over in my degas bottle. I have been reading that those degas bottles can fail quite often. So that was where my next stop was going to be. However, today i was told it was likely the auxiliary water pump. When Googling it mentioned heater not working. Which my heater has not worked since i purchased it used. Would this cause overheating? About to just sell this car if i cannot figure it out quickly. Thank you.
Jan 12, 2018 at 11:34 AM
(Merged)
I was just driving on the interstate, then like four hours into the trip the car started to overheat. So I turned the heater on in the vehicle and the temperature went down. However, I ran into traffic then it took a dump on me. The status indicator advised pulling over and shut off ignition. I did so and let it cool off turned it back on and checked oil level, and coolant levels, both were fine. There were no leaks, so I turned the car on after cooling and checked the engine compartment turns out the radiator fan stopped working. Please help me out.
Aug 1, 2018 at 8:25 PM
(Merged)
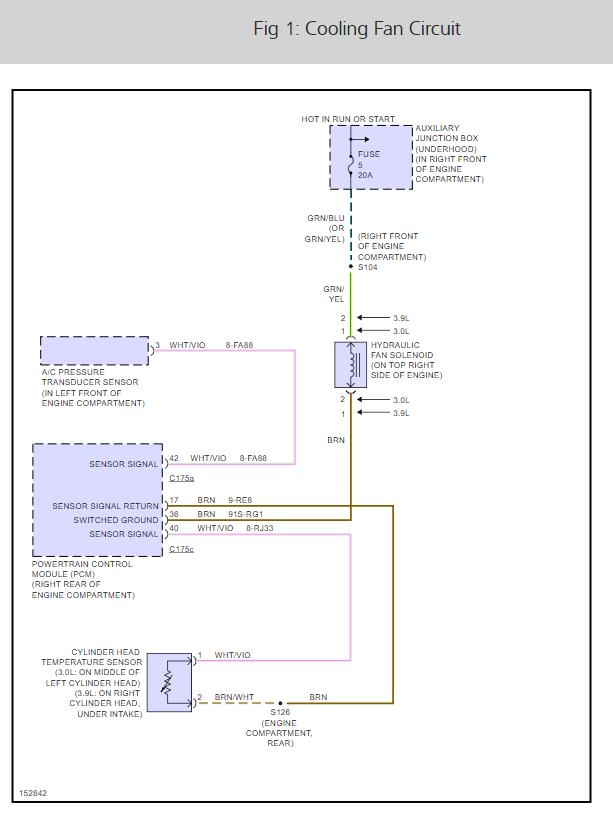
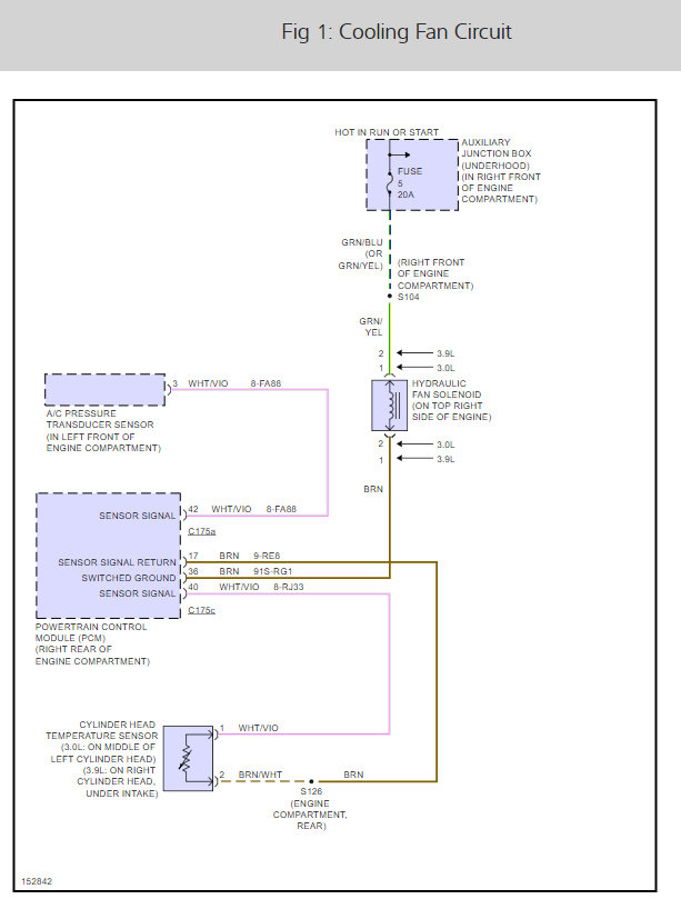
Hi, the cooling fan works off from a temperature switch that senses when engine temperature requires cool down. Also, a fan relay so the fan relay fan motor or temperature sensor has failed. I would have vehicle scanned for codes this will help pinpoint which one has failed. Here are the fan wiring diagrams so we can see how the system works.
These guides can help as well.
https://www.2carpros.com/articles/engine-overheating-or-running-hot
and
https://www.2carpros.com/articles/replace-electric-fan-motor
Check out the diagrams (below). Please let us know what happens.
Cheers
These guides can help as well.
https://www.2carpros.com/articles/engine-overheating-or-running-hot
and
https://www.2carpros.com/articles/replace-electric-fan-motor
Check out the diagrams (below). Please let us know what happens.
Cheers
Aug 1, 2018 at 8:25 PM
(Merged)
I thought the Lincoln IS v-8 does not have a relay for the radiator fan. Although I am not sure. Is this an easy fix?
Aug 1, 2018 at 8:25 PM
(Merged)
It has a relay but it is integrated into a multinational relay. The easiest part to change is the temperature sensor.
Aug 1, 2018 at 8:25 PM
(Merged)
I am almost positive that driving at highway speed will force enough cool air into the radiator to make the vehicle drivable on the highway. I mean is there anything I can do mechanically speaking to at least get a temporary fix until the morning?
Aug 1, 2018 at 8:25 PM
(Merged)
You can turn your air conditioner on or your heat with defroster the fan is designed to come on with the defrosters and the A/C or the temperature. If you are just wanting to get home and have a wire handy unplug the plug from the fan hook two wires up one hot one ground fan will run.
Aug 1, 2018 at 8:25 PM
(Merged)
Thank you very much for the information, you were very helpful.
Aug 1, 2018 at 8:25 PM
(Merged)
hello team, please check this over heating issue....I never pass a similar experience like this....
basically the car LS 2003 V8 had an issue with the thermostat....this was necessary be changed after 50 miles of drive the car....in the last 4 miles the temperature increased in a short period time to the high limit...with the protective system the car was turn off.....one time with the mechanical service the follow items was changed: thermostat, radiator, coolant temperature sensor, water pump, plastic joint parts (housings), head seals, coolant and the 2 caps (radiator & coolant tank), this last was damaged by the pressure during the over heating.
after all parts changed I still continue having in the car the high temperature in 8-10 minutes of continue engine operation, after this period time the car turn off automatically by the safety system.
I need information about the coolant flow in the system, the pump pulley rotation, the belt installation, the manner and values to test the old temperature sensor, auxiliary pump and the current CTS (cylinder temperature sensor).
notes: the fan motor is working good, none coolant leak is present, and I already test without thermostat (none change in the result).
i'll appreciate your help and comments.
basically the car LS 2003 V8 had an issue with the thermostat....this was necessary be changed after 50 miles of drive the car....in the last 4 miles the temperature increased in a short period time to the high limit...with the protective system the car was turn off.....one time with the mechanical service the follow items was changed: thermostat, radiator, coolant temperature sensor, water pump, plastic joint parts (housings), head seals, coolant and the 2 caps (radiator & coolant tank), this last was damaged by the pressure during the over heating.
after all parts changed I still continue having in the car the high temperature in 8-10 minutes of continue engine operation, after this period time the car turn off automatically by the safety system.
I need information about the coolant flow in the system, the pump pulley rotation, the belt installation, the manner and values to test the old temperature sensor, auxiliary pump and the current CTS (cylinder temperature sensor).
notes: the fan motor is working good, none coolant leak is present, and I already test without thermostat (none change in the result).
i'll appreciate your help and comments.
Aug 1, 2018 at 8:25 PM
(Merged)
You are welcome. I will be here all night.
Aug 1, 2018 at 8:25 PM
(Merged)
get a leak down test done to confirm a head gasket failure. it sounds like this has happened from constant overheating
Roy
Roy
Aug 1, 2018 at 8:25 PM
(Merged)
Since your there all night, let me explain the situation right now. I drove six hours from Williamsport, PA to Waterbury, CT. I attempted to drive on the freeway because I assumed that with it being thirty degrees outside that the cold air would cool some of the engine heat down. Turns out I made it not even two miles up the interstate and it over heated again. I managed to make it back to the place I was at earlier in a safer area than the ghetto I was in and now I am waiting for the shop next door to open up. I am terrified that I will not be able to make it home i.e. I am totally freaking out right now. I am not that mechanically familiar with the Lincoln so I am pretty much helpless. I do not know what I should do. Just venting I guess, wish I could know what is going on with my car.
Aug 1, 2018 at 8:25 PM
(Merged)
I understand and you have the right idea to wait for the shop to open. i have been in this situation are you at a truck stop or at least a safe place. it is the best idea driving with this problem will just get you stranded somewhere else. good luck.
Aug 1, 2018 at 8:25 PM
(Merged)
