Overheating

2002 HONDA CIVIC
Avatar
VITAMIN
  • MEMBER
  • 3 POSTS
Four cylinder two wheel drive automatic 85,000 miles.

My engine keeps overheating while I am driving slow, stopping on stop lights, in traffic, etc. When I start driving again, it starts falling. When I accelerate really fast, for example, to pass a vehicle, the temperature shoots up almost immediately. When I am on the highway, everything is fine. I have changed the thermostat and the antifreeze and coolant is at the level it should be. Any suggestions of what could be the cause for this?

Thank you in advance!
May 20, 2008 at 4:28 PM
Advertisement
Avatar
KHLOW2008
  • CERTIFIED EXPERT
  • 41,814 POSTS
Hi there,

Overheating during slow driving can be caused by the cooling fans not operating or are weak but you mentioned hard acceleration will cause the reading to shoot up, I think it could be due to air trapped in the cooling system.

You said coolant level is okay, is it the reserve tank? What about the radiator? is it full when cold?
May 25, 2008 at 6:12 AM
Avatar
VITAMIN
  • MEMBER
  • 3 POSTS
The reserve tank level is always normal, but the radiator fluid level is not visible when it is cold. Today when I used the A/C and it started overheating, it stopped blowing cold air and was blowing warm instead. When accelerated, everything went back to normal. Also, radiator has been changed recently. Should I do a flush to the radiator?
May 25, 2008 at 9:48 PM
Advertisement
Avatar
KHLOW2008
  • CERTIFIED EXPERT
  • 41,814 POSTS
Hi,

When the engine overheats, the AC will stop operating.

Since you just changed the radiator, there is no need to flush it. Most probably the system was not bled to remove air pockets.

Since the radiator fluid is not visible, then you need to top it up and run the engine for a short while without the radiator cap to bleed the air out of the system. Keep topping up when the level drops until the the level stop dropping. If you keep the engine running more than five minutes, turn on the A/C to get the fans working so as not to allow the coolant to heat up to much which might splurge out.

Replace radiator cap and it should be okay.

After bleeding the system keep monitoring for a few days, fluid should be visible when cold. Top if necessary because there might still be minimal air trapped.

Now for the bad news part.

If overheating still occurs and fluid level drops in the radiator but not the reserve tank, then you might have a blown gasket.
May 26, 2008 at 8:46 AM
Avatar
VITAMIN
  • MEMBER
  • 3 POSTS
I went ahead and ran the car without the radiator cap, filled the levels to full and replaced the motor to a fan that sometimes was acting up, and it still is overheating only when the heat is turned up. The AC works perfectly now. What is weird is that when I turn the heat on, I do not get any warm air. Not sure what is going on. I appreciate your replies, thank you.
Jun 9, 2008 at 11:39 PM
Avatar
KHLOW2008
  • CERTIFIED EXPERT
  • 41,814 POSTS
Hi vitamin,

If no heated air, check the following

1. Clogged heater hoses.

2. Clogged heater valve.

3. Faulty air mix door.

4. Air mix control cable adjustment.

I believe you need to check the coolant level again when cold. You might have a leakage in the heater core.
Jun 10, 2008 at 9:34 AM
Avatar
JOELAO
  • MEMBER
  • 1 POST
I know this thread is old, but I like to share this with everyone hoping to help someone else. My sister has a Civic XE 2002 engine overheat problem. She had someone else replaced thermostat, upper and lower hose and still overheat. Here is what I did to solve the problem: I replaced the fan thermo switch because fan not come on, replaced new radiator cap (some overheating problem had been linked to bad cap), replaced radiator reservoir hose because cracked, and do radiator flush it solve her overheat problem.
Oct 4, 2011 at 11:31 PM
Avatar
MY2002CIVIC
  • MEMBER
  • 3 POSTS
I have a 2002 Honda Civic EX with overheating problem. The car has 209,000 miles. My symptoms were radiator coolant bubbles and I am unable to bleed the air out completely. Replacing the radiator and fan switch did not help. In two weeks the car would consume one gallon of coolant and needed to be refilled.
Visual inspection showed no external leaks but I can smell coolant evaporating from the engine area. No visible signs of a white gases coming from the tail pipe.

Finally I took it to the mechanic and they tested coolant in the exhaust and confirmed a leak in the head gasket. Total cost with timing belt change, water pump, parts and labor $2,400.00.
Mar 11, 2016 at 9:25 AM
Avatar
PAMSPLACE00
  • MEMBER
  • 2 POSTS
I have a 2001 Honda Honda Civic EX with 213,000 miles on it. I had an overheating problem. the water pump was bad and so was the head gasket.
The garage put on a new thermostat/gasket, sensor, water pump (timing belt also done same time), and new head gasket kit last week.
Drove the car a few days and didnt run on H like before would go up 3/4's of the way.
Today,when parked and sitting idle,it went up to H. I shut the car off and when I got out and checked. there was antifreeze spewed out on the ground under my car. Help! What else could it be? I appreciate any information/inputs/ideas. Thank you
Jun 16, 2016 at 9:57 AM
Avatar
MY2002CIVIC
  • MEMBER
  • 3 POSTS
I think it is your head gasket they go out at about two hundred thousand miles. I would have the shop test your exhaust for coolant chemicals to confirm.
Jun 16, 2016 at 10:52 AM
Avatar
JUANA ISLAS ARVIZU
  • MEMBER
  • 2 POSTS
Hi my name is Juana. My car is over heating I changed the fan, the thermostat, the hoses, the cap, the switch and still over heats. The radiator always needs coolant but the other back up tank is always full. Can you help me figure out please?

Sent from my iPhone
Jan 21, 2017 at 5:04 PM
Avatar
MY2002CIVIC
  • MEMBER
  • 3 POSTS
Hi Juana, if your Civic is over 140,000 and you have replaced parts like cap hoses and the fan switch etc, it is probably time for a head gasket. Most Honda Civic's usually need this replaced around this mileage.
Jan 21, 2017 at 5:20 PM
Avatar
KELLYBOY3
  • MEMBER
  • 2 POSTS
Four cylinder two wheel drive manual 900,000 miles.

My engine just started to overheat today. It goes to the high mark on the dial on the dashboard within five minutes of driving. Is there a quick fix? I was thinking of putting some water into the radiator to cool it down. Does that work? And if so do you know where the radiator and the tube that goes to the radiator is on my car? Thanks
Jan 22, 2017 at 10:16 AM (Merged)
Avatar
F4I_GUY
  • CERTIFIED EXPERT
  • 3,302 POSTS
It is critical that you do not let your engine overheat like that again. if it starts to overheat, turn the blower fan on hot and high to pull some of the heat away from the engine and shut off the vehicle.

As to why your engine is overheating, it could be numerous things. Faulty water pump, thermostat, low coolant, coolant leak, etc.

First check is to much sure you have coolant, if you are low on coolant you have a leak and must get the system pressure tested.

Good luck.
Jan 22, 2017 at 10:16 AM (Merged)
Avatar
KELLYBOY3
  • MEMBER
  • 2 POSTS
I appreciate the help. I checked and added more coolant and that did not help. so I am going to take it into the shop today.
Jan 22, 2017 at 10:16 AM (Merged)
Avatar
F4I_GUY
  • CERTIFIED EXPERT
  • 3,302 POSTS
Well hopefully it is not a major issue.

Good luck with the vehicle.
Jan 22, 2017 at 10:16 AM (Merged)
Avatar
MATTYMEDALS
  • MEMBER
  • 2 POSTS
Four cylinder two wheel drive automatic 142,000 miles.

I just read about somebody who was having radiator problems. You mentioned that if the car is overheating, losing coolant but the resevoir level stayed the same it could be a blown gasket. Could you elaborate on this. Blown head gasket? Is this a major repair? Costly? How can I check for this?
Jan 22, 2017 at 10:16 AM (Merged)
Avatar
KHLOW2008
  • CERTIFIED EXPERT
  • 41,814 POSTS
Hi Mattymedals,

Thank you for the donation.

If you are loosing coolant and the reserve tank remains the same, it could mean the following :

1. Bad radiator cap.
2. Leaks in hose from radiator to reserve tank.
3. Excessive air in system.
4. Bad head gasket. This problem usually increases the coolant level in reserve tank.
5. Fast leaks in cooling system.

If it is a bad head gasket, repairs can be more than $1,000.00 depending on what needs to be done.

A pressure test would determine if the system is leaking.

To check if the head gasket is bad, here is a simple way.
Ensure there are no air in cooling system. Run engine with radiator cap open and top up if necessary. If coolant level does not drop, close radiator cap.
Remove hose from reserve tank.
Insert hose into a transparent botle filled with water.
Start and run engine.
Run till radiator fan comes on.
If there are bubbles in the bottle, run for a while longer until the air has been bled out of cooling system.
If bubbles continues and does not stop, the head gasket is bad.
Try sudden reving of the engine and note if the bubbles increases at that instance. If yes, gasket is bad and compression is leaking.


And use a transparent bottle filled with water.
Jan 22, 2017 at 10:16 AM (Merged)
Avatar
MATTYMEDALS
  • MEMBER
  • 2 POSTS
Thanks for the information. When the car overheated the hose to the reserve tank was more or less blown off. Could this indicate anything?
Jan 22, 2017 at 10:16 AM (Merged)
Avatar
KHLOW2008
  • CERTIFIED EXPERT
  • 41,814 POSTS
That should not happen. Check if the hose to reserve tank is clogged or kinked. That would cause pressure to build up and blow the hose off.
Jan 22, 2017 at 10:16 AM (Merged)
Avatar
ZIMMER7
  • MEMBER
  • 6 POSTS
I was driving my car on the interstate, and my car started to over heat. i turned off the engine, and it would not start after cooling down. i had it towed to a local place who told me my cooling fan was broken and possibly could have a blown head gasket, because there was coolant on the engine and steam coming out of the radiator when he would try and start the car. I then had my car towed to my mechanic who ran a pressure test and found no leaks. He fixed the fan and said the car did not overheat when he test drove it. I picked it up today and my heater would only blow warm air when I was at a high rpm, and then my temperature gauge kept going up and down. It runs, but there is definitely something wrong. Any suggestions?
Jan 22, 2017 at 10:16 AM (Merged)
Avatar
ASEMASTER6371
  • CERTIFIED EXPERT
  • 52,796 POSTS
yes, you have a blown head gasket. have a leak down test done to confirm.

Roy
Jan 22, 2017 at 10:16 AM (Merged)
Avatar
CARADIODOC
  • CERTIFIED EXPERT
  • 34,306 POSTS
Leaking cylinder head gaskets often does not show up with a pressure test, especially after the engine has cooled down. The best way to identify them is with a "sniffer" test. That involves drawing air from the radiator through a glass cylinder with two chambers partially-filled with a special dark blue liquid. If combustion gases are present that liquid will turn bright yellow.

When combustion gases leak into the cooling system fast enough they can pool under the thermostat and prevent it from opening. Thermostats open in response to hot liquid, not hot air. That is likely what started all the trouble. Your radiator fan may indeed have been bad but it is not needed at highway speed. A fan that does not run will not cause overheating at higher speeds when you have natural air flow through the radiator. A leaking head gasket can cause overheating at any speed if the thermostat closes and blocks coolant flow to the radiator.

The two additional clues to a leaking head gasket are the temperature gauge going up and down as the thermostat repeatedly opens and closes as the air pools under it and it gets hit with hot coolant sloshing around, and the reduced circulation brings less hot coolant into the heater core in the dash so the air will not be very hot.
Jan 22, 2017 at 10:16 AM (Merged)
Avatar
ZIMMER7
  • MEMBER
  • 6 POSTS
That is not what I was hoping to hear. I am calling the shop I go to in the morning. Any idea how much it would cost to repair? is it even worth repairing?
Jan 22, 2017 at 10:16 AM (Merged)
Avatar
CARADIODOC
  • CERTIFIED EXPERT
  • 34,306 POSTS
Leaking head gaskets are common on many car brands and it can happen on much newer ones. There are a lot of variables in the cost of repair but a guess would be between $500.00 and $1,000.00 which is a lot less than a few months worth of new-car payments. Your mechanic will likely also want to replace the timing belt. It will be off already, and if it breaks the cylinder head will have to come off again to replace bent valves. Honda used to recommend the belt be replaced every 75,000 miles, and they typically broke at 65,000 miles leading to a lot of expensive repair bills.

I personally would rather stick money into a 2002 model anything than buy any newer car. Some of the new technology is nice but a lot of it is inappropriate for cars. That is why I refuse to give up my 1988 Grand Caravan. I have three newer vehicles but I do not trust them as much to get me back home. Look at how much trouble we have with home computers. Cars may not let you sitting on the side of the road as often as they used to, but look at the expense people go through when a computer failure causes things like no power windows or lock, or the heater system does not work right.
Jan 22, 2017 at 10:16 AM (Merged)
Avatar
ZIMMER7
  • MEMBER
  • 6 POSTS
Thanks for the help. I will give you an update when I find more out tomorrow.
Jan 22, 2017 at 10:16 AM (Merged)
Avatar
ZIMMER7
  • MEMBER
  • 6 POSTS
So I finally got my car back today, and they say my PVC valve was causing all the problems I was having. Car seems to be running fine now. Could this have been the cause of all my earlier troubles?
Jan 22, 2017 at 10:16 AM (Merged)
Avatar
ASEMASTER6371
  • CERTIFIED EXPERT
  • 52,796 POSTS
PCV does not effect overheating or cooling fans.

Roy
Jan 22, 2017 at 10:16 AM (Merged)
Avatar
MICKELLE85
  • MEMBER
  • 3 POSTS
My car keeps overheating. A diagnostic has been ran, car still has very good compression. I have changed the radiator cap, thermostat and the gasket for the thermostat housing. Fans kick on and water pump is not leaking. At a loss. Please help!
Jan 22, 2017 at 10:16 AM (Merged)
Avatar
ZIMMER7
  • MEMBER
  • 6 POSTS
If I do have a blown head gasket, would my car be running fine or running at all? Heater/AC work and temperature gauge is steady.
Jan 22, 2017 at 10:16 AM (Merged)
Avatar
WRENCHTECH
  • CERTIFIED EXPERT
  • 20,761 POSTS
What happens after the fan kicks on? Does the temperature continue to rise and the fan keep running or does the temperature come down and the fan shut off?
Jan 22, 2017 at 10:16 AM (Merged)
Avatar
ASEMASTER6371
  • CERTIFIED EXPERT
  • 52,796 POSTS
as i suggested early on, have a leak down test done to verify. Do not use the shop that told you a PCV valve.

Roy
Jan 22, 2017 at 10:16 AM (Merged)
Avatar
MICKELLE85
  • MEMBER
  • 3 POSTS
Temperature continues to rise while fan keeps running.
Jan 22, 2017 at 10:16 AM (Merged)
Avatar
ZIMMER7
  • MEMBER
  • 6 POSTS
I did have a head gasket out. Got everything fixed for a reasonable amount. Will never go back to the original shop I took it to. Thanks for your help. One more question though, maybe I never noticed this before, but when I am idling I have a little shake. Nothing too major, just enough to notice. Any ideas?
Jan 22, 2017 at 10:16 AM (Merged)
Avatar
WRENCHTECH
  • CERTIFIED EXPERT
  • 20,761 POSTS
If you are sure you got the coolant full and all the air out then you likely have a blown head gasket from the previous overheat.
Jan 22, 2017 at 10:16 AM (Merged)
Avatar
MICKELLE85
  • MEMBER
  • 3 POSTS
Is it possible to have a blown gasket even if all diagnostics came back good?
Jan 22, 2017 at 10:16 AM (Merged)
Avatar
WRENCHTECH
  • CERTIFIED EXPERT
  • 20,761 POSTS
Most definitely. Head gaskets can be hard to verify sometimes. They can blow in may different way. If you have a small break between the cylinder and a coolant port it will push hot exhaust gases into the cooling system. The best way to find it is using an exhaust analyzer and looking for hydrocarbons at the radiator cap with the engine running.
Jan 22, 2017 at 10:16 AM (Merged)
Avatar
ADEACH711
  • MEMBER
  • 1 POST
my car is overheating while at a stop. my fan is not coming on. However, when i turned on the AC the fan came on. what is up with that?
Jan 22, 2017 at 10:16 AM (Merged)
Avatar
HMAC300
  • CERTIFIED EXPERT
  • 48,601 POSTS
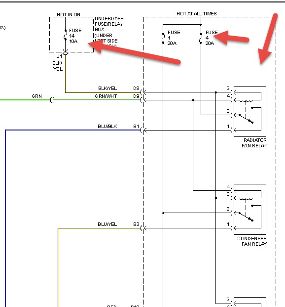
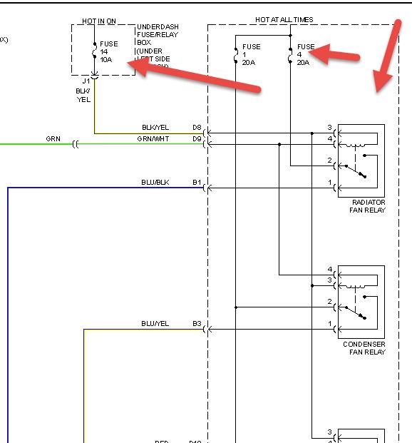
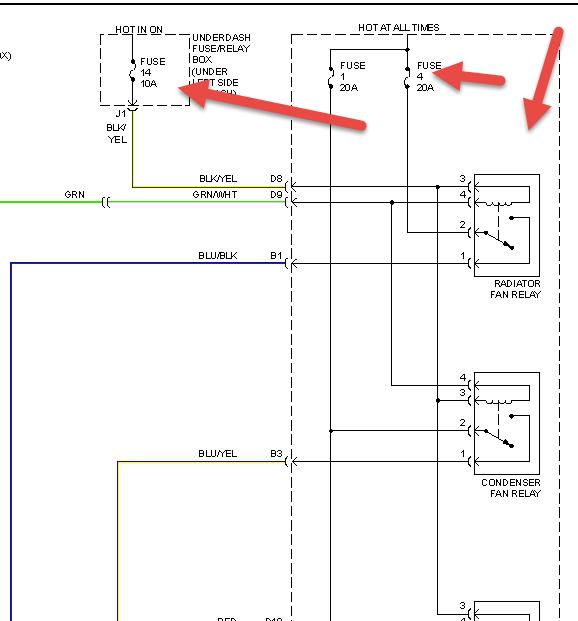
check items in picture the condenser fan is coming on when A/C is on.
Jan 22, 2017 at 10:16 AM (Merged)
Avatar
ACASAS
  • MEMBER
  • 3 POSTS
Four cylinder 179,000 miles.

My car has been overheating and we got the thermostat replaced and it worked for a few days. Afterwards we replaced the radiator. The car was working fine for about two weeks and then it started to overheat again. I turned off the car since I was not sure what else to do when it started to overheat. I gave it a few minutes and the car hesitated to turn on, like as if it shook inside the hood or something. We took it back to the mechanic who replaced the radiator but could not find out what was wrong with the car. My husband says there is a leak because it needed coolant again after they topped it off when they replaced the radiator. What could it be?
Jan 22, 2017 at 10:16 AM (Merged)
Avatar
HONDA TECH 1818
  • CERTIFIED EXPERT
  • 536 POSTS
The head gasket is bad. The exhaust side of the head gasket is leaking.
Jan 22, 2017 at 10:16 AM (Merged)