Has spark just wont start up

2002 CHEVROLET IMPALA
12,000 MILES
Avatar
DECRANE
  • MEMBER
  • 2 POSTS
My car listed above has a 3.4L engine. I replaced fuel pressure regulator and fuel filter. checked fuel pressure reads 50. has spark just wont start up. any ideas? i thought maybe crank sensor but if that was bad it would not have spark. When you turn the key to the on position it comes up red battery light then goes to solid orange or yellow security then back to battery light back and forth. I have read a lot about the security system shut down; but wouldn't that disable fuel pump? that what I have read. anyways pump is working, has spark and rolls over just wont fire up. I read if it's the security issue the car wont even turn over. I have it sitting in garage now with key in on position letting it sit like that for 20 minutes or so. I read that resets the security problem if that is even what is wrong.

Thanks for you help thanks
Oct 20, 2012 at 1:11 AM
Advertisement
Avatar
SATURNTECH9
  • CERTIFIED EXPERT
  • 30,869 POSTS
On that car the fuel injectors are disabled i posted how to relearn the pass lock try that and see if it starts.If it does you will need your body control module scanned for codes.The pass lock sensor failing on those is common.

Here is a guide to help you as well.

https://www.2carpros.com/articles/how-to-reset-a-security-system

Check out this guide as well

https://www.2carpros.com/articles/car-cranks-but-wont-start

Then you have a pass lock issue get the body control module scanned for codes?Let me know the exact codes if you have a B2960 and or B3033 then most likely you have a bad pass lock sensor.

Please let us know what happens.

Cheers
Oct 20, 2012 at 2:59 AM
Avatar
DECRANE
  • MEMBER
  • 2 POSTS
Hey! it started right up thanks for the tip :) I love this site, you guys are great.
Oct 20, 2012 at 4:11 AM
Advertisement
Avatar
SATURNTECH9
  • CERTIFIED EXPERT
  • 30,869 POSTS
Good to hear, please use 2CarPros anytime we are here to help.

Cheers
Oct 20, 2012 at 7:05 AM
Avatar
RICKY6/11
  • MEMBER
  • 1 POST
No pulse to injectors. Replaced crank sensor cam sensor and fuel pump.
Mar 6, 2021 at 1:38 PM (Merged)
Avatar
ASEMASTER6371
  • CERTIFIED EXPERT
  • 52,796 POSTS
Good afternoon,

Do you have an RPM signal while cranking? You can tell if you have a tachometer inside the car. It will move up a little while cranking.

If you do then the PCM is most likely the failure. I uses the crank sensor a signal to pulse the injectors.

If you do not then you need to check wiring for the sensors and the PCM.

https://www.2carpros.com/articles/car-cranks-but-wont-start

Roy
Mar 6, 2021 at 1:38 PM (Merged)
Avatar
JOSEPH IRWIN
  • MEMBER
  • 1 POST
The following has been replaced:Crank shaft sensors,Fuel pump,Plugs and wires,Mass flow sensor
Mar 6, 2021 at 1:38 PM (Merged)
Avatar
SEVAG P
  • CERTIFIED EXPERT
  • 405 POSTS
Hi, thanks for using 2CarPros.

As a first step fault codes must be checked, run our guide lines engine crank but does not start.
https://www.2carpros.com/articles/car-cranks-but-wont-start

Check if fuel is present.

https://www.2carpros.com/articles/how-to-check-fuel-system-pressure-and-regulator

Check for spark.
https://www.2carpros.com/articles/how-to-test-an-ignition-system

Check engine compression.
https://www.2carpros.com/articles/how-to-test-engine-compression

Waiting for your feed back.
Thank you.

Mar 6, 2021 at 1:38 PM (Merged)
Avatar
GREENWOOD76
  • MEMBER
  • 1 POST
Car will turn over but will not fire. it has spark, fuel pump pushing gas to fuel rail. It has been three weeks, I cannot get it to turn over. had a guy named Ducrane sounds like same problem.
Mar 6, 2021 at 1:39 PM (Merged)
Avatar
HARRY P
  • CERTIFIED EXPERT
  • 2,292 POSTS
Have you tried spraying starting fluid into the intake? If so, did it do anything?

You can have fuel at the rail but not be getting enough pressure to start the engine. I would suggest borrowing a fuel pressure gauge from the local parts shop and run the test on it. With the key switched on, you should get between 52 and 59 PSI. Any less simply will not be enough.

Start there and let us know what you find.
Mar 6, 2021 at 1:39 PM (Merged)
Avatar
RENEE L
  • CERTIFIED EXPERT
  • 1,260 POSTS
Hi GREENWOOD76,

Here is a helpful link to an article from this site with step by step instructions and pictures explaining the process of checking the fuel-system-pressure-and-regulator.

https://www.2carpros.com/articles/how-to-check-fuel-system-pressure-and-regulator

If you need further assistance please come back to the site we are here to help.

Thank you for visiting 2CarPros.com.

Kindest regards,

Renee
Admin
Mar 6, 2021 at 1:39 PM (Merged)
Avatar
CROSAS92
  • MEMBER
  • 1 POST
So I just got a car from my brother and he wasn't driving the car at all it was just sitting for months. Now I drove it from Georgia to Florida to get it to my house to be able to get everything registered. So the next day I got a oil change on it and the car was good. I just needed to get a fluid flush in a month or so. So two days later I was driving the car to church and the car started to knock under the hood. I took it to a mechanic and I was told that my engine locked up on it. Now I've spoken to other mechanics and they're all telling me that the car just needed a new fuel filter and a fuel pump or just a fuel pump because the car wouldn't be driving for a couple of days and just stop. Whenever I try to crank the car it does nothing. I had a new battery put in the car and the starter tested and both of them is working perfectly fine.
Mar 6, 2021 at 1:42 PM (Merged)
Avatar
ASEMASTER6371
  • CERTIFIED EXPERT
  • 52,796 POSTS
Good afternoon,

Can you turn the engine by hand?

https://www.2carpros.com/articles/car-cranks-but-wont-start

Did the mechanic who told you it needed a fuel pump check the car in person?

If the engine is locked up, it will not turn by hand.

If it is not, then testing has to be done as to why it will not crank.

Roy
Mar 6, 2021 at 1:42 PM (Merged)
Avatar
WALDOK
  • MEMBER
  • 2 POSTS
for the past year i have had this problem and it is just happing more often. the car will start fine and than other times it just will not start. i wait 30 min and it will start back up. when it runs it's great but when i turn it off who knows if it will start again. no one seems to know what the problem is. i have a new battery, new switch, new bmc and it still has not solved my problem. please i just need some advice or help on the problem. the dealer just tells me i need to wait till it stops and will not start and have it towed in before they can tell me what it is. when i put the key in it just does nothing everything else works on the car i wait my half hour and put the key back in and it will start up!!! someone told me it is my passlock what ever that is others have told me not to use the lock switch on my key ring and others have told me it is in the transmission no one seems to have and answer. so l hope you may have one for me or at least let me know who or where i can go or call to get an answer.
please someone out there must know what is the problem!!!!!!

help me!!!!!
Mar 6, 2021 at 1:45 PM (Merged)
Avatar
RENAUDTN
  • CERTIFIED EXPERT
  • 636 POSTS
Hello there,

It does sound like a Passlock problem. Is your security light on or blinking when it happens? If so it confirms a Passlock problem. By the way, Passlock II is your theft deterrent system. When triggered it locks either the starter or the fuel injectors. Ask your dealer to troubleshoot your passlock. Since you replaced a bunch of parts already, you may have a problem with your passlock sensor, your ignition lock cylinder, or possibly a bad connection between your passlock sensor and BCM. It could also be that your passlock system needs to be reprogrammed. Let me know what you find out. If you do a search online, you’ll see that it is a very common problem with GM cars. Do a little bit of research before the dealer takes you for a ride. Good luck
Mar 6, 2021 at 1:45 PM (Merged)
Avatar
WALDOK
  • MEMBER
  • 2 POSTS
i will look into this and i really hope this is the problem. not sure why when i have asked the dealer before they just keep telling me i have to wait til it will not start and have it towed in. when this has been going on for a year and now it is just getting worst and happing more often.
so will look into this and will be sure to let you know what i find out.

thanks again
kwaldo
Mar 6, 2021 at 1:45 PM (Merged)
Avatar
TAKECHARGESARGE
  • CERTIFIED EXPERT
  • 92 POSTS
Did you determine the cause of your engine problem and get it corrected? I was just looking through the forum and came across your posting. There was no reply to the answer you got from one of the members.I am very familiar with this type of problem because the same thing happened to me about 3 years ago.There were no indications except the battery showed in the message center. No malfunction codes when the Code Reader was connected either.I had the same problems getting a Chevy Dealer to diagnose it, because it wouldn't show any code.It turned out to be the Crankshaft Position Sensor.
Mar 6, 2021 at 1:45 PM (Merged)
Avatar
DAWGETTE
  • MEMBER
  • 1 POST
My 2001 Chevy Impala (118000 miles; V8)won't crank either. The radio and lights etc work, but it won't start. If you let it sit for about 30 minutes, it starts. We've taken it to our mechanic, but of course it won't do it for him. We put about $1200 towards repairs, but so far nothing's worked. Have you found a solution to your problem? Another blog said that it may be a "faulty computer ground wire" -- I guess we'll try it next
Also I was driving the other day and the car just cut off. The radio, lights, etc worked, but the car stopped. It cranked right back up, after I forced it to the side of the road. I hope it's not falling apart
Mar 6, 2021 at 1:47 PM (Merged)
Avatar
JASES10
  • MEMBER
  • 1 POST
I have the same problem with my 2001 impala. It wou't start in cold weather and dies whiile I drive down the road. I took it to the dealer and am getting ready to get it back. They said the Crank Shaft Position Sensor was bad, as well as the serpetine belt was cracked -not that the belt would affect it though. Hopefully this is the answer so many impala owners need. I will give update. Thanks, Jason
Mar 6, 2021 at 1:47 PM (Merged)
Avatar
DRP700
  • MEMBER
  • 1 POST
I have a 2001 impala , I ran out of gas a couple of times in a 2 week period . Now it starts and will run for a little while but then it sguts off like it is out of gas and wont start . after it sits for a day or so it will start and do the same thing. Can you tell me what the problem is.
Mar 6, 2021 at 1:48 PM (Merged)
Avatar
RENAUDTN
  • CERTIFIED EXPERT
  • 636 POSTS
When your car doesn’t start you have to figure out what’s missing: fuel, spark, compression (less likely since it starts eventually). When your car doesn’t start, put a spark tester on there and check for spark. If none of the plugs have sparks, the crank sensor is the likely culprit.
Also, check your fuel pressure.
Mar 6, 2021 at 1:48 PM (Merged)
Avatar
JJONESCHAPPY
  • MEMBER
  • 1 POST
i have full power, the radio, interior lights, head light's ect., and the battery is new. I was told that the coil pack and module needed to be replaced so I did that, still nothing. Before replacing coil pack and module the car would sometimes start with a jump now it won't. When I turn it over there is nothing, no crank,no clicking, nothing at all. When out on the diagnostic reader/code reader it says "purge control valve circuit. Could that be the reason it wont start? Please help, other than not starting it is a great car.
Mar 6, 2021 at 1:52 PM (Merged)
Avatar
SCGRANTURISMO
  • CERTIFIED EXPERT
  • 4,897 POSTS
Hello,

There is only three things that are needed to make a vehicle start. They are, in no particular order, 1) Spark(delivered at the proper time) 2) Fuel 3)Compression. So let's start with the first thing and by a process of elimination we will get to the reasons your vehicle is not starting. I have included a link for you to go to down below.

https://www.2carpros.com/articles/how-to-test-an-ignition-system

Please go through this guide and get back to us with what you are able to find out.

Thanks,
Alex
2CarPros
Mar 6, 2021 at 1:52 PM (Merged)
Avatar
WMAJESKI
  • MEMBER
  • 1 POST
I have a 2000 Impala that will start fine most of the time but under varying conditions once it has been turned off it is very difficult to restart. Fuel problems have been ruled out with pressure guage and anecdotally by flooding when it does not start. The coils have been checked and all primary and secondary resistances are within nominal ranges. sometimes it happens in high humidity conditions sometimes in low humidty, same with high and low temperatures. Car will start all day and then when I park in the evening and try to start before going out it will not start. After sitting for between 5 and 15 minutes it then will start. There is no recurring repeatable source of problem (time, weather, etc) the problem does seem to occur more frequently in warm and humid conditions. I have replaced plugs and wires with no improvement in the problem.
Mar 6, 2021 at 1:53 PM (Merged)
Avatar
TAKECHARGESARGE
  • CERTIFIED EXPERT
  • 92 POSTS
Hi wmajeski,

I had a problem with my 2000 Impala a few years back that came to mind when I read your post.
Especially, the problem seeming to correct itself in five to fifteen minutes.

The problem on my Impala was the crankshaft position sensor. The resistance through the sensor must be within a certain range or the ignition system will shut off. I noticed that the sensor removed from my car had a buildup of magnetized particles in the grooves. And it always was able to be started after a five to fifteen minute wait. I suspect that this buildup somehow affected the resistance and the few minutes somehow made a difference in the resistance. I know it sounds pretty far out, but so is a car that will no start now, but will in five to fifteen minutes from now.
Anyway, I think it is probably worth a try to check out the sensor as the culprit since all the rest of the engine ignition components have been eliminated.

Good luck,

TakeChargeSarge
Mar 6, 2021 at 1:53 PM (Merged)
Avatar
CHERIEC
  • MEMBER
  • 5 POSTS
Yesterday I drove my car to the corner store which is a five minute run. Forty-five minutes later I started it to leave again and it cut off after a few minutes of starting it. When trying to turn it back on it sounds like it is, but it just cuts off. Even when I try to push the gas pedal to give it that push it will still cut off. Today my ex who is semi car smart tapped where my fuel filter is and it started up. It stayed running, but smoked a white smoke as if it were cold out, but it was not. After about five minutes he turned it off and it would not start again. My check engine light is on as well. He was supposed to have his mechanic come look, but never came so I figured I would give you all a try! Thank you for your time.
Mar 6, 2021 at 1:53 PM (Merged)
Avatar
HMAC300
  • CERTIFIED EXPERT
  • 48,601 POSTS
it sounds as if there is a fuel pump problem with this. the smoke may be from no fuel then starting when it did. so check fuel pressure with a gauge auto parts rent it. see link:
https://www.2carpros.com/articles/how-to-check-fuel-system-pressure-and-regulator
if your car has been having a hard time going up hills or starting hard may also be associated with it. then scan for codes because check engine light is on auto parts does for free.
Mar 6, 2021 at 1:53 PM (Merged)
Avatar
CHERIEC
  • MEMBER
  • 5 POSTS
Thank you for the information I will give that a try. I never had any issue's starting it before this. It started up just fine and drove just fine as well. That is why it through me for a loop to just not work now.
Mar 6, 2021 at 1:53 PM (Merged)
Avatar
00IMPALAKID
  • MEMBER
  • 8 POSTS
I have had huge problems with car not starting. All I hear is a relay click somewhere under the dash. Had the car in Napa certified shop for a month, replaced BCM, worked for about a month, then started doing it again. Fuel pump cycles, the car just does not attempt to crank over. It is random, sometimes it works, sometimes it does not. In the winter or cold weather it is much worse. Check engine light is on. codes: "mil off, Monitors, 5 inc, catalyst, evap, 02 sensor, 02 htr, EGR three ready, misfire, fuel, comp" I have put over a thousand dollars into trying to fix this problem. Yes the starter relay has been checked, and the ignition switch has been completely replaced, tumbler, pass-lock, switch, etc. I can turn the key to the "on" position, and take out the crank relay under the hood, and if I jump the crank relay terminals with a wire it will start, but the gauges do not work. You think it could be a bad ECU?

Please help me!
Mar 6, 2021 at 1:55 PM (Merged)
Avatar
JACOBANDNICKOLAS
  • CERTIFIED EXPERT
  • 110,175 POSTS
If you can jump the starter relay, then there is no power getting to where it needs to be. Recheck the wiring to the ignition switch. Even though the switch is new, there has to be a problem between the two.

Here is a guide that can help us get going in the right direction:

https://www.2carpros.com/articles/car-cranks-but-wont-start

Please let us know what happens.

Cheers
Mar 6, 2021 at 1:55 PM (Merged)
Avatar
00IMPALAKID
  • MEMBER
  • 8 POSTS
Okay I will do that. Do you think that the main computer could be causing this too? because there are lots and lots of small problems, headlights flashing, gauges not working sometimes, windshield wipers going by themselves, etc., that seem to be part of a bigger issue. And now the transmission is just not shifting right and the rev limiter or something is all weird. That is why I am wondering about the BCM, but not sure.
Mar 6, 2021 at 1:55 PM (Merged)
Avatar
JACOBANDNICKOLAS
  • CERTIFIED EXPERT
  • 110,175 POSTS
It could be. Since you are having that many electrical problems, it makes me wonder if you have a ground issue or body control module (BCM) issue. Just for the heck of it, make sure the battery terminals are clean and tight, the cables are in good condition, and the ground to the engine block is clean and tight.
Mar 6, 2021 at 1:55 PM (Merged)
Avatar
00IMPALAKID
  • MEMBER
  • 8 POSTS
yes all that stuff is clean and has been checked. I had it at a mechanics shop for six months, and he completely looked the car over (so he says) and replaced the BCM. thousands of dollars worth of work. I have also checked all the basics, replaced the started, checked all the obvious grounds, everything i can possibly think of. I have had multiple mechanics look at it, they all seem to say it is a computer or a ground issue, but they have all been checked. the ECU seems to be the last reasonable option. I also went to a junkyard and bought an ECU and plugged it in, now I have the same problems with some other new things. so i was thinking getting the ECU scanned into my actual vehicle might work. But i am not a mechanic, so who knows. The problem was completely random, started about eighteen months ago out of no where, so i do not know what the deal is with it.
Mar 6, 2021 at 1:55 PM (Merged)
Avatar
JACOBANDNICKOLAS
  • CERTIFIED EXPERT
  • 110,175 POSTS
First, make sure the ECU you got has the same part number. If it is different, it will not work properly. Since everything has been checked, I still feel the problem is in the wiring between the ignition switch and the relay. You could have an internal break in the wiring that cannot be seen. As a result, continuity needs to be checked through the power supply wires.

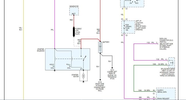
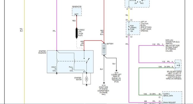
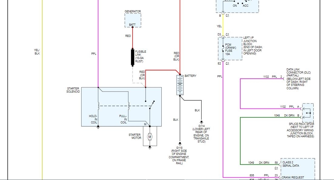
I have attached a schematic of the starting system for you to look at. There are a few things I need you to check. First, from the positive remote (under the hood) power is supplied to the ignition switch via a red wire. Check at the switch to make sure it is hot. From there, it follows a yellow wire to the PCM crank fuse (10 amp). Make sure it is not blown and make sure you have power in that wire with the key in the start position. After the fuse, the wire in question is purple and runs to the PCM crank request/crank relay control in the air box (check for power). If there is still power, the wire to follow is yellow with a black tracer which runs to the under-hood junction block (pin C10). (check for power) From there, power comes out from a purple wire (pin B10) and goes to the starter solenoid. Check for power. Keep in mind, the purple wire actuates the solenoid and energizes the starter. However, the true power to the starter (to turn it) is always hot. It is the big wire directly from the battery. Also, all of the places I said to check for power needs to be done with the key in the start position, and there should be twelve volts present. If you have power throughout the map I sent you, the starter system has been checked. Which leads me to the next question. Are all the wires in the junction block (under the hood) clean, tight, and not corroded?

Sorry this is so long, but it takes awhile to explain it all. Also, I want you to let me know if the vehicle has a factory remote start system. Finally, when you are checking for power, make sure to move the wires around to make sure power continues to flow and not stop.

See where you are losing power

https://www.2carpros.com/articles/how-to-use-a-test-light-circuit-tester

Check out the diagrams (Below)

Let me know what you find.

Joe
Mar 6, 2021 at 1:55 PM (Merged)
Avatar
00IMPALAKID
  • MEMBER
  • 8 POSTS
alright, awesome! I will check that stuff tomorrow. And no there was no factory remote start, But i did install a remote start, around the time it actually started getting bad. now that you mention it one mechanic told me to take it out, so i did, but still did not solve the problem. Think that could be something that is related?
Mar 6, 2021 at 1:55 PM (Merged)
Avatar
JACOBANDNICKOLAS
  • CERTIFIED EXPERT
  • 110,175 POSTS
It could have caused the problem. However, if you replaced everything back the way it was, it should be fine.

Let me know how you make out with the problem.

Joe
Mar 6, 2021 at 1:55 PM (Merged)
Avatar
00IMPALAKID
  • MEMBER
  • 8 POSTS
I was checking the numbers on the original computer, and the new computer (from a junkyard) and i noticed the numbers are a little different, and I was wondering which numbers I wanted to be the same. The original ECU and new ECU have the same "serv no.", "HDW No.", but the four letter number at the end of each is different. The old one says "DAXH", but the new one says "CURC". They both look the same and are the same brand and everything. The only difference is that four letter code. I am not sure exactly what the computer came from. I bought it from a yard and told them i needed one for a 3.4 2000 Impala, but they could have gotten me the wrong one. Any idea's?
Mar 6, 2021 at 1:55 PM (Merged)
Avatar
JACOBANDNICKOLAS
  • CERTIFIED EXPERT
  • 110,175 POSTS
That is a concern. The computers are different based on the transmissions, options.
Mar 6, 2021 at 1:55 PM (Merged)
Avatar
00IMPALAKID
  • MEMBER
  • 8 POSTS
Okay, so I probably should not use that computer? I noticed with this computer it shifts really weird and the rev limiter seems different. Would that be fixed once it was scanned in at the dealer? Or still not right? I was also taking a test light to the wires that go into my ignition switch. When the ignition is off, one wire (red) is hot, all the rest are not. When I turn the key to on, all of the wires become hot except one (orange). But sometimes, none of the wires become hot. Is this normal? Or could this be part of my problem? and also the headlights are flashing (I can hear two relays clicking inside the car) even when the computer is unhooked, and the headlight switch is unhooked it still does it. I have looked through for damaged wires, but can only see so deep. I am not sure if these problems are related but i would like to think i fix one, the other will become fixed as well. I am not so sure its the computer. With the computer hooked, or unhooked, it still does the same things when i go to start it, but with the old (stock computer) the gauges seem to work, just does not attempt to start. I do not know where to go. I tried to understand your directions written a few posts above, but could not find the PCM fuse or the positive remote wire you were talking about. it is a 3.4L 2000 impala with the ignition on the dash. I am sorry i am a pain in the rear. But i have put so much time into this car, and thousands and thousands of dollars into cosmetic changes but now i am stuck with a nicely done car that will not start and i am in college. I want to take it to a mechanic again, but the last two both could not fix it.
Mar 6, 2021 at 1:55 PM (Merged)
Avatar
JACOBANDNICKOLAS
  • CERTIFIED EXPERT
  • 110,175 POSTS
The "remote posisitve" is where the positive battery cable connects under the hood. As far as the red wire, it should be hot all the time.

Based on what you said about the ignition switch wiring being hot sometimes and not others, I think you have another bad ignition switch or something is out of alignment. Were you able to read the schematic?
Mar 6, 2021 at 1:55 PM (Merged)
Avatar
JACOBANDNICKOLAS
  • CERTIFIED EXPERT
  • 110,175 POSTS
PS: Put the original PCM back in too.
Mar 6, 2021 at 1:55 PM (Merged)