has fuel, has spark, why wont it start?

2001 MITSUBISHI ECLIPSE
140,000 MILES
Avatar
FORDSUX26
  • MEMBER
  • 1 POST
3.0 v6 automatic non turbo. Needed valve covers replaced. while changing valve covers we replaced upper plenum gasket, plugs, wires, cap and rotor. After all was complete car started and took a little bit to idle by itself but then was fine. Daughter got in and left with it (drove across town) and it died. Has spark, has fuel, and will not start. We pulled the front 3 plugs (2,4,6) and the plugs were soaked and looking down in cylinder to see a pool of fuel. My friend brought over a computer scanner and we got two codes p0116 and p0201. We replaced the water temp sensor and still will not start. He cleared codes and still nothing.

We have spark and fuel.

We took the timeing belt covers off and the cams line up with there designated marks along with the number one cylinder at TDC

Still no luck. Again I have spark, I have fuel and my timing is on and it still will not start.


Please help! God bless
Oct 5, 2011 at 2:56 AM
Advertisement
Avatar
STRAILER
  • CERTIFIED EXPERT
  • 53,854 POSTS
The hint is the p0201 injector circuit failure. You probably have a fuel injector that has shorted out which causes the computer to go full on. Unplug the fuel injectors one at a time to see you if can get it to start or remove the injector wires and test the windings by following this test.

https://www.2carpros.com/articles/how-to-test-a-fuel-injector

Please let us know what happens.
Aug 20, 2017 at 6:37 PM
Avatar
VSTROUD
  • MEMBER
  • 1 POST
I had this problem had to replace all the fuel injectors, one was shorted could not figure out which one.
Aug 20, 2017 at 6:38 PM (Merged)
Advertisement
Avatar
RASMATAZ
  • CERTIFIED EXPERT
  • 75,992 POSTS
I have checked the battery it is good. Car will not turn over-if its cranking over and will not start do below

https://www.2carpros.com/articles/car-cranks-but-wont-start

If its not cranking nothing at all: Could be the starter, starter relay, park/neutral switch, and ignition switch-battery and connection.
Aug 20, 2017 at 6:38 PM (Merged)
Avatar
DJ1I
  • MEMBER
  • 1 POST
Engine Performance problem
2001 Mitsubishi Eclipse 4 cyl Front Wheel Drive Automatic 74000 miles

My car will start, and if immediately shut off, it will not turn back on. If I leave it sit for 8 hours, will will start again. I have changed out the batter, throttle position sensor, the fuel pump, the spark plugs, and ignition wires and the problem still persists.
Aug 20, 2017 at 6:38 PM (Merged)
Avatar
LEGITIMATE007
  • CERTIFIED EXPERT
  • 5,121 POSTS
check the crank/hall effect sensor, I suspect this is the problem, also check to see if you can hear the fuel pump turn on when, you get this no start situation, turn the key to the on position and listen for the fuel pump, if you cannot hear it then the fuel pump relay is bad.
Aug 20, 2017 at 6:38 PM (Merged)
Avatar
883JESTER
  • MEMBER
  • 1 POST
have a 2001 mit. eclips an it makes a click when try to start replaced the starter altanator an bat
Aug 20, 2017 at 6:38 PM (Merged)
Avatar
RASMATAZ
  • CERTIFIED EXPERT
  • 75,992 POSTS
**No crank at all/nothing/nada when key is engage to starting position

Could be the starter relay,park and neutral switch/transmission position switch and ignition switch assuming the battery condition and connections are good. Note:If it doesn't apply disregard.
Aug 20, 2017 at 6:38 PM (Merged)
Avatar
R.SMITH
  • MEMBER
  • 1 POST
Electrical problem
2001 Mitsubishi Eclipse 6 cyl Two Wheel Drive Automatic 68000 miles
----------------------------------------------------------------
Just bought this car for my daughter. It wouldn't start yeaterday in a parking lot and some men decided to help her out by jumping the car. It wouldn't stay running when they disconnected the cables, so they changed the way they were hooked up and tried again. My daughter says there were sparks and smoke and now there is nothing when we try to start the car. The PAL fuse was blown so we replaced that but still nothing. I don't even know where to start now. Any ideas?
Aug 20, 2017 at 6:38 PM (Merged)
Avatar
KHLOW2008
  • CERTIFIED EXPERT
  • 41,814 POSTS
Hi r.smith,

The reversed polarity of the cables has caused some fuses to blow so you need to check them. Check bot the battery terminal connections and ground cables.

Battery was also weak, you need to check its voltage. Car unable to stay running means alternator was not charging.
Aug 20, 2017 at 6:38 PM (Merged)
Avatar
KIPEY84
  • MEMBER
  • 7 POSTS
Engine Mechanical problem
2001 Mitsubishi Eclipse 4 cyl Front Wheel Drive Manual 118000 miles

ok so me and the wife are coming back from jacksonville last weekend in her 01 gs with approx 120000 miles on it. we are 4 hrs into the trip when the ac starts blowing warm air. as i notice that i notice a clunking noise under the hood at the same time i see the temp gage pegged out as high as it could go. so i start to pull of the road. as i pull of the road a large cloud of white smoke comes from under the hood shortly followed by a dead car.
so i get it back home via a tow truck and tear it apart. this is what i found

radiator overflow res-partially melted cap melted with whole in it
radiator cap- missing pieces (found them in the radiator)
spark plug tube seals- bad...def bad see next
spark plugs-covered in oil
spark plug wires-2 melted 2 broken
oil in spark plug tubes
oil-as black as night
thermostat- why not had one for it anyway

thats all ive found and ive replaced all components, flushed radiator, and changed the oil tried starting it last night and it would crank (slower then normal) but would not fire. im now kinda dumbfounded and need help fast. my subaru chunked up its crank pulley and its out of commission for a few days till the new one comes in and were outta cars.
thanks for all and any help guys

also to note the white smoke was coolant coming out of the melted resevoir cap and covering the motor and burning off
Aug 20, 2017 at 6:38 PM (Merged)
Avatar
RACEFAN966
  • CERTIFIED EXPERT
  • 5,029 POSTS
Sound like it got hot enought to toast the engine and or heads. Did you find any coolant in the cylinders?
Aug 20, 2017 at 6:38 PM (Merged)
Avatar
KIPEY84
  • MEMBER
  • 7 POSTS
hoping not...no coolant in cylinders but there is oil...
Aug 20, 2017 at 6:38 PM (Merged)
Avatar
RACEFAN966
  • CERTIFIED EXPERT
  • 5,029 POSTS
If you can do a compression test this will answer a lot of questions. let me know what you find
Aug 20, 2017 at 6:38 PM (Merged)
Avatar
WONDERERCAO
  • MEMBER
  • 7 POSTS
My car is Mitsubishi eclipse V6 2001. I have a code P0300. i just replaced, distributor cap, rotor, spark plug, wire, Oxygen sensors,fuel pressure regulator but problem not solved. now it is hard to start, but when it does, i can not rev, if i do it will die right away. I can press gas pedal slowly it will come up maximum. need help
Aug 20, 2017 at 6:39 PM (Merged)
Avatar
RASMATAZ
  • CERTIFIED EXPERT
  • 75,992 POSTS
Hi wonderercao, Welcome to 2carpros and TY for the donation

P0300 Random Misfires normally caused by vacuum leaks and bad fuel

crank but no start: Do below to determine if its fuel or spark problem.

Get a helper disconnect a sparkplug wire or 2 and ground it to the engine atleast 3/16 away from ground-have helper crank engine over-do you have a snapping blue spark? If so-you have a fuel related problem, Do you hear the fuel pump come On when you turn key on? If not check fuel pump fuse and fuel pump relay if so, check the fuel pressure to rule out the fuel filter/fuel pump/pressure regulator and listen to the injector/s are they pulsing or hook up a noid light. No snapping blue spark continue to troubleshoot the ignition system-power input to the coil/coil packs,coil's resistances,cap and rotor,distributor pick-up coil, ignition control module, cam and crank sensors and computer Note: If it doesn't apply disregard it and keep testing

Aug 20, 2017 at 6:39 PM (Merged)
Avatar
ORIAX123
  • MEMBER
  • 7 POSTS
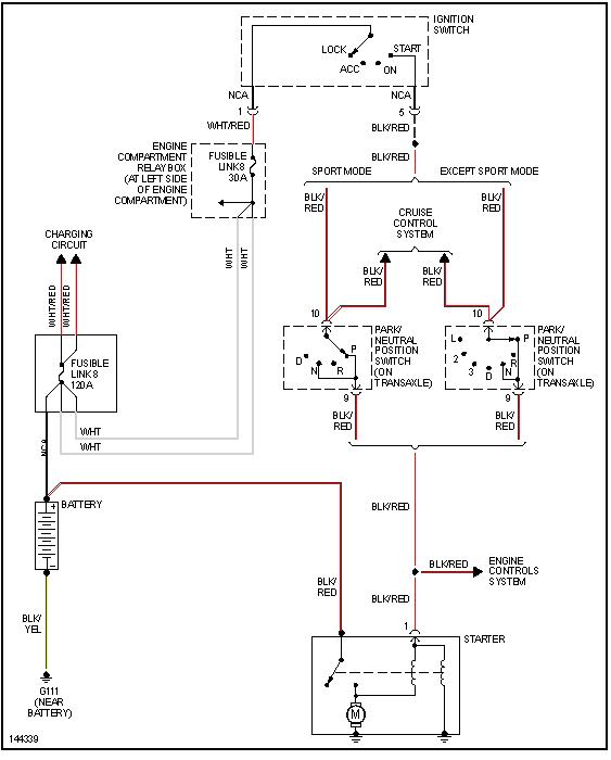
Hi im trying to install a Pivot Push Start Button I just got from a friend, I have a 2001 Mitsubishi Eclipse GS Automatic and Im not sure what wires I need to tap into for this to work.

I know it needs the 1. Ignition 2. Off and 3. Start wires but dont know which ones they are,
I have googled and have not found anything except stereo diagrams.


Any help welcomed
Aug 20, 2017 at 6:39 PM (Merged)
Avatar
HMAC300
  • CERTIFIED EXPERT
  • 48,601 POSTS
don't know why you want to install it bu there is startingdiagram
Aug 20, 2017 at 6:39 PM (Merged)
Avatar
ORIAX123
  • MEMBER
  • 7 POSTS
my ignition is flaky like sometimes it works and sometimes it doesnt unless I shake the key abit, I was told it was the key sensor or something not sure and dont have money to replace anything at the moment lol.

From the diagram so it would be

1. Off = White/Red
2. Start = Black/Red
3. On = ???

??

This would be where I take off the housing from the steering wheel correct?
Aug 20, 2017 at 6:39 PM (Merged)
Avatar
ORIAX123
  • MEMBER
  • 7 POSTS
I think this is correct..

1.ON (IGN) - Dark Green
2.Start - Black / Red
3.OFF - ???

not sure for off, maybe - White / Red
Aug 20, 2017 at 6:39 PM (Merged)
Avatar
HMAC300
  • CERTIFIED EXPERT
  • 48,601 POSTS
why don't you just put anew ignition switch in it. save your self aggravation and time
besides with anti theft you are asking for trouble doing what you want to do. see pics
Aug 20, 2017 at 6:39 PM (Merged)
Avatar
ORIAX123
  • MEMBER
  • 7 POSTS
Thank you the wiring I added was correct, now works as desired :)

Thank you for your time!
Aug 20, 2017 at 6:39 PM (Merged)
Avatar
JONATHAN MATHERLY
  • MEMBER
  • 1 POST
I had a ignition coil melt. I replaced both to be safe. Will not start. Ran codes. Had two sensors bad. Crankshaft position sensor and camshaft position sensor. Replaced both no change. So thought fuel pump. Turned key on put ear to tank. Could not hear pump. Replaced the whole pump assembly. No change. Checked spark plugs and wires. They seem okay. Tried spraying starter fluid into throttle to test spark. Engine chokes like it wants to run. I have tried switching out the relays to the fuel pump, but it does not seem to do any good. What else can I try? I have exhausted all the options that I can think of.
Aug 20, 2017 at 6:39 PM (Merged)
Avatar
CARADIODOC
  • CERTIFIED EXPERT
  • 34,306 POSTS
First of all, when are you expecting to hear the fuel pump run? It must not run unless the engine is rotating, (cranking or running), and for one second after turning on the ignition switch.

It is very unlikely the camshaft position sensor and the crankshaft position sensor failed at the same time, so look for something they have in common, and that is their 5 volt supply voltage. Check the three voltages on one of those sensors with the ignition switch on and tell me what you find.
Aug 20, 2017 at 6:39 PM (Merged)
Avatar
RL229
  • MEMBER
  • 1 POST
Engine Mechanical problem
2001 Mitsubishi Eclipse 6 cyl Front Wheel Drive Automatic 80000 miles

I was on vacation for six days. When i returned my car would not start. I have had no previous problems. I took the battery in and it tested fine. The starter sounds normal when i turn the ignition. When i parked the car i only had a quarter tank of gas, so i added some fuel treatment in case of condensation in the fuel lines, still nothing. I am not getting a service engine light on, however my battery, oil, and brake warning lights are all lit at the same time. None of them were illuminated when i parked the car six days earlier. Tried to pull codes on it and the reader didn't recognize any problems. Do you have any idea what could be the problem ?
Aug 20, 2017 at 6:39 PM (Merged)
Avatar
RASMATAZ
  • CERTIFIED EXPERT
  • 75,992 POSTS
When i returned my car would not start

Get a starting fluid/ether/better off gas in a spray bottle and spray into the carb or the throttle body on an EFI. Did it start and die? If not disconnect a sparkplug wire or 2 and ground it to the engine -have helper crank engine over-do you have a snapping blue spark? If so-you have a fuel related problem, check the fuel pressure to rule out the fuel filter/fuel pump/pressure regulator and listen to the injector/s are they pulsing or hook up a noid light. No snapping blue spark continue to troubleshoot the ignition system-power input to the coil/coil packs,distributor pick-up coil, ignition control module, ECM,Ignitor cam and crank sensors- Note: If it doesn't apply disregard it
Aug 20, 2017 at 6:39 PM (Merged)
Avatar
RMARSH86
  • MEMBER
  • 1 POST
I recently changed the timing belt and a few intake valves and the care was running fine. Just yesterday I stopped at the gas station and put fuel in, when I went to start it back up the car would not turn over it just sounded as if it was winding up.I don't know where to start I thought it was the starter but after I got it towed to my house it started fine then after idling a few min. it died and now will not start again???
Aug 20, 2017 at 6:39 PM (Merged)
Avatar
KHLOW2008
  • CERTIFIED EXPERT
  • 41,814 POSTS
https://www.2carpros.com/articles/car-cranks-but-wont-start

Start by checking what is missing causing the non-starting.
Aug 20, 2017 at 6:39 PM (Merged)
Avatar
ALICIAT
  • MEMBER
  • 1 POST
when i go to start it the #20 fuse blows when the key is turned. it will sometimes stay on after a jump but usually dont
Aug 20, 2017 at 6:39 PM (Merged)
Avatar
CARADIODOC
  • CERTIFIED EXPERT
  • 34,306 POSTS
What stays on after a jump start? What is that fuse for, or what doesn't work and what does work when it blows? Does the starter crank the engine when the fuse is blown?
Aug 20, 2017 at 6:39 PM (Merged)
Avatar
SILLEC72
  • MEMBER
  • 3 POSTS
I have a fresh rebuild the motor has new rings bearings starter spark and plugs battery alt has been tested as good. Timing has been triple checked by import specialist. When cranked it blows out the intake. It has compression so it isn't valves
Aug 20, 2017 at 6:39 PM (Merged)
Avatar
RENEE L
  • CERTIFIED EXPERT
  • 1,260 POSTS
It sounds like it could have a plugged up exhaust system, please disconnect it at the exhaust manifold and recheck. Please let us know what you find so it will help others.
Aug 20, 2017 at 6:39 PM (Merged)
Avatar
JRKDUPRE
  • MEMBER
  • 1 POST
my car ran out of gas so i put some in with a gas can. now it wont start, it cranks but will not start up. i have appx 4 gallons of gas in it now but the fuel gauge shows full and I have spark.
Aug 20, 2017 at 6:39 PM (Merged)
Avatar
ASEMASTER6371
  • CERTIFIED EXPERT
  • 52,796 POSTS
the pump may have seized. the gas is a lubricant for the pump. when you run out of gas the pump will seize.

Roy
Aug 20, 2017 at 6:39 PM (Merged)
Avatar
MAYGIRL197804
  • MEMBER
  • 3 POSTS
the other day i started to notice my car would feel like it was pulling a little to the right when it would shift from 2 to 3 gear so i took it to my mechanic. they drove it and said it was a suspension problem but the machine they needed to put it on was being used so we agreed id bring it back monday morning. well this morning i was w my sister and i put it into gear and noticed it said neutral but it was in drive. i pushed the shifter all the way up and cut the car off. when i tried to start it back it acted like it wasnt all the way in park. i pushed on the shifter and tried again and it started. it drives fine but with no reverse and it says its in neutral when its in drive and neutral is the highest it will read on the display.
Aug 20, 2017 at 6:39 PM (Merged)
Avatar
DRCRANKNWRENCH
  • CERTIFIED EXPERT
  • 3,380 POSTS
There are several possibilities;

The transmission pump or leaking internal seal or o-ring
Shifter adjustment to assure each indicated gear puts the gear switch into the proper detent/position.

The gear shift safety lockout between the brake pedal and the shifter switches may have failed or need adjustment.

I am attaching several diagrams and tests to help with the diagnostics.

As far as the suspension goes, I cannot see any suspension isssues that would keep a transmission from shifting. it would have to be a major damage or defect issue. It could also possibly be the axle on the transmission side.

The first thing I would suggest is to go to an Advance Auto or an Auto Zone and have them run the trouble codes. They will generally do this for free.
Come back to use when you get the codes.
Aug 20, 2017 at 6:39 PM (Merged)
Avatar
MAYGIRL197804
  • MEMBER
  • 3 POSTS
well actually i have had my problem fixed. the reason it wasnt shifting properly was the shifter cable thingy(the plastic fitting thing that keeps it in place)was broken. and as far as the suspension problem it was a loose bolt and missing nut on a control arm.
Aug 20, 2017 at 6:39 PM (Merged)
Avatar
DRCRANKNWRENCH
  • CERTIFIED EXPERT
  • 3,380 POSTS
Excellent, I am glad to hear you got it all straightened out.
the loose bolt and nut on the control arm is a little scaryy.
did you use LocTite on the nut when you put it back together just to be safe?
Aug 20, 2017 at 6:39 PM (Merged)
Avatar
J-ROD2
  • MEMBER
  • 1 POST
Electrical problem
2001 Mitsubishi Eclipse 6 cyl Front Wheel Drive 89,421 miles

i turned on, then turned it back off then when i went to turn it on again my break got really hard and wouldnt start the ignition wouldnt turn all the way everything else turned on like my radio and light at the dashboard i tried jumping it but that wasnt it!
Aug 20, 2017 at 6:39 PM (Merged)
Avatar
KHLOW2008
  • CERTIFIED EXPERT
  • 41,814 POSTS
Hi j-rod2,

Symptoms indicates the ignition lock is faulty preventing you from turning the ignition key to the start position.

Try spraying some WD-40 into the key slot and wiggling the key to see if it works. If yes, the lock is faulty and has to be replaced.
Aug 20, 2017 at 6:39 PM (Merged)
Avatar
TYGERRED
  • MEMBER
  • 2 POSTS
Engine Mechanical problem
2001 Mitsubishi Eclipse 4 cyl Two Wheel Drive Manual 130k miles

came home fine no problems,got up this morn car won't start ,turns over but nothing happens.where do i start to get the car to start.did not have any problem on my way home,and can anyone help me with codes,i have a hayes manual are they in there and where
Aug 20, 2017 at 6:40 PM (Merged)