radiator fan switch

2000 PONTIAC GRAND AM
111,000 MILES • 6 CYL • 2WD • AUTOMATIC
Avatar
MICHAEL1984
  • MEMBER
  • 8 POSTS
Does a 2000 pontiac grand am gt have a radiator fan switch? and if so...where can it be located at?....I did a engine test cause my fans not working..only works when a/c is on..and the code says radiator fan switch..
Jun 21, 2011 at 1:38 AM
Advertisement
Avatar
SATURNTECH9
  • CERTIFIED EXPERT
  • 30,869 POSTS
What is the exact code number you have?Codes just don't say replace a certain part usually there is some trouble shooting in between the code and changing parts.But yes you do have a coolant temp sensor that tells the computer to turn the fan on at a certain temp.



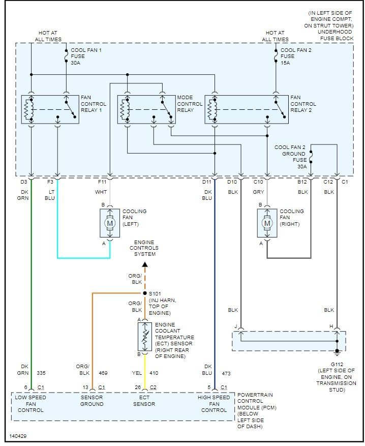
See the wiring diagram attached below
Jun 21, 2011 at 1:55 AM
Avatar
WRENCHTECH
  • CERTIFIED EXPERT
  • 20,761 POSTS
It doesn't have any switch. It utilizes the same coolant temp sensor that the computer uses for everything else. It is a 2 speed fan system that uses 3 relays to operate. These fans are programmed to trigger at a higher than normal temp and many people think there is a problem when there really isn't.
Jun 21, 2011 at 2:03 AM
Advertisement
Avatar
SATURNTECH9
  • CERTIFIED EXPERT
  • 30,869 POSTS
The coolant temp sensor is right where the upper radiator hose goes on the engine screwed into the housing.
Jun 21, 2011 at 2:03 AM
Avatar
MICHAEL1984
  • MEMBER
  • 8 POSTS
Ok thanx.....I replaced the coolant temp switch...and checked everything and the fans don't come on...please tell me what else could it be....and even when the engine get real hot and the temp needle goes past the half mark the fans still don't come on.
Jun 21, 2011 at 2:13 AM
Avatar
SATURNTECH9
  • CERTIFIED EXPERT
  • 30,869 POSTS
What was the exact code number your car has it could really be helpful helping you?Also do you have a temp gun that can measure surface temp?How about a multimeter?
Jun 21, 2011 at 2:27 AM
Avatar
LANCE JAMES
  • MEMBER
  • 2 POSTS
Does that go for 2002 Grand am also?.
Feb 16, 2017 at 8:16 PM
Avatar
LANCE JAMES
  • MEMBER
  • 2 POSTS
Im getting the same problems as Michal 1984 all relys are good temp sensor good my fans are still not coming on!please help thank you.
Feb 16, 2017 at 8:25 PM
Avatar
CARADIODOC
  • CERTIFIED EXPERT
  • 34,306 POSTS
You need to start a new question, and PLEASE list the correct engine size and mileage. This thread is a private conversation between the three people involved. When you piggyback on this post, none of the other experts will see your addition or have a chance to reply. That does you a disservice.

As Wrenchtech stated, there is a coolant temperature sensor, never a switch, that tells the Engine Computer what the coolant temperature is. Based on that, the computer turns on one or more relays to run the fan motor. On many models those relays are bypassed and the fan is run directly, (through a different relay), when the AC system is turned on. That is to provide as much cooling as possible, without having to wait for a certain coolant temperature to be reached. The AC system runs in defrost mode too when the heater is being used.

There were some car models that did indeed use a coolant temperature switch for the radiator fan motor. Those were mostly on import cars in the '70s and '80s. Every model I can think of since the late '80s uses a temperature sensor, and the Engine Computer is programmed to turn the fan on at a preset temperature. That is commonly 210 degrees on Chrysler products, and it turns off at 198 degrees. Many GM computers don't turn the fan on until as high as over 225 degrees. While that "input" sensor system is pretty universal, there are many variations of output circuits. They can include a single relay for simple on or off, two relays for high or low speed, and a computer module to run the motor with "pulse-width modulation". PWM provides for continuously-variable speed from fully-off to full high speed. Those are used to reduce fan noise at low speeds

The original diagnostic fault code number was requested, but never listed. It was also stated here, quite accurately, that fault codes never say to replace parts or that one is bad. They only indicate the circuit or system that needs further diagnosis, or the unacceptable operating condition. To add to the misery, temperature sensors have an extremely low failure rate because there is just one component in them. Failures in the circuit are much more commonly caused by corroded or stretched terminals, or cut or grounded wires.

A quick way to test the circuit on many models is to unplug the coolant temperature sensor while the ignition switch is on. That will set a diagnostic fault code, but what you're looking for is the fan should turn on. The Engine Computer won't know coolant temperature, so it turns the fan on as a precaution to insure overheating doesn't occur. If the fan doesn't turn on, it is likely the problem is in the high-current circuit, meaning the relay's contacts, wiring, and fuses. If you have a low-speed relay and a high-speed relay, as Wrenchtech described, it is unlikely both circuits developed a problem at the same time unless a fuse device they have in common has blown. The suspect for that is a tight fan motor. You can identify that by spinning the fan blade by hand. It should coast to a stop after multiple revolutions.

Related to unplugging the sensor, if there's an intermittent connection anywhere in that circuit, the symptom will be the fan motor is running all the time and / or when it's not needed. That is the opposite of not running at all. That means the cause of this problem is not in the sensor circuit. It has to be in the output circuit. Mechanics use a scanner to talk with the Engine Computer and command it to turn on the fan relay(s). That allows us to troubleshoot the circuit without having to wait for the engine to warm up.

One last comment of great value; be aware that all coolant temperature sensors, ambient or intake air temperature sensors, and battery temperature sensors have two wires because their ground circuits are monitored too. If you find a coolant temperature sensor with only a single wire, that is for the dash gauge. Even that has changed now on newer cars. Now, the instrument clusters get their information from the other computers, not from their own sensors.
Feb 17, 2017 at 5:36 PM
Avatar
BRUCE101654
  • MEMBER
  • 6 POSTS
Engine Cooling problem
2000 Pontiac Grand Am 6 cyl Two Wheel Drive Automatic

i cannot get either of the radiator cooling fans to come on.The fuses are good and the relays are good.If it the ecm where is it located.There is a module under the glovebox what module is it.
Apr 10, 2019 at 6:15 PM (Merged)
Avatar
BLACKOP555
  • CERTIFIED EXPERT
  • 10,386 POSTS
your going to want to find the cooling temp switch. unplug it and jump the two terminalls the fans should come on. if not the fan is bad or the vehcile isnt sending power and ground to the fan. maybe bad wire if it does the switch is most likely bad
Apr 10, 2019 at 6:15 PM (Merged)
Avatar
BRUCE101654
  • MEMBER
  • 6 POSTS
i replaced the cooling temp switch the gauge works no power to either fan
Apr 10, 2019 at 6:15 PM (Merged)
Avatar
FAMILYLIFE
  • MEMBER
  • 4 POSTS
does your fans come on when u turn on your a\c?
Apr 10, 2019 at 6:15 PM (Merged)
Avatar
BLACKOP555
  • CERTIFIED EXPERT
  • 10,386 POSTS
one sensor controls the temp guage. other for cooling fan operation and fuel mixture adjustments
Apr 10, 2019 at 6:15 PM (Merged)
Avatar
FAMILYLIFE
  • MEMBER
  • 4 POSTS
which sensor controls the fan. Please tell me the name so I can test it. Thanks
Apr 10, 2019 at 6:15 PM (Merged)
Avatar
BLACKOP555
  • CERTIFIED EXPERT
  • 10,386 POSTS


https://www.2carpros.com/forum/automotive_pictures/66751_Graphic_4.jpg

Apr 10, 2019 at 6:15 PM (Merged)
Avatar
BRUCE101654
  • MEMBER
  • 6 POSTS
no fan when ac on but ac low on freon where is the temp sensor for fan located also the sensor for the ac cooling fan
Apr 10, 2019 at 6:15 PM (Merged)
Avatar
BRUCE101654
  • MEMBER
  • 6 POSTS
I unplugged the temp sensor fan came on turned ac on both fans run as long as sensor unpluged any ideas
Apr 10, 2019 at 6:15 PM (Merged)
Avatar
BLACKOP555
  • CERTIFIED EXPERT
  • 10,386 POSTS
sounds to me like the temp sensor may be bad?
Apr 10, 2019 at 6:15 PM (Merged)
Avatar
FAMILYLIFE
  • MEMBER
  • 4 POSTS
i repalced it twice now so I know that is not it. replaced air temp sensor also. need another idea please.
Apr 10, 2019 at 6:15 PM (Merged)
Avatar
MICHAEL1984
  • MEMBER
  • 8 POSTS
My cooling fan only comes on when I turn on the A/C...I changed the temp sensor I checked the fuses and relays...but they don't come on like the should when the A/C off...would could be the problem.....the car is a 2000 pontiac grand am GT...
Apr 10, 2019 at 6:15 PM (Merged)
Avatar
BLACKOP555
  • CERTIFIED EXPERT
  • 10,386 POSTS
what are the voltages at the sensor. how mcuh volts you reading at the ground side of the circuit? do this by back probing each side and telling me the voltage readings
Apr 10, 2019 at 6:15 PM (Merged)
Avatar
DOCFIXIT
  • CERTIFIED EXPERT
  • 18,828 POSTS
Try swaping fanrelay 1 with 2 if it works off temp then relay if not wiring or PCM. Do both fans come on with AC? checked fan motor?
Apr 10, 2019 at 6:15 PM (Merged)
Avatar
BRUCE101654
  • MEMBER
  • 6 POSTS
8 volts
Apr 10, 2019 at 6:15 PM (Merged)
Avatar
MICHAEL1984
  • MEMBER
  • 8 POSTS
I checked the fan motors they are good....and both fans does come on when A/C is on... WHAT IS A PCM?
Apr 10, 2019 at 6:15 PM (Merged)
Avatar
DOCFIXIT
  • CERTIFIED EXPERT
  • 18,828 POSTS
Cars computer
Apr 10, 2019 at 6:15 PM (Merged)
Avatar
MICHAEL1984
  • MEMBER
  • 8 POSTS
Ok thankyou for ur help
Apr 10, 2019 at 6:15 PM (Merged)
Avatar
BEAGHAL
  • MEMBER
  • 5 POSTS
In stop and go traffic my car will stall. I've noticed that this happens when the radiator fans kick on. It will also stall when I turn my AC on but won't stall if I unplug my fans and turn my AC on.
Apr 10, 2019 at 6:15 PM (Merged)
Avatar
WRENCHTECH
  • CERTIFIED EXPERT
  • 20,761 POSTS
I see this question time and time again and 95% of the time, there is nothing at all wrong. These fans aren't programmed to come on until very high temps. It is a 2 speed system and low speed doesn't come on until about 225 degrees. That may seem to hot but it is not and this is the way it was designed to run.
Apr 10, 2019 at 6:15 PM (Merged)
Avatar
PROMECHANIC
  • CERTIFIED EXPERT
  • 536 POSTS
There are several things that might be happening. I would check the alternator. Or have it checked at your local auto parts store. Sometimes they don't put out enough power for everything and can cause this problem.
I would also have a mechanic check the IAC valve (idle air control). This valve is supposed to make the idle go up when these fans come on. You might be able to clean it too.
Apr 10, 2019 at 6:15 PM (Merged)
Avatar
MICHAEL1984
  • MEMBER
  • 8 POSTS
Will the pcm give a code if its a problem with the computer...because the car is running fine except the fans not coming on? Will it show other sign that the pcm is not working proberly.....
Apr 10, 2019 at 6:15 PM (Merged)
Avatar
BEAGHAL
  • MEMBER
  • 5 POSTS
I have already had the alternator check and I've replaced the IAC valve.
Apr 10, 2019 at 6:15 PM (Merged)
Avatar
WRENCHTECH
  • CERTIFIED EXPERT
  • 20,761 POSTS
There is nothing wrong with your computer. You have proven that the computer has control of the fans because they come on with the A/C. I doubt there is anything wrong.
Apr 10, 2019 at 6:15 PM (Merged)
Avatar
MICHAEL1984
  • MEMBER
  • 8 POSTS
cause even when the niddle temp gauge gets to the middle and the niddle goes past the half point the fans still don't come on........don't the niddle guage should stay in the middle?
Apr 10, 2019 at 6:15 PM (Merged)
Avatar
LUPIMANIC
  • MEMBER
  • 5 POSTS
i have a 2003 pontiac grand am and the fan do not work but wend i put the a/c works how a can see if the problem are a electrical like a sensor or relay thanks
Apr 10, 2019 at 6:15 PM (Merged)
Avatar
MMPRINCE4000
  • CERTIFIED EXPERT
  • 8,548 POSTS
It is usually a fan switch that goes bad, the AC operates off a different circuit.
Apr 10, 2019 at 6:15 PM (Merged)
Avatar
WRENCHTECH
  • CERTIFIED EXPERT
  • 20,761 POSTS
No, it shouldn't, as I have already pointed out.
Apr 10, 2019 at 6:15 PM (Merged)
Avatar
LUPIMANIC
  • MEMBER
  • 5 POSTS
i change the fan sensor or temp sensor
Apr 10, 2019 at 6:15 PM (Merged)
Avatar
MMPRINCE4000
  • CERTIFIED EXPERT
  • 8,548 POSTS
Change the fan switch, which activates the cooling fans.
Apr 10, 2019 at 6:15 PM (Merged)
Avatar
LUPIMANIC
  • MEMBER
  • 5 POSTS
were it`s locate the switch?????
Apr 10, 2019 at 6:16 PM (Merged)
Avatar
MMPRINCE4000
  • CERTIFIED EXPERT
  • 8,548 POSTS


https://www.2carpros.com/forum/automotive_pictures/108325_cooling_fan_circuit_1.jpg

See if you can enlarge this.
Apr 10, 2019 at 6:16 PM (Merged)