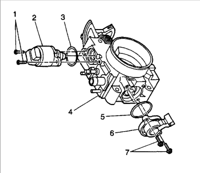
Idle Air Control Valve

2000 PONTIAC GRAND AM
Avatar
LAURETS
  • MEMBER
  • 1 POST
2000 Pontiac Grand Am GT how to replace IAC valve?
Feb 28, 2011 at 10:07 PM
Advertisement
Avatar
STRAILER
  • CERTIFIED EXPERT
  • 53,854 POSTS
Hello,

The idle air control motor is located in the throttle body either in the back or on the side. Here is a guide and some diagrams (Below) that will show you what Im talking about and some diagrams.

https://www.2carpros.com/articles/how-to-replace-an-idle-speed-control-motor-iac

Here is what it will be like for your car (below)

Please let us know if you need anything else to get the problem fixed.

Cheers, Ken
Nov 8, 2017 at 1:46 PM
Avatar
TWINKIEDELIGHT05
  • MEMBER
  • 14 POSTS
i just baught the grand am an noticed it needed intake gaskets we replaced the gaskets from intakes all the way up, after we changed them them the o2 sensor was reading bad, my first clue was the cadilac converter cause of the carbon build up that was in the throttle body, i cleaned it up, an flushed the engine twice due to the coolant being really nasty, brown. so when i took the converter off i noticed that it weighed aboout 60 lbs the honey comb inside of it was gone tons of sand. i changed that an the engine light went off. but noticed it had a slight of a idle issue when you started it it would idle extremely high at two thousand rpm. it would slowly drop down after a minute but sometimes wouldn't go down at all. no mind me the transmission had a little jerk a slight little jerk. but after i changed the (iac) for the idle noticed that the car don't idle up real high anymore it just idles up an down up an down now, an the transmissions jerk has become very seriously, where it'll jerk the whole car hard when shifting gears.
Nov 8, 2017 at 1:49 PM (Merged)
Advertisement
Avatar
SATURNTECH9
  • CERTIFIED EXPERT
  • 30,869 POSTS
So do you have any codes now?Have you checked for codes since the idle is going up and down and the transmission is shifting hard?I would be looking for a vacuum leak also be checking the inlet air temp sensor.I have seen problems with the inlet air temp sensor connectors cause hard shifting.
Nov 8, 2017 at 1:49 PM (Merged)
Avatar
TWINKIEDELIGHT05
  • MEMBER
  • 14 POSTS
no, what im finding with this car is eevery part i take off was a junk yard part, but i'll check them sensors an no no check engine light came on besides the evap one 102
Nov 8, 2017 at 1:49 PM (Merged)
Avatar
SATURNTECH9
  • CERTIFIED EXPERT
  • 30,869 POSTS
If your talking about a P0102 thats not a evap code its a mass air flow sensor low voltage code.
Nov 8, 2017 at 1:49 PM (Merged)
Avatar
GRILLA
  • MEMBER
  • 5 POSTS
I replaced my idle air control in my 96 pontiac grand am but it still idles when I start it.. what should I do?
Nov 8, 2017 at 1:49 PM (Merged)
Avatar
BUDDYCRAIGG
  • CERTIFIED EXPERT
  • 2,262 POSTS
it's suppose to idle when you start it.
Nov 8, 2017 at 1:49 PM (Merged)
Avatar
GRILLA
  • MEMBER
  • 5 POSTS
When I start it I let it sit for about 10 minutes then when I put it in reverse or drive it jumpz an takes off by its self... it pulls I don't realy need to hit tha gass I pulls till I hit the breaks.. but when I start it the rpm goes up vary hight and sitz there for tha whole 10minutes do I need to do anything to the sencore
Nov 8, 2017 at 1:49 PM (Merged)
Avatar
GRILLA
  • MEMBER
  • 5 POSTS
Did I insert the auto air control the rong way??
I unplugged the battery.. then took out the old air control then put the new one in then plugged the battery back up.. did I do something rong?
Nov 8, 2017 at 1:49 PM (Merged)
Avatar
BUDDYCRAIGG
  • CERTIFIED EXPERT
  • 2,262 POSTS
i want to first start by saying that I am not trying to insult you.
Please try to use punctuation so I can better understand what is going on.

If i understand you so far, you have a high idle.
did this happen before or after you replaced the idler air control?
Nov 8, 2017 at 1:49 PM (Merged)
Avatar
GRILLA
  • MEMBER
  • 5 POSTS
It happened before and after I replaced it. Only now itz idled higher then before.
Nov 8, 2017 at 1:49 PM (Merged)
Avatar
BUDDYCRAIGG
  • CERTIFIED EXPERT
  • 2,262 POSTS
do you have a 4 or 6 cylinder?
Nov 8, 2017 at 1:49 PM (Merged)
Avatar
BRUMMER1991
  • MEMBER
  • 7 POSTS
I recently replaced my idle air control valve and now my car runs fine except my engine temperature gauge doesn't seem to read normal since then would changing this part possibly cause this problem
Nov 8, 2017 at 1:49 PM (Merged)
Avatar
GRILLA
  • MEMBER
  • 5 POSTS
6 cylinder
Nov 8, 2017 at 1:49 PM (Merged)
Avatar
ASEMASTER6371
  • CERTIFIED EXPERT
  • 52,796 POSTS
no, no relation unless you disturbed a connector.

Roy
Nov 8, 2017 at 1:49 PM (Merged)
Avatar
BUDDYCRAIGG
  • CERTIFIED EXPERT
  • 2,262 POSTS
sorry it took me so long to get back. I'm getting lunches ready for tomorrow.

I know the 2.8/3.1 engine very well.

take the intake hose off of the throttle body.

you should be able to stall the engine if you put your thumb over the hole in the bottom of it right in front of the flapper, (the port that the idle control is connected to)

if it doesn't stall then you have a vacuum leak in the plenum or the intake manifold

Nov 8, 2017 at 1:49 PM (Merged)
Avatar
BRUMMER1991
  • MEMBER
  • 7 POSTS
I do not believe so it still runs fine and the gauge reads to a certain extent just never moves very far up there were wires around but I do not believe I touched any of them except for one that goes into the top of the intake towards where the throttle bore would be
Nov 8, 2017 at 1:49 PM (Merged)
Avatar
ASEMASTER6371
  • CERTIFIED EXPERT
  • 52,796 POSTS
you may have a bad thermostat

Roy
Nov 8, 2017 at 1:49 PM (Merged)
Avatar
BRUMMER1991
  • MEMBER
  • 7 POSTS
I appreciate the help I will try that
Nov 8, 2017 at 1:49 PM (Merged)
Avatar
ASEMASTER6371
  • CERTIFIED EXPERT
  • 52,796 POSTS
good luck

Roy
Nov 8, 2017 at 1:49 PM (Merged)
Avatar
BARBR
  • MEMBER
  • 1 POST
Electrical problem
2001 Pontiac Grand Am 6 cyl Front Wheel Drive Automatic 31,000 miles

My car started idling rough, but car still runs OK. I replaced the air control valve and put a new air filter in it but it didn't fix it. What is wrong?
Nov 8, 2017 at 1:49 PM (Merged)
Avatar
MMPRINCE4000
  • CERTIFIED EXPERT
  • 8,548 POSTS
Remove and clean the EGR valve. If problem persits, let me know and we will go from there.


https://www.2carpros.com/forum/automotive_pictures/108325_GAm_EGR_1.jpg

Nov 8, 2017 at 1:49 PM (Merged)
Avatar
BRUMMER1991
  • MEMBER
  • 7 POSTS
I have one more question to ask the car seems to be messing up by reving really high when going down the road would it be possible that the iac needs adjusted again
Nov 8, 2017 at 1:49 PM (Merged)
Avatar
DLMGALAXY
  • MEMBER
  • 1 POST
1997 Pontiac Grand Am 4 cyl

I have an engine code p0507b Ive changed the idle air control valve but it came back on . the car has a high idle and drives well .
Nov 8, 2017 at 1:49 PM (Merged)
Avatar
MMPRINCE4000
  • CERTIFIED EXPERT
  • 8,548 POSTS
Possible intake manifold gasket (vacuum leak).
Nov 8, 2017 at 1:49 PM (Merged)
Avatar
MSFLASH
  • MEMBER
  • 2 POSTS
i own a 2002 pontiac grand am se and it will not start. it sounds like it wants to start but will not fire up. changed the idle air valve, coil pack, ignition module and plugs. what could it be?
Nov 8, 2017 at 1:49 PM (Merged)
Avatar
WRENCHTECH
  • CERTIFIED EXPERT
  • 20,761 POSTS
All "crank, no start" conditions are approached in the same way. Every engine requires certain functions to be able to run. Some of these functions rely on specific components to work and some components are part of more than one function so it is important to see the whole picture to be able to conclude anything about what may have failed. Also, these functions can ONLY be tested during the failure. Any other time and they will simply test good because the problem isn't present at the moment.
If you approach this in any other way, you are merely guessing and that only serves to replace unnecessary parts and wastes money.



Every engine requires spark, fuel and compression to run. That's what we have to look for.

These are the basics that need to be tested and will give us the info required to isolate a cause.

1) Test for spark at the plug end of the wire using a spark tester. If none found, check for power supply on the + terminal of the coil with the key on.


2) Test for injector pulse using a small bulb called a noid light. If none found, check for power supply at one side of the injector with the key on.


3) Use a fuel pressure gauge to test for correct fuel pressure, also noticing if the pressure holds when key is shut off.

4) If all of these things check good, then you would need to do a complete compression test.

Once you have determined which of these functions has dropped out,
you will know which system is having the problem.

Nov 8, 2017 at 1:49 PM (Merged)
Avatar
ESTRNGY
  • MEMBER
  • 5 POSTS
94 pontiac grand am 2.3 ohc I replaced idle air control valve manual said to ground diagnostic terminal B with ground terminal A for 5 seconds with key on then turn key off for 10 seconds then start car to check idle. My problem is there is no diagnostic terminal B in the ALDL connector.What to do ??? Thanks
Nov 8, 2017 at 1:49 PM (Merged)
Avatar
CARADIODOC
  • CERTIFIED EXPERT
  • 34,306 POSTS
You're probably looking at it backwards. "A" and "B" are the only two terminals next to each other in one corner of the plug. There's one of those two pins missing in all the other three corners.

If the idle speed motor is working normally, you shouldn't have to do anything. The same part is used on Chrysler engines, and in the rare event one fails, you just pop a new one in and you're done. The Engine Computer controls it as necessary.
Nov 8, 2017 at 1:49 PM (Merged)
Avatar
WRENCHTECH
  • CERTIFIED EXPERT
  • 20,761 POSTS
You can simply disconnect the battery if you want to clear the adaptive memory but that really isn't necessary when replacing the IAC.
Nov 8, 2017 at 1:49 PM (Merged)
Avatar
MIKEDEROUIN88
  • MEMBER
  • 137 POSTS
All general motors vehicles automatically re learn idle every time a variable is changed
Nov 8, 2017 at 1:49 PM (Merged)
Avatar
WRENCHTECH
  • CERTIFIED EXPERT
  • 20,761 POSTS
[quote]All general motors vehicles automatically re learn idle every time a variable is changed [/quote]

Correct, The only thing changed with resetting memory is the starting point.
Nov 8, 2017 at 1:49 PM (Merged)
Avatar
ESTRNGY
  • MEMBER
  • 5 POSTS
Thanks guys for the quick response. I was going by what the Chilton repair manual said to do. I drove the car for 45 minutes shut it off started it back up idles just like it suppose to.
Nov 8, 2017 at 1:49 PM (Merged)
Avatar
KAYLA124
  • MEMBER
  • 4 POSTS
Electrical problem
1991 Pontiac Grand Am 4 cyl Front Wheel Drive Automatic

My car was randomly stall out on me after running fine. It wouldn't start after stalling for about 20 minutes. I had it tested when the check engine light turned on and it said I needed to replace the IAC control valve. So I did. I am not sure if I did it correctly. The car manual said something about ground terminal reset and I am not sure what that means?? So now when my car idles it makes a pittering noise. What is causing the noise and how do I properly install the IAC control valve?
Nov 8, 2017 at 1:49 PM (Merged)
Avatar
RASMATAZ
  • CERTIFIED EXPERT
  • 75,992 POSTS
The IACV could be going thru its relearning process
Nov 8, 2017 at 1:50 PM (Merged)
Avatar
KAYLA124
  • MEMBER
  • 4 POSTS
how long does that usually take? and is it dangerous to drive that way? also is it bad to drive with out and exhaust/muffler because mine fell off
Nov 8, 2017 at 1:50 PM (Merged)
Avatar
RASMATAZ
  • CERTIFIED EXPERT
  • 75,992 POSTS
You can find someone that owns a Tech1 or compatable and have him reset it or keep driving it till it resets itself. About your exhaust system problem you're pulluting the air, you might end up getting a ticket for excessive unwanted noises-get it fix as soon as possible.
Nov 8, 2017 at 1:50 PM (Merged)
Avatar
JOSH359
  • MEMBER
  • 2 POSTS
I bought a new iac valve and installed it on the car, couple days later i find out that the connections were bad and my car was in ?limp mode?, i then replaced the connections and then proceeded to start the car, i started the car and the rpms starting rising to 3-4k rpm but i had the coolant cap off i then put the cap back on and cleaned up the coolant and proceeded to start the car again and it still rose to 3-4k rpms. how can i fix this problem? please help. im to scared to switch gears because i dont want to grind the gears.
Nov 8, 2017 at 1:51 PM (Merged)
Avatar
HMAC300
  • CERTIFIED EXPERT
  • 48,601 POSTS
first clean the throttleplate on both sides as well as iac hole. or remove the iac and shoot choke cleaner in it then start the car. then drive it at least 35 mph to reset the iac and see how it goes. while under the hood look for any vacuum lines disconnected.
Nov 8, 2017 at 1:51 PM (Merged)
Avatar
JOSH359
  • MEMBER
  • 2 POSTS
before i saw your response i had me and my buddy redo the new connections i got for the iac and that fixed the problem it drives alot better now but now im stuck with the cylinder 1 misfire code p0301 , i checked the front spark plugs and they are all fine but i cant reach the back spark plugs, i believe i need to change the fuel injector for cylinder 1 due to leaking o rings if im ?correct? is there a certain way to change the fuel injector? thanks for all your help!
Nov 8, 2017 at 1:51 PM (Merged)