Drive shaft removal?

2020 CHEVROLET EQUINOX
4,000 MILES • 4 CYL • 4WD • AUTOMATIC
Advertisement
Avatar
HMAC300
  • CERTIFIED EXPERT
  • 48,601 POSTS
no just one in front and one in back unless it is posi-traction.
Sep 19, 2020 at 5:54 PM (Merged)
Avatar
STRAILER
  • CERTIFIED EXPERT
  • 53,855 POSTS
The bolts? We do not have that information the dealer will.
Sep 19, 2020 at 5:54 PM (Merged)
Advertisement
Avatar
TOPCAT1519
  • MEMBER
  • 3 POSTS
Both front ones rotate. Nothing on the rear ones. They just sit still. Even when I hit the gas. And the ABS and traction control lights came on. After lowering the car these lights stayed off. Any ideas?
Sep 19, 2020 at 5:54 PM (Merged)
Avatar
HMAC300
  • CERTIFIED EXPERT
  • 48,601 POSTS
Ii may have messed up the readings on the ABS once that light goes off so does traction control and all wheel drive. have a mechanic scan for codes if no problem then he can clear the codes.
Sep 19, 2020 at 5:54 PM (Merged)
Avatar
TOPCAT1519
  • MEMBER
  • 3 POSTS
I have a code scanner. No codes are thrown. ?
Sep 19, 2020 at 5:54 PM (Merged)
Avatar
ASEMASTER6371
  • CERTIFIED EXPERT
  • 52,796 POSTS
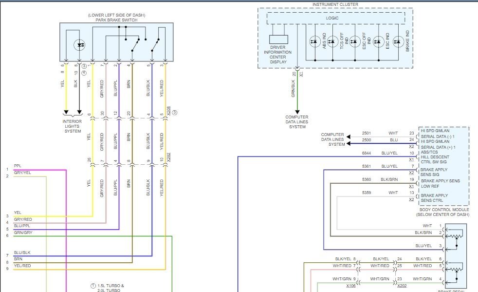
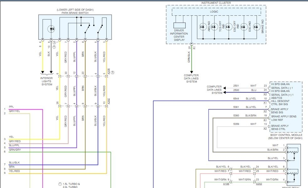
Good afternoon,

If the lights are still on, check the fuses to the module.

https://www.2carpros.com/articles/how-to-check-a-car-fuse

I attached the diagrams for you of the system as well as the location of the module.

https://www.2carpros.com/articles/how-to-check-wiring

The module may have failed. If it did, it should be a warranty item due to the age of the car.

Roy



Removal Procedure
Warning: Refer to Brake Fluid Irritant Warning.
Caution: Refer to Brake Fluid Effects on Paint and Electrical Components Caution.
Caution: Always connect or disconnect the wiring harness connector from the EBCM/EBTCM with the ignition switch in the OFF position. Failure to observe this precaution could result in damage to the EBCM/EBTCM.
Place the ignition switch in the OFF position.
Electronic Brake Control Module with Brake Pressure Modulator Valve (1) » Remove — Electronic Brake Control Module with Brake Pressure Modulator Valve Replacement
Open In New TabZoom/Print

Electronic Brake Control Module Bolt (1) » Remove [3x]
Open In New TabZoom/Print

Electronic Brake Control Module (1) » Remove
Nov 19, 2020 at 12:57 PM