Starter not working

1995 NISSAN QUEST
170,000 MILES • 6 CYL • FWD • AUTOMATIC
Avatar
TYAZZ
  • MEMBER
  • 56 POSTS
My 1995 Nissan Quest decided not to start.
I turn the key, everything gets power except the starter.
I jumped the starter by crossing the terminals on the solinoid with a screwdriver. The starter spins, but no start.
I replaced the Ignition.
I replaced the Ignition Switch.
I replaced the Inhibiter Relay (by the battery).
I replaced the Ignition Relay (next to the fuse box under the dash).
I took out the starter and had it tested, it works.
I cleaned the battery terminals, no start.
I volt tested the battery, 12.9v.
I volt tested the small wire on the solenoid, no power even with the key turned to start.
I volt tested the plug that connects to the small wire on the solenoid, no power.
I followed that wire to what i believe is the inhibiter relay (which i already replaced)
Im stumped, Im ready to scrap it even though it ran great before this problem. Please Help!
Aug 8, 2011 at 2:38 AM
Advertisement
Avatar
DOCFIXIT
  • CERTIFIED EXPERT
  • 18,828 POSTS
Problem in Neutral safety switch on Trans. Try moving shifter to Neutral see if it will start. switch located on top trans axle where shift cable attaches

this guide will help

https://www.2carpros.com/articles/starter-not-working-repair
Aug 8, 2011 at 1:14 PM
Avatar
TYAZZ
  • MEMBER
  • 56 POSTS
I've tried that. I've also let it drift. I tried to start it in every position. There's also a click that comes from all four relays next to the fuse box when I try to start it.
Aug 8, 2011 at 1:58 PM
Advertisement
Avatar
TYAZZ
  • MEMBER
  • 56 POSTS
That's not what's wrong. What else do you got? Its a stumper, right. I'm thinking its a bad wire somewhere, but don't know how to go about finding it efficeintly.
Aug 10, 2011 at 12:34 PM
Avatar
DOCFIXIT
  • CERTIFIED EXPERT
  • 18,828 POSTS
It is inhibtor switch see previous post prevents starting when in gear. it is faulty
Aug 10, 2011 at 1:54 PM
Avatar
TYAZZ
  • MEMBER
  • 56 POSTS
Does it have another name. I can't find an inhibitor switch anywhere. Is it the same thing as a nuetral safety switch? Or do you know where I can find one?
Aug 11, 2011 at 12:39 AM
Avatar
CADIEMAN
  • CERTIFIED EXPERT
  • 3,544 POSTS
check for start signal coming out of the ing. switch to the seloniod
Aug 11, 2011 at 1:45 AM
Avatar
TYAZZ
  • MEMBER
  • 56 POSTS
How?
Aug 11, 2011 at 1:35 PM
Avatar
CADIEMAN
  • CERTIFIED EXPERT
  • 3,544 POSTS
use a test light.your looking for a wire that gets power when your holding the key in start position and when you release the key the light will go out.it has power only in start possition.that wire goes to the seloniod.when you hold it in start possition. that wire at the seloniod has to have power when you hold it in start possition.
Aug 11, 2011 at 6:01 PM
Avatar
CADIEMAN
  • CERTIFIED EXPERT
  • 3,544 POSTS
sorry back first check the wire at the starter seloniod if no power then u need to check the wire at the ingition switch for power with the key in start possition
Aug 11, 2011 at 8:11 PM
Avatar
TYAZZ
  • MEMBER
  • 56 POSTS
I found them. The ignition is white with a red stripe. And the secondary is brown.
Aug 14, 2011 at 10:52 PM
Avatar
TYAZZ
  • MEMBER
  • 56 POSTS
Ok... this is where Im at.
The white wire with a red stripe, and brown wire are ignition wires at the ignition switch.
The wire that clips to the small wire on the solenoid is red with a white stripe and goes to the inhibiter relay (already replaced)
I took apart that relay box. Under the inhibiter realy is the red with white, a solid red, a small green, and a small blue wire.
I followed the solid red wire to a black box mounted to the fire wall infront of the driver side. I dont know what that box is.
Aug 15, 2011 at 12:24 AM
Avatar
CADIEMAN
  • CERTIFIED EXPERT
  • 3,544 POSTS
does the red/white wire get power when the key in start position at the ing. switch?does it get power at seloniod on the red/white wire?power goes from the ing. switch through a neutral safety switch to the starter.this inhibiter may oper. through the neutral switch.youll need to find this neutral switch and see if the red/white wire goes through it.
Aug 15, 2011 at 2:26 AM
Avatar
TYAZZ
  • MEMBER
  • 56 POSTS
The white / red wire gets power at the ignition switch with the key turned to start.
The red / white wire at the solenoid does not get power with the key turned to start.
Ok. Tomorrow after work I'll find the nuetral safety switch and check.
Aug 15, 2011 at 2:32 AM
Avatar
TYAZZ
  • MEMBER
  • 56 POSTS
I can't find the nss.. where is it? On the trans under the hood? Or under the van? Or under the dash?
Aug 15, 2011 at 11:10 PM
Avatar
CADIEMAN
  • CERTIFIED EXPERT
  • 3,544 POSTS
find the shift cable then follow it to the trans it will be there.
Aug 16, 2011 at 12:27 AM
Avatar
TYAZZ
  • MEMBER
  • 56 POSTS
ok. i found the neutral safety switch. None of the above listed wires are running to it.

I identified the white/red wire at a handful of places all over the engine before it enters plugs and harnesses and couldnt find a break in it anywhere.

Could the problem just be the neutral safety switch, considering it doesnt even start in neutral?

Scrap vehicles are $14:100lb right now, so if i cant get this figured out by the weekend its getting towed to the scrap yard. Id probably get $500 for it.

Do you think it would be worth just taking it to a mechanic and letting him deal with it, even though inspection runs out next month and it will have a real hard time passing?

Im leaning towards scrapping it.
Aug 16, 2011 at 12:40 AM
Avatar
TYAZZ
  • MEMBER
  • 56 POSTS
Any last resort ideas? Someon mentioned push button ignition...
Aug 17, 2011 at 4:39 PM
Avatar
DOCFIXIT
  • CERTIFIED EXPERT
  • 18,828 POSTS
Red/white wire goes from relay to solenoid/ wire to check at NSS is Light green/Black if it does not get hot with key in start then NSS is faulty
Aug 17, 2011 at 7:20 PM
Avatar
TYAZZ
  • MEMBER
  • 56 POSTS
Ok.. but the green/black wires are only on the end that plugs into the harness on the nss... there are no green and black wires coming from the nss
Aug 18, 2011 at 12:13 AM
Avatar
TYAZZ
  • MEMBER
  • 56 POSTS
regardless, i tested the green/black and theres no power. but i disconnected the harness to test it just by touching the positive to the prongs in the plug. does it make a difference?
Aug 18, 2011 at 12:31 AM
Avatar
TYAZZ
  • MEMBER
  • 56 POSTS
also, what about a fuel cutoff sensor / killswitch type thing? could that be it?
Aug 18, 2011 at 12:37 AM
Avatar
DOCFIXIT
  • CERTIFIED EXPERT
  • 18,828 POSTS
Am throwing in the towel
Aug 18, 2011 at 1:42 PM
Avatar
TYAZZ
  • MEMBER
  • 56 POSTS
Bummer.. thanks for sticking it out.
Aug 18, 2011 at 1:46 PM
Avatar
TYAZZ
  • MEMBER
  • 56 POSTS
I know you threw in the towel, but i just wanted to let you know that i found the problem with your help. The green/black wire that plugs into the NSS was broken. As soon as i touched the copper ends together with the key turned it started to crank. Now ive just got to get a new plug and sodder that **** in there. Thanks.
Aug 19, 2011 at 12:27 AM
Avatar
DOCFIXIT
  • CERTIFIED EXPERT
  • 18,828 POSTS
Great news knew it had something to do with NSS and/or wiring good job
Aug 19, 2011 at 9:08 PM
Avatar
TYAZZ
  • MEMBER
  • 56 POSTS
Ok. Same problem, but I think I fried the nss by letting said bare wires touch and arc. Can I just bypass the nss by cuttin the wires going to the nss and connecting them to eachother?
Nov 6, 2011 at 2:51 PM
Avatar
CADIEMAN
  • CERTIFIED EXPERT
  • 3,544 POSTS
no you need to replace the nss and connecter if needed.good one doc
Nov 6, 2011 at 4:19 PM
Avatar
TYAZZ
  • MEMBER
  • 56 POSTS
Won't crank

Turn key to start, everything gets power. Like trying to start a standard without engaging the clutch

All fuses are good

Replaced starter relay and inhibit relay

Starter spins when crossing terminal with screw driver. Also tried banging on it. Took it out and had it tested at autozone, machine said all good.

Small black wire at solenoid shows power with key turned to start.

Both plugs from neutral safety switch show power.

I feel like I'm on a hunt for a bad wire. I'm out of ideas. Can't find a schematic or hot wire diagram.

Terminals are tight at clean at battery.

What can I do next?
Jan 7, 2020 at 12:48 PM (Merged)
Avatar
RASMATAZ
  • CERTIFIED EXPERT
  • 75,992 POSTS
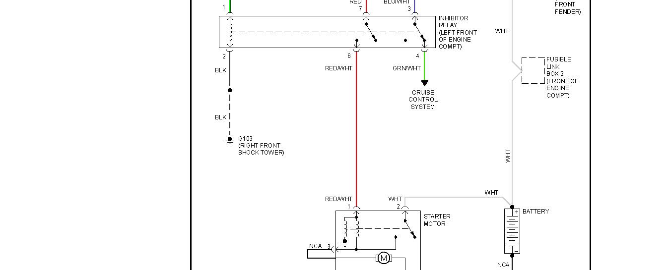
Check ground point -G103
Jan 7, 2020 at 12:48 PM (Merged)
Avatar
RASMATAZ
  • CERTIFIED EXPERT
  • 75,992 POSTS
See below

Jan 7, 2020 at 12:48 PM (Merged)
Avatar
TYAZZ
  • MEMBER
  • 56 POSTS
I checked that ground. I cleaned it up a bit and retightened it. Still no crank. But in the process I did notice that when i shift from park to reverse or drive, the neutral safety switch buzzes for a second or two. Normal? Possible problem?
Jan 7, 2020 at 12:48 PM (Merged)
Avatar
TYAZZ
  • MEMBER
  • 56 POSTS
My 95 Nissan Quest won't start. When I turn the key there's no sound from the starter, but everything gets power. I checked all fuses and relays. The starter never showed signs of decline, never the normal clicking. I clean the battery terminals and volt tested where the postive wire connects to the starter. Also I find it strange when I turn the key, the headlights don't dim. Could it be anything other than the starter?
Jan 7, 2020 at 12:48 PM (Merged)
Avatar
DOCFIXIT
  • CERTIFIED EXPERT
  • 18,828 POSTS
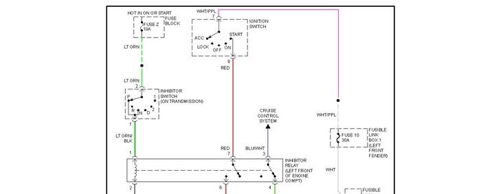
Use a test light or meter check for voltage on small solenoid Red/White wire when key is turned to start. if yes then starter if no then inhiberter switch or ignition
Jan 7, 2020 at 12:48 PM (Merged)
Avatar
TYAZZ
  • MEMBER
  • 56 POSTS
It was the starter/solenoid. Never trust the test machine at Autozone.
Jan 7, 2020 at 12:48 PM (Merged)
Avatar
TYAZZ
  • MEMBER
  • 56 POSTS
That makes sense. Do you mean if the solenoid is showing 12 volts, its the starter, if its not then its the inhiberter or ignition? How would I know if its either ignition or inhiberter?
Jan 7, 2020 at 12:48 PM (Merged)
Avatar
RASMATAZ
  • CERTIFIED EXPERT
  • 75,992 POSTS
TY for coming back with the fix and have a great New Year-
Jan 7, 2020 at 12:48 PM (Merged)
Avatar
DOCFIXIT
  • CERTIFIED EXPERT
  • 18,828 POSTS
If voltage at solenoid the starte if not reply back will guide you through tests
Jan 7, 2020 at 12:48 PM (Merged)
Avatar
TYAZZ
  • MEMBER
  • 56 POSTS
There are 12v at the solenoid. Its actually the same spot I checked it originally. Its the only visable spot on the starter where wires are attached.. so that means change the starter? Is it that rare for the starter to die without any signs?
Jan 7, 2020 at 12:48 PM (Merged)
Avatar
DOCFIXIT
  • CERTIFIED EXPERT
  • 18,828 POSTS
wire need to check is a conector on solenoid with SMALL size wire must have 12v whenkey is turned to start see diagram
Jan 7, 2020 at 12:48 PM (Merged)
Avatar
TYAZZ
  • MEMBER
  • 56 POSTS
Ok.. The small wire is only getting 0.48v at time of ignition. The wire that plugs into the solenoid wire is getting 12v. I had a hard time finding the small wire because its black, and is on the underside of the solenoid.
Jan 7, 2020 at 12:48 PM (Merged)