Jul 28, 2020 at 2:17 PM
(Merged)
Stalls while driving?
1994 MAZDA B2200
Advertisement
its carb with an electicic fuel pump if i turn the key u can see sum fuel squirt out and thats it no more how do i check fuel pressure
Tee the fuel pressure gauge on the fuel filter should read 3-5psi
Jul 28, 2020 at 2:17 PM
(Merged)
Advertisement
My truck will start right up, but if I take foot off of gas it will shut off. What could be my problem?
Jul 28, 2020 at 2:17 PM
(Merged)
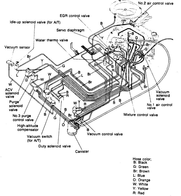
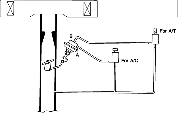
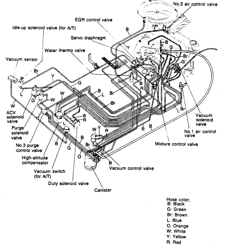
Check the idle up solenoid and the vacuum idle control. Those hold the throttle open a bit to control the idle speed. If the vacuum control diaphragm fails it will cause this issue. If the idle-up solenoid fails it will not control the vacuum to the vacuum idle control with the same result.
Jul 28, 2020 at 2:17 PM
(Merged)
The engine will start smooth, but as soon as I turn the key from start to run, the engine dies.
The engine will stay running as long as I periodically engage the starter and nick the starter gear against the fly wheel, so it doesn't appear to be a gas issue.
The engine will stay running as long as I periodically engage the starter and nick the starter gear against the fly wheel, so it doesn't appear to be a gas issue.
Jul 28, 2020 at 2:17 PM
(Merged)
Hi atlantabachelor,
Thank you for the donation.
You have a faulty ignition switch that has bad contacts in the Run position.
When the key is returned to the run position an d engine stalls, the dash indicators would not stay on due to the contacts being bad.
A replacement of the switch is required.
Thank you for the donation.
You have a faulty ignition switch that has bad contacts in the Run position.
When the key is returned to the run position an d engine stalls, the dash indicators would not stay on due to the contacts being bad.
A replacement of the switch is required.
Jul 28, 2020 at 2:17 PM
(Merged)
Is there anything I can do to avoid the painstaking task of changing the ignition switch?
Can I place a regular toggle switch somewhere jumping the wires that aren't making contact?
Instructions for changing the switch?
Can I place a regular toggle switch somewhere jumping the wires that aren't making contact?
Instructions for changing the switch?
Jul 28, 2020 at 2:17 PM
(Merged)
The swich can be replaced separate from the lock cylinder and is not too difficult. The labor time is quoted at 0.6 hour.
You can use a toggle switch but it is going to be troublesome and the time taken to set it up would be longer tyhan replacing the switch.
Remove the steerng column cover.
Unplug the ignition switch wire.
Remove the holding screws for the ignition switch at other end of ignition key lock.
Reverse procedure for installation.
You can use a toggle switch but it is going to be troublesome and the time taken to set it up would be longer tyhan replacing the switch.
Remove the steerng column cover.
Unplug the ignition switch wire.
Remove the holding screws for the ignition switch at other end of ignition key lock.
Reverse procedure for installation.
Jul 28, 2020 at 2:17 PM
(Merged)
I've been driving my truck around all day and i was sitting at a red light and it just shut off. I went to start back up and nothing not click or sound of any kind. Can a battery go dead like that? What could be wrong?
Jul 28, 2020 at 2:17 PM
(Merged)
The battery might not be taking the charge or the alternator is not putting out-get both load tested if okay check and test all the fusible links and ignition switch.
Jul 28, 2020 at 2:17 PM
(Merged)

