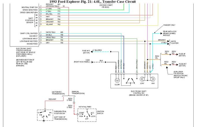
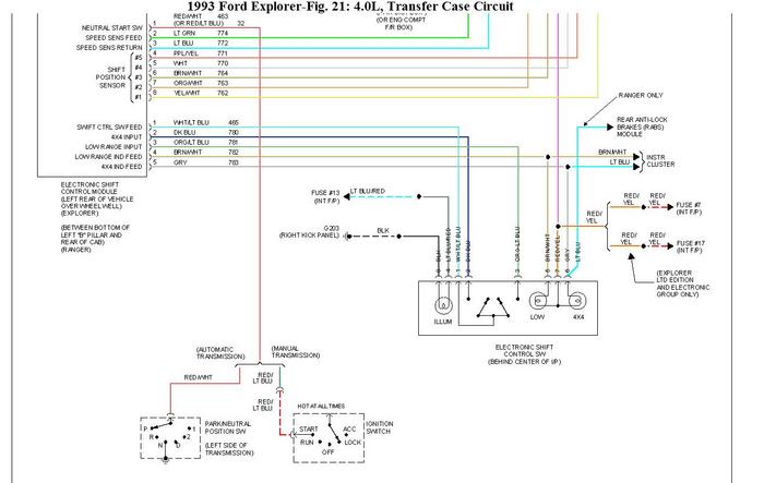
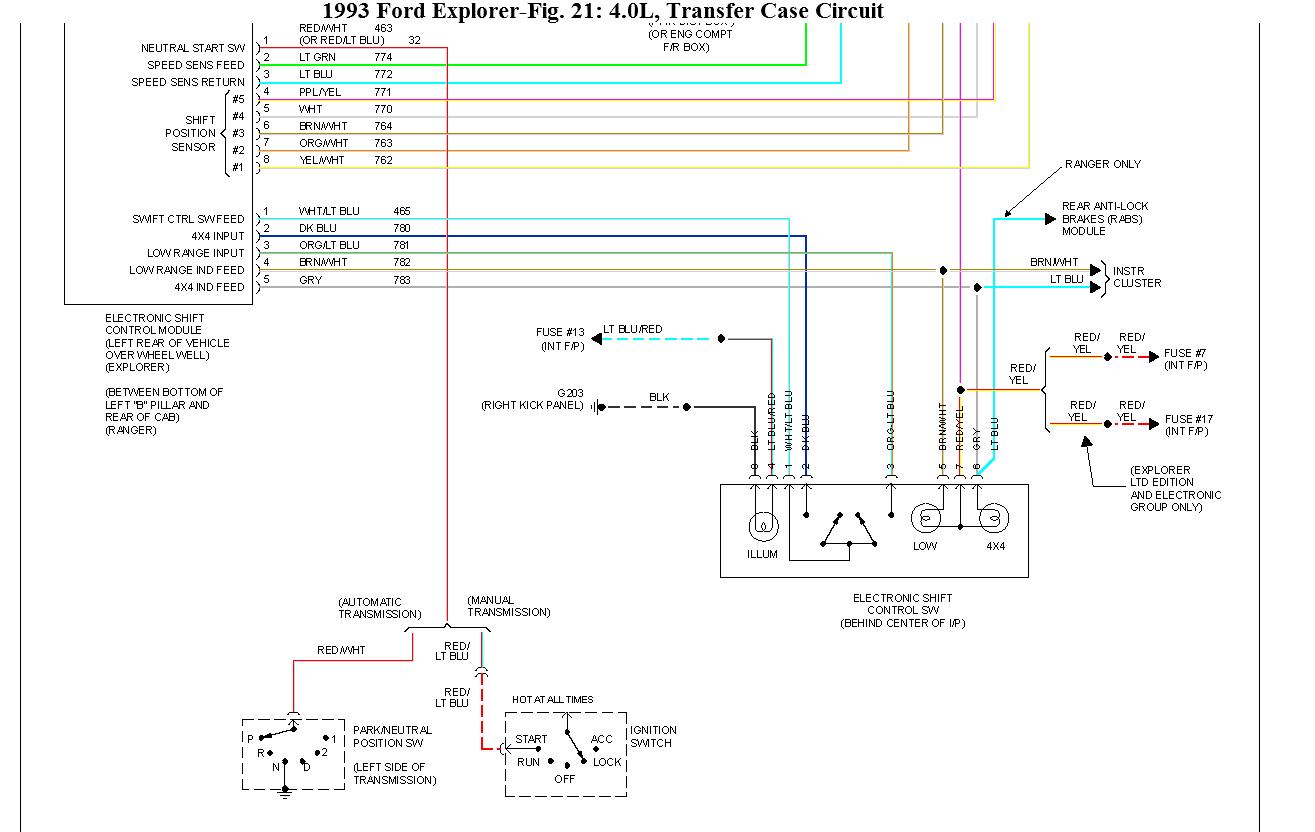
The four wheel drive will not engage. The light on the dash will not illuminate. Last year it worked intermittently. Now it will not at all. There is no 'clicking' noise from the electrical box in the back left side.
I pushed the white reset button on the electrical box while the car was on and a red light next to the white button illuminated for a minute or so then extinguished. Is this a rest button? I have an extra electrical box that I pulled off a junker. Could it be the switch on the dash? How could I check to see if it is the switch on the dash. Could it be the four wheel drive transfer case motor? i think if it were the case motor, the light on the dash would still go on, meaning the case motor is not the issue.
Thanks! Richard Sherlock
I love this site!
I pushed the white reset button on the electrical box while the car was on and a red light next to the white button illuminated for a minute or so then extinguished. Is this a rest button? I have an extra electrical box that I pulled off a junker. Could it be the switch on the dash? How could I check to see if it is the switch on the dash. Could it be the four wheel drive transfer case motor? i think if it were the case motor, the light on the dash would still go on, meaning the case motor is not the issue.
Thanks! Richard Sherlock
I love this site!
Dec 6, 2011 at 7:00 PM





