No Spark

1987 DODGE DAKOTA
20,000 MILES • 3.9L • 6 CYL • 2WD • AUTOMATIC
Avatar
BROKENEGGS
  • MEMBER
  • 198 POSTS
Why Is Their No Fire Going To My Coil ? Everyone Keeps Telling Me That My 1987 Dodge Dakota L E 6 Cyl 3.9 Has An Computer, I Sure Wish Someone Would Let Me Know Where To Locate It At, Since I Can't Seem To Be Able To Find It.
Mar 24, 2014 at 3:38 PM
Advertisement
Avatar
OBXAUTOMEDIC
  • CERTIFIED EXPERT
  • 3,711 POSTS
Hello,

I take you mean that you do not have 12v at your Coil. The most probable cause is the SCC(The Spark Control Computer)...

OPERATION > SPARK CONTROL

Spark Control allows the computer to determine the exact instant that ignition is required. It then signals ignition coil to Produce electrical impulses which fire the spark plugs. The computer eliminates the need for either vacuum advance units or centrifugal advance weights. Spark control operates in one of the following modes:

OPERATION > SPARK CONTROL COMPUTER

The Spark Control Computer (SCC) is mounted on the left inner fender panel (Pickup models) and center of the firewall (Van models). The SCC consists of a printed circuit board which simultaneously receives signals from all data sensors and analyzes these signals to determine spark advance and, on models with feedback carburetor, the air/fuel mixture. Incorporated within the computer are the electronics for throttle control, EGR and air switching systems. After determining spark advance, the computer operates the engine feedback system (on models so equipped)


Electronic Spark Advance Computer (ESA) is located On right forward fender panel.


Mar 25, 2014 at 6:53 AM
Avatar
OBXAUTOMEDIC
  • CERTIFIED EXPERT
  • 3,711 POSTS
Ok, I cannot seem to find a pic of the exact location this is all I can find, it is is located On right forward fender panel. pics attached ir what you are looking for....
Mar 25, 2014 at 5:58 PM
Advertisement
Avatar
BROKENEGGS
  • MEMBER
  • 198 POSTS
The Only Thing I See On My Right Forward Fender Is Three Fuses Which Are All Good.
Mar 26, 2014 at 6:36 AM
Avatar
OBXAUTOMEDIC
  • CERTIFIED EXPERT
  • 3,711 POSTS
Take a look in same area except look on Drivers Side.... If still don't see it could you take a few pics of engine compartment and post them. I still cannot find a pic of a exact location of it.
Mar 26, 2014 at 11:13 AM
Avatar
OBXAUTOMEDIC
  • CERTIFIED EXPERT
  • 3,711 POSTS
Also could you post your VIN number
Mar 26, 2014 at 11:14 AM
Avatar
BROKENEGGS
  • MEMBER
  • 198 POSTS
Obxautomedic: Yes Sir I Found The One On The Left Fender And It Looks Like The First One In Your Two Photos. This One Is Connected To The Part That Goes To The Carburetor Air Filter.. But I Can Not Find Anything On The Right Fender That Would Even Resemble Either One Of Your Photos As To What This Computer Would Look Like. Does This One Operate Everything ?
Mar 26, 2014 at 4:30 PM
Avatar
OBXAUTOMEDIC
  • CERTIFIED EXPERT
  • 3,711 POSTS
Yes it does... And there is only one...

Ok, to make sure, the engine is the 3.9L cause the location of the esa for the 3.9 is supposed to be in the same area except on the Passenger Side. It being on the Drives Side indicates the it's a 2.2L
Mar 27, 2014 at 5:59 AM
Avatar
BROKENEGGS
  • MEMBER
  • 198 POSTS
You May Have Misunderstood Me Are I Stated The Wrong Thing. The Computer I Found Was On The Passengers Side, I Was Unable To Find One On The Drivers Side. This Vehicle Is An 1987 Dodge Dakota L E 6Cyl 3.9L Vehicle Identification Number 1BFN14MOHS515367 I Hope This Helps. Also I Don't Have Anyway Of Knowing What Each Fuse Is For Since It Does Not Show Any Info By Each Plug in. It Tell You To Refer To The Owners Manuel Which I Don't Have. Where Can I Get A Owners Manuel For This Truck Or Just A Diagram Of Fuse Panel Showing What Each Plug in Is For ?
Mar 27, 2014 at 8:56 AM
Avatar
OBXAUTOMEDIC
  • CERTIFIED EXPERT
  • 3,711 POSTS
Ok...

Here is the Fuse Block Layout....

IDENTIFICATION > FUSE & CIRCUIT BREAKER IDENTIFICATION > 1 - 20 Amp (Yellow)
Hazard Flasher & Turn Signals Panel Indicator, Side Marker Lights.

IDENTIFICATION > FUSE & CIRCUIT BREAKER IDENTIFICATION > 2 - 20 Amp (Yellow)
Back-Up Lights, A/C Fan & Clutch Relay Coil.

IDENTIFICATION > FUSE & CIRCUIT BREAKER IDENTIFICATION > 3 - (Blank)
Not Used.

IDENTIFICATION > FUSE & CIRCUIT BREAKER IDENTIFICATION > 4 - 30 Amp (Green)
A/C Or Heater Blower Motor.

IDENTIFICATION > FUSE & CIRCUIT BREAKER IDENTIFICATION > 5 - 20 Amp (Yellow)
Taillights, Park, Side Marker, License & Panel Lights.

IDENTIFICATION > FUSE & CIRCUIT BREAKER IDENTIFICATION > 6 - 20 Amp (Yellow)
Stoplight, Dome & Ignition Switch Light, Time Delay Relay, Courtesy Light.

IDENTIFICATION > FUSE & CIRCUIT BREAKER IDENTIFICATION > 7 - 20 Amp (Yellow)
Horn & Relay, Cigarette Lighter, Radio & Clock Memory, Key-In & Headlight Buzzer.

IDENTIFICATION > FUSE & CIRCUIT BREAKER IDENTIFICATION > 8 - (Blank)
Not Used.

IDENTIFICATION > FUSE & CIRCUIT BREAKER IDENTIFICATION > 9 - 10 Amp (Red)
Radio & Clock Power.

IDENTIFICATION > FUSE & CIRCUIT BREAKER IDENTIFICATION > 10 - 20 Amp (Yellow)
Turn Signal & Front Side Marker Lights.

IDENTIFICATION > FUSE & CIRCUIT BREAKER IDENTIFICATION > 11 - 20 Amp (Yellow)
Windshield Wiper & Washers.

IDENTIFICATION > FUSE & CIRCUIT BREAKER IDENTIFICATION > 12 - 3 Amp (Violet)
Cluster, A/C & Heater Control, Cigarette Lighter Light, Ash Tray & Radio Lights.

IDENTIFICATION > FUSE & CIRCUIT BREAKER IDENTIFICATION > 13 - 5 Amp (Tan)
Fuel Gauge, BRAKE Warning, Oil Gauge, Seat Belt Warning- Buzzer, Temp. Gauge, Volt Gauge, Speed Control, Oil & Temperature Lights, Fuel Pacer System.

IDENTIFICATION > FUSE & CIRCUIT BREAKER IDENTIFICATION > 14 - (Blank)
Not Used.

IDENTIFICATION > FUSE & CIRCUIT BREAKER IDENTIFICATION > 15 - (Blank)
Not Used.

IDENTIFICATION > FUSE & CIRCUIT BREAKER IDENTIFICATION > 16 - (Blank)
Not Used.

IDENTIFICATION > FUSE & CIRCUIT BREAKER IDENTIFICATION > 17 - Relay
Hazard Flasher Warning.

IDENTIFICATION > FUSE & CIRCUIT BREAKER IDENTIFICATION > 18 - Relay
Relay.

IDENTIFICATION > FUSE & CIRCUIT BREAKER IDENTIFICATION > 19 - Circuit Breaker
No other description.

IDENTIFICATION > FUSE & CIRCUIT BREAKER IDENTIFICATION > 20 - Relay
Turn Signal Flasher.

IDENTIFICATION > FUSE & CIRCUIT BREAKER IDENTIFICATION > 21 - Buzzer
Warning.

IDENTIFICATION > FUSE & CIRCUIT BREAKER IDENTIFICATION > 22 - Relay
Horn.
Mar 28, 2014 at 1:43 PM
Avatar
OBXAUTOMEDIC
  • CERTIFIED EXPERT
  • 3,711 POSTS
As for the Computer there is only one and it is on the Passenger Side.
Mar 28, 2014 at 1:52 PM
Avatar
BROKENEGGS
  • MEMBER
  • 198 POSTS
This Is The One I Found. I See There Is A Round Hole In The Side Of It That Has A Raised Edge That A Line From The Carb Hooks Too. Where This Hooks To The Computer Is Torn And Has A Hole In It. How Will This Effect My Being Able To Start This Truck ? What I Am Really Trying To Figure Out Is Why It Is Not Firing. One Thing It May Be Is That It Seems Like There Is No Current From Ignition Key Switch To The Coil, And I Know The Coil Has No Fire Since I Took The Coil Eire Loose From The Distributor And Check For Spark While Someone Else Turned The Motor Over And There Was No Spark. Can You Help Me Figure Out What Is Wrong So I Can Get This Old Truck Back Running ?
Mar 28, 2014 at 3:15 PM
Avatar
OBXAUTOMEDIC
  • CERTIFIED EXPERT
  • 3,711 POSTS
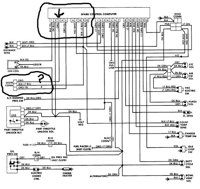
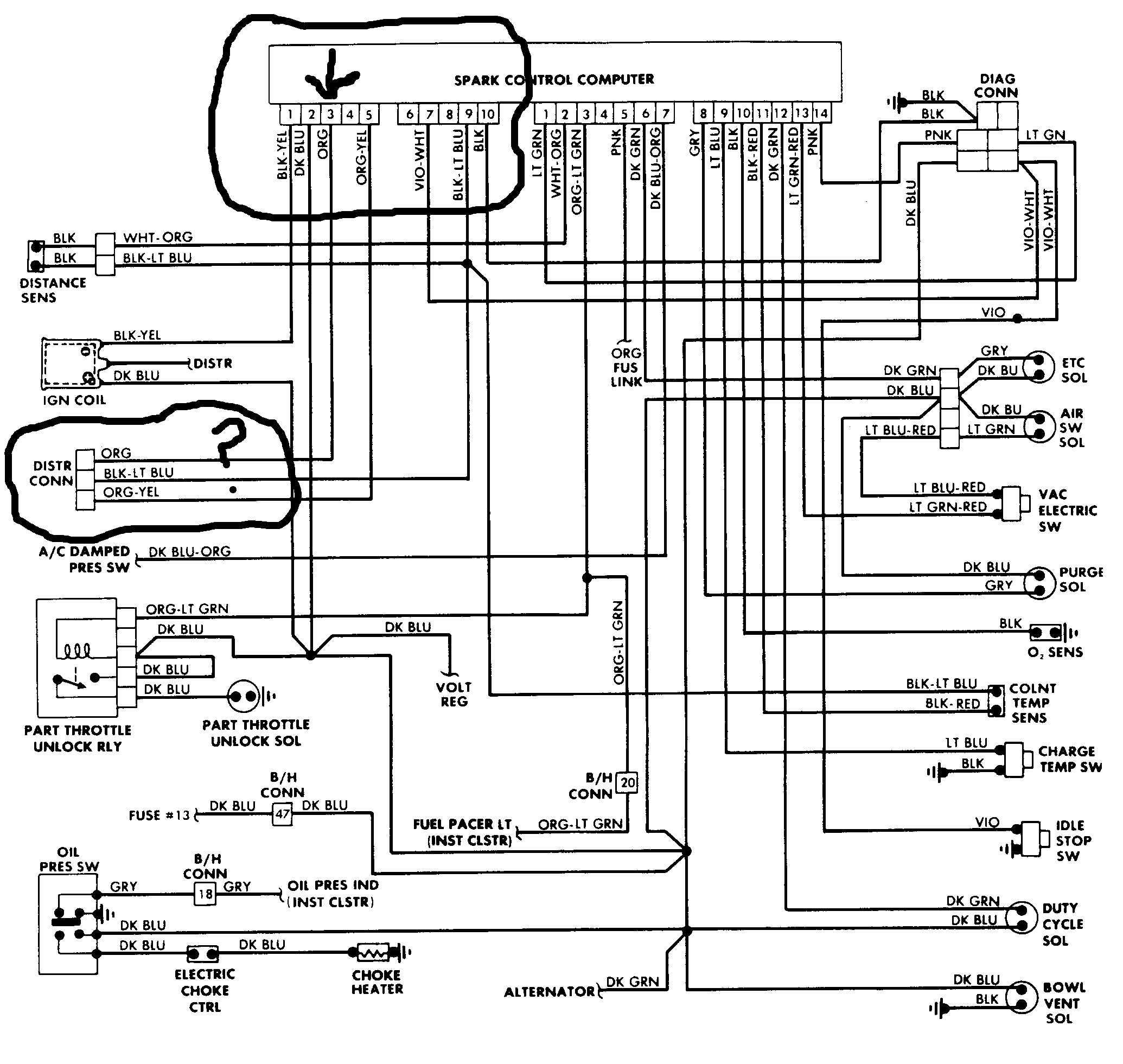
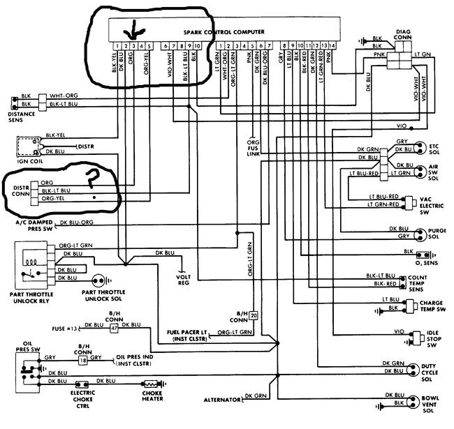
Ok, do this test if you can... you will need a multimeter.... I circled and pointed to the correct Computer Section and Cavity. I cannot find diagram or anything that tells me which is the #1 cavity on the Distributor. Not sure if may be Market inside or outside of the Harness.


NO START (NS) TESTS > NS6F - (3.9L DAKOTA ONLY) CHECKING DISTRIBUTOR PICKUP POWER CIRCUIT

Ensure distributor connector is disconnected. Turn ignition key off. Disconnect 10-way connector from computer. Connect ohmmeter between cavity No. 3 of 10-way connector and cavity No. 1 of the distributor engine harness connector.

If ohmmeter shows continuity, replace the computer.

NOTE: Before replacing the computer, check the terminals of both cavity No. 3 of the 10-way connector, and cavity No. 1 of the distributor engine harness connector to make sure they are making a good connection.

If ohmmeter does not show continuity, repair wire between cavity No. 3 of the 10-way connector and cavity No. 1 of the distributor engine harness connector.


Mar 28, 2014 at 6:24 PM
Avatar
BROKENEGGS
  • MEMBER
  • 198 POSTS
Can The Spark Control Computer Keep Current From Flowing From Ignition Key Switch To The Coil ?
Mar 29, 2014 at 7:25 AM
Avatar
BROKENEGGS
  • MEMBER
  • 198 POSTS
Your Diagram Of Spark Control Computer Does Not Look Like Mine. Mine Only Has Two Plug ins One On The Left End And One On The Right End When Looking Directly Into The Front Of The Computer, Each Has A Lot Of Wires All Different Colors Running Out Of Them.
Mar 29, 2014 at 3:25 PM
Avatar
BROKENEGGS
  • MEMBER
  • 198 POSTS
Your Diagram Of Fuse Box And Their Arrangement Are Completely Different From Mine. Mine Has More Fuses In A Row Than Yours Does
Mar 29, 2014 at 3:31 PM
Avatar
OBXAUTOMEDIC
  • CERTIFIED EXPERT
  • 3,711 POSTS
ok

Can The Spark Control Computer Keep Current From Flowing From Ignition Key Switch To The Coil ? from what I can see in the schematic yes... The Negative Side goes directly into the Computer in the 10 Plug Connector in Cavity #1... The Positive Side also goes into the Computer via a few other areas the into Cavity #2.

The Diagram is a schematic and you would just locate the Orange Wire and I believe cavity No. 1 of the distributor engine harness connector is the Orange with Yellow Stripe.

As few the Fuse Block - I check on the 88 model and show same.

Also double check your VIN you are a digit short vin numbers are 17 digits you only listed 16.

I found a better pic of the 10 pin connector
Mar 29, 2014 at 5:22 PM
Avatar
BROKENEGGS
  • MEMBER
  • 198 POSTS
After Recheck It Now Seems That Fuse Panel Is The Same As Your Pic. Except For One Thing Your Pick Shows Something Other Than An Fuse By The # 19 Plugged Into # 3 Plug in My Panel Does Not Have This Item Since All Plugs Have Fuses Only. And Since You Showed A Different Pic Of The 10 Pin Connector, It Now Seems The Same, But Mine Also Has a Smaller Pin Connector. After You Have Let Me Know That This Computer Does Control The Power Flow From The Ignition Key Switch To The Coil I am Starting To Think The Computer Is causing My Problem. What Do You Think ? I Was Also Told That The Voltage Regulator Controls The Flow Of Power To The Coil. Is This True ? If So Where Is It Located On This Truck ?
Mar 30, 2014 at 7:25 AM
Avatar
OBXAUTOMEDIC
  • CERTIFIED EXPERT
  • 3,711 POSTS
No, the Voltage Regulator Regulates/Controls the Output Voltage from the Alternator. That's it. If the voltage is not regulated it can burn up your Battery plus other electronics in your vehicle if voltage it to high, if not enough voltage then won't charge battery enough to maintain.

If you can do the Test I posted earlier you would know if it is the Computer...
Mar 30, 2014 at 8:18 AM
Avatar
OBXAUTOMEDIC
  • CERTIFIED EXPERT
  • 3,711 POSTS
Forgot to say that the Voltage Regulator is Integrated in the Alternator
Mar 30, 2014 at 8:20 AM
Avatar
BROKENEGGS
  • MEMBER
  • 198 POSTS
No Wonder I Could Not Find It Thanks For That!
Mar 30, 2014 at 9:01 AM
Avatar
BROKENEGGS
  • MEMBER
  • 198 POSTS
No Wonder I Could Not Find It. Thanks For This!
Mar 30, 2014 at 9:04 AM
Avatar
BROKENEGGS
  • MEMBER
  • 198 POSTS
You Asked For The Correct Vin # Please Try This One... 1B7FN14MOHS515367
Mar 30, 2014 at 9:24 AM
Avatar
BROKENEGGS
  • MEMBER
  • 198 POSTS
Does This Spark Control Computer Go By Another Name ? All The Parts Houses Say They Can Not Find A Listing For This Item, For My 1987 Dodge Dakota 6 Cyl 3.9
Mar 30, 2014 at 12:42 PM
Avatar
OBXAUTOMEDIC
  • CERTIFIED EXPERT
  • 3,711 POSTS
Ok, it may be listed as the PCM or ECM or just the Computer anyway have them cross this number

Line Code Part Number
NEC XTP2675


ask them if they have a pic of it you can look at to make sure it looks similar or like the one on your vehicle. Or you could take the one out of your vehicle and take it to them and they should be able to find by the numbers on it.
Mar 30, 2014 at 4:33 PM
Avatar
BROKENEGGS
  • MEMBER
  • 198 POSTS
It Seems That I Will Be Needing A Computer, But The People At The Parts Store Says That There Are Two Different Ones, And Since My Old Computer Does Not Have Any Numbers On It They Say That I Need The Right Number For The One That Works On My Truck. They Also Say That This Can Be Found Out Through My Vin Number. Can You Help Me Find The Right Numbers So I Can Purchase One? If So, Here Is Vin Number>>>1B7FN14MOHS515367 Thanks For Any Help.
Apr 26, 2014 at 10:14 AM
Avatar
OBXAUTOMEDIC
  • CERTIFIED EXPERT
  • 3,711 POSTS
Does your look similar to the attached pic? If so then the Factory Number is R4557481. If not then if you can please send pic.
Apr 28, 2014 at 5:34 AM
Avatar
BROKENEGGS
  • MEMBER
  • 198 POSTS
This Image Is The Same As My Computer.
Apr 28, 2014 at 9:18 AM
Avatar
BROKENEGGS
  • MEMBER
  • 198 POSTS
I Did Not Mean The Image You Just Uploaded, I Mean The First Image That You Uploaded, Go Back To The First One You Showed Me And This Is The Same As The One I Have.
Apr 28, 2014 at 9:26 AM
Avatar
BROKENEGGS
  • MEMBER
  • 198 POSTS
After Cleaning It I Found Number 4379095
Apr 28, 2014 at 9:45 AM
Avatar
BROKENEGGS
  • MEMBER
  • 198 POSTS
This Is The Right One!
Apr 28, 2014 at 12:01 PM
Avatar
BROKENEGGS
  • MEMBER
  • 198 POSTS
This Is The Right One
Apr 28, 2014 at 12:03 PM
Avatar
BROKENEGGS
  • MEMBER
  • 198 POSTS
This Is Not It. It Is Just Like The First Pic.
Apr 28, 2014 at 12:05 PM
Avatar
BROKENEGGS
  • MEMBER
  • 198 POSTS
This Is It !!
Apr 28, 2014 at 12:06 PM
Avatar
BROKENEGGS
  • MEMBER
  • 198 POSTS
This Is Not It.
Apr 28, 2014 at 12:11 PM
Avatar
OBXAUTOMEDIC
  • CERTIFIED EXPERT
  • 3,711 POSTS
Did you have them cross this part number I gave you.... That should be the correct one...

Line Code Part Number
NEC XTP2675


And I believe the only difference in the 2 they list is that one should be for a Manual Transmission and the other for the Automatic Transmission.
Apr 28, 2014 at 5:17 PM
Avatar
OBXAUTOMEDIC
  • CERTIFIED EXPERT
  • 3,711 POSTS
Sorry if couldn't read the part number properly

Line Code - NEC

Part Number - XTP2675
Apr 28, 2014 at 5:22 PM
Avatar
OBXAUTOMEDIC
  • CERTIFIED EXPERT
  • 3,711 POSTS
Ok, after searching some more here is the Dodge Part Number for your vehicle -

R4443973
Apr 28, 2014 at 6:03 PM
Avatar
OBXAUTOMEDIC
  • CERTIFIED EXPERT
  • 3,711 POSTS
Have the parts store cross the number over to their number
Apr 28, 2014 at 6:04 PM
Avatar
BROKENEGGS
  • MEMBER
  • 198 POSTS
The Parts Store People Say That They Need An OEM Number To Be Able To Tell Which One Is The Right One, Since They Are Showing Five Different Ones.
Apr 29, 2014 at 7:11 AM
Avatar
OBXAUTOMEDIC
  • CERTIFIED EXPERT
  • 3,711 POSTS
Then I would suggest you contact your local Dodge Dealer and see if they can give you the OEM Part Number.

Also I honestly think you should try another parts store. There are only 2 that would apply to your vehicle the other 3 are for Manual Transmissions, so in my opinion they don't know what they are talking about.

And they should be able to tell by the VIN Number, the 2 part numbers I found and listed were using the VIN.
Apr 30, 2014 at 3:05 PM