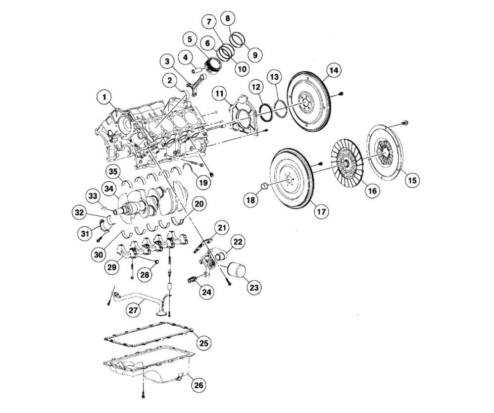
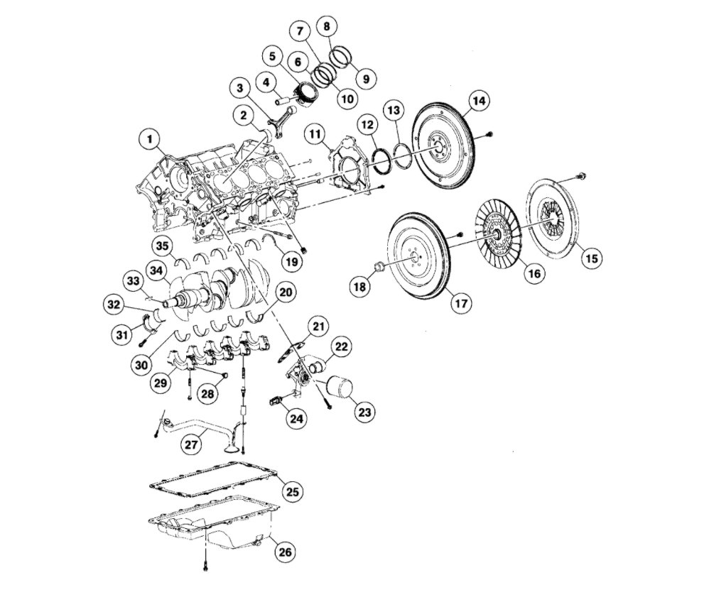
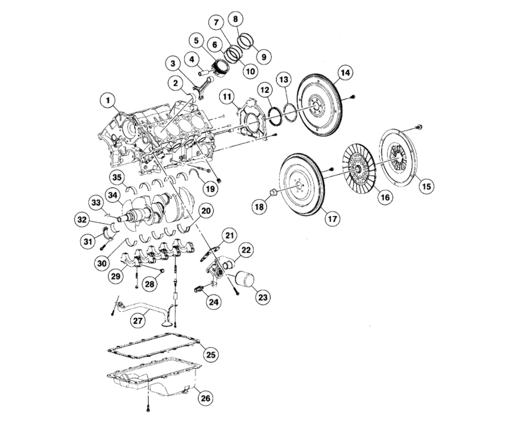
Hello, thanks for the wonderful videos. In the video, "clutch flywheel rear main seal and throw-out bearing" video performed on an older Mustang. At 21.20 in the video you refer to a rear main seal "gasket shield". All of the parts I have looked at say rear main seal set, yet all sets just have the rear main seal. As I am in need of a new "retainer shield" (gasket that butts up against the rear main seal) and cannot find one anywhere and do not want to reuse my old one. Could you advise where I could purchase this part? Or advise me on the mistake I am making? Thank you in advance for your wonderful videos and your guidance.
Jan 6, 2020 at 12:34 PM










