OBD port not working

2007 FORD F-150
127,000 MILES • 4.2L • 6 CYL • 2WD • AUTOMATIC
Avatar
RICKSHAULING
  • MEMBER
  • 21 POSTS
The OBD port will not work the cigarette lighter will not work in the 12 volt accessory plug-in on the dash will not work. I have replaced the cigarette lighter still not working. I have checked all connections, I have also checked all fuses they are good. What could be the problem? Thanks for any advice.
Nov 4, 2018 at 6:42 AM
Advertisement
Avatar
CJ MEDEVAC
  • CERTIFIED EXPERT
  • 11,004 POSTS
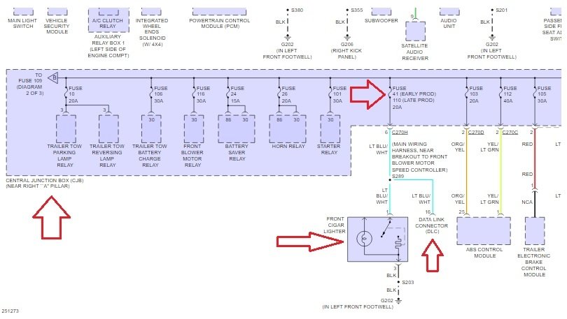
Check fuses 41 or 110.

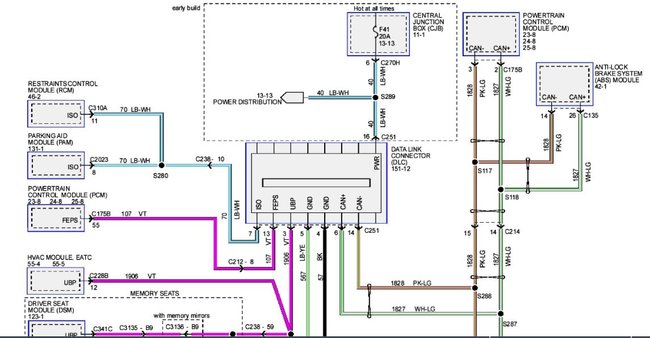
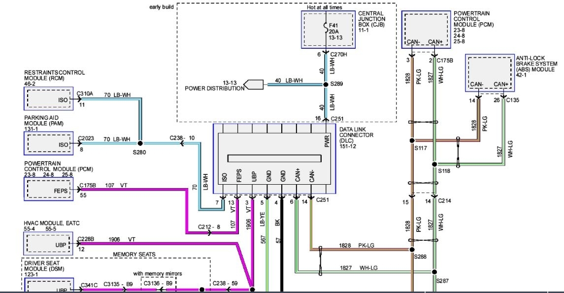
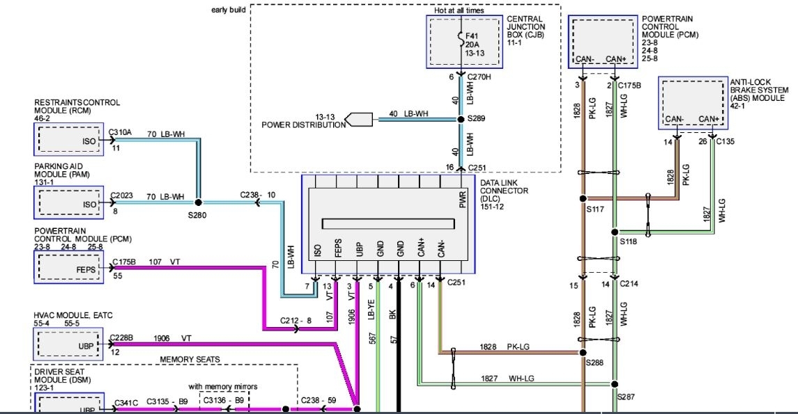
I grabbed you part of a Prodemand diagram.

Click on it below.

The Medic
Nov 4, 2018 at 2:30 PM
Avatar
RICKSHAULING
  • MEMBER
  • 21 POSTS
I replaced the 110 fuse and the 41still no OBD port still no cigarette lighter, still no 12 volts on the dash. None of the three are working still. One month ago I had the junction box replaced because the gauges and A/C kept flickering on and off. My friend said sounds like the j Box was bad so replaced had it checked out. It was the alternator. Would this maybe be a cause also? My truck manufacturers date is 11/06 which mean it is a early 2007 I believe.
Nov 5, 2018 at 1:02 PM
Advertisement
Avatar
RICKSHAULING
  • MEMBER
  • 21 POSTS
OBD Port and cigarette lighter not working. All fuses has been changed 41 and 110 also the 12 volts on the dash plug-in does not work. Any help would be appreciated.
Nov 7, 2018 at 2:14 PM (Merged)
Avatar
ASEMASTER6371
  • CERTIFIED EXPERT
  • 52,796 POSTS
Good afternoon.

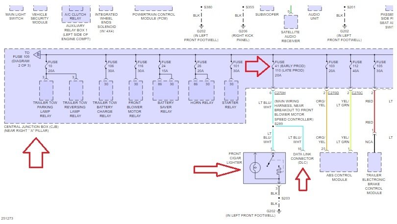
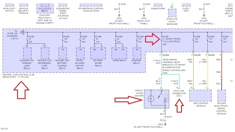
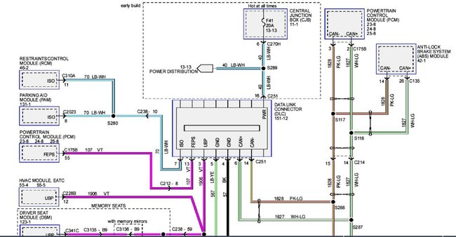
I could not read CJ diagram but I attached my own along with the schematic for the connector as well.

Go to the fuse listed and make sure you have power on both sides of the fuse all the time. If you do not, that would account for the issues you have.

Lets start there.

Roy
Nov 7, 2018 at 2:24 PM
Avatar
ASEMASTER6371
  • CERTIFIED EXPERT
  • 52,796 POSTS
Good afternoon

I could not read CJ diagram but I attached my own along with the schematic for the connector as well.

Go to the fuse listed and make sure you have power on both sides of the fuse all the time. If you do not, that would account for the issues you have.

Lets start there.

Roy
Nov 7, 2018 at 2:24 PM
Avatar
RICKSHAULING
  • MEMBER
  • 21 POSTS
Are you talking about the fuse itself or the fuse box where the number 110 and 41 fuse goes? Because I put a multi-meter on each side of the fuse and I get a ding so that tells me the fuses are good.
Nov 7, 2018 at 3:22 PM
Avatar
CJ MEDEVAC
  • CERTIFIED EXPERT
  • 11,004 POSTS
Roy,

I do not think your diagram posted properly.

The Medic
Nov 7, 2018 at 3:22 PM
Avatar
RICKSHAULING
  • MEMBER
  • 21 POSTS
Yeah, I try to pull it up it will not come up. Like I said all the fuses are good wires are good. I changed out the junction box a while back because I had up flickering in the gauges and the AC were turn on and off. So I changed out the fuse box same exact kind a new fuses. Would that have something to do with my problem?
Nov 7, 2018 at 3:28 PM
Avatar
CJ MEDEVAC
  • CERTIFIED EXPERT
  • 11,004 POSTS
I will jump back in until Roy cranks back up.

Not saying this is the issue.

But,

You can have juice entering the fuse.

Then

Traveling over the filament to the other leg (side).

You will verify the fuse is good with a meter or test light.

However,

Should there be corrosion on the output leg of the fuse

Or

The "holder" is damaged or melted on that side, the juice will not flow on through the circuit.

I see the corrosion thing on Jeep CJs from time to time due to moisture able to sneak in.

You might actually pull the fuse and inspect its legs and inside of the holder with a good light source.

Back to you Roy!

The Medic
Nov 7, 2018 at 3:32 PM
Avatar
RICKSHAULING
  • MEMBER
  • 21 POSTS
Every single fuse in the junction box has been replaced still no power to the cigarette lighter OBD sensor or 12 volts. Also my manufacturing date is 11 of 2006 so that would make my truck and early 2007 so that would make fuse 41 my OBD sensor and cigarette lighter. But when I put a fuse back in the 41 slot also fuse 39 it is like it does not want to stay in it is very loose. Also changed the 110 fuse was a brand new one.
Nov 7, 2018 at 3:35 PM
Avatar
ASEMASTER6371
  • CERTIFIED EXPERT
  • 52,796 POSTS
Thanks CJ.

I reposted. Check for power at the box. Make sure you have battery voltage at the fuses.

Roy
Nov 7, 2018 at 3:36 PM
Avatar
RICKSHAULING
  • MEMBER
  • 21 POSTS
How do I check the voltage at the box with a multi meter or a test light? I believe a multi-meter the leads are too big to fit in. What do you recommend?
Nov 7, 2018 at 3:41 PM
Avatar
ASEMASTER6371
  • CERTIFIED EXPERT
  • 52,796 POSTS
You could use a test light to probe them. The end of a test light should be thin enough to get into the top slot of the fuse.

Roy
Nov 7, 2018 at 3:44 PM
Avatar
RICKSHAULING
  • MEMBER
  • 21 POSTS
So what you are saying I should do is pull fuse 41 and fuse 110.


Stick the test light down in the slots after I pull out the fuse and see if I am getting any power correct with the key in the on position.
Nov 7, 2018 at 3:47 PM
Avatar
ASEMASTER6371
  • CERTIFIED EXPERT
  • 52,796 POSTS
You need to check for power on both sides with the fuse installed.

Roy
Nov 7, 2018 at 4:02 PM
Avatar
RICKSHAULING
  • MEMBER
  • 21 POSTS
Okay, thanks I will check for power on both sides of the fuse.


Tomorrow morning and get back with you. Thanks for your help.
Nov 7, 2018 at 4:14 PM
Avatar
ASEMASTER6371
  • CERTIFIED EXPERT
  • 52,796 POSTS
You are welcome.

Always glad to help.

Roy
Nov 7, 2018 at 4:19 PM
Avatar
RICKSHAULING
  • MEMBER
  • 21 POSTS
I used a 12 volt testing light no power on both sides of the fuse from 41 or 39 fuse 110 works fine. Also with the fuse pulled out I stick the probe down inside the fuse box itself still no power on either fuses with key in on position.
Nov 8, 2018 at 10:47 AM
Avatar
ASEMASTER6371
  • CERTIFIED EXPERT
  • 52,796 POSTS
Okay, if you have no power to the fuses, that is why you have no power to the plug. You have a wiring issue with the fuse block if there is no power.

Check the fuse box for any damage in the rear where the wires connect.

Roy
Nov 8, 2018 at 11:35 AM
Avatar
RICKSHAULING
  • MEMBER
  • 21 POSTS
I got power to all the fuses in the fuse box except for fuse 39 and 41 all others work. Do you believe they are still a short in the box with it just being those two only? Are there wires that go into the back of the fuse box just for those two fuses 39 and 41?
Nov 8, 2018 at 12:40 PM
Avatar
ASEMASTER6371
  • CERTIFIED EXPERT
  • 52,796 POSTS
There is a problem with the fuse box as it is not providing power to the fuses.

The fuse box must be inspected.

Roy
Nov 8, 2018 at 2:57 PM
Avatar
RICKSHAULING
  • MEMBER
  • 21 POSTS
Okay thanks.
Nov 8, 2018 at 2:58 PM
Avatar
ASEMASTER6371
  • CERTIFIED EXPERT
  • 52,796 POSTS
You are welcome.

Keep me updated and we will continue to help if needed.

Roy
Nov 8, 2018 at 3:05 PM
Avatar
RICKSHAULING
  • MEMBER
  • 21 POSTS
I have a 2007 Ford F1 50 V6 4.2 L OBD sensor will not work cigarette lighter will not work and the 12 volt accessory on the dashboard not work all fuses are good. Could you tell me what might be the problem?
Nov 9, 2018 at 12:18 PM (Merged)
Avatar
ASEMASTER6371
  • CERTIFIED EXPERT
  • 52,796 POSTS
Hello again,

Did you do the checks I suggested in your other post?

What have you done to check the voltages?

Roy
Nov 9, 2018 at 12:18 PM (Merged)
Avatar
RICKSHAULING
  • MEMBER
  • 21 POSTS
With a 12 volt testing light I checked both sides of the fuses number 41 and 39 neither side is working, but fuse 110 works fine no power from either fuse 41 or 39. Also with key in on position check the fuse box still no power.
Nov 9, 2018 at 12:18 PM (Merged)
Avatar
ASEMASTER6371
  • CERTIFIED EXPERT
  • 52,796 POSTS
Okay, I am going to get these two posts combined so there is no confusion.

Roy
Nov 9, 2018 at 12:18 PM (Merged)
Avatar
RICKSHAULING
  • MEMBER
  • 21 POSTS
Basically what is going on is there is no power at the fuse box to fuse 41 for the cigarette lighter and OBD port. The fuse 39 works the 12 volt on the dash no power at the fuse box either with fuses in or out.
Nov 9, 2018 at 12:18 PM (Merged)
Avatar
ASEMASTER6371
  • CERTIFIED EXPERT
  • 52,796 POSTS
I know, I read that before.

As I stated, you need to remove or look at the fuse block as the power comes from the fuse box itself. Once you get power back to the fuse box, you will have power to the connector.

Roy
Nov 9, 2018 at 12:18 PM (Merged)
Avatar
RICKSHAULING
  • MEMBER
  • 21 POSTS
Okay thanks. I will take out the fuse box and check wires and box itself. Thanks
Nov 9, 2018 at 12:18 PM (Merged)
Avatar
ASEMASTER6371
  • CERTIFIED EXPERT
  • 52,796 POSTS
You are welcome.

Keep us updated.

Always glad to help.

Roy
Nov 9, 2018 at 12:18 PM (Merged)
Avatar
RICKSHAULING
  • MEMBER
  • 21 POSTS
I want to thank everyone for their help. I found out what the problem was when I had a new junction box installed two months ago. They put the wrong one in the truck all the numbers matched up except for the letters at the end. Mine was a CB they installed at FA which fuse 39 and 41 was deleted. Which meant no OBD port no cigarette lighter and no 12 volt auxiliary port on dash. Ordered a new one installed it everything is working fine. Thanks everyone for your help and support.
Nov 17, 2018 at 3:47 AM
Avatar
ASEMASTER6371
  • CERTIFIED EXPERT
  • 52,796 POSTS
You are welcome.

Good find.

Always glad to help.

Roy
Nov 17, 2018 at 5:06 AM