Turn the ignition key on nothing happens

2012 MITSUBISHI LANCER
60,000 MILES • 2.4L • 4WD • AUTOMATIC
Avatar
BRIAN. PALMER
  • MEMBER
  • 3 POSTS
Turn the ignition key on nothing happens. also the power windows do not work, headlights work, taillights work, interior lights work dash, lights no.
Mar 30, 2019 at 5:29 AM
Advertisement
Avatar
KASEKENNY
  • CERTIFIED EXPERT
  • 18,907 POSTS
If nothing happens then we have either an issue with the ignition switch or the starter.

So, we need to start with checking the voltage at the starter and find out what is there.

Here is a guide that will help with this:

https://www.2carpros.com/articles/starter-not-working-repair

In order to check the voltage these guides will give the detail needed.

https://www.2carpros.com/articles/how-to-check-wiring

https://www.2carpros.com/articles/how-to-use-a-voltmeter

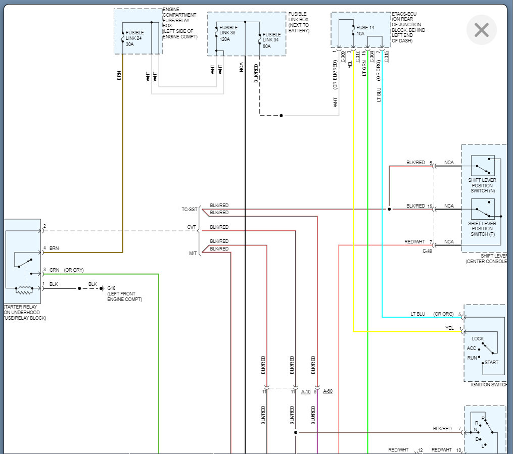
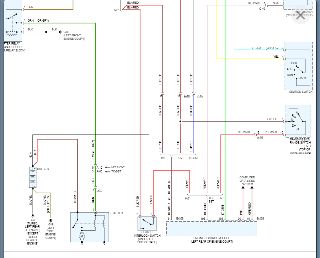
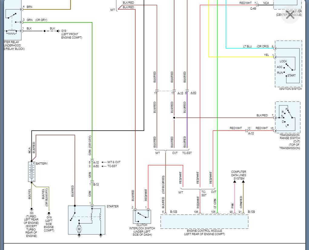
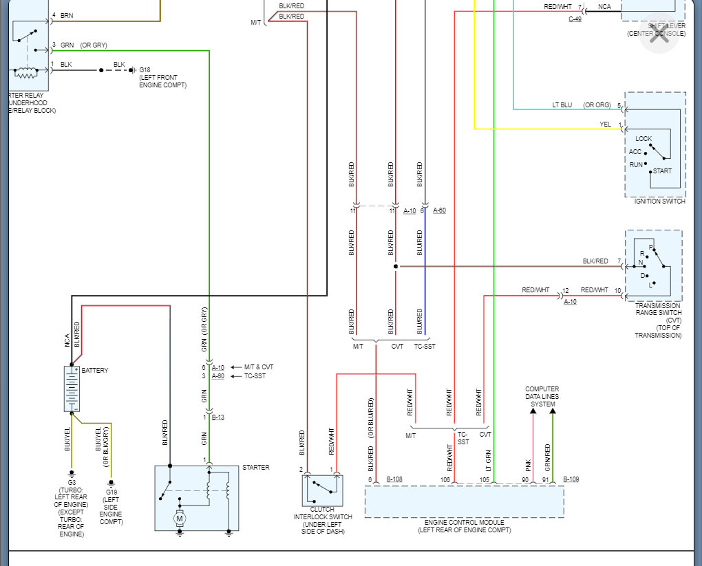
I attached the wiring diagrams below that will help with this testing. However, if you have no voltage then we need check the relay and the transmission range sensor. Basically, if the ECM doesn't know the vehicle is in park, then it will not start the engine.

Let us run through this and we can go from there. Thanks
Oct 23, 2021 at 4:29 PM