Will not stay running

1992 FORD ESCORT
100,000 MILES • 1.9L • FWD • MANUAL
Avatar
CBRICHINS
  • MEMBER
  • 2 POSTS
I turn the key, engine starts, I release the key, engine stops running.
The injector line has fuel pressure. Always starts, does not continue running.
Dec 28, 2016 at 11:13 PM
Advertisement
Avatar
STRAILER
  • CERTIFIED EXPERT
  • 53,854 POSTS
Hey CBRICHINS,

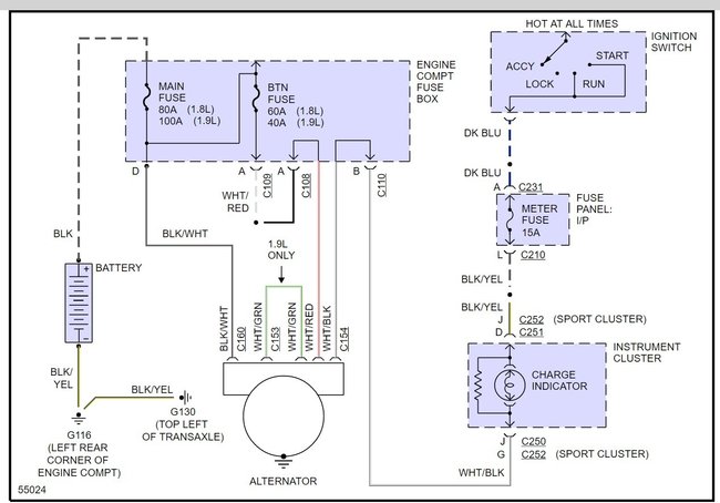
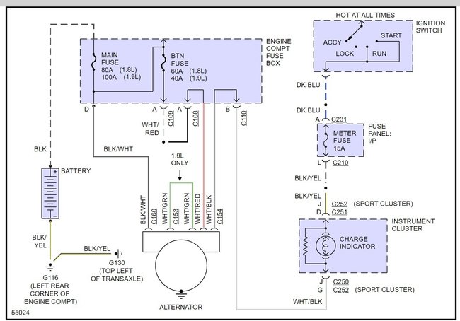
this sounds like you have an ignition switch that has gone bad, here is a wiring diagram and a guide so you can do some testing. Also check the fuses.

https://www.2carpros.com/articles/how-to-check-a-car-fuse

and

https://www.2carpros.com/articles/how-to-use-a-test-light-circuit-tester

Please let us know happens so it will help others.

Best, Ken

Jan 3, 2017 at 12:32 PM