Will not crank over

2002 FORD FOCUS
147,743 MILES • 2.0L • 4 CYL • 2WD • MANUAL
Avatar
VERONICA WIMMS
  • MEMBER
  • 144 POSTS
So my wires from my alternator and starter to my battery fell onto my EGR valve pipe 3 times with the last causing a small hole to be burnt into the pipe. The car made it home i turned it off and since then its ether cranked but no start or nothing. i have replaced all the wiring from starter and alternator the crankshaft camshaft ignition coil fuel rail harnesses the MAF sensor crankshaft position sensor every single fuse and relay under the dash and hood the plugs and wires the battery the starter the alternator and still nothing. when using a test light nothing under the dash in the fuse box lights up and under the hood in the relay spots only one area in some none in others lights up on the other side the big fuses all but the 1st 2 light up then below that the 1st 6 light up on both sides but the last 5 nothing and the single fuse by the relays f64 nothing. what more can i do to get my car going again? i just barely taped my horn and it went off uncontrollably to where i had to unplug it. i am at a loss what do to do.
Sep 30, 2019 at 4:43 PM
Advertisement
Avatar
SCGRANTURISMO
  • CERTIFIED EXPERT
  • 4,897 POSTS
Hello,

Okay, in the diagrams down below I have included the wiring diagrams of the starting and charging system of the diagrams down below. I have also included a diagram and callout of the Battery Junction Box. If you could please check fuse #8(30A) of the Battery Junction Box. Here is a link below for how to check a fuse, if needed:

https://www.2carpros.com/articles/how-a-car-fuse-works

Please get back to us with what you find out and we will go from there.

Thanks,
Alex
2CarPros
Sep 30, 2019 at 8:14 PM
Avatar
VERONICA WIMMS
  • MEMBER
  • 144 POSTS
As i said every fuse and relay both under my hood and dash has been replaced with brand new ones. when using a test light on the fuses to see which ones light up the first to the 40 in the 30 do not light up at all. the next 50 40 30 and 20 big ones light up just fine. then the next 210 the two twenties the 30 and the 15 light up just fine. the bottom tens the five tens does not light up. the 40 does not light up and as far as the relays go in certain spots when I test down inside underneath them once I would light up the rest will not that's all for under the hood for right now.now I'm going to go under the driver side dash and show you the other one.
Oct 1, 2019 at 7:13 PM
Advertisement
Avatar
VERONICA WIMMS
  • MEMBER
  • 144 POSTS
I'm not sure what you're asking me to do or what you're telling me is your suggestion to do. but I don't understand wiring diagrams at all. I don't know anybody that does. so maybe there's a way to break it down into dumb dumb woman English to where I can get it. that would help. I just need my car going. please.
Oct 1, 2019 at 7:19 PM
Avatar
SCGRANTURISMO
  • CERTIFIED EXPERT
  • 4,897 POSTS
Hello again,

Okay, I can do that for you. First of all, when you turn the ignition key, trying to start your vehicle, exactly, what does it do? Nothing at all? Do you hear like a machine gun going off? Do you just hear a click? Or does the engine crank but not start?

Thanks,
Alex
2CarPros

Oct 2, 2019 at 6:42 AM
Avatar
VERONICA WIMMS
  • MEMBER
  • 144 POSTS
When i turn the key now all my dash lights come on i can hear the fuel pump, but no crank no start nothing. now when it first broke down it would crank no start then it stopped all together doing ether. so i had the alternator rebuilt and replaced my starter and replaced my battery still nothing then one day it tried to crank and sounded awful but nothing since then. Now i have noticed some type of fluid leaking from the front pass tire area which was off the car a while because it was flat and when i tried to push it the other day it would not move at all in neutral or reverse or first nothing.
Oct 6, 2019 at 12:56 PM
Avatar
SCGRANTURISMO
  • CERTIFIED EXPERT
  • 4,897 POSTS
Hello,

Okay, let's start with the basics. Can you please take a voltage reading across the two battery terminals with a Digital Multi-meter (DMM). If you are unsure how to use a DMM here is a link below:

https://www.2carpros.com/articles/how-to-use-a-voltmeter

I have also included a guide below explaining how to read voltage on a DMM in the diagrams down below. Report back with what you find out and we will go from there.

Thanks,
Alex
2CarPros
Oct 7, 2019 at 1:18 AM
Avatar
VERONICA WIMMS
  • MEMBER
  • 144 POSTS
I will try this however even though i am getting no crank no start. i turned the ignition to on flipped on my lights and disconnected the negative cable and everything shut off. could it mean my alternator has failed again?
Oct 7, 2019 at 7:31 AM
Avatar
SCGRANTURISMO
  • CERTIFIED EXPERT
  • 4,897 POSTS
Hello again,

No. It means that all electrical circuits in your vehicle would have an open in them. Please get back to us with the voltage reading and we can go from there.

Thanks,
Alex
2CarPros
Oct 7, 2019 at 9:28 PM
Avatar
VERONICA WIMMS
  • MEMBER
  • 144 POSTS
I do this test with or without the battery hooked up and are you saying to just test all of the harnesses or specific ones?
Oct 9, 2019 at 4:11 AM
Avatar
SCGRANTURISMO
  • CERTIFIED EXPERT
  • 4,897 POSTS
Hello again,

At this point we just want you to take a voltage reading across your battery terminals. Set the DMM to DC Volts and put the black lead on the negative battery terminal and the red lead on the positive terminal and report back with the reading.

Thanks,
Alex
2CarPros
Oct 10, 2019 at 11:01 AM
Avatar
VERONICA WIMMS
  • MEMBER
  • 144 POSTS
Okay, i am about to go do the volt test on my battery, but in your how to in says engine off then on and the car wont start so how do i proceed from that point?
Oct 10, 2019 at 4:06 PM
Avatar
SCGRANTURISMO
  • CERTIFIED EXPERT
  • 4,897 POSTS
Hello again,

If your vehicle has a spent battery then nothing afterwards will matter so we first need to determine the state of your battery. Could you please get a voltage reading across the battery terminals and report back with what you find out.

Thanks,
Alex
2CarPros
Oct 10, 2019 at 10:27 PM
Avatar
VERONICA WIMMS
  • MEMBER
  • 144 POSTS
Okay, so i went out there and my volt meter has a few settings on DC i tried them all and soon as i put the leads on it on any setting for DC it made them very hot and gave no reading. so i brought in my battery put it on my charger and it say 13 .6.
Oct 11, 2019 at 7:23 AM
Avatar
VERONICA WIMMS
  • MEMBER
  • 144 POSTS
So what are your thoughts now and my dmm has several dv settings? its a innova dmm. i tried it on all settings and it got the meter ends very hot fast and gave no reading. i was supposed to touch the terminals on the battery not the actual terminals right?
Oct 12, 2019 at 1:24 PM
Avatar
SCGRANTURISMO
  • CERTIFIED EXPERT
  • 4,897 POSTS
Hello again,

Sorry for the delay. Your DMM should be set on the 20 volt DC setting. This is because an automotive battery, fully charged should have 12.6 Volts. Six cells, each cell containing 2.1 Volts. You can touch the battery posts preferably, but you can touch the terminals as well if the battery is hooked up. There should be absolutely no reason for the DMM probes to get hot.

Thanks,
Alex
2CarPros
Oct 12, 2019 at 2:41 PM
Avatar
VERONICA WIMMS
  • MEMBER
  • 144 POSTS
Okay, i am going to video it tomorrow and send it to you. but how does a ignition bypass work?
Oct 12, 2019 at 9:17 PM
Avatar
SCGRANTURISMO
  • CERTIFIED EXPERT
  • 4,897 POSTS
Hello again,

Your vehicle is equipped with Ford's Passive Anti Theft System [PATS] which uses a transponder in your vehicle's ignition key and a transceiver ring which is placed behind and around your ignition lock cylinder. If the Power-train Control Module [PCM] or "computer" does not receive the proper code from the ignition key your vehicle will not start. There is no way to do an ignition bypass on your vehicle. If you want to replace any PATS component or PCM, you will have to have your vehicle's ignition keys reprogrammed to the new component by a locksmith or at the dealership.

Thanks,
Alex
2CarPros
Oct 13, 2019 at 8:54 AM
Avatar
VERONICA WIMMS
  • MEMBER
  • 144 POSTS
Okay, i was just curious on that, but i went out and i did the dmm on dc on all the dc points and my battery is reading 12.45 on all dc points. now what do i do?
Oct 14, 2019 at 1:11 PM
Avatar
SCGRANTURISMO
  • CERTIFIED EXPERT
  • 4,897 POSTS
Hello again,

Okay, that's good. Your battery is about 75% charged, so it's not the problem and Fuse 8 is okay. So let's work our way back to the starter from the battery. Next on the list is going to be the ignition switch. In the diagrams down below I have included the factory troubleshooting guide for your vehicle's ignition switch. Please go through this guide and get back to us with what you are able to find out.

Thanks,
Alex
2CarPros
Oct 14, 2019 at 10:16 PM
Avatar
VERONICA WIMMS
  • MEMBER
  • 144 POSTS
So do i do these tests to the actual ignition itself or to the fuse box? I did however just take off the alternator and had it tested and it was good. my starter is brand new in fact it hasn't started since it was replaced. I was looking back at our previous messages and the one with the fuse box under the hood that you displayed is similar to mine but not exact. so i am lost on where my number 8 fuse would be or is. I do not know if this is even relevant at this time also my ignition has a rubber ring around it that has got a bend in it and it wont flatten out. is this a possible issue? also the other day i accidentally hit my horn and now it wont go off. so had to unplug it. what are your thoughts on this as well?
Oct 14, 2019 at 11:53 PM
Avatar
SCGRANTURISMO
  • CERTIFIED EXPERT
  • 4,897 POSTS
Hello again,

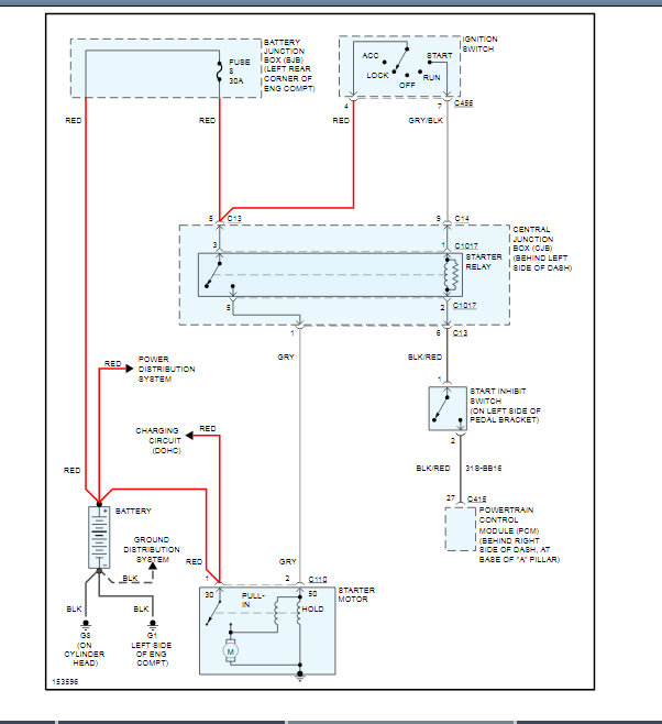
Okay, so where are we. Okay, so we are not sure on fuse 8. Okay, let's start over. In the diagrams down below I have included a wiring diagram of your vehicle's starting circuit. This is going to be what we are going to be working off of, so we are on the same sheet of music, so to speak, and we both have a common point of reference. Don't worry about reading it, that's what I am here for. I will explain what needs to be tested and why we are testing it. This is going to be a systematic process of elimination that will lead to the problem, so please, one thing at a time. Okay, look at the wiring diagram and locate the battery in the lower left hand side of the diagram and get back to us when you have got it, please.

Thanks,
Alex
2CarPros
Oct 17, 2019 at 1:21 PM
Avatar
VERONICA WIMMS
  • MEMBER
  • 144 POSTS
Okay, i found the battery in it. now what do i do?
Oct 20, 2019 at 9:04 AM
Avatar
VERONICA WIMMS
  • MEMBER
  • 144 POSTS
Also i did the voltage test on the battery it is saying 12.45.
Oct 20, 2019 at 9:06 AM
Avatar
VERONICA WIMMS
  • MEMBER
  • 144 POSTS
I hate to annoy you, but i am at a loss as to how to understand the wiring schematic. however i can say that in the fuse box under the hood the number 7 and 8 being the first 2 at the top on the left being the larger sized fuses 1.a 40 2.(8) a 30 do not light up at all when using a test light. do i take out these fuses and put the dmm in it to test for a reading?
Oct 20, 2019 at 9:17 AM
Avatar
SCGRANTURISMO
  • CERTIFIED EXPERT
  • 4,897 POSTS
Hello,

Sorry for taking so long to get to you. I've been preoccupied dealing with a personal matter, and I apologize. Okay, so you've identified the battery on the wiring diagram. Next follow the red wire all the way to the left coming from the battery going towards the top of the page to a perforated box. On the right hand side of the perforated box it says Battery Junction Box [BJB] and then gives it's description in your vehicle. This represents a red wire coming from the positive battery terminal go to the Battery Junction Box [Fuse Box] in your vehicles engine compartment. In the perforated box is a representation of the wire continuing and then it goes to Fuse 8 in the BJB. Please check fuse 8 in your BJB. This is the next component the battery voltage must pass through to make it to your vehicle's starter. Here is a link below to a guide explaining how to test a fuse:

https://www.2carpros.com/articles/how-a-car-fuse-works

You should have a diagram and callout of the BJB in a previous reply. Go through the guide, locate and check fuse 8, and report back with what you find, and we will go from there, if needed.

Thanks,
Alex
2CarPros
Oct 20, 2019 at 7:36 PM
Avatar
VERONICA WIMMS
  • MEMBER
  • 144 POSTS
I will go do this in a minute. but i wanted to say last night i had a computerized obd2 scan ran on it and it says my clutch position sensor is bad and that my computer memory has a error. does that mean i need to get another computer?
Oct 22, 2019 at 7:47 AM
Avatar
SCGRANTURISMO
  • CERTIFIED EXPERT
  • 4,897 POSTS
Hello again,

What was the DTC numbers?

Thanks,
Alex
2CarPros
Oct 22, 2019 at 2:47 PM
Avatar
VERONICA WIMMS
  • MEMBER
  • 144 POSTS
DTC numbers I do not know what those are. but i know that it was a digital hand held scanner that hooked up to the obd2 port under the driver side dash. it was ran on the setting with engine not running and the only issues it gave were for the clutch/neutral switch being bad and the computer had a error. but it didn't say what the error was. i changed switch and followed a tip on resetting the computer where i disconnect the positive then negative cables from the battery and then hold them together without touching the battery itself for 5 minutes then reconnecting the battery up. tried to start it and still nothing except that i now hear a beep coming from the computer area. which is also where the seimens vdo contr asy-r/contr lk and alarm system is located. which is a black box with 5or6 plug style harnesses goes into that. when i opened it up i found a piece broken off and missing from a chip on the inside. i am including a picture what is. Your thoughts at this point?
Oct 29, 2019 at 3:06 AM
Avatar
SCGRANTURISMO
  • CERTIFIED EXPERT
  • 4,897 POSTS
Hello again,

The Direct Trouble Code[s][DTC][s], or "codes", are the codes that came up on the screen of the OBD2 code reader that you plugged into your vehicle. The DTC[s] consist of a letter and then 4[four] numbers. Please report back with the DTC[s] numbers that your code reader pulled from your vehicle.

Thanks,
Alex
2CarPros
Oct 29, 2019 at 2:24 PM
Avatar
VERONICA WIMMS
  • MEMBER
  • 144 POSTS
It wasn't like a little hand one it was more like a touch screen tablet and i don't recall seeing a code on it like i do on mine. but it said that my clutch pedal switch the thing that has a little button like thing that pushes in when you push the clutch in and also it said the computer had a error, but it didn't say what the error was. i will ask the person that owns it if the information is still in it and I will get back to you it if so.
Oct 29, 2019 at 5:16 PM
Avatar
STRAILER
  • CERTIFIED EXPERT
  • 53,854 POSTS
Sounds good. the clutch safety switch when bad will not allow the engine to crank over. here is guide to help also this guide can show you how to get the codes yourself:

https://www.2carpros.com/articles/checking-a-service-engine-soon-or-check-engine-light-on-or-flashing

and

https://www.2carpros.com/articles/starter-not-working-repair

Please run down these guides and report back.
Nov 2, 2019 at 1:02 PM