Will not start, no power to ignition

2004 SAAB 9-3
140,000 MILES • 2.0L • TURBO • 2WD • MANUAL
Avatar
ODDBALL86
  • MEMBER
  • 12 POSTS
So, about a month ago I took a break at work, turned on my car, used the heater; turned it off went back inside. went to leave about an hour later and my key would not turn in the ignition it is a key fob, even when I bypass the locking mechanism, I still get no power anywhere. When I turn my key there's no lights at all on the dash panel. my interior lights when I try to turn them on, they turn off as soon as I turn them on as like one quick flash, but I can flash my high beams on and off, I can use my radio whether my key is in or not .my trunk light stays on when I open the trunk. I can open my trunk which is an electric button that I can't use unless I'm connected to the battery. I replaced the ignition switch, steering control module, main relays, and checked fuses. I have had no bad fuses at all, the only thing that I do know positively is I have a shut off switch relay on the battery off the positive terminal, but that seems to be clear too. so, I just don't really know where the problem could be all. I know that there's no power going to my ignition but there's power going somewhere to my car otherwise my radio wouldn't work, my trunk wouldn't open, and my trunk light wouldn't stay on, and I couldn't use my high beams. so, I don't know. Any advice would be helpful. I've tried anything and everything I can think of. it gave me no symptoms that I recognized before this happened. Like I said I have some power obviously otherwise the lights wouldn't even flash I would assume but my horn doesn't work but my radio works and as far as I know those are in the same fuse box. so, I just don't understand what is going on.
Feb 19, 2022 at 5:04 PM
Advertisement
Avatar
JACOBANDNICKOLAS
  • CERTIFIED EXPERT
  • 110,175 POSTS
Hi,

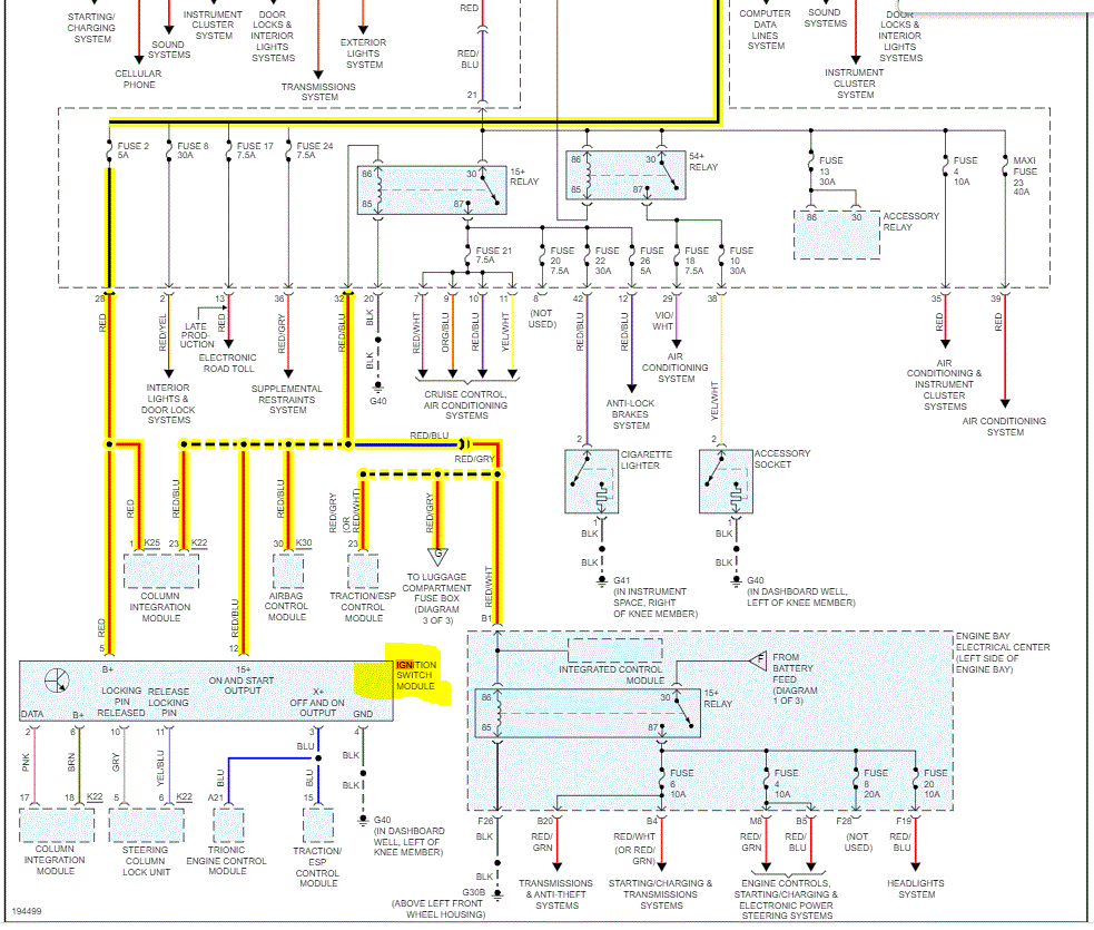
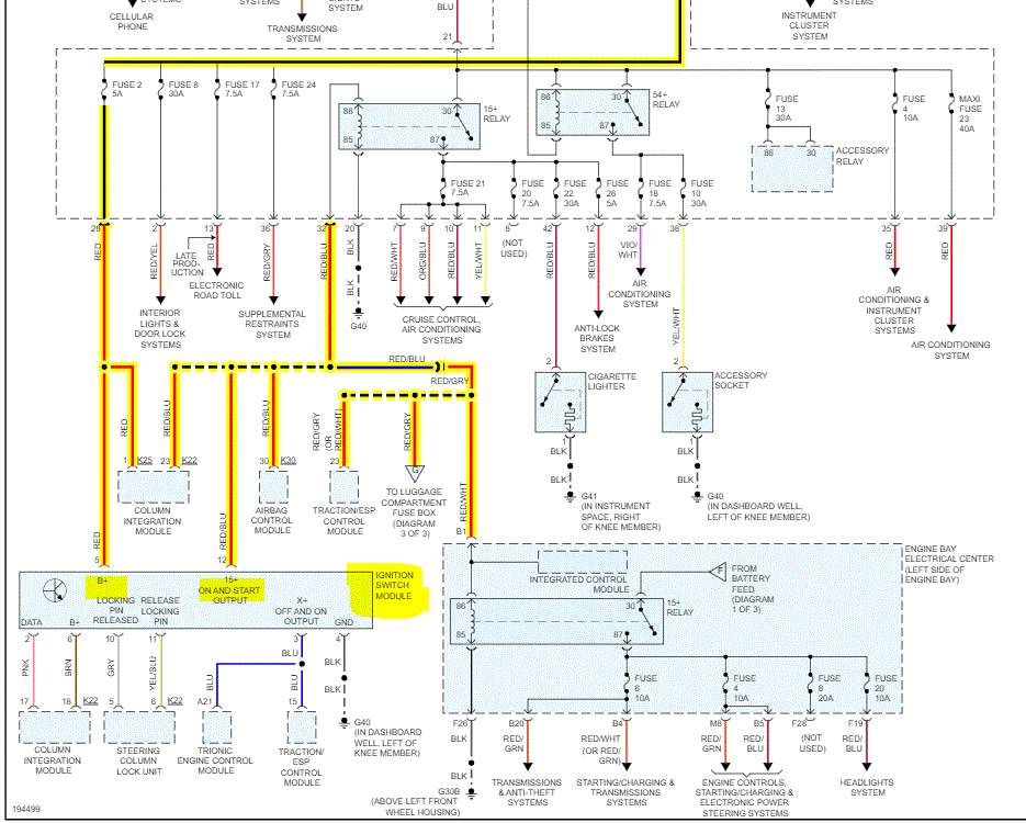
We need to work backward to see where power is lost. I attached a wiring schematic below, so you have a reference to my madness. LOL

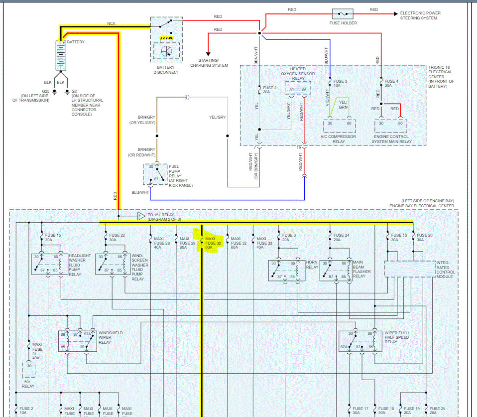
Here is what I would suggest. First, in the instrument panel fuse box, check to make sure fuse 2 is good. In addition to checking the fuse, it is really important to know if there is power to it. Here is a link that explains how to test:

https://www.2carpros.com/articles/how-to-check-a-car-fuse

Even if the fuse appears good, please follow that link, and confirm power.

If there is no power, work backward to the fuse box under the hood. Check maxi fuses 30 and 32. Follow the same procedure as above.

Let me know what you find.

Take care,

Joe

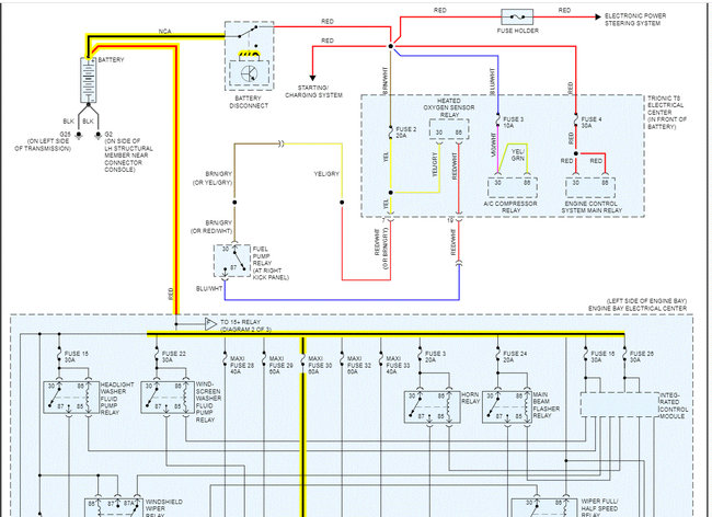
See pics below. Also, the last two pics show the fuse boxes and fuse locations. The schematics were cut in half to make them readable for you. I did overlap them so you can follow from one to the next.
Feb 19, 2022 at 8:52 PM
Avatar
ODDBALL86
  • MEMBER
  • 12 POSTS
Hey:) so, I was wondering if you have a diagram of the fusible links for the Saab or if it was in the pictures, you sent, and I was not looking for it right. I really am feeling like that might be the issue as I have found 1 wire that appears to be melted a little bit.
Feb 25, 2022 at 1:36 PM
Advertisement
Avatar
JACOBANDNICKOLAS
  • CERTIFIED EXPERT
  • 110,175 POSTS
Hi,

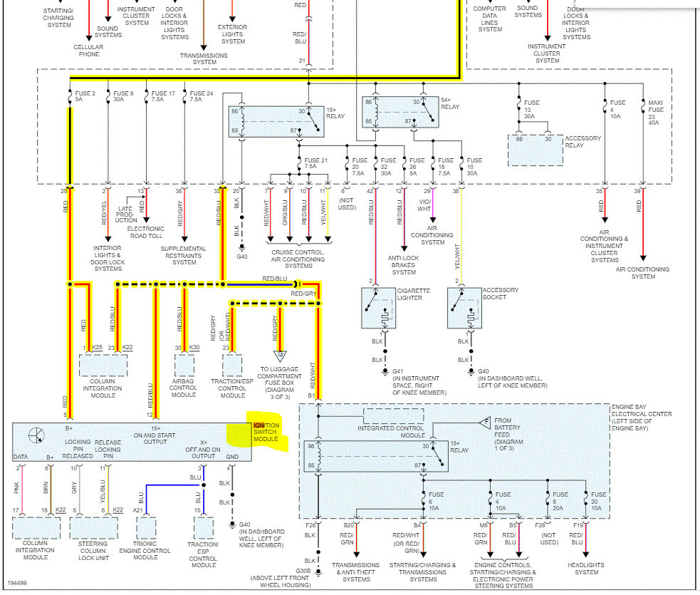
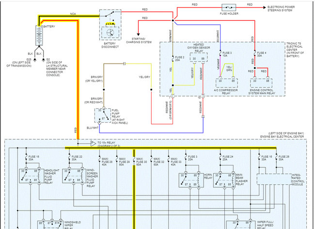
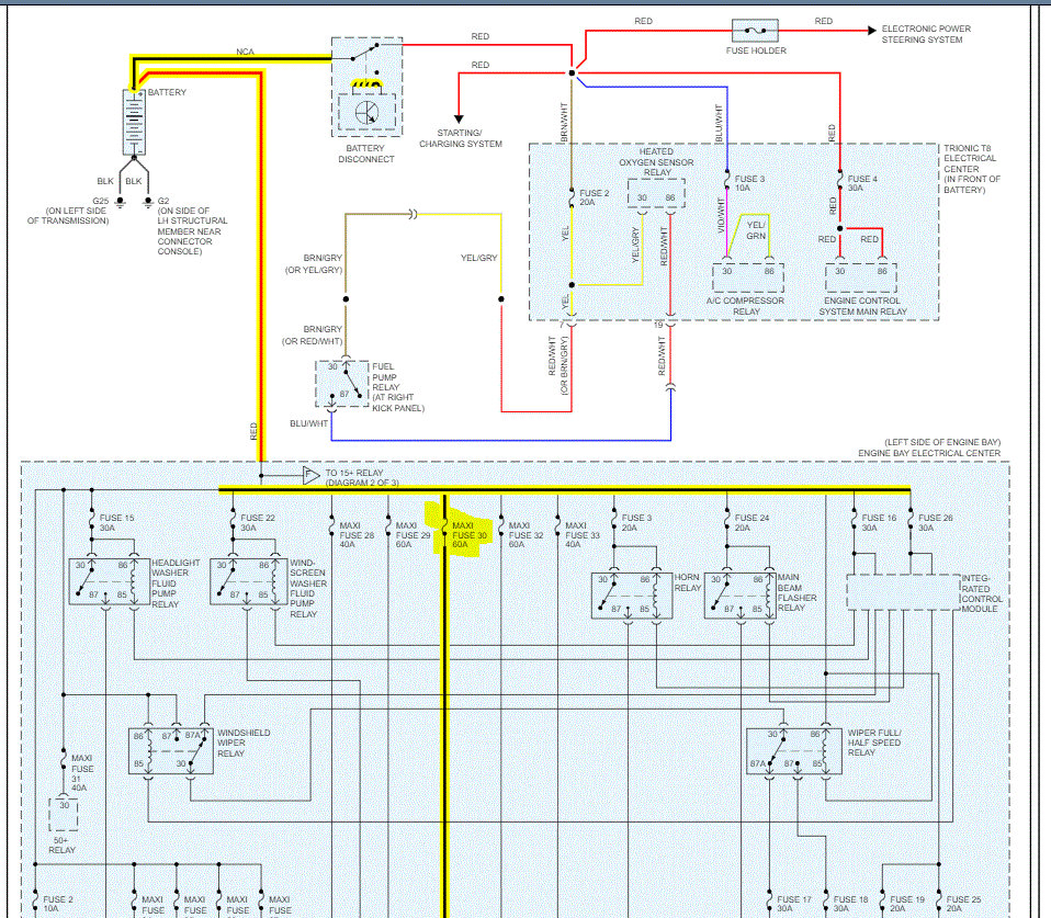
I believe fuses 30 and 32 are the primary supply. Power to the under-hood fuse box comes directly from the battery. Have you been able to check them? They are identified in the last pic I attached above.

Let me know.

Joe
Feb 25, 2022 at 6:59 PM
Avatar
ODDBALL86
  • MEMBER
  • 12 POSTS
I did check them and that's when I found the melted wire. If I did it right again all fuses are good even the passenger compartment #2 that you said to check. I'm just not getting power to any fuses except the luggage compartment box. I don't remember if I mentioned before that the trunk release is an electronic button on drive door that can't open if the battery is drained, and I can open it and that's the only place that the light stays on and functions normally is in the trunk. I also have notice if I disconnect the battery and reconnect the Taillights come on for a short period up to 30 seconds or so and I have no control I can't turn them off or on the only lights I can control is the high beams. Also, I just learned that while my radio turns on with no power from the ignition it displays on the SID what station ect. But even with the locking mechanism bypassed on the ignition switch to turn freely without power, when turned to the on or start position there is still no SID, no system checks, no dinging, nothing. But the SID is perfectly fine to run the radio with display? and the somewhat melted looking wire i found is coming from only 1 wire of a 4-pin unit that is the harness/connector to the shut off switch relay on the positive battery cable and it is on the male side of connection. The car is not in front of me right this moment but if I remember correctly, it was a turquoise-ish color give or take more blue or green.
Feb 25, 2022 at 8:57 PM
Avatar
JACOBANDNICKOLAS
  • CERTIFIED EXPERT
  • 110,175 POSTS
Hi,

When you get a chance, get me a picture of the damaged wire. Also, in front of the battery box, locate the trionic fuse box. That box gets power after the disconnect. I believe that is where you see the melted wire.

There are three fuses there, 2, 3, and 4. Fuse 4 is my main concern, but I would like to know if they all are getting power.

I attached a pic of the box and the fuse locations. Let me know what you find.

Take care,

Joe
Feb 26, 2022 at 6:09 PM
Avatar
ODDBALL86
  • MEMBER
  • 12 POSTS
I misplaced my test light, so I don't know yet if that fuse box is receiving power or not yet, but I did find that fuse #4 is a good fuse. Also, I was way off on the color of the wire it is actually black, which is left of the casing anyway. I peeled down the taping around the collection of wires it's grouped with, and it is the only wire that is visibly compromised/damaged. It looks like it burnt itself clean on most of what I can see anyway. And thank you for sharing your time and knowledge I really appreciate it!!!:)
Feb 28, 2022 at 4:51 PM
Avatar
JACOBANDNICKOLAS
  • CERTIFIED EXPERT
  • 110,175 POSTS
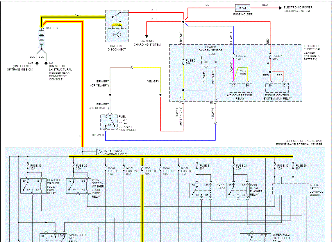
Wow! That is certainly a problem. I'm just wondering why a fuse didn't fail first. The black wire that is broken, does it have power from the battery side? Also. I copied one of your pics below and circled a couple of things. Are they bad as well?

Let me know. Also, let me know if you find the test light. I have a feeling you are going to find fuses that have no power to them. The only thing I can't confirm is what the black wire goes to. In the manual (schematic) it indicates NCA which means no color available. However, it does go to a red wire and then to the box.

My other concern is the idea that the wire is black. I went through both the power distribution schematics and ground schematics. Every wire in the ground schematic is black. LOL

They don't make it easy. However, check to see if the broken "black" wire is getting power from the battery.

Let me know.

Joe
Feb 28, 2022 at 5:43 PM
Avatar
ODDBALL86
  • MEMBER
  • 12 POSTS
I don't know if my reply went through correctly so if you get it twice, I apologize. I will definitely let you know whether the wire is getting any power and what fuses are getting power. That definitely doesn't make it easy to have the same thing for a variety of placement/uses. But I'm just sure with your insane amount of knowledge and my decent not pro but decent ability to find my way around a car we can get it figured out:) And I was kind of wondering if you could explain what an inline fuse actually is. I know it has the same purpose as a regular fuse but as far as I can tell they don't look like and even though inevitably made for the same purpose kind of function differently. Or I don't even know if that's correct. In line fuses don't always have a removable piece, right? Like some are built in the wire? How do you Know when one is blown/damaged?
Mar 1, 2022 at 7:55 AM
Avatar
ODDBALL86
  • MEMBER
  • 12 POSTS
Also, I can't find the picture you sent back and circled stuff in. It's usually right at the bottom of the message I just don't see it. :(
Mar 1, 2022 at 8:02 AM
Avatar
JACOBANDNICKOLAS
  • CERTIFIED EXPERT
  • 110,175 POSTS
Hi,

I'm not sure why that pic didn't go through. I attached it again.

As far as a fusible link, it can look like a traditional wire. See pic 2 below. It is placed in line with a power supply and is designed (like a fuse) to fail if a specific amperage is drawn through it.

Let me know what you find and if that wire has power.

Take care,

Joe

See pics below.

Mar 1, 2022 at 6:56 PM
Avatar
ODDBALL86
  • MEMBER
  • 12 POSTS
So, the top one you circled is the other side of that broken wire and I've found it is a ground. I made a new connection to the body of the car and now all my lights work as the should and I can even turn my headlights switch and if the Door is open it will ding until I put the key in and turn to any position it will stop. Also, my key fob works now to lock unlock the doors. I can also get the alarm to go off and it makes the honking sound, but my horn doesn't work. I can turn my hazards on and see the blinkers on the dash, but nothing happens when I try to start it there are no dash lights. I can again turn my radio on with no key in and it displays the station on the side but nothing when I try to start it no system check or anything. I did discover power is going to both sides of the relay on the disconnect switch, but nothing is coming out of the connecter itself power or ground. But what's even weirder is with the test light to my ignition connector I'm getting power to my power wire and my communication wire. Idk if it's getting a ground though because the test light doesn't reach from the battery to inside the car. Also, my cim connector reads its receiving power as well same as my ABS module. I also found that everything that's not working (ignition, steering lock etc.) Are all clustered together in the B harness under the battery. I'm sorry it took so long to reply I hope you're still able to help:)
Mar 23, 2022 at 6:57 PM
Avatar
ODDBALL86
  • MEMBER
  • 12 POSTS
Oh, and I am wondering if I bought a faulty ignition switch because when. I bought it asked if it was new or used and the store said all electronics are new but there were marks on the switch that looked like someone had already opened it before. So maybe returned a bad one and it got resolved or ? Idk I'm going crazy trying to figure it out though, lol.
Mar 23, 2022 at 7:03 PM
Avatar
JACOBANDNICKOLAS
  • CERTIFIED EXPERT
  • 110,175 POSTS
Hi,

That is certainly a possibility. Were the marks on the part itself? If so, I would return it and get a replacement.

Let me know.

Joe

Mar 23, 2022 at 8:27 PM
Avatar
ODDBALL86
  • MEMBER
  • 12 POSTS
The marks were on the outside of the ignition switch. I did get a replacement and still nothing:( another thing I found is that the 4 pin connector that had that melted ground goes to the air bag module.... which in turn can shut down things like steering assembly, ignition, battery disconnect, main fuse box etc. I just can't tell on the schematic whether it's underneath the seat or under the center consol. If you could look and let me know that'd be amazing. I'm almost wondering if I can get that harness and make a new ground like i did with the part that broke maybe??? Again, these are obviously all guesses you're definitely the expert so I will wait for your response before I tear into anything. :)
Mar 24, 2022 at 2:31 AM
Avatar
JACOBANDNICKOLAS
  • CERTIFIED EXPERT
  • 110,175 POSTS
Hi,

If you know the ground is the issue, certainly you can make a new ground. If you do so, just make sure you use the same gauge wire or something heavier.

Let me know if that takes care of it.

Take care,

Joe
Mar 24, 2022 at 7:06 PM
Avatar
ODDBALL86
  • MEMBER
  • 12 POSTS
Will do. Do you have any tips to get the console out? :(
Mar 25, 2022 at 2:08 PM
Avatar
JACOBANDNICKOLAS
  • CERTIFIED EXPERT
  • 110,175 POSTS
Hi,

LOL the :( made me laugh. I know it can be a pain. With that being said, I suspect you are referring to the center console.

I attached the directions below for you. Let me know if they help.

One other thought, if you ever experience issues with the heater/AC blower motor acting odd (turning on and off), replace the connector to the motor. They are known to fail and can cause a fire.

Let me know if this helps or if you have other questions.

Take care,

Joe

See pics below.
Mar 25, 2022 at 4:59 PM
Avatar
ODDBALL86
  • MEMBER
  • 12 POSTS
Oh, and actually when I bought the car the A/C and heater didn't work due to the motor blower not being even in it. I bought another and installed it and the A/C and heater have worked great. I also changed the alternator and fp window regulator and pully system as it was broken as well. My radio also didn't work when I got it, but it was just the amp under the driver's seat. Let me know if you think over time one of these things maybe contributed to this problem as they all worked fine but you never know maybe I just didn't know what symptom to recognize.
Apr 13, 2022 at 3:18 PM
Avatar
JACOBANDNICKOLAS
  • CERTIFIED EXPERT
  • 110,175 POSTS
Hi,

I don't feel they contribute to the present issues. Let's start from square one. Describe exactly what is happening.

Let me know.

Joe
Apr 14, 2022 at 1:06 PM
Avatar
ODDBALL86
  • MEMBER
  • 12 POSTS
As of the current moment? The current situation is that I can't turn my key in the ignition. The fob works to lock and unlock my radio turns on even without the key in. All my lights work my truck release works. So, I bypass the lock mechanism and I turn the key all the way to start and no dash lights no system check no anything. but if I hold it there for a moment the sid does say steering column lock malfunction. The steering wheel lock is currently not engaged and does not act as if there is a key there when I put it in. Also, if I turn the key to lock on or start and open my door the dummy bell dings until I turn. The key to off. Same with my interior lights if I open my door with them on it dings at me. I've even jumped the starter relay and it turns but obviously doesn't catch. I have tested the ignition harness as well as CIM steering column lock air bag controls module harnesses and they all show power and ground. I also changed the ignition switch. It's seems as though the system has either done an antitheft lockout or something within the system has locked out for safety reasons. Hope you can gather something from all of that, lol. :)
Apr 15, 2022 at 3:03 PM
Avatar
JACOBANDNICKOLAS
  • CERTIFIED EXPERT
  • 110,175 POSTS
Hi,

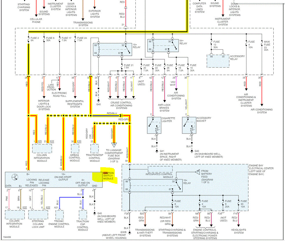
This is a tough one. Based on what you have already done, I suspect there are no power issues related to the switch. However, I feel that is where we need to start. When you turn the key to the start position and nothing turns on, that sounds like a power supply is missing.

Take a look at the schematic below. I highlighted the power supply from the battery to the switch. I need you to confirm all power supplies are good, fuses are good, and there is power to all fuses to the switch. (Red wire).

Let me know.

Joe
Apr 16, 2022 at 4:37 PM