Will not start, no lights on dash

2007 LAND ROVER LR2
140,000 MILES • 2.2L • 4WD • AUTOMATIC
Avatar
PAUL BARHAM
  • MEMBER
  • 2 POSTS
When I put the electronic key in the dash. The dash lights won't come on. In turn I can't start the car. Battery has been changed. Wiring in foot well has been checked as was told maybe a plug come loose. Have also been told it may have something to do with the steering lock not releasing when the key goes in the dash.
Mar 6, 2020 at 12:18 PM
Advertisement
Avatar
KASEKENNY
  • CERTIFIED EXPERT
  • 18,907 POSTS
When you turn the key to the on position, does the theft light go off or stay on, or flash?

If this is the case we could have a theft system issue. Let me know what this does and we can go from there. Maybe get a video of it trying to start so we can see what it is doing. Thanks
Mar 6, 2020 at 3:34 PM
Avatar
PAUL BARHAM
  • MEMBER
  • 2 POSTS
Kasekenny1 it's a electronic key you don't turn it you have to push it into the dash.
Normally the lights in dash come on and the steering lock goes off but nothing is happening. When I press the start button I can hear some clicking from the relays in the passenger foot well.
Mar 7, 2020 at 2:41 AM
Advertisement
Avatar
KASEKENNY
  • CERTIFIED EXPERT
  • 18,907 POSTS
Okay. Even if it is a push button we still need to see the theft light turn off when cranking. However, that info helps because if there are relays clicking then most likely we are getting past the security system.

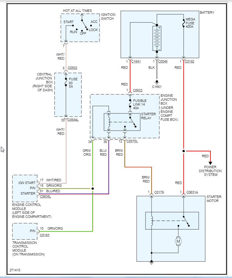
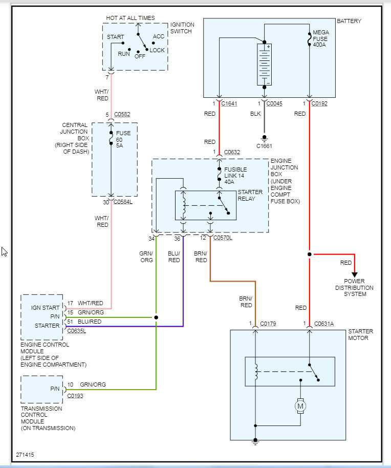
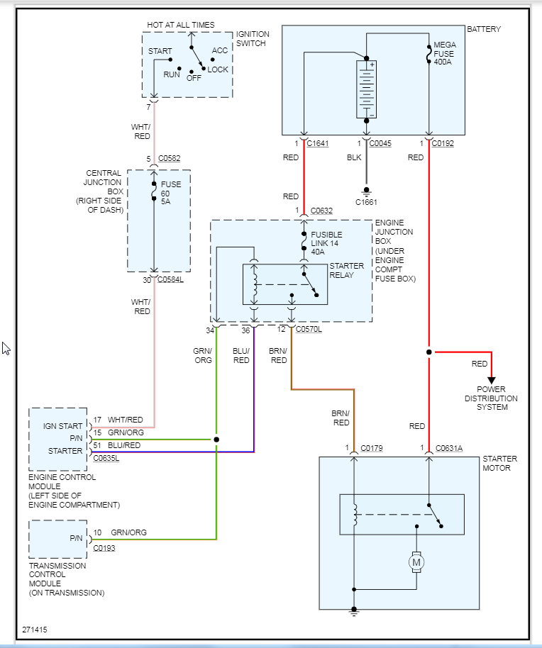
We need to go over to this fuse box and put your finger on each relay when you hear the clicking to see which ones are clicking. Clearly we need to see if the starter relay is clicking as well.

The clicking noise is the relays turning on and off rapidly so you should be able to feel it. If there are more then one, we should check the battery again even though you replaced it. This will run a battery down quickly and could cause more relays to start clicking.

Let me know which ones are clicking and we can go from there.
Mar 7, 2020 at 5:21 PM