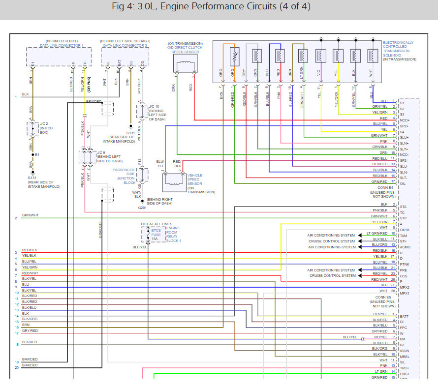
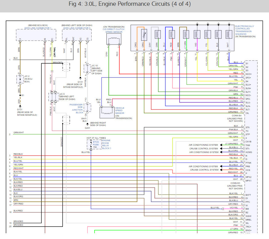
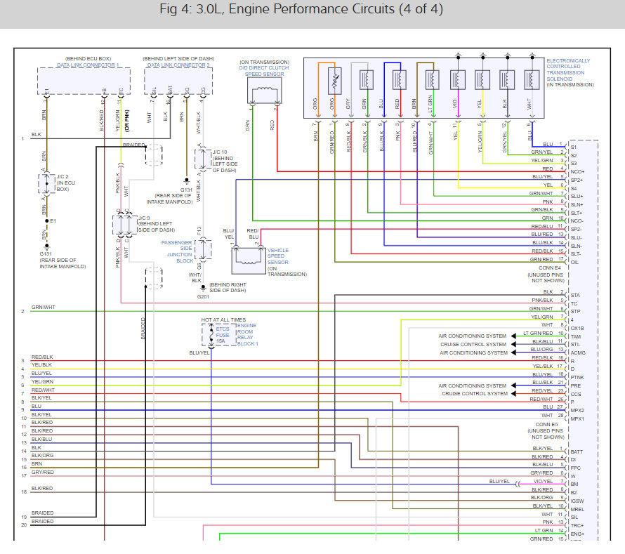
Okay, so I have been without running car for about week and a half now and i'm about to lose my mind. it happen on highway and it just kind of lost throttle response and backfired once or twice then came to a stop. it will crank and sputter like it wants to start but will not. Or it actually has for a second or two but no throttle response and shuts off. I can happily upload video if anyone wants. i am getting codes p1128,p1129 and 1130 . i was getting 1128 and 1300 before and have had throttle issues in past so i had an extra throttle body and i did change the motor TPS and apps, so basically all the components. I tried to start after replacing that and got all 3 codes i didn't clear it but did leave the battery off for at least a day so probably cleared but wanted to include all the codes so i can provide as much info as possible. I don't want or have the money to throw parts at it so help on what the issue is would be appreciated .thanks
Apr 27, 2020 at 8:25 AM









