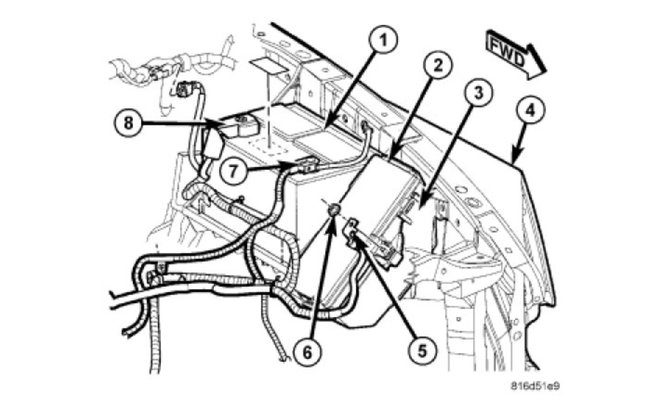
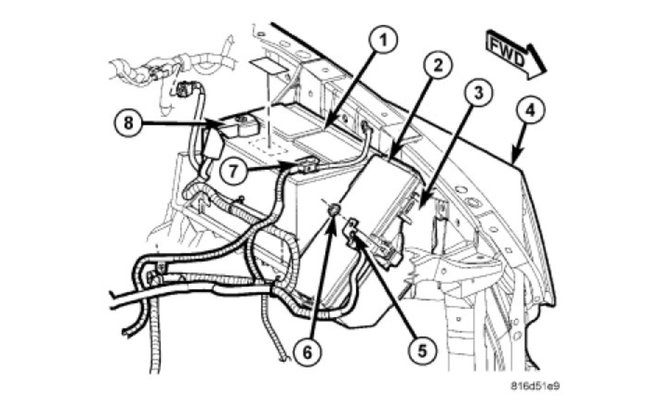
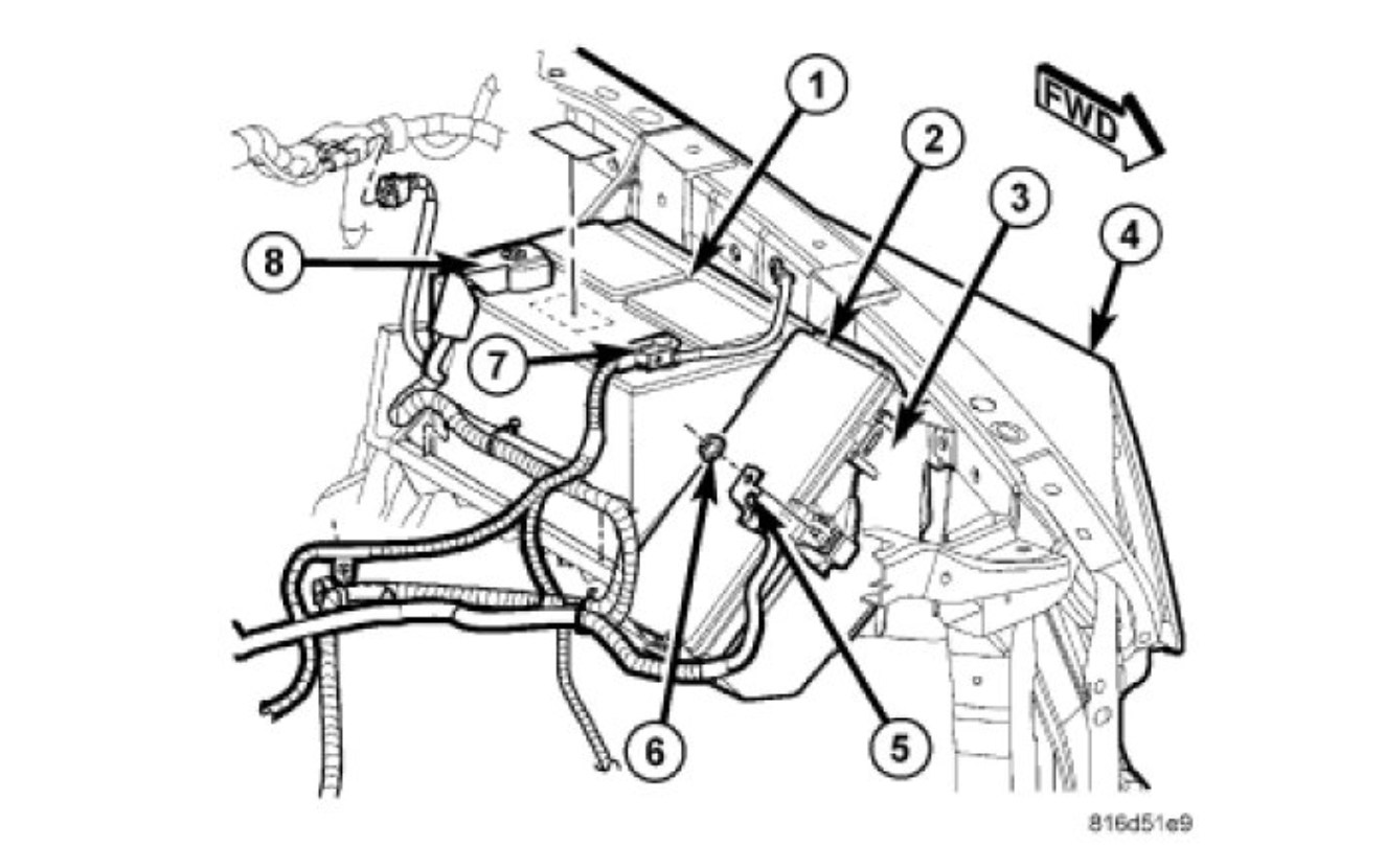
So my truck will just click. When i turn the key you can feel it slightly turn the crank but wont continue. If i sit there and keep doing sometimes 10 sometime 50 times it may start or may not. I have replaced the the starter with a brand new not refurbished. I have replaced the ignition switch in the column. I have replaced the battery. Still nothing. I have checked and cleaned grounds still nothing. The negative battery terminal is hot. Please help this is my work truck i am leaving a video.
Dec 13, 2019 at 1:23 PM

































