Will not start

2005 JEEP LIBERTY
200,000 MILES • 3.7L • V6 • 4WD • AUTOMATIC
Avatar
AMYJB
  • MEMBER
  • 5 POSTS
So we put in a new starter. Have full battery and the relay and fuses are good. When trying to start it only makes a click noise. It wont even try to turn over.. what else could be the problem?
Nov 15, 2020 at 1:38 PM
Advertisement
Avatar
KASEKENNY
  • CERTIFIED EXPERT
  • 18,907 POSTS
I suspect we have a wiring issue or possibly a faulty starter. If it actually clicks then that would indicate the starter is getting voltage and the command to start but just can't do it.

There is a possible issue that the engine is locked up but that is unlikely if this is a new issue and the vehicle was just starting properly. Is there a history to this? Meaning did something else cause the vehicle to stop starting?

If not, we need to check voltage at the starter to find out what we have and we can go from there.

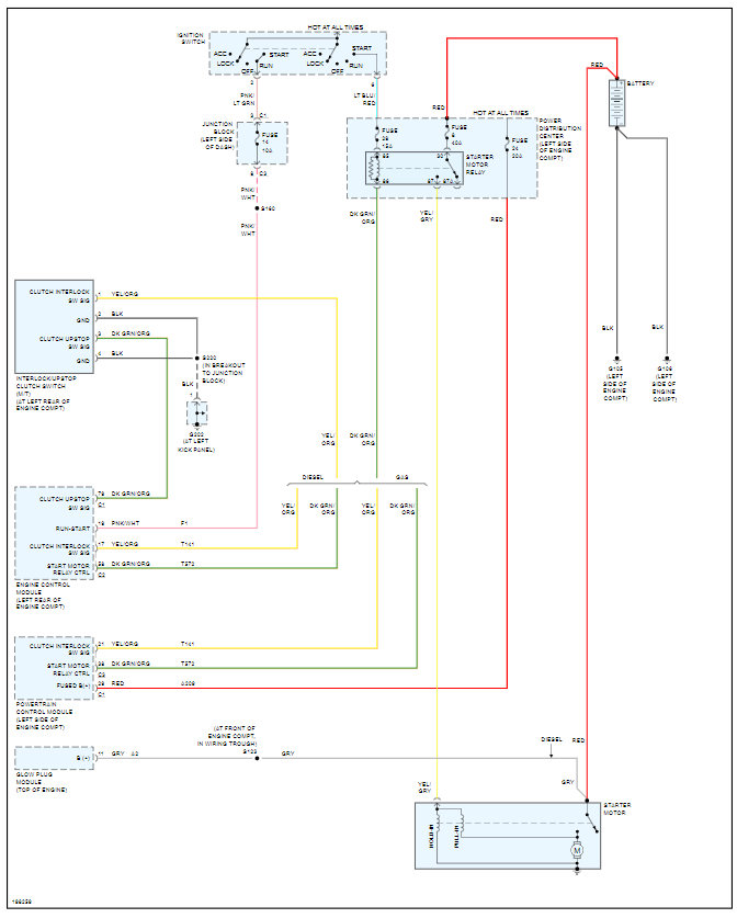
You have two wires. You should have 12 volts on the red wire all the time. Then you should have 12 volts on the yellow wire when cranking the engine. Let me know what questions you have. Thanks
Nov 15, 2020 at 1:47 PM
Avatar
AMYJB
  • MEMBER
  • 5 POSTS
Okay, thanks. I unfortunately don't have a wire tester...
Nov 15, 2020 at 2:14 PM
Advertisement
Avatar
ASEMASTER6371
  • CERTIFIED EXPERT
  • 52,796 POSTS
Good evening,

I would start with the battery. Make sure you have 12.4 to 12.6 volts because if you do not then there will not be sufficient voltage to make the starter work.

https://www.2carpros.com/articles/car-battery-load-test

https://www.2carpros.com/articles/everything-goes-dead-when-engine-is-cranked

If the battery is good, the wiring will have to be checked.

https://www.2carpros.com/articles/how-to-check-wiring

https://www.2carpros.com/articles/how-to-check-an-electrical-relay-and-wiring-control-circuit

In the case it needs a starter, I attached the procedure for you below and attached some pictures.

https://www.2carpros.com/articles/how-to-replace-a-starter-motor

Roy

3.7L V-6

REMOVAL
1. Disconnect and isolate negative battery cable.
2. Raise and support vehicle.
3. Remove 2 flange bolts securing left exhaust downpipe to crossover pipe. Lower pipe slightly to allow front propeller shaft removal.
4. Remove front propeller shaft.

Starter Heat Shield - 3.7L
imageOpen In New TabZoom/Print

5. Remove 2 starter heat shield bolts at side of starter.
6. Remove starter heat shield nut at front of starter.
7. Remove starter heat shield.

Starter Electrical Connectors - 2.4L/3.7L
imageOpen In New TabZoom/Print

8. Remove solenoid wire from solenoid terminal.
9. Remove battery cable from stud on starter solenoid.

Starter - 3.7L
imageOpen In New TabZoom/Print

10. Remove 2 starter mounting bolts.
11. Position front of starter to face rear of vehicle. Rotate starter until solenoid position is located below starter.
12. Remove starter from vehicle by passing it between exhaust pipe and transmission bellhousing.
Nov 15, 2020 at 2:17 PM