Vehicle will not crank or start

2005 NISSAN XTERRA
121,000 MILES • 6 CYL • 2WD • AUTOMATIC
Avatar
RAY2COOL
  • MEMBER
  • 2 POSTS
New starter, new battery, fuses are good, interior lights working, and radio and A/C.
Nov 9, 2020 at 9:26 PM
Advertisement
Avatar
4DRTOM
  • CERTIFIED EXPERT
  • 467 POSTS
Hello,

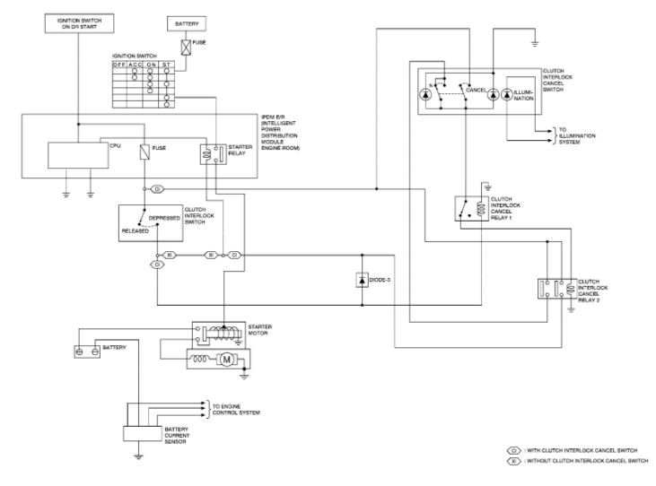
First off just go through a make sure all your connections are good especially at the battery, make sure there's no corrosion on the posts. Check all the fuses as well. Do your dash lights dim when you go into the crank position? With a new starter installed you'll want to use a test light and check the small wire at the starter, it should light when you go to the crank position. If it does the issue is the starter itself or the connections at it. If it doesn't light you'll need to check the deeper. There is a relay involved that fails that triggers the starter wire. I've attached the starting circuit diagram as well as the relay location in the fuse/relay box. It should click when the crank position is hit. Below I put link for using a test light and one for checking wont start condition.

Let me know what you find at the small starter wire.

Tom
2CarPros

https://www.2carpros.com/articles/how-to-use-a-test-light-circuit-tester

https://www.2carpros.com/articles/starter-not-working-repair
Nov 12, 2020 at 7:44 AM