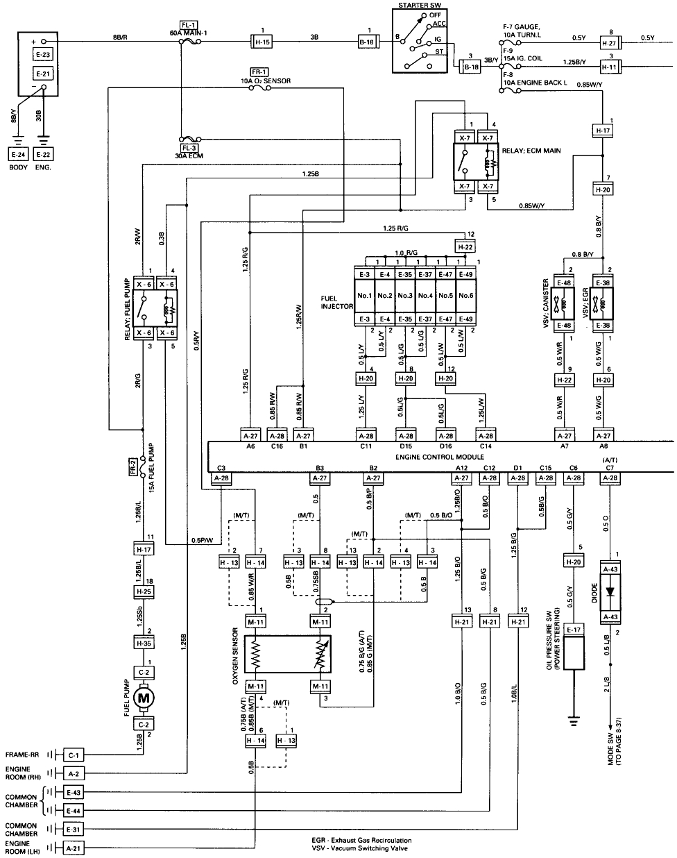
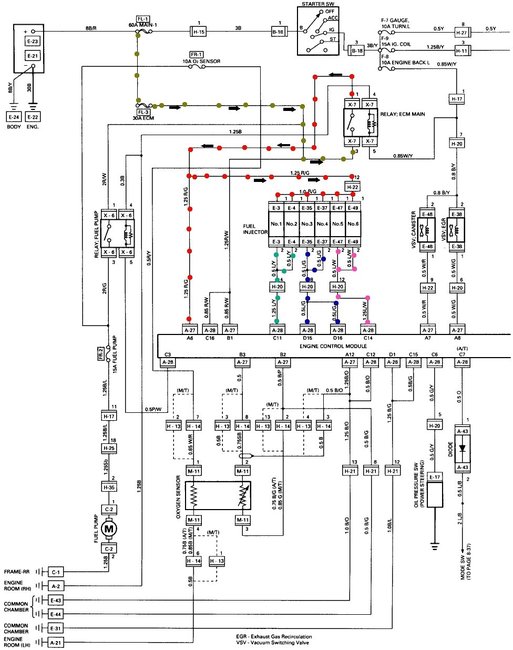
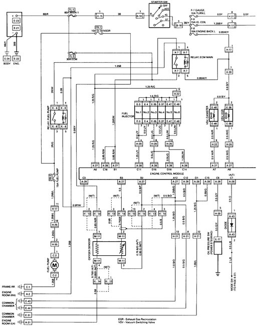
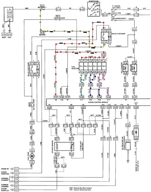
Last night I disconnected the battery and checked the Fuel Injectors circuit for continuity. Here is what I found:
1. With everything connected except for the Number 1 injector pigtail I had continuity from both sides of the pig tail to a ground on the motor.
2. When I disconnected the fuel injector circuit from the wiring harness I no longer had continuity from the pig tail to the motor, but I did have continuity to the plugs I had just disconnected.
3. I then plugged the circuit back into the wiring harness but pulled the plugs from the ECM, I still did not have continuity from the circuit to a ground.
4. I then plugged the ECM back in and checked for continuity between the plugs coming from the ECM and I had continuity from the Fuel injector hot wire to the ground on the motor.
My original goal with all of this was to see if I had a short somewhere in the harness but if I am correct this seems to suggest that there is a short in the ECM circuit that controls the fuel injectors allowing a constant ground to the frame/body of the vehicle for both the hot and ground side of the circuit. What are your opinions on this and do you know of a way to check the ECM to see if it is damaged?
Thanks,
Ron
Apr 12, 2018 at 11:37 AM