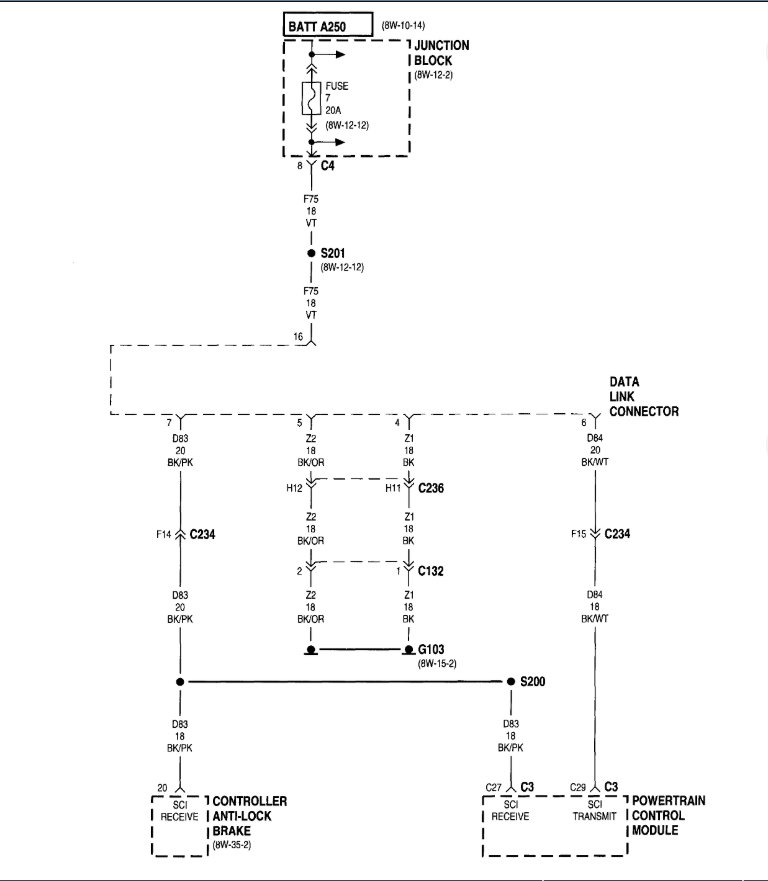
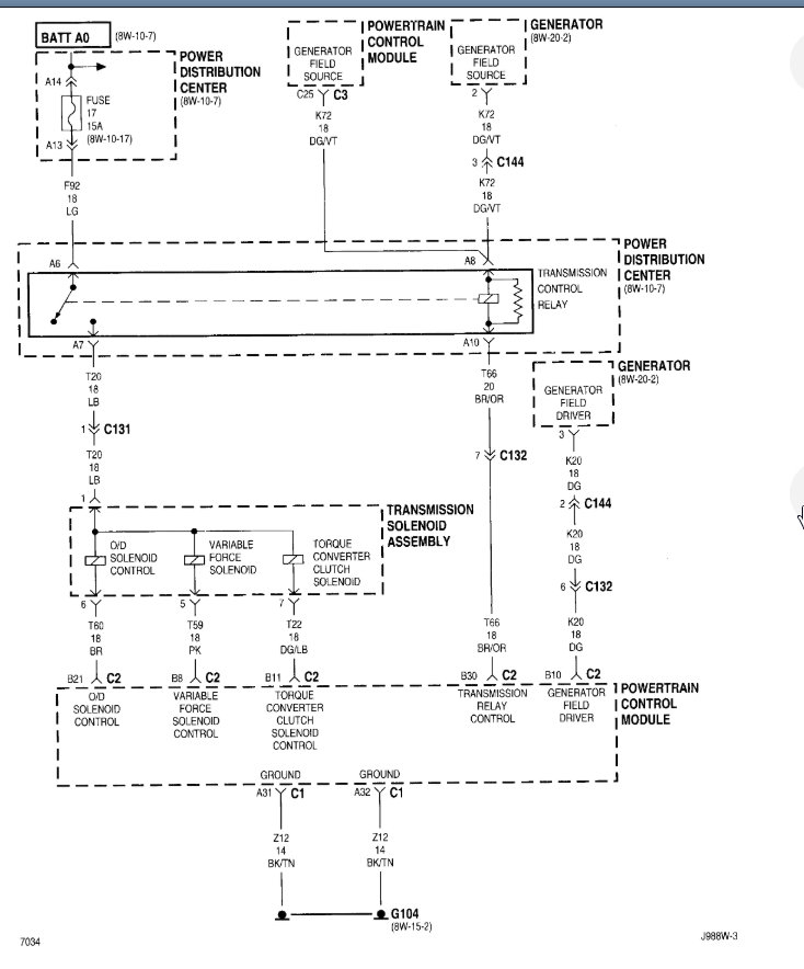
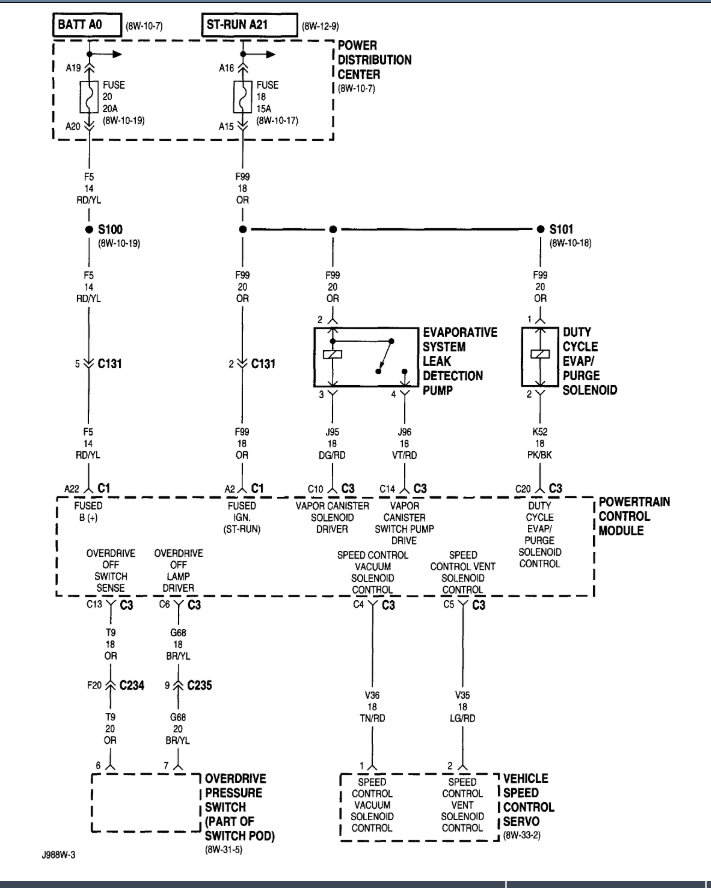
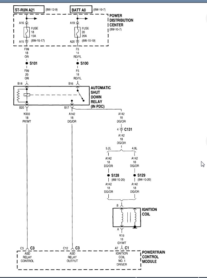
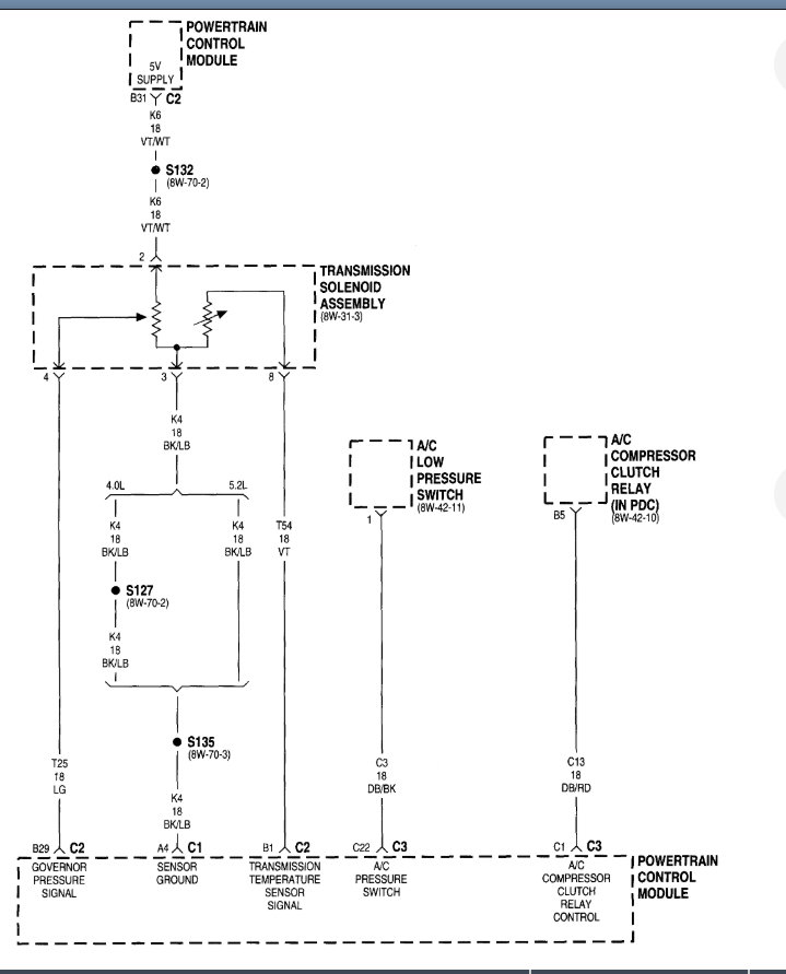
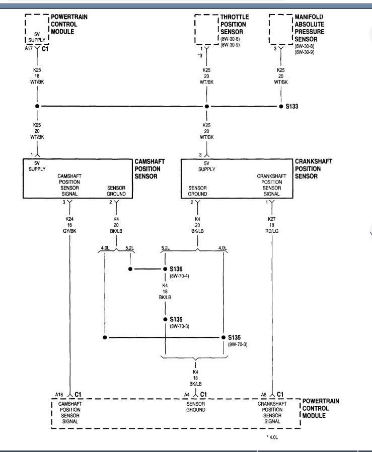
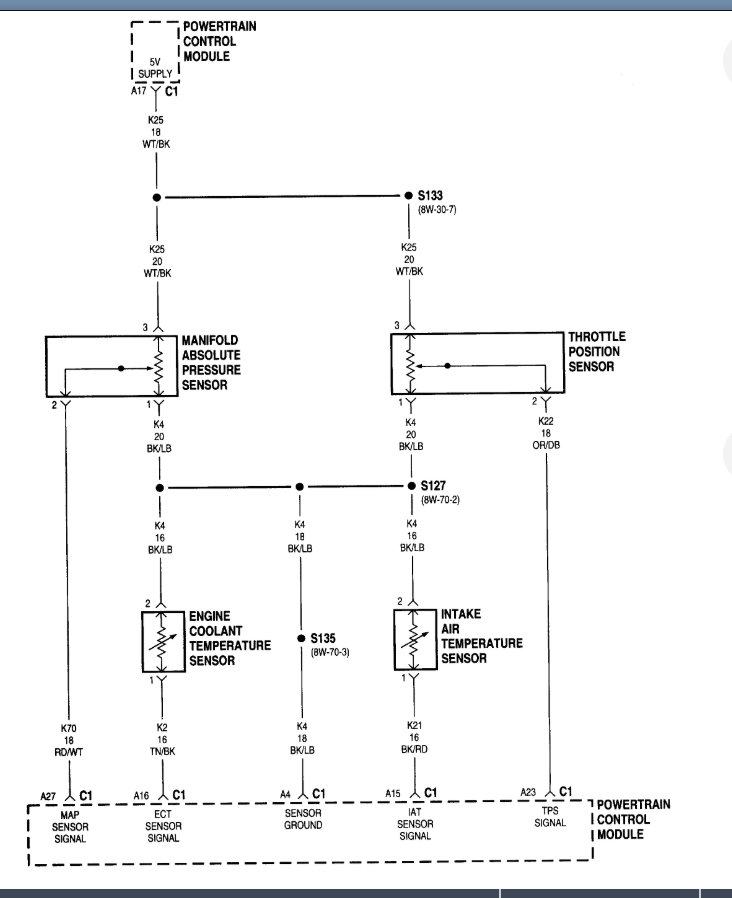
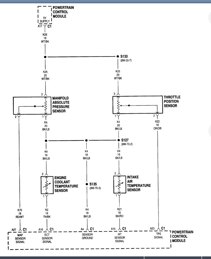
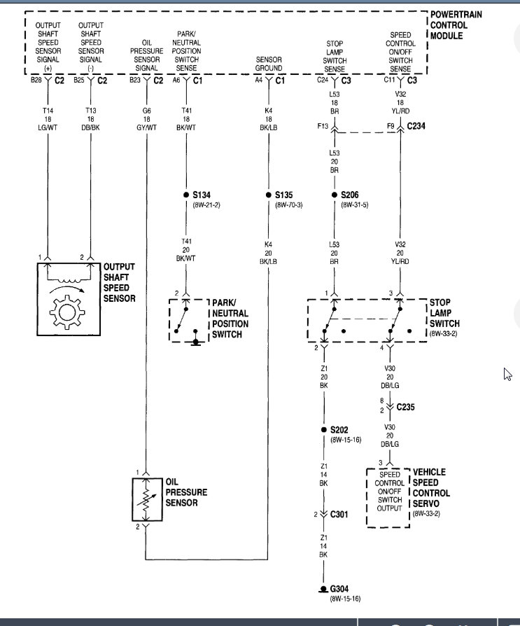
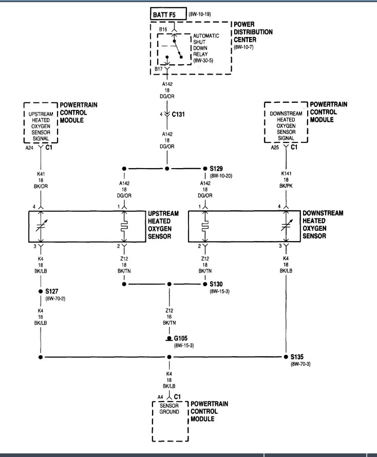
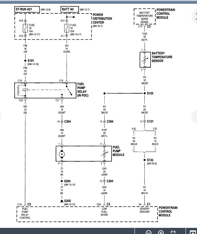
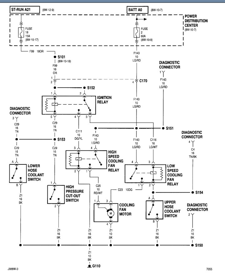
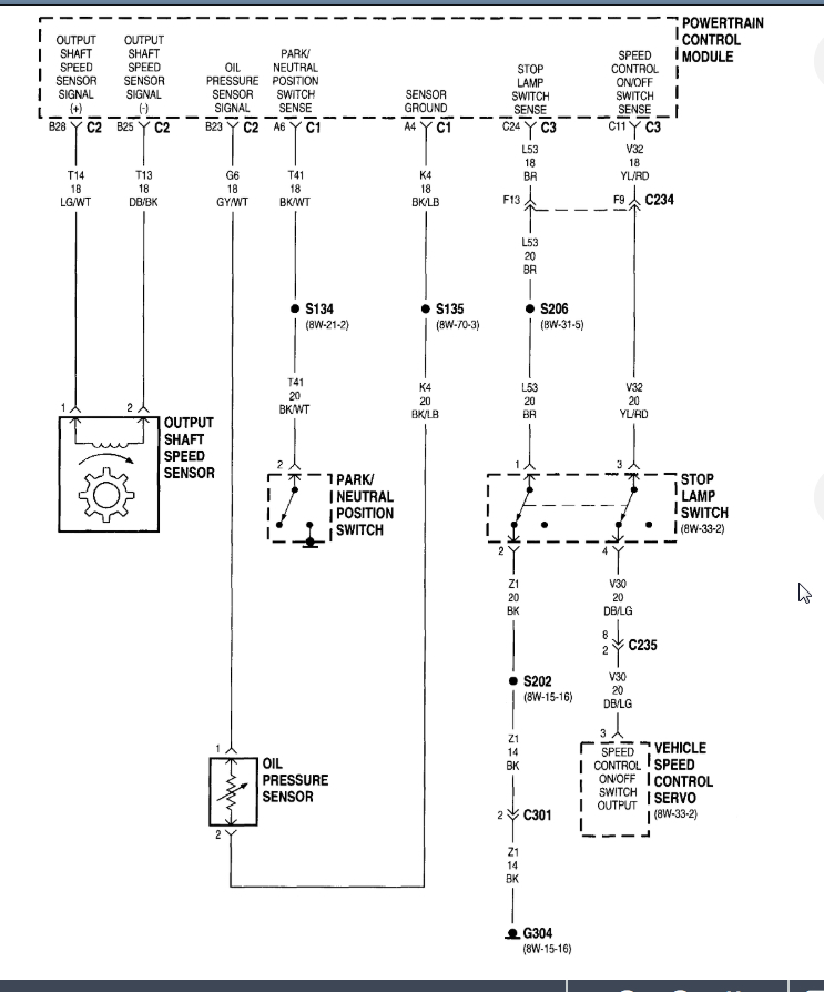
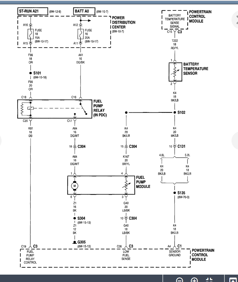
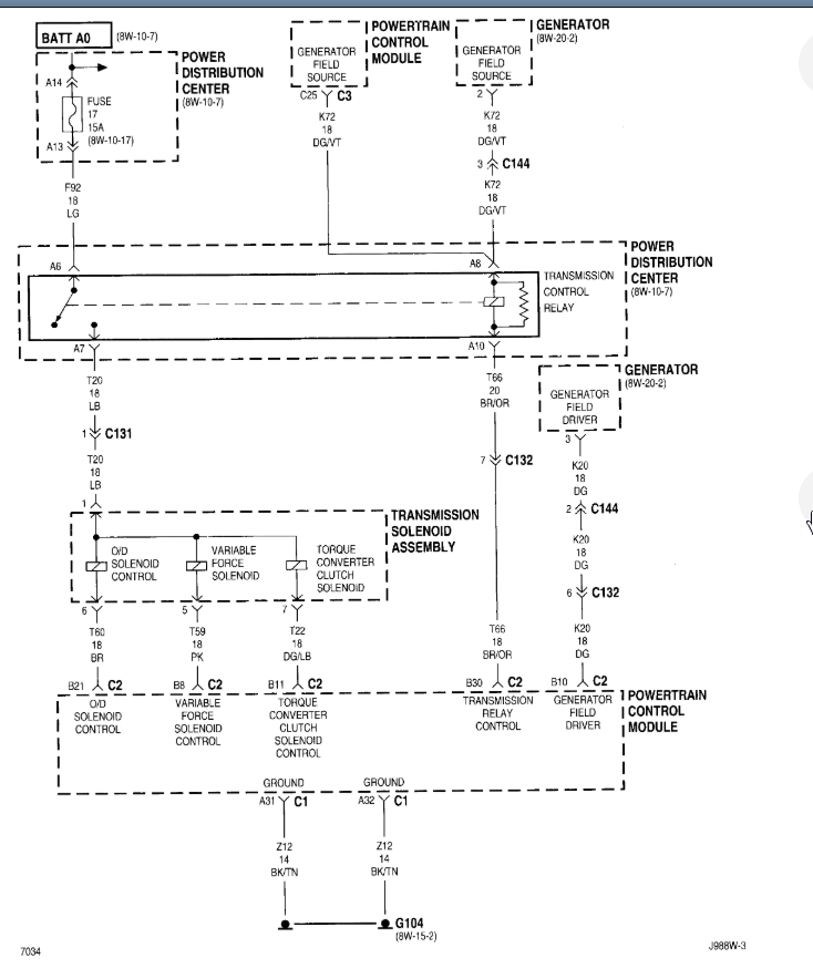
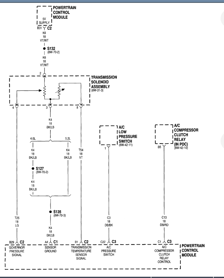
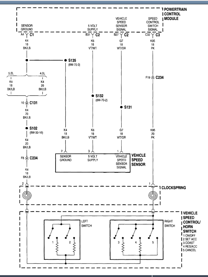
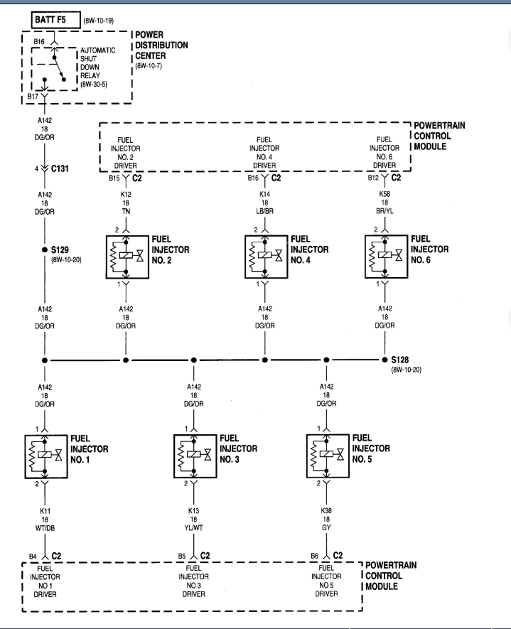
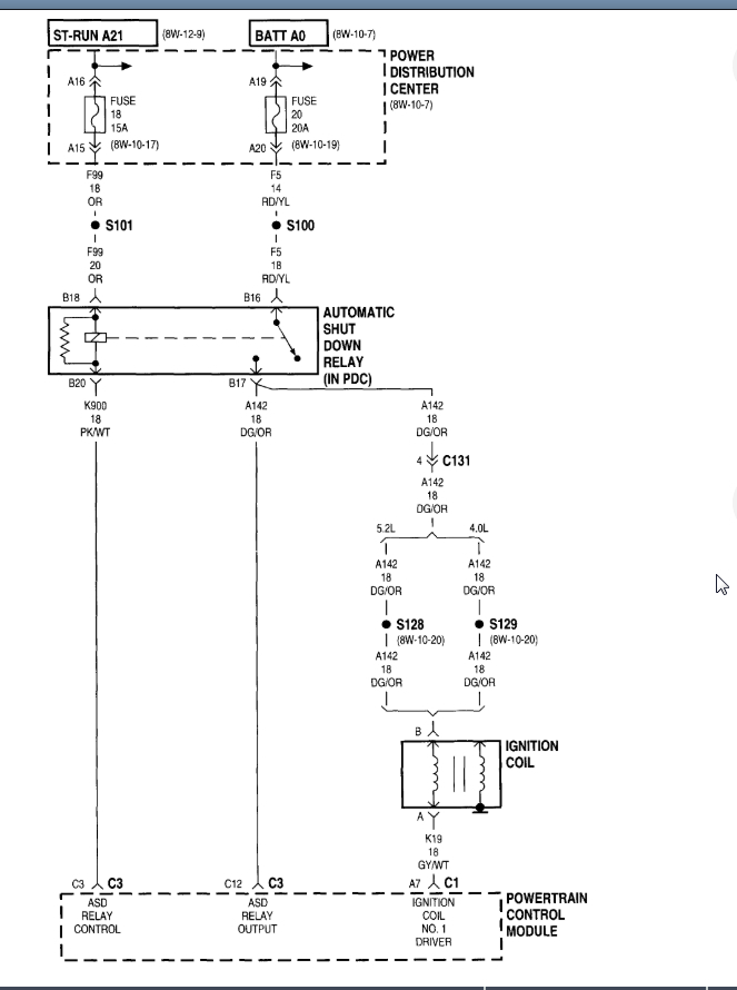
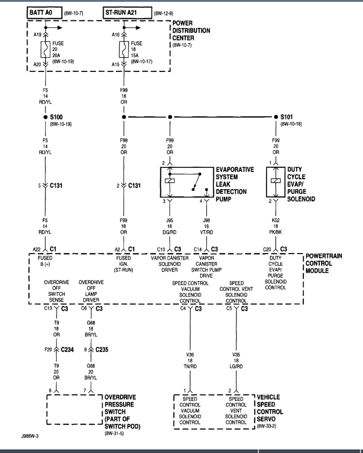
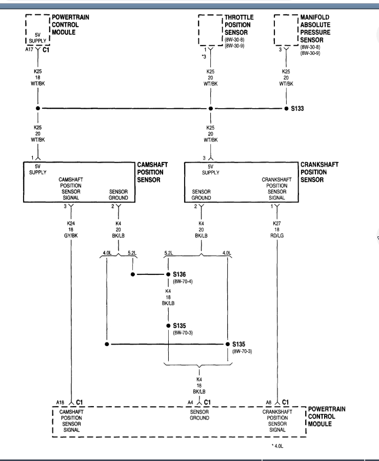
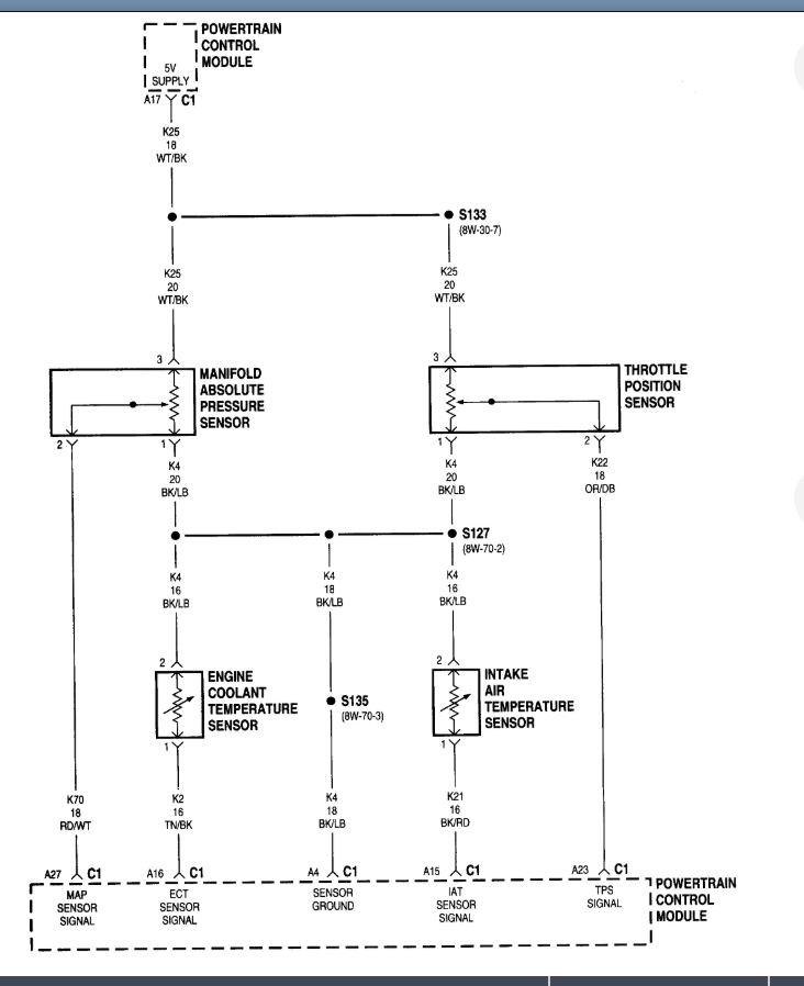
A couple weeks ago, my vehicle started running below 500 rpm when sitting still, stop signs, in traffic etc. In park seemed to be fine. It would run rough, and act like it was going to stall. Recently it got so bad it did stall while sitting in traffic. I managed to get it home, shifting in neutral and pumped the gas to keep it running. Now it will not start. No codes. Do not want to just throw new parts at it, seems like every sensor is at least $50.00 and up. Has fuel pressure at the rail, and spark. Any help would be appreciated. Thanks.
Feb 12, 2017 at 5:20 AM


















