Will not start

2000 NISSAN MAXIMA
114 MILES • 3.0L • V6 • 2WD • MANUAL
Avatar
FILORTIZ
  • MEMBER
  • 6 POSTS
I replace the engine and it won't start crank over but won't start. at first I wasn't getting any spark at all and know I'm getting spark on only two cylinders 2 and 3.
May 26, 2019 at 11:18 AM
Advertisement
Avatar
KASEKENNY
  • CERTIFIED EXPERT
  • 18,907 POSTS
Hi Filortiz,

If you are not getting spark at all the plugs then we need to look at coils and connections that are related to the cylinders with no spark.

What happened in order to get the spark back at cylinder 2 and 3? Did you replace something?

Also, when you replaced the engine was it already timed? Meaning was it a crate engine or was it assembled by someone else?

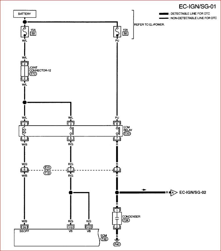
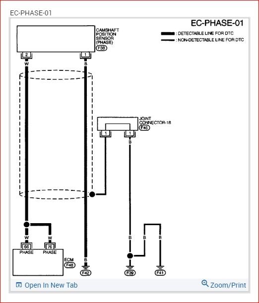
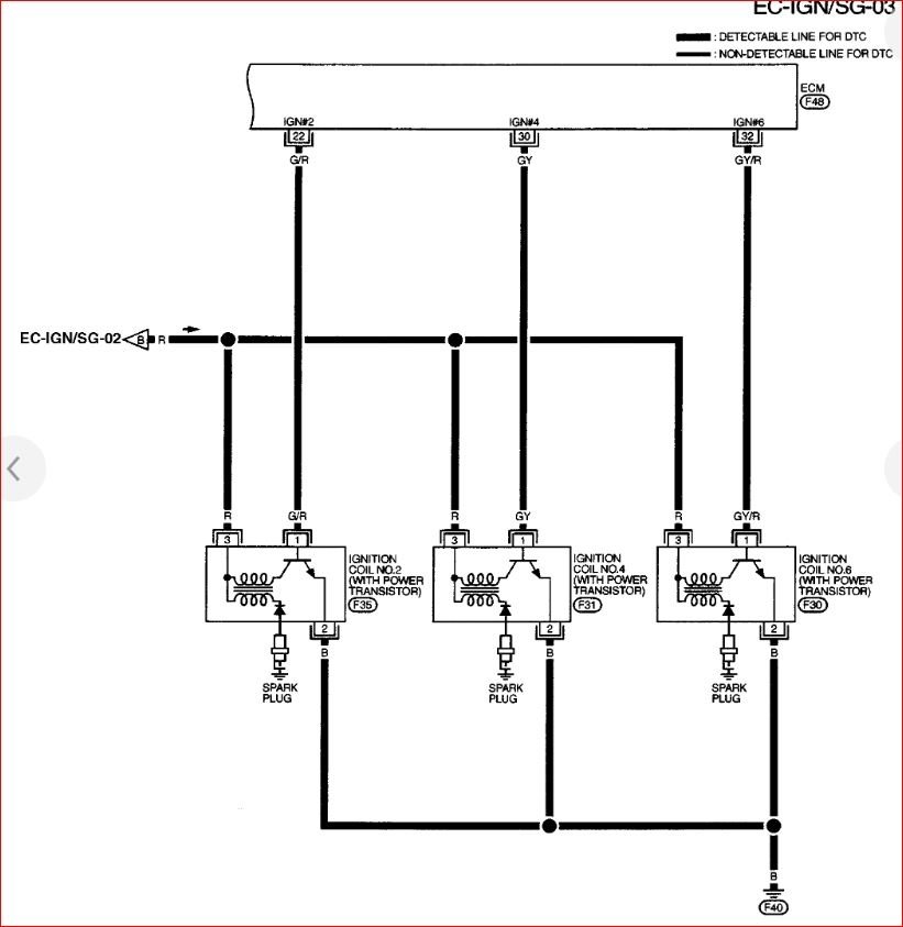
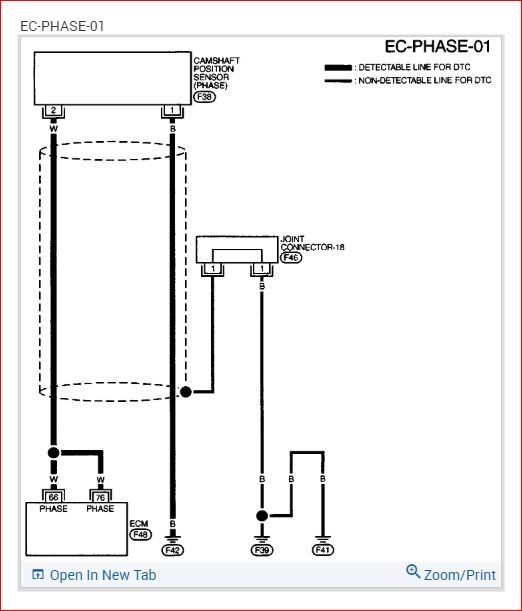
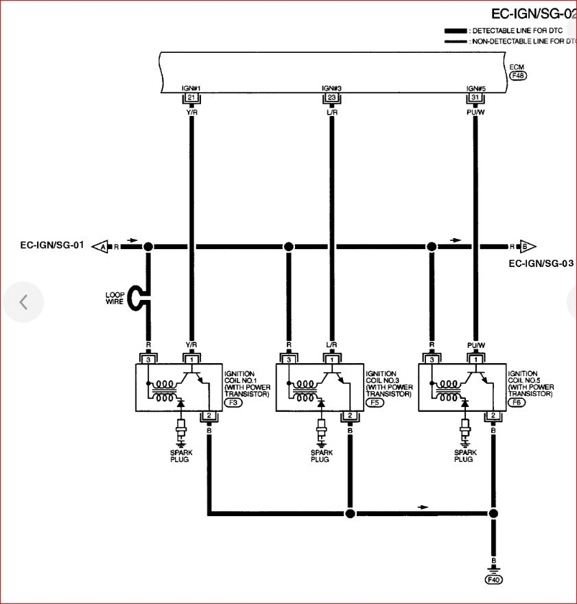
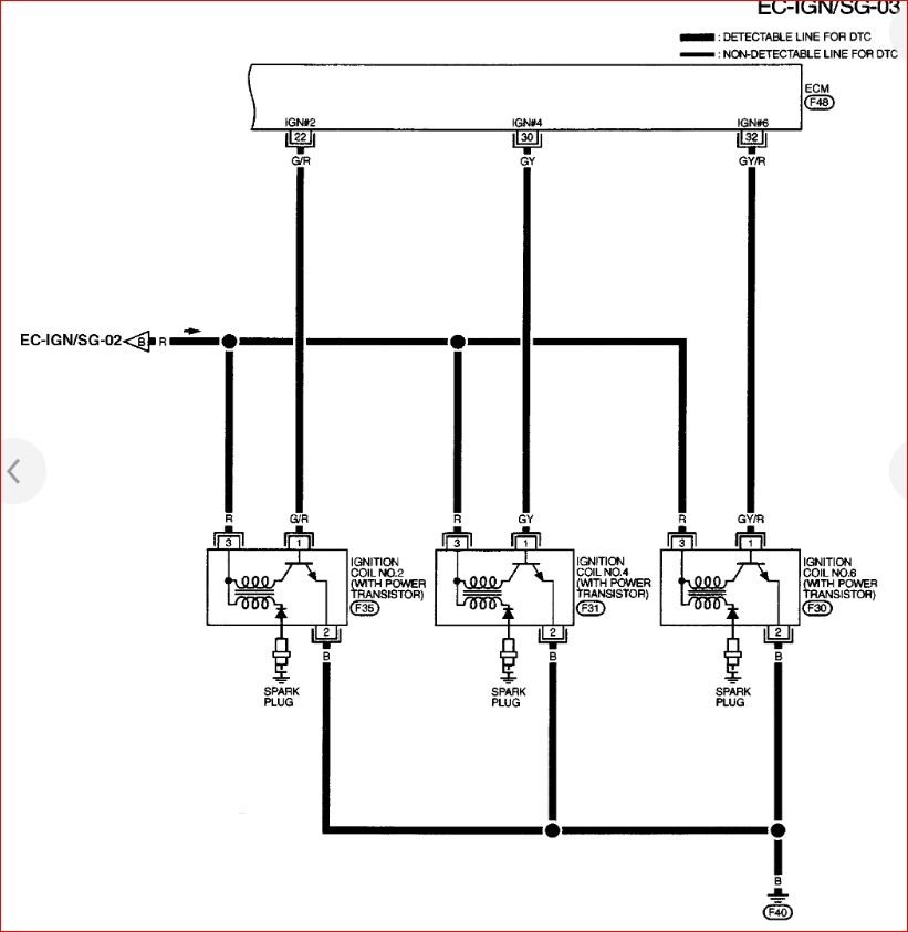
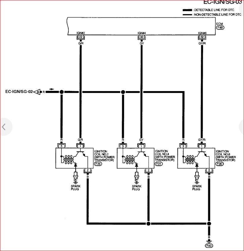
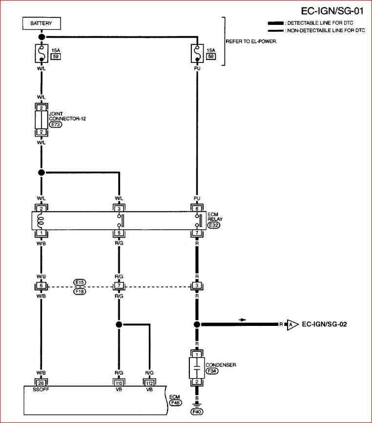
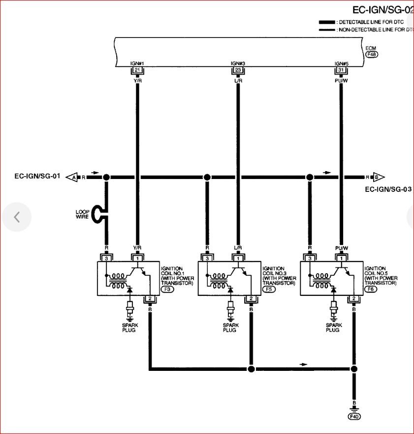
Here are the wiring diagrams for the ignition system. As you will see there is nothing in common between cylinder 2 and 3 that would cause them to work and the rest to not. They are actually on separate banks so we have to have something on each of these cylinders that is causing an issue.

Let me know the answers to these questions and we can go from there to try and figure this out. Thanks
May 26, 2019 at 12:46 PM
Avatar
FILORTIZ
  • MEMBER
  • 6 POSTS
I checked all the connections to the coils and I'm getting 12v ground and signal from the PCM. to get spark to cylinder 2 and 3 I changed the crank sensor at the transmission. Before installing the engine I did the timing chain. Would being off timing cause only two cylinders to have spark? I've check all the sensor that have to do with spark every thing is to spec.
May 26, 2019 at 3:11 PM
Advertisement
Avatar
KASEKENNY
  • CERTIFIED EXPERT
  • 18,907 POSTS
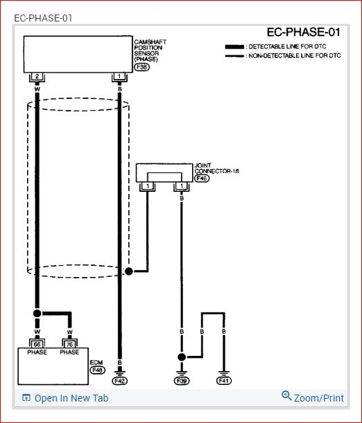
The timing being off I would not think would cause this. However, the cam sensor is responsible for detecting piston position. Attached is the component description. If the PCM is not getting a good signal from the cam sensor then it will not know when to fire the plugs.

This I think is the issue. If you have power, ground, and signal from the PCM at the coils then the PCM is able to fire the plug but it seems like it doesn't know when to fire the plug.

When you replaced the engine did you put the same engine back in? Did you swap over the cam sensor or did you use the one that came with the new engine (if it had one)? Also, if it was another 3.0L engine was it a used engine out of another car or a re-manufactured engine?

Have you checked to see if you have any fault codes? Lastly the cam sprocket that you put on, was it new or used? Did you check it for cracks or damage?
May 26, 2019 at 3:45 PM
Avatar
FILORTIZ
  • MEMBER
  • 6 POSTS
No, I replaced the engine out off another car that was running but the body wasn't in good shape. At first I used the same cam sensor that was on the engine the I replaced It with the one off the other engine.i check both off them and both are working according to the spec off the book I have. I don't have any fault codes.and yes the cam sprockets are new. I've work on so many of these engine never experience this type of problem. But maybe I miss something when I installed the timing chain I'm going to take a look at the timing again to see if there's any fault in my part.
May 26, 2019 at 4:04 PM
Avatar
KASEKENNY
  • CERTIFIED EXPERT
  • 18,907 POSTS
Okay. Keep me posted with the timing verification. If that is okay then have you checked the ECCS relay? I am not sure why you are getting voltage to two cylinders but this relay will cause a no start.

Also, I am not finding much description about it but it looks like this engine has two crank sensors. You may know more about it then I do but it looks like it has a position and Reference crank sensor. The ref is below the crank pulley and the position is at the left side of the oil pan which looks like is the one you said you replaced. Both are inputs to the ECM.

Lastly, they all share a ground, G125. However, I am getting conflicting information on where this ground is. The wiring diagram says it is behind center of dash. The description says it is on the front of the engine. Sorry I can't be more definitive on this location but if this ground is loose then you will have the issue you are experiencing.

Just let me know and wanted to give you a couple more things to check if you haven't. Thanks
May 27, 2019 at 11:32 AM
Avatar
FILORTIZ
  • MEMBER
  • 6 POSTS
Thanks the ground is actually on the driver side on the engine block. I also checked the ECCS relay it's good. I'm going the check the timing tomorrow and I'll keep you posted on what I find.
May 27, 2019 at 11:37 AM
Avatar
FILORTIZ
  • MEMBER
  • 6 POSTS
Hey sorry haven't gave you an update been working. So check the timing it's good checked my wires going to the ECU they are good. Don't know what other test to do.would it be a bad ECU. The car was running before I removed the engine. I'm kinda stumped.
Jun 22, 2019 at 10:52 AM
Avatar
KASEKENNY
  • CERTIFIED EXPERT
  • 18,907 POSTS
It is possible that the ECM is the issue but I am wondering if you have a cam sensor issue. The ECM uses the CAM to determine cylinder location for firing the injectors and coils. The fact that only 2 and 4 are firing is normally a signal issue to the ECM but again, it could be the ECM itself. I would swap out your CMP first just to see if this brings back your other cylinders.
Jun 22, 2019 at 11:28 AM
Avatar
FILORTIZ
  • MEMBER
  • 6 POSTS
I cleaned the crank pos sensor and I got spark on all cylinders but comes and goes is there a way to check that sensor to see if its faulty
Jun 22, 2019 at 12:14 PM
Avatar
KASEKENNY
  • CERTIFIED EXPERT
  • 18,907 POSTS
You should have a two wire sensor which are pretty easy to check. Simply measure resistance across the two terminals of the sensor. You should have around 2000-2500 ohms. Then measure the AC voltage that the sensor puts out. The two wire sensor generates its own power when the metal crank wheel (trigger wheel) turns in front of it. The sensor will send a small amount of voltage (0.2-2 Volts AC). If you are testing this in the vehicle, then your meter will not be fast enough to see the different voltage spikes or peaks and valleys of the crank wheel. But you should see a steady voltage. We just want to see that the sensor is able to generate voltage.

Not only could you have a bad sensor but what does your trigger wheel look like? Are the teeth clean and sharp edges? If they are damaged or worn, then that could be your issue.

Lastly, when you say you cleaned it. Was their metal on the magnet end? If so, we need to find where that came from because that can cause your intermittent strength issue.
Jun 22, 2019 at 4:12 PM