Transmission will not shift out of park without pressing shift lock

2010 HYUNDAI ELANTRA
140,000 MILES • 1.6L • 4 CYL • 2WD • AUTOMATIC
Avatar
SANTA FE 11
  • MEMBER
  • 13 POSTS
Good afternoon,

I know a little about cars but not ASE tech.
I am trying to fix my bro's car listed above. it won't shift out of park unless I press the shift lock release, then it will go into neutral, drive, 3 ,2, l. but once I try to go to reverse or park have to hit shift lock release. checked fuses, checked brake stop light switch, when press the brake all brake lights go on. While holding brake pedal down and pressing the stop light switch button, the brake lights go on like normal. I also tried turning the key on ignition off while stepping on the brake pedal and moving the shifter from park to try to shift into gear I can hear the clicking in the steering column. I tried changing the neutral safety switch and still acting up. The car drives fine once I get into gear. just have to keep pressing shift lock release button. Do I have to disconnect the battery after installing neutral safety switch?

Please help.
Any wiring diagrams would help if available.
Thanks.
Jun 7, 2022 at 11:39 AM
Advertisement
Avatar
STRAILER
  • CERTIFIED EXPERT
  • 53,854 POSTS
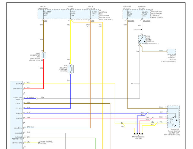
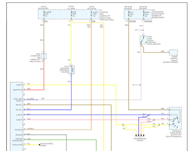
The fact that you can hear it clicking means the electrical part is working okay, I would disassemble the shift lock mechanical part to see if there is something stuck in there not allowing it to release. Here are the shift lock wiring diagrams so you can see how the system works, our manuals don't show the shift lock itself for some reason. :/ Check out the diagrams (below). Let us know what happens and please upload pictures or videos of the problem.
Jun 8, 2022 at 11:50 AM
Avatar
SANTA FE 11
  • MEMBER
  • 13 POSTS
Good afternoon,

Thanks for the quick reply and for the diagrams. I will recheck electrical again with diagrams. I am still rusty with electrical diagrams, but this will help imagine what's going on. I checked fuses and found the cig lighter fuse blown, replaced it but no difference.
so, once removed console cleaned it up. checked cable and cable bushing, stepped on brake with KOEO and tried to shift no luck. Also, besides hearing the click by the steering wheel. in the back of the shifter when I attempt to shift, I hear the clicking and see the part work, looks like a open relay. i then disconnected connector and tested the red and black wire coming from the car and there was both ground and battery voltage, plugged it back in, tapped on solenoid and, still nothing. I'm leaning towards the shift solenoid. but Hyundai said it's $100.00 and no returns if order it. So, I want to be sure. The guy at Hyundai said from his image for the part it looks like its pigtails in to wire connector. would I remove the white tab on back of main connector on shifter and then remove wires to solenoid and plug the new ones in? I don't know what the other wires on the shifter go to but will look at diagram. Any other test i can do to test solenoid.
Is the shift solenoid supposed to operate once step on brake?

Thanks
Jun 8, 2022 at 1:02 PM
Advertisement
Avatar
SANTA FE 11
  • MEMBER
  • 13 POSTS
Updated part 2 of last reply.

I tried to attach more pictures or edit the previous reply, but it wouldn't let me.
When I had everything apart, i tried stepping on the brake both with KOEO and with the car running and the solenoid didn't do anything, it moves when you apply a screwdriver to the shift release lock.
Correction from last reply, i tested the two yellowish/tan wires from the car wire harness that plugs into the connector attached to the shifter with the shift solenoid. those wires match up directly with the black and red wires from the shift solenoid wires. There was power to one wire 12.36 V and ground 0.002 V to the other the wire. i plugged it back in and still nothing.
Thanks
Jun 9, 2022 at 10:02 AM
Avatar
STRAILER
  • CERTIFIED EXPERT
  • 53,854 POSTS
Thanks for the pics and video, it helps. The fact that you have power and ground, and the solenoid is still not working it tells me the unit is bad. nice gloves I use the same color blue, they really help when working on cars. Let me know what happens.
Jun 9, 2022 at 6:58 PM
Avatar
SANTA FE 11
  • MEMBER
  • 13 POSTS
Update: before uninstalling the old shifter solenoid, i had a power probe and i connected ground to the black wire and gave 12 v to the red wire, solenoid did not move when attached to shifter. replaced the solenoid and didn't work in normal operating procedure. did the same test with the power probe by checking new solenoid connected to car and it moves the shifter release but still won't shift normal operating procedures. I have to still push shift release to shift gears out of park. Also, for good measure i tested brake light switch with old and new switch and still nothing. i did disconnect battery for about 15 minutes and tried to shift it normally, but still nothing.
i know there's the parking control switch under the shifter if that's what the diagram shows and there is 4.5 v on one wire and ground on the other. The two blue wires control that open relay on the other side of the shifter and does engage and disengage when I attempt to shift. I can still here the clicking in the steering column.
I'm puzzled and stuck. Any ideas?
Jun 12, 2022 at 4:35 PM
Avatar
STRAILER
  • CERTIFIED EXPERT
  • 53,854 POSTS
If you unplug the solenoid and test for power and ground when activating the shift lock, pressing down on the brake pedal do you have power and ground? Use a test light connected like the solenoid would be.
Jun 13, 2022 at 8:51 AM
Avatar
THEORIGINALSKY
  • MEMBER
  • 3 POSTS
Hi Santa Fe, wondering if you ever figured out the problem? I have the exact same thing happening in my 2010 Elantra; brake lights are fine, can hear a click when I try shifting out of park, but no luck. Always have to use shiftlock release now. I ordered a replacement solenoid, but when I plugged it in, it failed to respond. I'm at my wit's end...
Oct 2, 2022 at 2:03 PM
Avatar
THEORIGINALSKY
  • MEMBER
  • 3 POSTS
Hi Santa Fe... wondering if you ever figured out the problem? I have the exact same thing happening in my 2010 Elantra; brake lights are fine, can hear a click when I try shifting out of park, but no luck. Always have to use shiftlocl release now. I ordered a replacement solenoid, but when I plugged it in, it too failed to respond. I'm at my wit's end...
Oct 2, 2022 at 2:39 PM
Avatar
THEORIGINALSKY
  • MEMBER
  • 3 POSTS
Just to add, I replaced the brake light switch, just in case. It made no difference at all. Still scratching my head over this one.
Oct 16, 2022 at 1:07 PM
Avatar
STRAILER
  • CERTIFIED EXPERT
  • 53,854 POSTS
We need to get a visual to see if the solenoid is working, use a flashlight to see if you can tell what is making the noise? Here is how you can disassemble the shifter in the images below. Check out the images (below). Let us know what happens and please upload pictures or videos of the problem.

Oct 17, 2022 at 11:17 AM
Avatar
THEORIGINALSKY
  • MEMBER
  • 3 POSTS
I don't get any response at all from the solenoid. I tried plugging in a replacement solenoid, but it failed to respond. Is there a fuse associated with the solenoid? Brake lights work fine, but Cruise Control doesn't work either, so I'm wondering if it's a related issue.
Oct 17, 2022 at 11:27 AM
Avatar
ABCDE12345
  • MEMBER
  • 1 POST
I just encountered this issue tonight. We managed to figure out the shift release. But I can’t drive around with a screwdriver. I’ve also had my dashboard lights, and right taillight out for almost a year. The brake lights have been working just fine. Don’t know if that says or does anything. I can use my shift for N, D, D1-3. But at the moment I need reverse or park. It’s stuck. If anyone has figured out this solution, please let me know, I am bringing it to a mechanic hopefully tomorrow to get it looked at but would like to give them some sort of clue.
Oct 17, 2022 at 5:28 PM
Avatar
STRAILER
  • CERTIFIED EXPERT
  • 53,854 POSTS
I would start by checking the fuses if you look at the second response in this post you will see the wiring diagrams of the system the fuses that run them, please check the fuses and get back to me.

Here is a guide that should help:

https://www.2carpros.com/articles/how-to-check-a-car-fuse
Let me know.
Oct 19, 2022 at 11:43 AM
Avatar
SANTA FE 11
  • MEMBER
  • 13 POSTS
Good afternoon. He did get his car fixed. Thought I submitted a response. First off thank you to all that helped me on my brother's car.

I did end up having to take it in due to my time limit. Checked all fuses thought it was shift control solenoid since it wasn't moving when placed power to it by stepping on brake pedal . It was weird due to the fact that it did have power to it and also when i took power probe sent power to the solenoid it barely moved. So, replaced that for 100 dollars . Part from Hyundai.
His was a transmission solenoid control module. Thay may not be the correct name but its Located by the fuse box. It was a 100 dollar part from Hyundai
Hope this helps
I will post a picture of it with the correct name .
Oct 19, 2022 at 4:16 PM
Avatar
STRAILER
  • CERTIFIED EXPERT
  • 53,854 POSTS
Thank you so much for getting back to us on this issue. It will help many. Use 2CarPros anytime, we are here to help. Please tell a friend.
Oct 20, 2022 at 11:23 AM
Avatar
SANTA FE 11
  • MEMBER
  • 13 POSTS
This is the part located by the fuse box and under the dash.
Oct 24, 2022 at 11:49 AM
Avatar
STRAILER
  • CERTIFIED EXPERT
  • 53,854 POSTS
Thank you, that is the lock control module.
Oct 25, 2022 at 1:44 PM