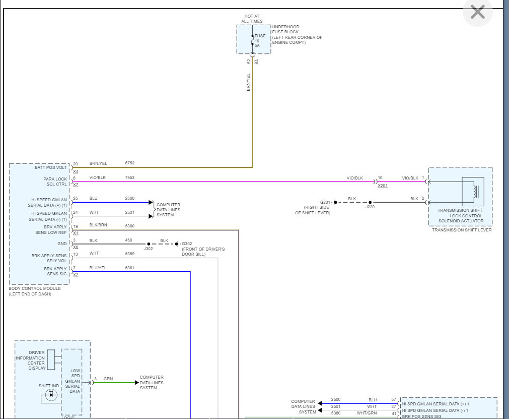
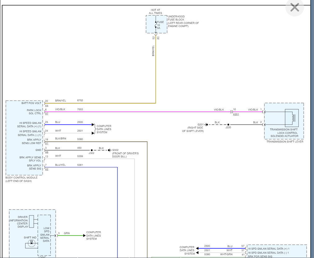
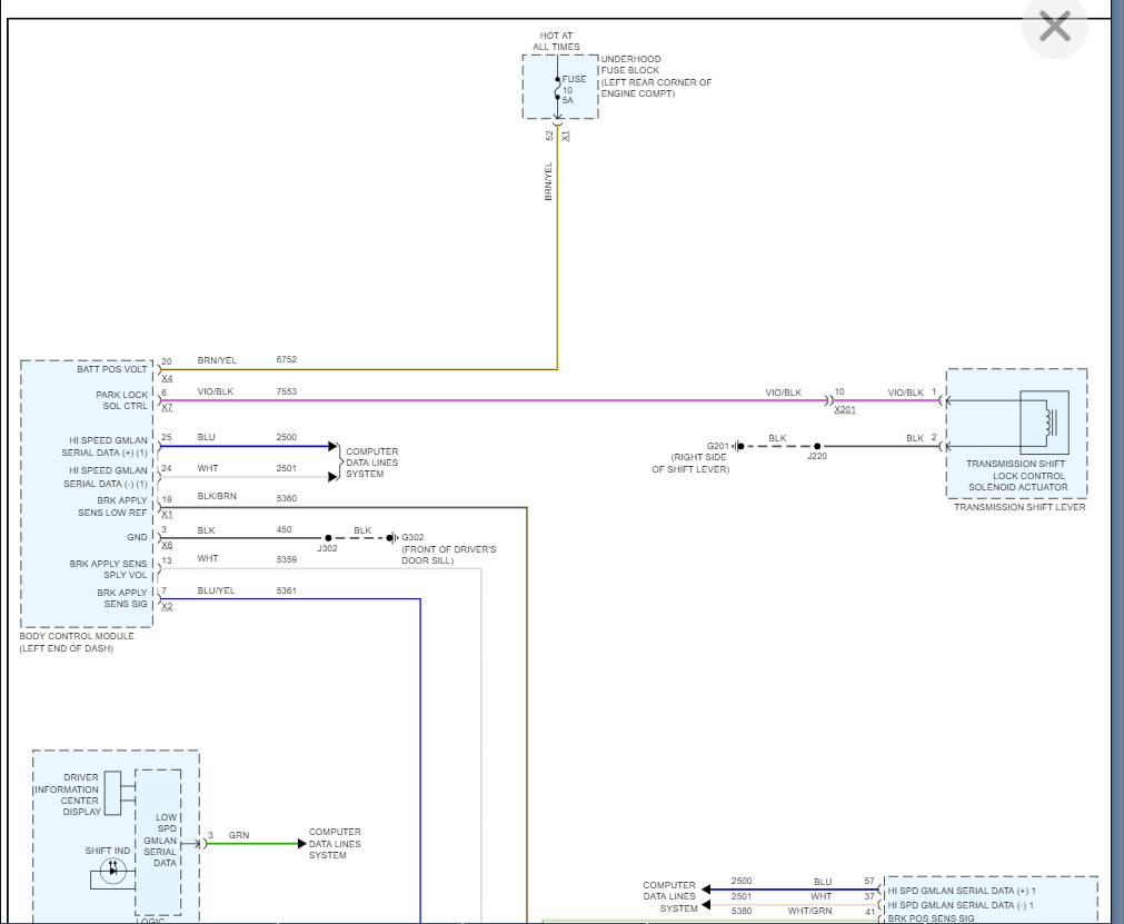
When it has set for an extended period of time, I can’t get it to shift out of park. I have accessed the override and sometimes have to press the button several times to get the shift lever to move. Once I have driven awhile and the car is warmed up it shifts without having to push the override button. I also hear a clicking under the steering wheel/in the dashboard when depressing the brake and pushing the button on the shifter. I don’t hear it after I have pressed the override button.
Nov 17, 2021 at 10:50 AM


