Will not run - melted ground wire on intake, damaged wires in harness

2003 MITSUBISHI ECLIPSE
160,000 MILES • 3.0L • V6 • 2WD • MANUAL
Avatar
REALLBW
  • MEMBER
  • 5 POSTS
Hi I'm new to this site. My car won't run. I inspected under the hood and discovered melted ground wires where they connect on top of driver's side intake plenum. One of the wires is about 14 gauge and goes to a 7 pin connector at the distributor and the other is about 10 gauge and goes into the harness. I then cut back the insulation binding the wires in the harness together and discovered that all of the casing is burned off the 10 gauge ground wire throughout the accessible part of the harness that goes into and through the firewall. I also discovered some of the wires next to this apparent ground wire are melted together. I plan on attempting to repair the damaged wires etc.

Can anyone give me some helpful info on how to fix this?
Where does the other end of this 10 gauge ground wire go? (It disappears through the firewall to an area behind the ac box and stuff)

I will really appreciate any helpful information!!!
Dec 31, 2020 at 8:51 AM
Advertisement
Avatar
DANNY L
  • CERTIFIED EXPERT
  • 5,648 POSTS
Hello, I'm Danny.

Just to help us a bit can you use your cell phone to make a video of the burnt wiring you described and upload here? That will give us a better of what wiring diagrams to send you. Hope this helps and thanks for using 2CarPros. happy Holidays.
Dec 31, 2020 at 5:38 PM
Avatar
REALLBW
  • MEMBER
  • 5 POSTS
Thanks for responding.

Discovered that one of the 10 gauge ground wires burned at the intake plenum leads through the firewall and attaches just below the ECU. This wire is burned at this location too!

A 14 gauge branch of the ground meeting with the 10 gauge wire at the plenum is burned and one of the pins in the 7 wire connector to the distributor looks corroded. I think the problem may have began at the distributor.

Also, some wires along the harness were melted together.

Any comments or advice is welcome and appreciated.
Jan 2, 2021 at 5:08 PM
Advertisement
Avatar
STRAILER
  • CERTIFIED EXPERT
  • 53,854 POSTS
Thank you for the pictures, 9 times out of 10 it will be the ignition coil that is causing the problem. To be sure here is a guide on how to check the wiring with the engine wiring diagrams so you can see how the system works:

https://www.2carpros.com/articles/how-to-check-wiring

Check out the diagrams (below). Let us know what happens and please upload pictures or videos of the problem.

Jan 6, 2021 at 9:08 AM
Avatar
REALLBW
  • MEMBER
  • 5 POSTS
Hi, I appreciate the diagrams and insights, should be very helpful! But I dont have AT. Would you send the diagrams for 3.0 with a MT?

The hardest part for me is that even though i removed the dashboard etc., and can get to the ECU and most of the wiring, the harness enters through the firewall behind the A/C Box. Guess if i can ID the damaged wires i can bypass with new ones!? As you can see ground wires burned all the way to below the ECU. Your thoughts?
Jan 6, 2021 at 12:24 PM
Avatar
DANNY L
  • CERTIFIED EXPERT
  • 5,648 POSTS
Hello again.

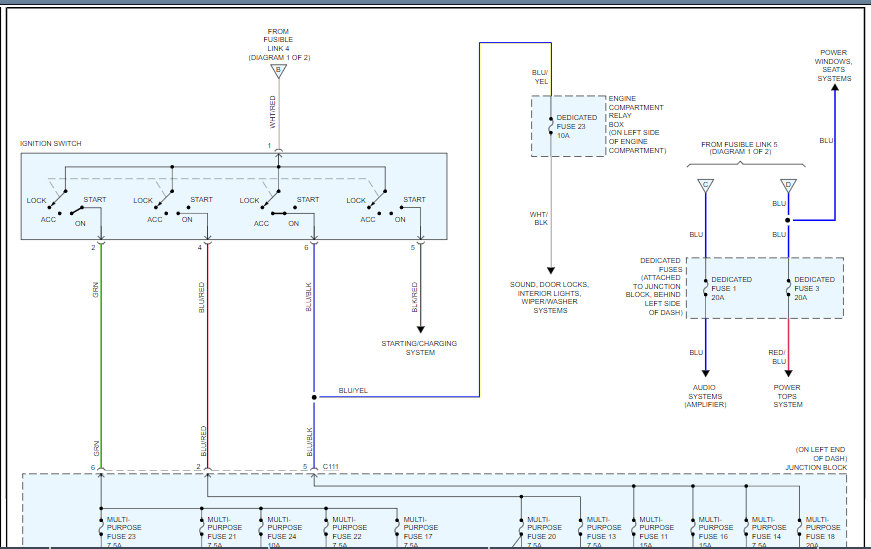
Normally the easiest solution is to just replace the entire wiring harnesses from a donor car- wrecking yard from another Eclipse. The most time consuming thing to do is repair each wire individually. I've attached a wiring diagram below for you. Let us know Let us know if you have any further questions on this issue or if you need any other diagrams. Hope this helps and thanks again for using 2CarPros.

Danny-
Jan 6, 2021 at 8:28 PM
Avatar
REALLBW
  • MEMBER
  • 5 POSTS
Hi, Ken and Danny,

I appreciate the diagrams and insights, but I don't have AT. Would you happen to have the the ECM pinout, wiring diagrams for 2003 3.0 V6 with a MT?
Jan 20, 2021 at 12:51 PM
Avatar
STRAILER
  • CERTIFIED EXPERT
  • 53,854 POSTS
those diagrams are the only one they offer.
Jan 20, 2021 at 7:08 PM
Avatar
DANNY L
  • CERTIFIED EXPERT
  • 5,648 POSTS
Hello again.

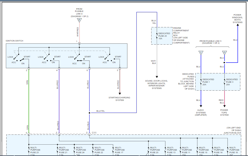
I've attached another diagram for you below with the ECM pinout information you requested. Couldn't find any manual transmission wiring diagrams. Hope this helps and thanks again for using 2CarPros.

Danny-
Jan 27, 2021 at 9:01 PM